Fórum témák
» Több friss téma |
Fórum » Csöves erősítő készítése
Ne feledd betartani a fórum viselkedési szabályait, és a topik megmaradásának feltételeit. [link]
A téma átmenetileg fagyasztva lett, hozzászólni nem tudsz!
Nem építetem belőle semmit, csak van ilyenem talán (EC92-t használtam, fél ECC81-helyett). Fél ECC83-nak megfelelő kiváló kis cső 100-as mű-vel. 250 V tápfesszel 50-60 szoros erősítés realizálható, mint a 83-asnál, talán kevésbé mikrofóniás. Diódáknak nincs külön katódjuk és csekély áramúak, nem tudom hf-en mit lehetne vele kezdeni (testre kötésen kívül), bemeneten esetleg valamifajta vágónak, limiternek (mint effekt) beköthető (de, hogy mit művelne ilyenkor azt inkább te tudod).
Nyáron találam egy kupac EABC80-as csövet, akkor megnézegettem az adatlapját, és biztos, hogy nagyon "ügyes" csőnek könyveltem le (még külön tároló dobozt is csináltam nekik). Ezt azért írom ide, mert ebből szinte mindenkinél szokott vetyengeni pár darab. Ennek a külön katódos diódái is fantáziálásra serkentenek, és a trióda karakterisztikák is roppant mutatósak voltak, ha jól emlékszem.
Köszi a választ
Ki fogom próbálni ezt a csövet. Találtam a faternál kb 2 marékkal ... zaerix, valvo és ultron gyártmányok, zsír "újak". A limiter kapcsolás lehetősége roppant érdekes számomra. Terveztek a bass előfokba egy limitert, amin egy LDR van a bemenet és a test között... A 6AV6 diódáit miképpen lehetne limitálásra bírni? Pár szóval leírnád az elvét?
Nem tudom hogyan kell megvalósítani, én csak annyira gondoltam, hogy meg lehetne próbálni egyszerűen rákötni a dióda anódját a rácsra (esetleg kikisérletezett soros ellenállással), és ha túl nagy pozitív félhullám jelenik meg (mivel nincs nekik külön katódjuk, úgy nem köthető be, hogy a negatívra is hasson), akkor a dióda, a belső ellnállásával, katódra vezeti a fölösleget, ezzel leosztva a bemenőjelet.
Egy "T" csillapító alsó szárába bekötöd antiparalell a független katódos diódát. Kicsit lazábban határol mint a félvezetős diódák, nincs olyan hirtelen átmenet a feszültség függvényében. Az FM adókban használtunk ilyet lökethatárolásra. Persze az EABC80 nál.
Oké, köszi szépen az ötleteket.
Ma elkészültem a PCL82 PP második kimenőjével is. Holnap tekerem a 6P14P SE kimenőket.
Én is elkészültem az egyik csévével
![]() M85B vas lesz benne.
Neked sokkal jobb lesz a mélyátviteled a szép nagy vas miatt. Én 10k/8R arányban tekertem. Hány felé osztottad a tekercseket?
Ez egy terheletlen áttétel, terhelve (primer dc ellenállás, veszteségek) 9 k felett van/lesz a tényleges primer terhelés. Remélem hogy jók lesznek a mélyek, mert csak 2000 menetes a primer. Semmi különös nincs benne; 4 rész primer között van 3 rész szekunder. Végülis egy mini TK157-es NVCS tekercs nélkül
Biztos jó lessz. Akkora vasnál elég lehet a 2000 menet. Nekem 2880 menet a primer. A tekercsek osztása olyan mint a tiéd.
Szerintem próbálkozz középosztásossal is, 9kohm mégiscsak 9kohm! A két okból is kikerülhetetlen n. visszacsatolással elérhető egy kielégítő magasátvitel, de akkor egyrészt, oda a bemeneti érzékenység, másrészt nem igazán tudsz variálni a nvcs mértékével, hiszen a magasátvitel kontra érzékenység lesz a meghatározó tényező. És ez még a jobbik eset... szoros átfogó visszacsatolásból könnyedén lehet gerjedés.
Ne feledd, hogy a TK157 teljes szórt kapacitása a közbeékelt visszacsatoló tekercssorai miatt alacsony (viszonylag).
Az nagyon tökölős munka nincs igazán kedvem vacakolni vele. El84 PP-nél (8k) elég jó lett ez az elrendezés, majd meglátjuk/meghalljuk/megmérjük, hogy mit szólnak hozzá a xCL8x csövek.
Ma csak egy 6P14P SE kimenővel lettem készen. Primer 3x840 menet 0,22 szekunder 2x48 menet 0,8-as huzalból SM65 magon. DC ellenállása 135 Ohm lett a primernek.
Srácok! A két ünnep között egy kis segítség kellene!
Adott egy djhans-féle ECC85-EL84 erősítő, csak csöves táppal, EZ81-gyel. A neten keringő egyik (magyar) trafóméretezőt használtam a menetszámok meghatározásához, de nem túl jó az eredmény: a fűtés 6.9-7.1V, és 250V helyett is akad 335V! Minden érték terhelve volt mérve, sajnos! A trafó: nem szabványos EI mag (102mm széles, 32mm-es nyelvvel, s 42mm vastagsággal, így a magkeresztmetszet kb. 13.5cm2). Mekkora menetszámokat javasoltok? A trafó jó nagy, a lehető legkevésbé szeretném gerjeszteni! Előre is köszönöm!
Én olyan 4-4,2 voltonkénti menetszámmal próbálkoznék. Ha a B=0,8-1 közötti, akkor így szerintem nem lesz túlgerjesztve a vas.
Köbzolibácsi! Na még egyszer.
Nekiálltam az itthon talált lomok-ból, egy PCL84 PP-t építeni.Megpróbáltam minél kisebbre épiteni, persze az adott alkotóelemekből. Remélem belefér minden alkatrész, macimentesen, rendezetten. Ha meglesznek a kimenők, és a hálózati, akkor folyt. köv. Addig 1-2 kép:PCL84PP
Érdekes design
Hasonlít a Nejem retiküljére, egy neves erősítőre, meg sokmindenre. BUÉK.
Köszi! Sokat segitettél mert nem tudtam hogy milyen szine legyen, de most nézhetek női táskákat, hogy melyik áll neki jobban
.Amugy nagyon nehéz jó, praktikus, itthon kivitelezhető és nem a másikéra hajazót csinálni.
FigyelmeztetéS!!
Áthelyezem a hozzászólásodat a "női táskák építése" topikba! ![]() ![]()
Szia! Nekem tetszik. Szép lesz majd ha le lesz festve, lakkozva. Én hátra már nem tenném be az EZ81-et mert nem megy a látványhoz.
Ezért nem is furtam neki oda likat, mert nekem sem tetszik ott, valahogy belehekkelem a táp mellé.
A négy PCL közé nem fér be?
Amúgy tényleg szép lesz, én valami vad színvilágot adnék neki, akár piros, vagy sárga-fekete. Még a hangszóróidhoz is illene.
Szia mindenkinek Boldog Uj Évet Kívánok mindenkinek...
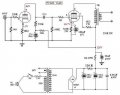
Szeretnék megkérni valakit hogy ezt a rajzot szeretném 2x10w s megcsinálni. Előre is köszönöm szépen...
Nem értem a dolgot. Mit is szeretnél? Ezt a rajzot más csővel?
Szia.
Nem, hanem ne 5w legyen hanem 10w legyen 2x az ,az 20w s legyen .
Szia.
Köszönöm szépen és ha lehet a táp részét is kérhetném.
Hello!
Elkészült az erősítőm. http://www.elektroncso.hu/cikkek/gu50i.php Használt kimenőtrafók kellenének. Nem tud valaki valahol olcsón?
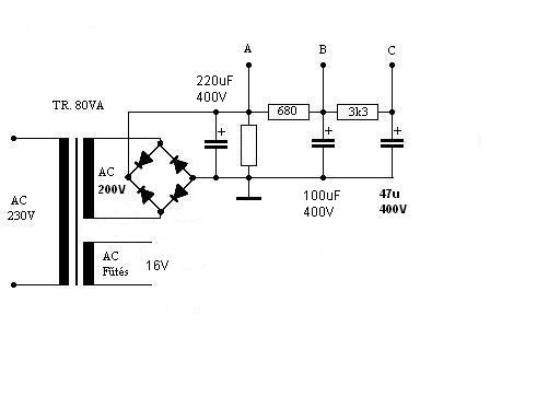
Én nem egészen úgy csinálom ahogy a doksiban van. Itt az én változatom. A graetz után tehetsz bele anódfesz késleltető relét is.
|
Bejelentkezés
Hirdetés |


... zaerix, valvo és ultron gyártmányok, zsír "újak". A limiter kapcsolás lehetősége roppant érdekes számomra. Terveztek a bass előfokba egy limitert, amin egy LDR van a bemenet és a test között... A 6AV6 diódáit miképpen lehetne limitálásra bírni? Pár szóval leírnád az elvét? 



