Fórum témák
» Több friss téma |
Sziasztok!
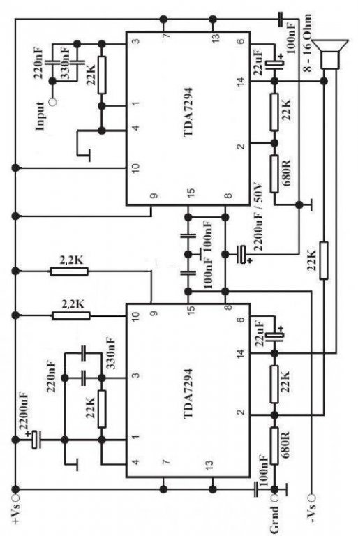
Mellékeltem egy rajzot, próbáltátok már? 7294hez szeretnék szubszűrőt freqvencia és fázisállítási lehetőséggel. Ja és i , j , k pontokon lévő potméter hogy van bekötve. Én sztereó potinak nézem. Köszönöm előre is!
Szia! Rakd fel más formátumban, mert (legalábbis nálam) kivehetetlen.
Szia!
Benne van a szövegben, hogy sztereó potméter kell.
Sztereó poti. A két részének ellenállása egyszerre nő illetve csökken.
Az is lessz , brutálisan szól ígyis , üresjárásban van 77v-om ami extra basszusoknál leesik egészen 69v-ig nagyon kevés lessz ez az áttekert folytótrafó
Valakinek esetleg 2*28Ac-s 500w-os torroidja nincs esetleg (kiegészítő megcsapolás nem hátrány főleg ha 12v )?
Sziasztok. Légyszives segitsetek nekem itt:
http://www.hobbielektronika.hu/forum/topic_hsz_1166084.html#1166084 Köszönöm szépen! Üdv: Fodor
Szia! Ennek az átméretezésében tudok segíteni.
Köszi, de ez nemlessz jó, mert már kész a reflex rx500-as koppanásgátló panelje csak beültetésre vár és azzal együtt van a clip jelző. Mindenesetre nagyon szépen köszönöm a segitséget.
Az R13 (2,2k) ellenállás helyére tegyél trimmert, és lődd be kedvedre. (Ez miért nem jutott előbb eszembe :bonk
![]() Köszönöm a kérdést
Köszi szépen, kipróbálom..
szerinted hány ohm-os trimmert rakjak oda? Ja és melyik 2,2K-s ellenállás helyére? nekem nincs írva, hogy melyik az R13-as :S Meg aztsem ártana akkor szkóppal méreni, mert nem gyerekjátékok vannak a végén. igen drága mulatság lenne, ha a magassugárzókat megfüstölné.... :S
A ledet hajtó tranzisztor bázis-emitter ellenállásáról van szó. Ha így nem egyértelmű, adj egy linket és bejelölöm rajta.
Megvan a -ut ba van kötve. Csak nincs szkópom, nemtom megmérni.. fülre meg nemlehet beállítani.
8 darab reflex r300-as hangfalam van Ezeket szeretném megvédeni, ha lehet így mondani. Valami mód nincs a kiszámolására? csak mérés?
Ezen a rajzon van a hivatkozott pozíció szám.
Sajnos sem mérni, sem kiszámítani nem lehet, hogy a led akkor jelezzen amikor az erősítő clippel. Ettől még nem használhatatlan a kapcsolás, de meg kell tanulni együtt élni vele. Illő, hogy ezt a lesújtó megállapítást indokoljam. A clippelés alapvetően a végfok áramkorlátozójának működésbe lépésétől fog származni. Az áramkorlát függvénye a kimenet pillanatnyi feszültségének. Minél nagyobb ez a feszültség, annál nagyobb áramnál korlátoz az IC. Az általad használt +/-43V táp esetére nem tudok irányadó értéket még becsülni sem, mert úgy megengedett feszültség, mint hőleadási képesség szempontjából is a megengedett tartományon kívül esik. Gondolj bele: 200W-on 8ohm-on a testhez képest mért feszültség csúcsa 28V, és neked van még 15V-od a 43V-os tápig! Lesznek jelek melyek nagyobb amplitúdót is felvehetnek, hiszen a hangsugárzó impedanciája a frekvencia függvényében változik. Impedancia menet. A helyzetet tovább bonyolítja a tápfeszültség terhelés hatására bekövetkező esése. Ezt figyelembe veszi az általam jegyzett kapcsolás, de az IC áramkorlátozójában lejátszódó folyamatokról az sem tud semmit. Tehát az is csak akkor ad reális tájékoztatást, ha a tápfeszültség és a terhelő ellenállás összhangban vannak, lásd a TDA7294 adatlapját. Összegezve: a beállítás javaslatom szerint meghallgatással, többféle műsoranyaggal történjen. Azt már te mérlegeld, hogy a torzítás valamely fokánál, vagy a torzítás közeledtét jelezve villanjon-e fel a led.
Hűha, le a kalappal! Nagyon szépen köszönöm a segitséget!!!
Szia! Az újabb kiadású adatlaphoz igazítottam a nyáktervet, még egyszer köszönöm az észrevételt!
Párhuzamos kapcsolásra? És jobb? Vagy próba még nem volt?
A két párhuzamos rész hídban fog dolgozni. A nyákterv most készült el, jelentkezni fogok ha megszólal.
Helló. És így mekkora rms teljesítményre lesz képes 8ohm melett?
Helló! Mások mérései 350W-ot említenek, majd beszámolok, ha elkészült.
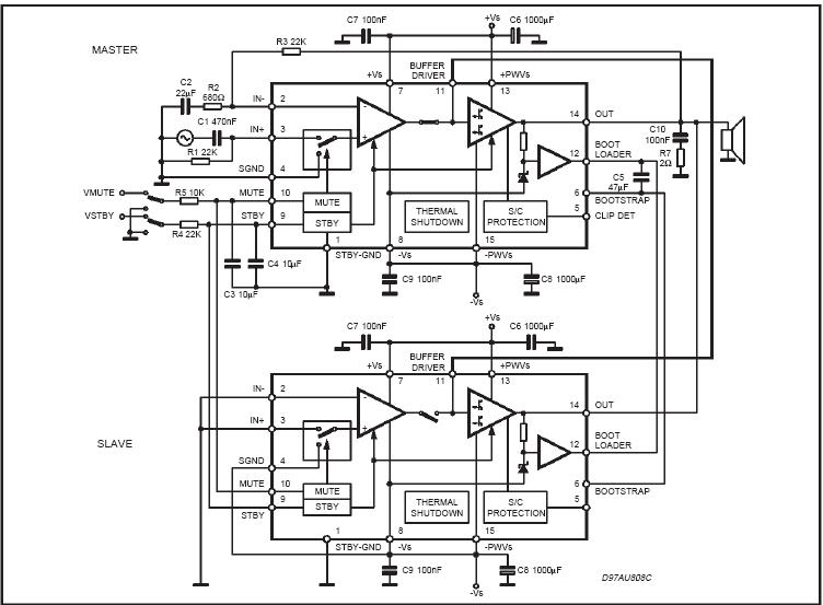
Helló! Most vettem csak észre hogy a nyákterven tda 7293-as végek vannak, de a topik 7294-ről szó.
A rajzon van elírva vagy valóban a 93-as van benne. Előre is köszi! Ui: Megfelelő hűtéssel eltudna viselni ez a kapcsolás +/-45V-ot. Petya.
Szia! Az IC TDA7293. Azért került ide a válaszom, mert ebben a témában kaptam tanácsot.
A tápfeszültség +/-50V-ig növelhető, megválasztásánál figyelembe kell venni a hangsugárzó impedanciáját. A +/-45V-os táppal a párhuzamos kapcsolás 4 ohm-mal, hídban 8 ohm-mal terhelhető.
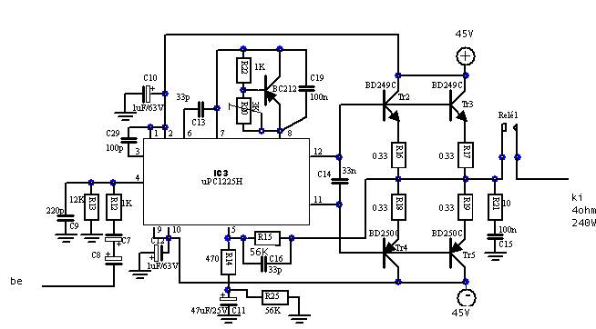
Sziasztok. valaki meg tudná mondani nekem,hogy a TDA7292 hídba kötve és BD tranzisztorokkal miért nem hajlandó működni? Tranzisztorok nélkül tökéletesen üzemel.
Itt egy rajz mit meg is építettem,s miről beszélek. Ha valaki tud valamit segíteni előre is köszönöm.
Üdv!
Honnan van ez a rajz? Ez nem működőképes ebben a formában. Ha megnézel bármilyen másik tranzisztoros erősítőt akkor láthatod hogy a kimenet csatolva szokott lenni tekercsel, kondenzátorral, emitter ellenállásokkal stb. Szerintem ez így ebben a formában felejtős. Olyan rajzot keress szerintem, amit mások is megépítettek már és tutira működik. Üdvözlettel!
Nekem nagyon is működő képesnek tűnt. Meg van a vissza csatolás és az emitter ellenállás nincs berajzolva,de be tettem egy-egy 0,33 ohmost. Itt van egy kapcsolás a UPC1225a-val és az is így van megoldva csak annyi különbséggel,hogy az emitter ellenállások benne vannak a rajzba. Akkor ez sem tud működni? De ha ez sem működik akkor még ott a TDA7294S ami ebben a rajzban csak 200W de szerintem meg leget még két IC-vel,összesen négy IC-vel oldani a 400W-ot. Szernted melyik valósítható meg?
A TDA7294S híd rajza.
Amit előbb linkeltél, szerintem nem a TDA7293 hídkapcsolása, ezt onnan gondolom hogy a 7294ben nincs clip detection pin.
Mellékelem a 7294 hídrajzát, ezt megépítettem és tökéletesen megy 2x46V egyenről és 2x10000uf pufferral. Nagyon szépen és frankón zenél a DLD 30cm aktív szubommal.Ha ettől nagyobb teljesítmény kell, akkor nézz szét a fetes rajzok között. Visszatérve a tranyós rajzodra, a kimeneten nincs rajta a 10ohm/100nf rc kör sem. Az upc rajzodon pedig az is van. Ha kettőt összehasonlítod, egyből láthatod. Olvastam én is a fórumon, hogy 2 hidalt 7294 erősítőt lehet párhuzamosan kötni, de nem tudom próbálta e ezt valaki. Ha mindig igaz így tudhat a 4 ic 400W-t.
Akkor ez milyen TDA7294???
Ez az gyártó kapcsolása eredetileg!! És ez ugyan az mint amelyik a tranzisztorokkal van megépítve. Amúgy azért nem kell teljesen tranzisztoros rajz,mert annak a védelmei messze sem olyan jók mint az IC-nek és nehezebb is a megépítésük. |
Bejelentkezés
Hirdetés |





Valakinek esetleg 2*28Ac-s 500w-os torroidja nincs esetleg (kiegészítő megcsapolás nem hátrány főleg ha 12v )?










