Fórum témák

» Több friss téma
Fórum » JLT-02 analóg forrasztóállomás
Lapozás: OK   82 / 124
(#) Izeg. hozzászólása Feb 7, 2012 /
 
Sziasztok.
Attila féle forrasztóállomásnak Bővebben: Linkmi olyankor a problémája, ha a fűtése nem kapcsol ki és a műveleti erősítő kimeneti lábán folyamatos 7,3V van(az első műveleti erősítőjén, ami a hőelem feszültségét erősíti)
?? Mellesleg ennek az erősítőnek az invertáló lábán lévő trimernek semmi hatása az áramkörre.
(#) Ghoost válasza Izeg. hozzászólására (») Feb 7, 2012 /
 
szia !
Csak egy kerdest tennek fel neked : AC vagy DC-t engedsz at a pakan?
a triak csak ACnmukodik.
S ha jol tudom akkor nalam is hatastalan es max-ra van allitva
(#) Izeg. válasza Ghoost hozzászólására (») Feb 7, 2012 /
 
Természetesen AC-t!
A probléma az opto előtt van, sőt valószínüleg még a komparátor rész előtt is. ugyanis mint mondtam, állandóan 7,3V van a kimenetén.
(#) kaqkk válasza Izeg. hozzászólására (») Feb 7, 2012 /
 
Nem lehet hogy a páka hőeleme fordítva van bekötve ??
(#) Izeg. hozzászólása Feb 7, 2012 /
 
Már azt is próbáltam.Nem működödtt. Egyébként jól van bekötve mert a hőelem negatív része megy a földre.Kontakthiba nincs a panelon.már azt is próbáltam hogy az ellenállások variálgatásával csökkenteni akartam a mverősítő kimeneti feszültségét. semmi. szóval nemtudom mi lehet a baja.
(#) Ghoost válasza Izeg. hozzászólására (») Feb 8, 2012 /
 
Szia!

Elnezest kerdesemert, de volt mar ki DC-vel probalta es ugyanez volt a hibajelensege. /be igen de ki nem kapcsolt/
(#) Johnny0004 válasza Izeg. hozzászólására (») Feb 8, 2012 /
 
Szia!
Az 1-es lábon? A 7,3V az nagyon sok, ott a hőelem feszének kb. 150 szeresének kell lenni, ami max. olyan
2V alatti érték. Szerintem valami nem jó a nyák rajzolatodon, vagy az ic?
Nem lehet, hogy az R8 véletlen össze van kötve az R1-gyel?
Mérd meg mekkora fesz. van az IC 3,5,6-os lábain.
(#) Izeg. válasza Johnny0004 hozzászólására (») Feb 8, 2012 /
 
A nyákterv 20x minimum ki lett sípolva és nioncs rajta kontakt.Az eredeti nyáktervvel van megcsinálva.
Annyi a módosítás az áramkörben, hogy lm324 helyett tl074-et raktam bele.Lehet h ez a baj?
Egyébként a lábakat kb másfél óra múlva tudom lemérni, mert akkor lesz nálam a multi.
(#) Izeg. válasza Izeg. hozzászólására (») Feb 8, 2012 /
 
Na helyrejött a probléma.
A tl074-et és a pufferkondenzátort cseréltem ki(2200uf).(de valószínüleg csak a műveleti erősítő volt a ludas)
Sajnálattal vettem észre, hogy ennyire alkatrész specifikus a kapcsolás.
Köszönöm a segítségeteket!
(#) pplaci hozzászólása Feb 9, 2012 /
 
sziasztok. ezt a páka betétet szeretném be kötni. iletve szabájozni a hö fokát. én nem régota ismerkedem az épitgetésell. ezért szeretnék segitséget kapni. kapcs rajz és nyák terv kéne köszi.
(#) Johnny0004 válasza pplaci hozzászólására (») Feb 9, 2012 /
 
Üdv!
Ezt minek vetted?
Van hozzá pákád is, meg hegy is?
(#) El_Pinyo válasza pplaci hozzászólására (») Feb 9, 2012 /
 
Ez ilyen gombhoz a kabátot típusú kívánság. Építs inkább Solomon pákához való állomást, nem vészes a páka és a póthegyek ára sem.
(#) pplaci hozzászólása Feb 9, 2012 /
 
sziasztok. véleményetek re lenék kiváncsi nézétek meg ezt a pákát. mien lehet?? érdemes megvenni. köszi.
(#) Johnny0004 válasza pplaci hozzászólására (») Feb 9, 2012 /
 
Ez a link nálam nem működik.
(#) pplaci hozzászólása Feb 9, 2012 /
 
(#) Johnny0004 válasza pplaci hozzászólására (») Feb 9, 2012 /
 
Ennek gondolom 230 voltos a pákája,
ilyet szerintem ne vegyél.
(#) PPetya hozzászólása Feb 11, 2012 /
 
Sziasztok!

Köszönöm a segítséget a transzformátorral kapcsolatban.

Akadt viszont egy új problémám.
Megépítettem a panelt, bekábeleztem és a kimenő feszültség 24V.
De amint rádugom a pákát azonnal 0V lesz.
Zárlat a panelen nincs, a potik rendben.
Mi lehet a probléma?

Üdv.: Petya
(#) Johnny0004 válasza PPetya hozzászólására (») Feb 12, 2012 /
 
Szia!
Hol méred a 24V-ot, a panel kimenetén, a triaknál, vagy a trafón? Bár a triak, ha nincs bedugva a páka, akkor nyitott állapotban van elvileg.
A trafó bírja a pákát? Próbáld ki, hogy rákötöd direktbe a pákát egy kicsit, amíg megméred a trafó feszültségét.
(#) PPetya válasza Johnny0004 hozzászólására (») Feb 12, 2012 /
 
Szia!

A panel kimenetén.
Direktbe rákötve 22V -ra esik a feszültsége 24V-ról.

Megoldottam a problémát, de szült egy másikat

A probléma a következő volt:

Az MOC 3061 -es optotriak a fűtés led számára 4.35V -ot ad le.
Az általam vásárolt led nem bírta ezt a feszültséget, ezért kiment és így nem fűtött a páka, a ledet kicseréltem 5V-os-ra és most már működik, felfűt, le is kapcsol amikor elérte a hőfokot.

Viszont mielőtt elérné a beállított feszültséget a fűtés led villogni kezd majd mikor eléri az adott hőt elalszik.
Amikor újra fűteni kezd világít folyamatosan és mikor közeledik a beállítotthoz megint kezdi a villogást.

Mitől lehet ez ?

Üdv.: Petya
(#) Johnny0004 válasza PPetya hozzászólására (») Feb 12, 2012 /
 
Az lehet nem baj, nálam szinte mindig villog, ahogy tartja a hőfokot ki-bekapcsolgat, 1-2 fokot mászik csak, elég stabil.
(#) seat hozzászólása Feb 13, 2012 /
 
Sziasztok,
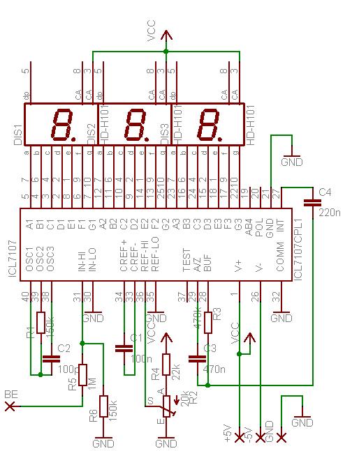
Megepitettem a mellekelt kapcsolast es jol mukodik sokaig hasznaltam digitalis kijelzo nelkul,de most ugy dontottem h epitek egy kijelzot is hozza.
Es itt a problema a kijelzo is jol mukodik addig meg a paka el nem eri a bealitott homersekletet es el nem kezd villogni a led,ekkor a kijelzett ertek is ugy csokken es no ahogy a led villog.A kijelzot az LM324 1-es labara kotottem az Attila86 rajza utan,egyebkent tole van a kijelzo rajza.
Szerintetek mi lehet a hiba?a potikat kell beallitani mashogy?vagy rossz helyre kotottem a kijelzot?
A segitseget elore is koszonom!
(#) waterbear válasza pplaci hozzászólására (») Feb 13, 2012 /
 
Solomont inkább... szinte fillérekért van hozzá minden, én anno az egész tv szervízben lecseréltem a wellereket ezekre. Semmivel sem rosszabbak és nem kattognak ráadásul
(#) Johnny0004 válasza seat hozzászólására (») Feb 14, 2012 /
 
Helló!
Én tök ugyanezt építettem meg pár hete, teljesen jól csináltad, így kell működnie, persze gondolom nem a led ütemében változik a szám, hanem lassan fel- le lépeget pár fokot. Ahogy a páka hőelemének ingadozik a feszültsége, a hőmérséklet szerint, mivel ahogy hűl kicsit lekapcsol a 24 volt, aztán rákapcsolja a triak, akkor megint nő a lekapcsolásig, de mondom csak lassan pár fokot ingadozik. Szerintem így kell működnie.
Viszont nálam csak egy probléma van, gondoltam teszek egy kapcsolót, hogy átválthassak a mért hőfokról a beállítottra, az ic 5-ös lábára kötöttem a kijelzőt, és mutatja is rendesen, csakhogy amikor kapcsolgat a triak a kijelző megugrik egy pillanatra majd visszaáll, tehát megrántja a feszt, de nem tudom miért.
Tegnap ráértem, így végre leteszteltem rendesen az állomást, összekalapáltam a JVC erősítőm, volt szegénynek baja rendesen, de megérte, jól szól nagyon, így az állomás ment egész nap, nagyon jó a páka is, néha le kell a fejét törölni, ennyi, a trafó melegszik, amúgy nagyon jó.
(#) Johnny0004 válasza Johnny0004 hozzászólására (») Feb 14, 2012 /
 
Illetve bocsi nem egészen így van nekem, mert az egyutas egyenirányítással nekem össze-vissza ugrált a kijelző így graetz-el csináltam meg a tápfeszt a kijelzőnek, és a vezérlőnek is, így a triak függetlenül a 24 voltot kapcsolgatja. Persze lehet nem az volt a gond, ha nálad (seat) működik úgy is.
(#) Brown hozzászólása Feb 14, 2012 /
 
Sziasztok! JLT-02 állomáshoz átalakítás nélkül jó a Solomon páka?
(#) kokozo válasza Brown hozzászólására (») Feb 14, 2012 /
 
Igen!
(#) pplaci hozzászólása Feb 14, 2012 /
 
müködik
(#) Brown válasza kokozo hozzászólására (») Feb 14, 2012 /
 
Köszi a gyors választ! Még egy kérdés a JLT pákahegy is jók akkor a Solomon pákába ?
(#) kokozo válasza Brown hozzászólására (») Feb 14, 2012 /
 
Az viszont nem biztos. Vékonyabb és hosszabb de lehet tévedek.
(#) laszlokunstar válasza Brown hozzászólására (») Feb 14, 2012 /
 
Az importőre szerint igen, szerintem higyjünk neki.
Bővebben: Link páka
Következő: »»   82 / 124
Bejelentkezés

Belépés

Hirdetés
XDT.hu
Az oldalon sütiket használunk a helyes működéshez. Bővebb információt az adatvédelmi szabályzatban olvashatsz. Megértettem