Fórum témák
» Több friss téma |
- Ez a felület kizárólag, az elektronikában kezdők kérdéseinek van fenntartva és nem elfelejtve, hogy hobbielektronika a fórumunk!
- Ami tehát azt jelenti, hogy a nagymama bevásárlását nem itt beszéljük meg, ill. ez nem üzenőfal! - Kerülendő az olyan kérdés, amit egy másik meglévő (több mint 17000 van), témában kellene kitárgyalni! - És végül büntetés terhe mellett kerülendő az MSN és egyéb szleng, a magyar helyesírás mellőzése, beleértve a mondateleji nagybetűket is!
[off] A rendőrlámpa készen van?
Sziasztok!
A csatolt képben szereplő képletben a +- -os részt úgy kell értelmezni, hogy ami részt ott kiszámolunk annyival lehet kisebb vagy nagyobb az elsővel kiszámolt értéknél, vagy pedig úgy kell értelmezni, hogy a +- utáni értéket hozzá adjuk az első értékhez, és pont annyi a végeredmény(mert ugye a második érték lehet negatív is). Szerintem az első megoldás a helyes, de nem vagyok biztos benne. Ebben kérném segítségeteket. Üdv, mate_x
Szia nekem van egy ijen trafóm ha gondolod megegyezhetünk rá. Üdv.
Esetleg azt meg tudod mondani , hogy melyik verziójában készülhetett?
A Protel 99 SE -ben kipróbáltam , de nem akarta megnyitni nem ismeri fel valamiért.
Sziasztok. lenne egy kérdésem lehet hogy hülye kérdés de mielőtt használnám inkább megkérdem. Egy zselés akkumulátort kellene betennem egy dobozba de csak úgy fér el ha nem hosszában van vízszintesen hanem függőlegesen. Nem tudom jól fogalmaztam e,csak hogy szabad e úgy használni. Köszi a választ.
Sziaztok!
Egy egyszerű 6 csatornás keverőt szeretnék építeni, 2 kapcsolás alapján. Az első rajz ez, ez alapján csináltam a bemeneteket, azzal a különbséggel, hogy a 47k-s ellenállásokat 10k-sra cseréltem a 2. rajz alapján. A 2. rajz (itt) alapján a kimenetet csináltam, tehát az első rajz bemeneteit 10k-s ellenállásokon keresztül rákötöttem a 2. rajz első opampjának az invertáló lábára. A végeredményből a legtöbb amit ki tudtam hozni, hogy kattan egyet a hangszóró ha bedugom a kimenetre. Ennél azért többet vártam, úgyhogy lenne néhány kérdésem. 1. A két rajz összekeverése vagy az ellenállások cseréje okozhatja-e hogy nem működik? Bár magas fokon nem értek sajnos az elektronikához, szerintem nem ez a hiba. 2. Az első rajzon a bemenetek úgy kötöttem be, hogy a narancssárga golyó ment a jack csatlakozó végén lévő rövid pöcökre, a fekete pötty pedig a hosszabb hengerre, jack foglalaton keresztül. A foglalat negatív lábát a földre kötöttem. A hangerőszabályzó poti egyik lábát a foglalat narancssárga ponttal jelölt részére, a másikat a földre. Ha a jobb és bal oldalt felcserélem, attól még működnie kellene csak fordítva nem? A foglalat 3. lábát nem kell kötni sehova? 3. Gondolom a kimenetben kell lennie a hibának, mert egyik bemenet sem produkál semmit. Mennyire könnyü ezeket az icket megsütni? Foglalat nélkül közvetlenül forrasztottam, nem mindig sikerült hamar. Ha rövidre lenne valahol zárva, akkor nem búgna? Bocsi hogy kicsit hosszú lett, a válaszokat előre is köszi!
Vagyis az lett volna a kérdés hogy szabad e zselés akkumulátort így használni mint a képen!?
hello!mit lehet csinálni pc ventillátorból.Előre is köszönöm.
kérlekszépen olvasttam de amúgy elektronos árammal működik és az elektronikához tartozik.csak ennyit szerettem volna hozzáfűzni!
Udv mindenkinek!Valaki elmondana,hogyvan a bekotes egy 3.5mm stereo jack re rakotve a mikrofon,meg a keveroben xlr van ,vettem csatit hozza ,szeretnek egy atalakitot csinalni... ami xlrbol 3.5mm jacket csinal.[Mikrofonhoz].Koszonom.
Zoli!tudom hogy most te ki vagy akadva rajta de én tényleg elolvastam csak nagyon nem tudtam értelmezni az egészet egyébként bocs hogy így rádtámadtam nem akartam ez hogy így sűljön el az egész csak a kérdésemre nem kaptam értelmes választ ha meg kaptam akkor is olyat amilyen én nem tudok megcsinálni.
Hello! valaki nem tud hogy mit lehetne csináli pc ventillátorból!köszönöm
Virágot ha kiszínezed.
Nos olvasgattam a topicot és feltűnt, hogy az energiamegmaradás törvényével nagyjából itt mindenki egyetért. Ingyen energiát valami olcsó energiahordozóból szeretne nyerni mindenki. (hidegfúzió, nullpont, anyag energiává átalakítás, stb).
Viszont a konkrétan a nagy büdös semmiből való energianyerés lehetősége megint kezd kimenni a divatból. Pedig bizony ennek is látom a lehetőségét, anélkül, hogy sérülne a megmaradási törvény. Gondoljunk bele: Csak ez a világegyetem olyan majdnem 10 a 100.-on J energiát tartalmaz, ami jött valahonnan. A valahonnanok sorozatát egészen a semmiig, mint forrásig vissza lehet vezetni, tehát az összenergia valahogy mégis a semmiből kell, hogy származzon (szerintem). Kérdés az, hogyan lehet megkerülni a törvényt és hasonló módon totál a semmiből előállítani valamit, mondjuk energiát? Végső soron az anyag energia, az energia meg struktúrákba ágyazott információ. Az egész minden végső soron információból felépített struktúra, magyarul egy nagy szoftver. Egy ilyen már triviális módon is létre tud jönni a semmiből, de ez most ide hosszú történet lenne... Tehát tegyük fel, a mára már nagyon valószínűnek látszó, több területen tapasztalható és egzaktul is megfogható elképzelést, hogy a világ tulajdonképpen axiómákból és logikai értékekből felépített rendszer, vagyis egy szoftver. (s...r egy számítógépes játék, de legalább jó a grafikája. )Ha ez így van, akkor az egész energiamegmaradás törvénye csak egy szoftveren belüli összefüggés. Ha valamilyen módon bele tudnánk nyúlni magába a "szoftverbe", akkor átírhatnánk benne dolgokat és így példáull: többletenergiára is szert tehetnénk a semmiből. Esetleg van is benne kész lehetőség ilyen csalásokra? Ez érdekelne, van e valami elképzelés ilyen vonalon?
Én is ezt a lehetőséget ajánlottam.
Tudom nem könnyű megcsinálni,de egy próbát nem ér.Ha végképp nem tudsz mit kezdeni egy ventilátorral.
Üdv! ha szeretnék egy 2x18 wattos neonvilágítást csinálni, a 2x20 wattos folytótekercs megfelelő lenne hozzá? starternek milyen energiatakarékos izzó elektronikája felelne meg?
Sziasztok!
Relés kapcsolásokban a behúzó tekercshez záró irányba szoktak rakni egy diódát a tranziens jelenségek miatt. Ide hogy kell méretezni? Vagy pl egy 12V-os 500ohmos behúzó tekercsű reléhez jó az 1N4007? (1A, 1000V)
Sokféle egyszerűbb / bonyolultabb megoldás is szóbajöhet:
- Egy sugár irányban bevágott tárcsát forgatva: HDD óra, de forgathat Nixie vagy VFD csövet, 7 szegmenses kijelzőt is. Lehet földgömb is. - Alufóliával borított lapátokkal, (színváltós) led -del megvilágítva - Tükröket forgatva: Laser show vagy 20 krakteres kivetítő Már szinte félve írom: - Forrasztáskor keletkező gőzok elszívása Végülis egy villanymotor....
Egy rögtönzött lehetőség.Igaz nem elektronika. Most találtam ki.
Egy kicsit egyszerű a rajz.Ha nem lenne érhető elmagyarázom. Szerintem dísznek jó.És kihasználja a ventilátort is .
Szia. Régebben láttam egy érdekes és látványos alkalmazását egy ventilátornak. Az a lényege, hogy egy nagyjából háromszög alakú selyem szövet volt a ventilátor két egymással szemben lévő sarkához rögzitve. A ventilátor közepére egy kék és a két szélére, pedig egy-egy piros led volt téve, ami megvilágitotta a szövetdarabot, amitől olyan volt mintha igazi láng lett volna. Nekem nagyon tettszett, de sosem próbáltam még ki.
Azt nem tudom, hogy az én problémám kötődik-e az elektronikához, de a lényeg annyi, hogy a mindigtv-s dekódert használva a kép torzul, és a hang is szünetel. Néha. De lehet a tv társaság hibája is, de ha valakinek van konkrét tippje, akkor mondja el. kösz.
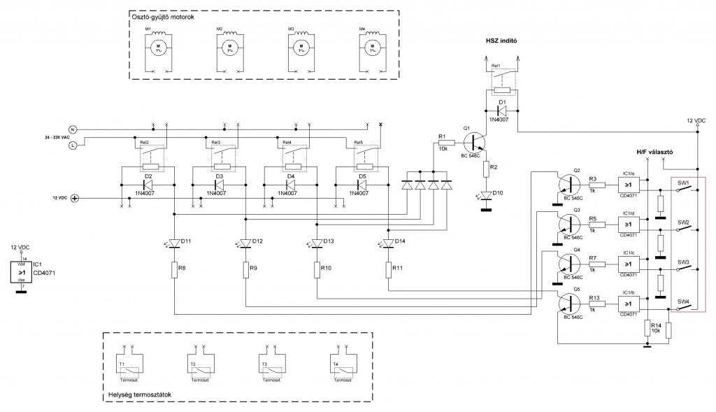
Sziasztok!
Alkottam a mellékelt kapcsolást. Amiben nem vagyok biztos az a Q2-Q5 helyes kötése. A működés lényege: Adott 4db hűtési/fűtési kör hozzá egy-egy szobatermosztát A relék (Rel2-Rel5) szelepeket nyitnak zárnak. Rel1 zár, ha bármelyik szelep zárt. Nos a gondom, hogy nem tudom eldönteni jó-e vagy sem, hogy a Q2-Q5 tranyók kollektora lényegében lóg a levegőben, ha a termosztátok nyitva vannak. Oké, hogy a relé tekercséhez csatlakozik, de a tekercs másik vége meg 10-20-30 méterrel arréb meg van szakítva a termosztát által. Jó lehet ez így? Gyondoltam arra is, hogy a CD4071 után teszek még egy AND kaput és annak az egyik bemenetére menne a termosztát. Csak a vezetékezés miatt félek, hogy nem lenne üzembiztos.
Volt itt egy hozzászólásom, amire választ vártam, de eltűnt!???
>Protel for Windows - Schematic Capture Binary File Version 1.2>
Ez van a fájl első x karakterében. Valamilyen Commander (Total-, Windows-, nekem Gnome-) F3 funkciója megmutatja.
A távolságot nem tudom , hogy zavart okoz-e a működésben .
De a D1 dióda biztos jól van feltüntetve a rajzon? Ha így lenne bekötve akkor bizony a relé nem húzna meg.Mivel a D1 dióda így nyitóirányban van. De lehet rosszul gondolom.
Jogos!
De ez a problémámon nem segít.
Szia! A termosztátokat miért nem az SW kapcsolók helyére kötötted?
|
Bejelentkezés
Hirdetés |






)







