Fórum témák
» Több friss téma |
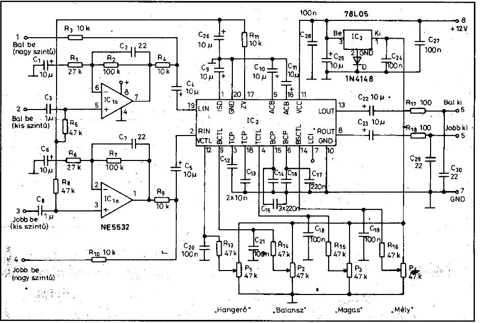
Fórum » LM1036 sztereo hangszínszabályzó áramkör
Témaindító: Krajcsooo, idő: Máj 29, 2006
Témakörök:
Az áramkorlátos indításnak nem látom jelentőségét. A táp legyen tűrésen belül és polaritás helyes.
A félre értések elkerülése végett lerajzoltam hogyan kell összekötni az előerősítő tápját és az erősítőjét ha az erősítő kettős tápról megy. A 100nf kondenzátorok használata fontos lenne a tápodban.
Olyan kérdésem lenne,hogy mi történik akkor ha én nem 47k potmétereket rakok bele,hanem 1ohm-osokat?
Szia! Pontosítsd, hogy milyen potit akarsz belerakni, az 1 ohm -ot nem hiszem el
Hát nem tudom pontosan h 1 ohm -e,de az van ráírva felülre h 1 ohm,alulra meg valami 1M ohm A legalább is ennyit látok belőle.
Ó, hát rá van írva, hogy ez így pontosan 1 megaohm-os poti.
Potik esetében maradj a 47 vagy 50 kohmnál, azzal fog megfelelően működni.
Két szélső láb között mérsz ellenállást, az a poti teljes ellenállása, egy középső és egy szélső láb között szabályoz.
szerintem nem a méretére gondolt hanem arra hogy logaritmus vagy lineáris poti-e
Lineáris a poti, ha középállásban a középső kivezetéseihez mérve egyforma értékeket mérsz a két széléhez viszonyítva. Logaritmikusnál nagy a különbség a két érték között.
Pár sorral feljebb az ellenállásértékkel volt probléma, azért írtam...
Üdv! Az a kérdésem lenne, hogy meg építettem még a mellékelt rajz szerinti kapcsolást, és működése közben búg. A hangszínszabályzó része az szépen működik, de közben igen hallhatóan búg. Attól lehet, hogy a potmétereket vezetékekkel csatlakoztattam rá, mivel a potik már egy doboz falán vannak. Próbáltam a tápot hidegíteni, és szűrőkondikat tenni a ki-és bemenetre, de nem segített a problémámon. Szerintetek mi tévő legyek?
Köszi!!
Szia! A potikra menő vezeték nem szed össze búgást. Az LM1036-osod stabilizátor IC-ről, vagy csak sima kondenzátoros szűrésről kap tápot?
Üdv! Stabilizátor IC-ről kap, de azt is megszűrtem. A tápját mellékeltem. Először egy egyenirányító hidat tettem oda, egyenirányítónak de észrevettem, hogy a hangszínszabályzóból kijövő jelvezető, ami rá megy az erősítőre elkezdett megolvadni. Ezután rámértem az erősítő 0-ra és a hangszínszabályzó GND-jére és 5V-ot mértem köztük. Azután csak egy sima egyenirányítót tettem a trafó egyik ágára, a másik meg a GND lett. Akkor még közös trafóról működtettem a két eszközt, de te még mondtad, hogy a hangszínszabályzót külön trafóról működtessem, de ezt még nem volt időm kipróbálni. Ha külön trafóról hajtom és egyenirányító hidat használok, akkor is el fog térni a két eszköz GND-je, vagy akkor már azonosak lesznek(0V-ot mérek köztük)? Itt a fórumon olvastam még, hogy tápvezetéknek is érdemes árnyékolt vezetéket használni. Erről mi a véleményed?
Köszi!!
Erre gondoltam. A felső része az ne zavarjon meg mert azóta az erősítő tápját is tovább szűrtem.
Készítettem egy áramköri tervet a mellékelt kapcsolásról. Minden benne van ami csak a rajzban van, kivéve a nagy-szintű jel bemenetei. A stab IC után még tettem egy 1µF-os kondit. Az elektrolit kondenzátorokat fordítva tette be a program, arra ügyelni kell a beültetésnél. Még nagyon nem volt időm átnézni, most készültem el vele. Elvileg a programnak helyesen kellett beletennie. Arra kérnélek benneteket, hogy ti is nézzétek át hátha valami nem stimmel.
Köszi!!
Bocs, rosszat tettem fel. Ezen jobban ki lehet igazodni.
Azt elfelejtettem mondani, hogy a hangerőszabályzó negatív részére két diódát is tettem.
Igazad van. Köszi, hogy szóltál. Kijavítom.
Üdv! Minap megépítettem az általam tervezett nyákú hangszínszabályzót, és tökéletesen működik.
Szia! Gratulálok! (Már nagyon rád fért egy kis sikerélmény
)
Üdv srácok!
Ma elkészült teljesen a panel Blackdog tervei alapján. Be is ültettem ki is próbáltam. Amit tapasztaltam, hogy csillapít, erőteljesen. Kb semmi nem jön ki belőle. Ha teljesen feltekerek mindent, plusz a Quadon is fentvan a hangerő a plafonon, akkor szól, de még egy alapzaj (búgás) is kíséri a zenét. Teszek fel képet a konkrét nyákomról, mert kicsit átalakítottam, plusz a beültetésről is. Hátha együtt megtaláljuk a hiba okát. Esetleg előzetes ötletek? A szűrés természetesen rajta van, trafó után a kapcs.rajzon tárgyalt szűrőkörrel. Az áramfelvétel 88mA Egyébként működik funkcionálisan, tehát hangszínt szabályoz, balance működik, de nagyon csillapít. A laudness kapcsoló helyett egy 0R0 van betéve.
Időközben lemértem oszcilloszkóppal is az áramkört.
Szinusz jelet küldtem rá, meglestem az Ne55ös bemenetét, a jel megérkezett. Rámértem a végére is a jel kijött, erősítette szépen. A maximális bevihető jel 3V körül volt. Az lm1036-os lábáig elmegy a jel gond nélkül tökéletesen, de abból már csak egy kicsi jel jön ki, erősen négyszögesített a teteje és 6V egyen fesz. is kijön mellette. Csak az egyik csatornát vezéreltem, a másik üresen volt, nem földelve, abból is kijött a 6V egyen feszültség. Kipróbáltam a 10 000µF os pufferelést is, de semmi. Azóta még az a kicsi hang is elment ami eddig volt, maximális végerősítés mellett. Most csak simán búg. Az ic foglalatom tűs. A tápot rendben kapja. (egyébként a panelen levő 5V-os fesz.stabnak a föl és kimeneti lába között hány voltot kell mérni? Mert ott nem 5volt van, hanem több, de ez lehet a dióda miatt...?!) Egyébként hangsúlyozom az IC nem volt beépítve semmibe, teljesen vadonat új, csak kivettem a csomagolásából és beletettem ebbe és semmi. Ötletek esetleg így? Mellékelem a nyáktervemet, ha esetleg én átfutottam valami hiba felett, ti észrevehetitek.
Szia! Jó vékony szigetelőt hagytál. A gyantát le kéne mosni, mert bármi lehet alatta. Ellenőrizd az 1, 5, 16 lábakra menő kondikat, a forrasztásuknál van-e átvezetés.
Az IC kimenetén a 6V egyenfesz normális, azért van kondival csatolva.
A gyantát még nem tudtam lemosni, majd ha hazamegyek vasárnap megteszem, de forrasztárkor minden egyes lábat lesípoltattam, hogy nem zár-e rövidre valamivel a forrasztás. Meglestem az általad írt lábakat, mind kapcsolódik az ic foglalattal is meg az ic lábával is.
Egyébként nem cska az ic kimenetén van 6V, a teljes kimeneten is, és elkezd lecsökkenni 4,7 - 4,9 V körül áll meg. |
Bejelentkezés
Hirdetés |










) 










