Fórum témák
» Több friss téma |
Köszi szépen
Sziasztok!
Problémám akadt a következő feladattal: Tervezzen szinkron számlálót JK flip-flopok felhasználásával a következő állapottáblázat alapján: QC QB QA 0 0 0 0 0 1 0 1 0 0 1 1 1 0 0 1 0 1 0 0 0 Végeredménynek többek között a következőt kaptam:Ka=Kb=Kc= Qa.Ha valaki leírná a helyes végeredményt annak alapján rájöhetnék hol rontottam el, ill. egyéb építő ötleteket is szívesen fogadnék! A válaszokat előre is köszönöm!
Ha van reset is a JK tárolón és használhatod, akkor nagyon egyszerűen a kimenetekről kapuzd ki az utolsó állapot+1 -et és ezzel reseteld. Maximum abba köthetnek bele, hogy így egy késleltetésnyi időre megjelenik a kimeneten 110 is, de ez a leggyorsabb megoldás
Qa és Qb és Qc negát-ot bevezetsz egy ÉS kapuba, annak a kimenetét a resetekre és kész.
Hello!
Nem rég kezdtem a digit tárgy tanulását és egy olyan kérdést szeretnék feltenni, hogy hogy lehet egy AOI kapuból kétbemenetű NOR kaput csinálni? Igazából erre épül egy egész feladat és nem szeretném elrontani.
Mi az az AOI kapu? Rákerestem, elvileg And Or Inverter van benne, de ha te ezt tudod, ha leírtad gondolom
akkor meg simán megoldható a NOR, ha tudod mit jelent...Az OR kimenetére rákötöd az inverter bemenetét és annak a kimenete lesz az így létrejött NOR kapu kimenete... és ennyi a bemenetek meg értelem szerűen az OR bemenetei...
Sziasztok. A téma adott. Valamiért nem akar léptetni a számláló se felfelé se lefelé. Ha valaki tudja a megoldást az legyen szíves megosztani velem. Köszönöm.
köszönöm a válaszod. 7414 nélkül nem működne normálisan?
Kipróbáltam multisimbe és ott meg működött...
Azt nem tudom, hogy szimulációban miért nem működik, de a valóságban az 555 kimeneti jelének 100 ns a fel és lefutási ideje, a 74LS191 -nek meg 25 ns kellene. A kettő közé tegyél 74LS14 Schimitt triggeres bemenetű invertert jelformálónak
Azért mondtam, hogy szimulátorbam nem tudom mi a helyzet, ott elegendő lehet ha a szintek stimmelnek, a valóságban fontos a dinamikus viselkedés is. TTL IC -knél fontos a fel és lefutások sebessége is, ha lassúak a jelek, nem fog működni. Erre valók a jelformáló képességgel rendelkező illesztő áramkörök. Ez az eset előállhat ha a két áramkör között hosszú vezeték van. Gondold meg, egy 25 ns felfutású jel legalább 40 MHz -es jelnek felel meg.
Nekem megy TINA8 alatt...
U3 4. lába kimenet, nem célszerü tápra kötni.... LOAD -> H CTEN -> L D/U ->L utána bekapcs.
Tényleg, köszönöm.
Én eddig abban a hitben voltam, hogy ha a 4. láb van magas értéken, akkor lépked, alacsonyon meg megáll... És a D/U-t is fordítva értelmeztem
Akkor viszont ezt nem értem (ez meg hogy sikerült?):
Idézet: „Kipróbáltam multisimbe és ott meg működött...”
Azért, mert ott akaratlanul jól csináltam, a földre kötöttem a CTEN-t
Üdv!
Tudna nekem valaki rajzolni egy Karnaugh minterm táblát és mellé egy Karnaugh Maxterm táblát? 4 változós, ahol A= 2^3... D=2^0? Előre is köszönöm szépen, valami nem tiszta nálam, ezt szeretném letisztázni
Sziasztok!
Lenne egy ilyen feladat: SN7490-es aszinkron dekádszámlálók felhasználásával tervezz egy N=12-es frekvenciaosztót, a jel kitöltési tényezője q=0,5 legyen!!! Na most természetesen a 12-es osztót magam is meg tudnám csinálni, de azt már nem hogy a jel kitöltési tényezője 50%-os legyen. Köszi előre is a segítséget!
Az 50 %-os kitöltési tényező nem mást, mint frekvencia-kétszerezést jelent.
![]() Kérdés: meg tudod-e ez alapján mondani, hogy mennyi is kell legyen az "eredő" frekvenciaosztás?
A kimenő jel tehát a bemenő jel minden hatodik felfutására (vagy lefutására) invertálódik. Így 12 bemenő ciklus 1 kimenő ciklust eredményez (azaz 12-es frekvenciaosztást), ahol a magas és alacsony állapot aránya 50%. (6 magas és 6 alacsony bemenőciklusnyi)
Piszok egyszeru.
A kimeneti jel akkor 50%-os kitoltesi tenyezoju, ha kettes osztorol jon a jel. Tehat: 12 = 6*2, elobb egy 6-os oszto, utana egy kettes oszto es kesz is vagy!
Ez rendben van de a 7490-ben csak 1/5 és 1/2 es osztó van, szóval ezt nem tudom, hogy lehetne kiküszöbölni.
Az eddig válaszaitokat köszönöm!
Szia!
A többiek elmondták, én lerajzoltam...
Köszönöm szépen a válaszokat a rajzzal meg a magyarázattal mostmár érthető!
Megköszöném ha tudna valaki segítséget adni digitális technika háziban segíteni én mondjuk kandós vagyok de lehet más tudja a megoldást.
Előre is köszi Sűrgős lennne!!!
Ismerös a feladat, nekem is ez volt
pl.. Vedd fel az igazságtáblázatot a be és kimenö jelekkel. Ezekböl meghatórozhatók az egyes logikai függvények.
Sziasztok!
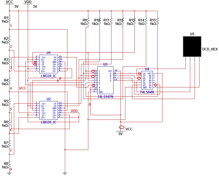
Valaki tudna segíteni, hogy a szimulációban ez miért nem működik? Összeraktam és a valóságban tökéletesen működik, de azért jó lenne tudni, hogy a szimulációban miért nem. Azt szeretném elérni, hogy ha növelem a vdd értékét (max 5V-ig), akkor a kijelzőn növekedjen a szám.
Hello!
Igaz én nem értek ehhez a programhoz amiben készült, de néhol a piros vonalak szakadtak . Lehet az a gond én bekötném újra őket. Bekarikáztam melyekre gondoltam ,de több helyen is van szakadás az összeköttetésekben.
Sziasztok!Szeretném a segítségeteket kérni!Az a helyzet hogy építenem kellene számlálót,ami 1-15-ig számolna,és ha elért 15-ig,egy pár másodpercre be kellene kapcsolnia egy kis motort.A számlálóval nincs problémám,csak azt nem tudom hogy hogyan lehetne összeházasítani a motorral!Ha tudnátok segíteni nagyon megköszönném!
Sziasztok!
Egy analízist kellene megcsinálnom, de nem nagyon sikerült, ahogy én megcsináltam az benne lesz a mellékelt PDF-ben a kapcsolási rajz a V-K táblák és még az is,hogy hogy számol. Annyi lenne csak a kérésem, hogy akinek van fölös tíz perce az légyszíves pillantson már rá, mert sürgős lenne! Köszönöm előre is!
555-öt használhatsz? A számlálóval adsz neki egy start impulzust és azzal tudsz kiadni olyan jelet ami vagy közvetlenül vagy egy tranyóval megtudja hajtani, attól függ milyen nagy a motor.
Nem tudom melyik Tinával csináltad, de a 7-esben még úgy volt ha nem raksz a Preset és Clear lábra határozott szintet akkor nem fog menni. Alacsony aktívak ha jól látom, tegyél rájuk H szintet (mindre) és nézd meg úgy. A másik, hogy néha indokolatlanul baromságokat kezd mutatni, nem szabad mindent elhinni neki, de arra sem szabad alapozni, hogy programhiba miatt nem működik, sajnos a tinának, legalábbis a réginek amivel dolgoztunk lelke van
|
Bejelentkezés
Hirdetés |








