Fórum témák
» Több friss téma |
Fórum » Kapcsolóüzemű táp autóba Hi-Fi-hez
Mindegy melyik a kezdő szál?? :miaz:
Lassan bele a fejembe.
Ezt jól rajzoltad. Így a frankó.
Idézet: „Mindegy melyik a kezdő szál??” Ne már. Mondtam, hogy nem mindegy! Be is rajzoltam a nyákos képedre. Izz az a lényeg, hogy a két tekercs, felváltva lesz bekapcsolva. Az egyiknek mégis pozitív, a másiknak meg negatív irányba kell gerjeszteni. Ezt úgy oldják meg, hogy a tekercset fordított irányban kötik be. A tekercsnek van egy kezdő, és egy végpontja. Kijelölöd mondjuk a tekercselés irányodat az óra mutatóval megegyező irányúra, és elkezded tekercselni. Ahol elkezded tekercselni, az lesz a kezdőpont, és a tekercselés végén meg a végpont. A fordított tekercset meg a tekercs test másik végére fűzöd be először, és ugyan csak ugyanabba az irányba tekercseled. Így az fordított lesz. Nem tudom jól elmondani, de megmutatni tök könnyű lenne. Keresek képeket,és beteszem.
Na itt egy példa: A trafó tervrajza a PDF-ben, és képek a megoldásról.
rajz (PDF) kép 1 kép 2 Na a 3.-at nézd meg jól. Ami középen jön ki, az lesz a közös pont ami a + tápra megy, a másik két vége meg a fetek drain-ére megy. Érdemes neked is középen kihozni azt a 2X11 szálat, mint a képen is lesz, mert akkor sokkal könnyebb lesz a végét meg pucolni, és kirendezni a lábak helyett egyből a panelre. Úgy mint a PC trafóknál. kép 3 kép 4 kép 5 kép 6 kép 7 kép 8 kép 9 kép 10 A papír szalagokat, amiket tér kitöltőnek használt, neked nem kell használni. Az egy 230V-ra tervezett trafó volt, és ott elő írják a szigetelést. Inkább törekedj a jó szoros tér kitöltésre. (Hogy rá férjen a sok huzal.) A tekercs huzalokat én úgy szoktam föltekerni, hogy kiszámolom nagyjából hány szál huzal fog elférni egy sorban. Mondjuk neked elfér 32 szál huzal egymás mellett az ablakban. Akkor elindulsz az egyik végéről szépen egymás mellé simítva 10 szál huzallal. Mire át érsz a túloldalra, akkor jársz 3 menetnél. Ezután tekersz még 3-at, és vissza értél oda, ahonnan indultál. Így egy sorban lesznek a tekercsek, és a hely is jól ki van használva. Persze nem biztos, hogy a 32 szál igaz lesz. Játsszál vele egy kicsit. A következőnél már tapasztaltabb leszel. Sok minden megy ám pikk-pakk. Nem kell majd minden lépésen gondolkozni hogy legyen. A szekunderek mehetnek sorban. ott nincs fordított irányba tekerés.
BA...meg. Most nézem, hogy rosszul jelöltem a primer kezdő pontot a rajzon.
Bocs!
Üdv!
A lemértem a csévét és 11 szál 3* fér el rajta,azaz 2 sorba jön ki a 6 menet. Ha jól értem akkor egyszer tekerem és sorba kötöm!!??
Jó így? Remélem kivehető a rajz.
Így van.
Hú de karaj képet rittyentettél ide.
Köszi!! És gondolom ugyan így a szekundert is ?????
Aha, igen.
Csinálj képeket menet közben. Kíváncsi vagyok milyen lesz
Rendben. Kösz!!!!! Verem is bele a
.
Ki lehet próbálni elektronika nélkül?
Az ígért képek. Sajna a tekerés nem lett valami faxsza.
![]() Ráadásul sikerült el törni a cséve peremét. :bummafejbe:
A perem letörés nem érdekes. Ez az össz menet, aminek föl kellett férnie?
Tök jól elfért. Kipróbálni?? Na azt nem. Viszont építhetsz deszkamodellt egy vezérléssel, 1 1 fettel, hogy terheletlenül megnézd mennyire melegszik a mag fél óra járatás után. Miért nem építed meg?
Vezérlés,1-1 fettel?? :help:
Atom jó lett a trafó.
Figyelj. Nézd már meg a képeidet. Mind életlen. Viszont mindnek éles a háttere. Ne fényképezz olyan közelről, mert az optikának ez már túl közel van. Vidd hátrébb a gépet vagy 25 centivel, és bár kisebb lesz a lényeg, de legalább jól fog látszani. Nehogy újra fényképezd ezeket. ja 1-1 fettel meg kéne pöccinteni. tenni kéne rá diódákat, meg kondit. Aztán terheletlenül, azaz előterheléssel (egy 200ohm körüli ellenállással) ki is tudnád próbálni, hogy milyen lett. Ellenállás nélkül meg tudnád mérni mennyi áramot vesz föl. Ez a mag vesztesége. Ettől fog melegedni is a mag. Erre mondtam, hogy fél óra terheletlen üzem után meg kell mérni a mag anyagát, mennyire melegedett föl. 45fok még ok.
Hali) Ezen a képen ha jól látom vezetékkel tekerte a trafót attirush. Nem akarok beleszólni de én is volt hogy igy tekertem meg gondoltam igy egyszerübb skinhatás stb viszont nekem a teljesitménye nagyon kevés lett.Igaz én sem értettem hogy miért.Majd hogy a negyedét tudta a tranzformátor terhelésre.Bővebben: Link
Köszi!!! Igyekeztem! Több drót is rá fért volna!
Mivel nagyon kezdő vagyok valami rajz jó lenne a teszthez ,de ovis rajz kéne.Ja nem igazán van itthon cucc hozzá,hacsak nem a pc tápból tudnám kivenni!Amit megvettem a nyákot akkor fogom megvenni az alkatrészeket hozzá.
Ha jól értem amit mondasz a válasz NEM.
Trafóról bontottam a vezetéket. Úgy csináltam,hogy beütöttem 2 szeget a fába rátekertem szorosan egymás mellé és össze ragasztottam lakkal a 2* 11 db. 0,4 szálakat. Sokkal könnyebb így a 2*11 szállal dolgozni. Ha nem erre gondoltál,akkor sorry.
Nem rossz megoldás ez a huzal szalagosítás.
Lakkal csináltad?? Az milyen lakk? Bírja a hőt? A trafóban lehet 130 fok is. Mindjárt keresek egy teszt áramkört neked.
Bocsi én úgy néztem minha dupla vezeték lenne.
Köszi! Bírja a hőt? Azt nem tudom,majd kiderül. Bízom benne!!!!!!!!! Dobsz akkor fel teszt áramkört???
Hát keresgéltem, de nem találom. Olyan lenne jó, ahol tl494 ic-t használnak. Gondolom olyat akarsz majd a cucchoz is venni.
Nem pont olyan, de használható van itt egy. Alulra be teszem. Ezen annyit kell változtatni, hogy nem kell meg építeni a szekunder oldalt. Nem kell bele az a rész se, ahol oda van írva, hogy kimenő fesz állító poti. Az ic 1-es lábát teljesen ki lehez üríteni. A negatívra, és a +12V-ra tegyél egy 4.7K körüli potmétert, és a középső lábát tedd az ic 1-es lábára. Így fogod tudni változtatni a kitöltést. Ennek a jelét is meg nézheted. Ugs, Uds, U primer tekercs. Meg nézheted a trafód mekkora feszt állít elő. Mondjuk szkóppal. Vagy tedd rá a Graetzre (shottky!) és tegyél rá egy Low ESR kondit, mondjuk 100µF-ot, és tegyél rá egy 47 ohmos erősebb ellenállást, és a sima műszerrel meg mérheted a kimenő feszt. Csinálj egy mérést legelőször is, úgy, hogy a trafó szekunderére semmit nem kötsz. A tápnak beállítasz mondjuk 14.4V-ot. Azért ennyit, mert a kocsiban ennyi simán lehet akár tartósan is. Aztán nem is tudom mekkora frekire is találtuk ki a trafódat? Azt a frekit be kell állítani a 494-esnél, és járatni kell a tápot. Egyszer csak meleg lesz valamennyire. Erre mondtam hogy ne menjen 45 fok fölé. Ha fölé megy, akkor növelni kell a frekit, ha hidegebb, akkor csökkentheted a frekit. A trafónak kell vagy 20-30 perc mire stabilan beáll a hőfok, de akkor kell le olvasni a hőmérőt. Ez egy türelem játék. Aztán azt a frekit jegyezd meg, mert ezzel a frekivel kell majd járatni a tápodat. Amíg ez a mérés megy, tegyél be az egész táppal sorban egy árammérőt, és meg fogod látni, ahogy melegszik a mag, csökkenni fog az áramfelvétele. Na ez lesz az a pont, ahol jó lesz. Ha ettől jobban gerjeszted, akkor megint elkezd drasztikusan melegedni, ez megint nem jó. Ott a legterhelhetőbb a trafó, ahol csökken az áramod. Azaz ott a legkisebb a trafó vesztesége. Ez az egész nem szükséges különben, mert biztos jó lesz, de ha pontosan meg akarod érteni a lelkét egy ilyen tápnak, akkor érdemes vele játszani. Sok érdekességre rá lehet így jönni.
ja, a CT lábra menő ellenállással állítod a frekit.
Örülök
,hogy próbálsz segíteni tök :gumicsirke: érzem magam. Nekem kicsit bonyolultnak tűnik. GONDOLOM NEM AZ! Sajna nincs ilyen itthon: 4.7K körüli potmétertEz milyen kondi? ow ESR kondit, mondjuk 100ľF-ot Ic is csak az van ami a pc tápban van(az jó a erőlködőbe) kondi is csak abból van egyenlőre.Csak tudnám mit akarok(sz@....-ból várat)! Pedig jó volna eljátszogatni vele és tanulgatni!
Ehhez majdnem minden kitermelhető egy PC tápból. Abban pl. low esr kondik vannak az 5, a 3.3, és a 12V-os kimenetek környékén. Csak a feszültségük kicsi neked. A LOW ESR kondikat nagyobb frekire találták ki, mint a sima puffer kondikat. Ha a sima kondit tennéd egy kapcsolóüzemű tápba, akkor nem érne sokat, mert azon a nagy frekin már meg nőne a belső ellenállása, azaz nem tud gyorsan energiát tárolni, és le adni se.
Ha bonyolult ez neked, akkor olvasgass itt a fórumon. Vagy végül is nem fontos ezeket tesztelni, csak építsd meg ami a terven szerepel, és kész. A legkritikusabb alkatrészed készen áll. (trafó.)
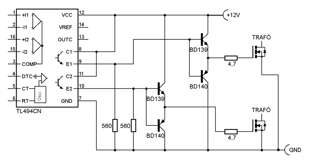
Ezt a rajzot így ebben a formában semmiképpen ne építsd meg, csak akkor ha tönkre akarod tenni a feteket. A 494 közvetlenül nem tudja meghajtani őket (nem erre van kitalálva). Vagy tegyél be egy buffer fokozatot (4db tranyóval), vagy használj mondjuk SG-t vagy UCC-t, azok közvetlenül is meghajtják.
Az a helyzet,hogy rengeteget olvasok ezen fórumon.
[quote] Aztán nem is tudom mekkora frekire is találtuk ki a trafódat?
Ha pc tápból való a mag, akkor 1,1cm2 körül van a keresztmetszete. Ahogy nézem a kapcs. rajzot, 33KHz körül fog menni a tápod.
Szia! Ezt a tápot megépítettem nemrég egy kis módosítással és bár működik, de nem az igazi. A képen lévő meghajtás megfelelő lehet?
Hát igen a lehúzó tranyók nem ártanának legalább.
Egy próba táphoz én nem építenék 2 tranyós drivert. |
Bejelentkezés
Hirdetés |




a fejembe. 










Viszont mindnek éles a háttere. 

,hogy próbálsz segíteni tök :gumicsirke: érzem magam. 





