Fórum témák

» Több friss téma
Fórum » Erősítőhöz való hangsugárzó védelem (koppanásgátló)
Lapozás: OK   92 / 197
(#) ekkold válasza reloop hozzászólására (») Feb 25, 2012 /
 
Idézet:
„A védődióda szükségességét hogyan tudnám meghatározni?”

Másképp kell hozzáállni szerintem: egy 2Ft-os diódán és/vagy egy 5Ft-os trantisztoron nem érdemes spórolni.
Egyébként pedig a válasz a kérdésedre: a fet adatlapján (általában) szerepel, hogy mekkora energiaimpulzust visel el, a relé induktivitásában tárolt energia pedig kiszámolható ha az induktivitását megmérjük (I^2*L). Ha a tárolt energia kisebb, mint amit a fet max. elbír akkor a dióda elhagyható. Tehát eléggé túlméretezett fet és/vagy lassú kapcsolás esetén jó eséllyel kihagyható.
Viszont a dióda (vagy zener, vagy szupresszordióda) beépítése miatt nem lesz rosszabb az áramkör...
Az utánépíthetőség miatt, illetve mert a sokféle beépíthető relé adatai nem feltétlenül ismertek, célszerűbb biztosra menni. Magyarul: ha magadnak csinálod (és utánaszámoltál) akkor nem gond ha nincs dióda, de ha közreadod utánépítés céljára akkor az a korrektebb ha bele van tervezve.

Más: a védelem hatékonyságát szerintem jelentős mértékben befojásolja a sebessége, minél hamarabb leold egy hiba esetén, annál jobb eséllyel ússzák meg az akciót a hangsugárzók. Az érzéketlenebb oldal nem csak érzékenységben gyengébb hanem sebességben is - hiszen esetedben egy alacsony erősítésű (báziskapcsolású) tranyónak kel kisütnie 10µF-ot.

A fentiek miatt pl. maximálisan egyetértek az ebben a cikkben leírtakkal.
(#) reloop válasza ekkold hozzászólására (») Feb 25, 2012 /
 
Hálás köszönet! Ha lesz érdeklődő, a komplett dokumentációt már P-s tranzisztorral és diódával teszem fel, az integrátornál pedig hivatkozok Skori remek táblázatára.
A lay korrigálva.
(#) reloop válasza reloop hozzászólására (») Feb 25, 2012 /
 
Rajz korrigálva.

Védelem2.GIF
    
(#) Edek hozzászólása Feb 26, 2012 /
 
Üdv mindenkinek mrex kollégától kaptam ezt a kapcsolást épülő VF2-höz, megépítettem de sajna nem akarja az igazat, nincs meg a késleltetés bekapcsolás után azonnal húz a relé és ellövi a BD241-et, amit változtattam az eredeti kacsoláshoz képest a TL082 helyett RC4559 került bele valamint a két 3k3 helyett 3k9 került bele, BC-s tranyók cserélve Zéner cserélve helyzet ugyan az, a relére 62 volt kerül ki, kérem a segedelmet mert elakadtam.
(#) reloop válasza Edek hozzászólására (») Feb 26, 2012 /
 
Üdv! Q1-et távolítsd el és mérd a D3-on a feszültség alakulását bekapcsoláskor.
(#) Edek válasza Edek hozzászólására (») Feb 26, 2012 /
 
Meg lett a hiba a vasaláshoz kapott nyákon volt rossz helyre húzva 3 vezetősáv amiket átvágva és megfelelően az adott pontokat vezetékkel átkötve helyre is állt a kütyü, mellékelem a beültetési és a vasaláshoz való nyákot is mindkettőn bekarikáztam azon részeket amik okozták a galibát, a beültetési rajz a jó.
(#) mrex válasza Edek hozzászólására (») Feb 26, 2012 /
 
Hát nem mentegetőzöm! Tényleg rosszat küldtem el!
Látod tökéletesen működik a más által való lektorálás.Amit épp a VF2 topicban írtam én magam!
És én sem teszek fejfalbaverős smilet.
Nem tökéletes egyikünk sem Természetesen javítom és adom az eredetit is, és elnézést kérek a trehányságért.És ki is töröltem a rossz pdf-et.
S ha emlékeim nem csalnak rá is jöttem annó a hibára csak elfelejtettem korrigálni.
(#) golem hozzászólása Feb 29, 2012 /
 
Sziasztok!
Meg szeretném épiteni ezt a hangfal védőt.
az lene a kérdésem hogy a bc546b helyet használhatnék esetleg bc182b
képen jelöltem U oda mit kel kötni.
(#) reloop válasza golem hozzászólására (») Feb 29, 2012 /
 
Szia! A BC182 feszültségtűrését vesd össze a tápoddal. Az U~ csatlakozóra a táp szekunderének egyik kivezetése megy.
A DC védelem így jobb: Bővebben: Link
(#) pisti89 hozzászólása Márc 1, 2012 /
 
Sziaszto
A kapcsolások között lévő hangfalvédőt építem és az a kérdés vetődött fel bennem, hogy a 22k-ós ellenállásra a bejövő vagy a kimenő jelet kell kötnöm?
(#) pisti89 válasza pisti89 hozzászólására (») Márc 1, 2012 /
 
390k miatt inkább kimenetit tippelem
(#) subi válasza pisti89 hozzászólására (») Márc 1, 2012 /
 
Szia! Ha ez egy hangfalvédő kapcsolás, akkor szerintem a 22k-s ellenállásra a hangszóró kimenetet kell kötni. baj csak az, hogy ez csak egy csatornát figyel.
(#) lacek29 válasza pisti89 hozzászólására (») Márc 1, 2012 /
 
Arra az ellenállásra az erősítő kimenetét kell kötni,az a figyelő ellenállás,ahogy köbzoli is írta. Ha párhuzamosan teszel mellé mégegyet,akkor mind a kettö oldalt figyeli.Nekem 2 ilyen védi a TDA hidat,és tökéletesen működnek.
(#) pisti89 válasza lacek29 hozzászólására (») Márc 1, 2012 /
 
Köszönöm a segítségeteket
Az erősítő dual mono lesz, különálló dobozban, ezért nem probléma, hogy 2-t kell csinálnom belőle
(#) dani9228 hozzászólása Márc 4, 2012 /
 
A kapcsolási rajz.
(#) dani9228 hozzászólása Márc 4, 2012 /
 
A hangszóróvédő kapcsolása, nyákja és beültetése.
(#) Zsooti87 hozzászólása Márc 4, 2012 /
 
Sziasztok!

Ezt a hangszóróvédelem kapcsolást tervezném megépíteni. Egyedül az kérdéses még nekem, hogy ha 12V-os reléket akarnék használni, mert a táp 17VDC-től többet nem ad, a relé előtti 220R ellenállást kell-e cserélnem ebben az esetben? Ha igen, mire?

Láttam feljebb ugyanennek a kapcsolásnak egy módisítását, az mint jelent, hogy így jobb a DC védelem?
(#) reloop válasza Zsooti87 hozzászólására (») Márc 4, 2012 /
 
Szia! Mérd le a relé tekercsének ohm-os ellenállását, és az érték 40%-nak megfelelő ellenállást köss vele sorba. Ez a számítás csak a 17V-os tápra alkalmazható.
A módosítás a nagyobb érzékenységet és a szimmetrikus működést szolgálja.
(#) reloop hozzászólása Ápr 9, 2012 /
 
Csatolom a védelem-venti rajzát.
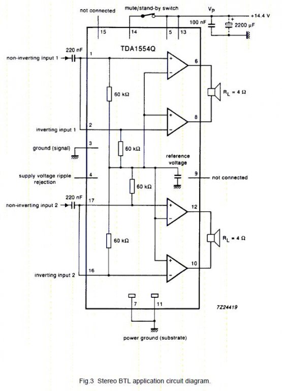
(#) accaboj hozzászólása Ápr 17, 2012 /
 
Sziasztok!

Egy hidalt TDA1554Q (melléklet) melyik lábai mennek a védelemre?

Bővebben: Link

TDA1554Q.jpg
    
(#) reloop válasza accaboj hozzászólására (») Ápr 17, 2012 /
 
Szia! A védelemnek csatornánként független táp kell. Az mehet a hangszóró kapcsaira. Ha ez macerás, akkor használj biztosítékot.
(#) accaboj válasza reloop hozzászólására (») Ápr 17, 2012 /
 
Nem értem mit mondasz. Ez kocsiban lesz, a védelem megkapja a +12V-ját és a GND-t. A végfok is megkapja ugyan ezt. Az a kérdésem, hogy az R1-es ellenállásra melyik láb megy? Nekem R1 helyén 2db 47k van, így mehet mindkét csatorna. Csak azt nem tudom hogy 6-8 és 10-12-es láb közül melyik.
(#) reloop válasza accaboj hozzászólására (») Ápr 17, 2012 /
 
Sajnos így nem kötheted rá egyikre sem. Nincs viszonyítási pontod az egyenfeszültség kialakulásához. Illetve van, "reference voltage" a tok belsejében de nem éred el. Ha elérnéd is, vagy mesterségesen előállítanád akkor sem köthető rá a hagyományos DC védelem.
A meglévő védelem áramkörödet csak koppanásgátlásra tudod használni.
(#) accaboj válasza reloop hozzászólására (») Ápr 17, 2012 /
 
Most már értem, megint tanultam valami újat. A koppanás eltüntetése a célom, a végfok IC meg elméletileg tartalmaz védelmeket szóval amúgy sincs rá szükség.
Köszönöm a segítséget, remélem ez másnak is hasznos lesz majd.
(#) reloop válasza accaboj hozzászólására (») Ápr 17, 2012 /
 
Ha a koppanás eltüntetése a célod, akkor a TDA1554 mute [14] lábára méretezett RC tagot kell kötni.
(#) accaboj válasza reloop hozzászólására (») Ápr 17, 2012 /
 
Folytassuk itt Bővebben: Link
(#) Szabi1 hozzászólása Jún 2, 2012 /
 
Üdv.
TDA 7294 Hidhoz csináltam egy Dc védelmi kapcsolást, és szögségem lenne még egy rövidzá rvédelemre ,súgy gondoltam ha a rövidzárvédelem bekapcsol akkor lekapcsolja az erősítő trafót és a DC védelmi relét alaphelyzetbe hozza. Erre ki is találtam valamit, nemtudom hogy jó-e
(#) reloop válasza Szabi1 hozzászólására (») Jún 2, 2012 /
 
Szia! Nincs szükség kiegészítő alkatrészekre, elég a TIP121 bázisát testre zárni a kapcsolóval.
(#) Szabi1 válasza reloop hozzászólására (») Jún 2, 2012 /
 
Nem lesz bajuk a dc figyelő tranyókank, illetve szügségem lenne még a rövidzárvédelmi kapcsolásra?
(#) reloop válasza Szabi1 hozzászólására (») Jún 2, 2012 /
 
A DC figyelőben nem tesz kárt.
Híd kapcsolású TDA-hoz rövidzárvédelmet illeszteni fogós kérdés. Mit kéne tudnia amit a TDA7294 belső védelme nem tud?
Következő: »»   92 / 197
Bejelentkezés

Belépés

Hirdetés
XDT.hu
Az oldalon sütiket használunk a helyes működéshez. Bővebb információt az adatvédelmi szabályzatban olvashatsz. Megértettem