Fórum témák
» Több friss téma |
Fórum » Kapcsolási rajzot keresek
Témaindító: Kallai Csaba, idő: Márc 11, 2006
Témakörök:
Sziasztok!
Ismerősöm megkért nézzem meg neki a forr állomását. Ilyen készülékről van szó. Van a paneljén egy lecsiszolt azonosítójú alkatrész, a panelen vc-920 felirat látható. Ha valakinek van róla rajza, kérem ossza meg velem. Köszönöm !
Sziasztok!
Egy EMG 18145-ös kettőstáphoz keresnék kapcsolási rajzot,esetleg szervízkönyvet. Köszönöm előre is.
Hello!
Oké, akkor relé nélkül.. üdv! proli007
Sziasztok! KANLUX 4x18W-os elektronikus fénycső előtét rajzát keresem. Nem megépíteni akarom, csak szeretnék rájönni miért repül el fél-egyév alatt?
A fénycsöves topicban már megkérdeztem, egyenlőre válasz nem jött.
Sziasztok!
Egy olyan AC 230V-os fényerőszabályzó kapcsolásra lenne szükségem, ami tud ohmikus, induktív és kapacitív terhelést kezelni, 0-10V-os bemenettel! Van egy bevált kapcsolásom, de ez sajnos csak ohmikus terhelésre jó, és nincs rajta 0-10V-os bemenet. Ha valakinek lenne ilyen kapcsolás, kérem ossza meg velem. Köszönöm!
Nem fogsz ilyet találni, hacsak valaki már vissza nem rajzolta... Miért száll el? Feltehetőleg így tervezték, hogy biztosítsák maguknak a folyamatos eladást.
Pl. melegedő alkatrész mellé teszik a kiszáradásra hajlamos elkókat, hűtést (lemezt, bordát) elhagyják, vagy kisebbre veszik, félvezetők határadat közelében üzemelnek, stb. Tehát a 600V-os félvezetők helyett használj 800V-osat, elkónak kis ESR értékű 105fokos típust. Hűtésnek - ha elfér - egy kisebb-nagyobb lemezdarabot. Furatokat tehetsz a házra szellőzés végett - ami persze előírásokat sért... Többször tapasztaltam, hogy az adott méretű házba - fentiek figyelembe vételével - üzembiztos megoldás nem fér bele. Ezek csak saját - általános, napi - tapasztalatok.
Halli mindenkinek tudom hogy új vagyok itt ,de kellene nekem egy Excel DT-600 régi képcsöves tv kapcsolási rajza,mert sem kép se hang nincsen de a tv bekapcsol ,és lehet csatornát váltani is de nem történik semmi.Csináltam pár képet készenléti állapotba meg mikor bekapcsoltam a tv.Előre is köszönőm a segítséget.
Képek:http://kephost.hu/gallery-Excel_DT_600_tv-FA54_4F86BD4A.html
Sziasztok. Találkozott-e valaki a Velleman k2649 digit kijelzős termosztát kapcsolással. A gyári rajzán iszonyú hiányosságok vannak.
Hello.Segitséget Szeretnék kérni ,1 renault rádio bekötéséhez.Ez 1 thália 2005 ös évjátatu rádio és kocsi.Egy erösitöt szeretnék rákötni és a bekötési rajzát keresném. Van két képem rola hogy néz ki.Ha tud valaki segitsen. kösz.
Sziasztok! Kérdésem, hogy Ganzműszer gyártmányú UNIVO ELEKTRONIK mérőműszer kapcsolási rajzot tud-e valaki küldeni, vagy belinkelni? A söntök értékei kellenének, mert a kolléga megmérte vele egy autóakku zárlati áramát. Előre is köszönöm a segítséget.
Helló!
Ha jól látom ez az Bővebben: Link
Szia! Ugy nézem ez lesz az nagyon szépen köszönöm,azt hittem sehol nem találni meg,esetleg a használati utmutatot nem tudod hol találok hozzá?/Menü meg beállitások ilyesmi érdekelne/
Üdv.Ismer valaki 5-10kW-os 230VAC-os hálózati feszültségstabilizátor kapcsolást?
Sziasztok!
Blaupunkt PM45-48 TV kapcsolási rajzát keresem. Ha valakinek meglenne és megosztaná, megköszönném.
Sziasztok! Az AKAI Am3000-es erösitőmhöz keresek kapcsolási rajzot, de sehol nem találtam! Ha valakinek megvan rakja fel ide ha lahet mert nagyon sürgősen kellene!
Előre is köszönöm! http://www.hifi-pictures.net/amplifiers-home/Akai%20AM-3000/amp.htm
Sziasztok!
Rajzot keresnék egy FUNAI 21d-8118f tipusú televízióhoz, ha valakinek van esetleg,szivesen fogadnám.
Csak ez van.Talán ez is segít.
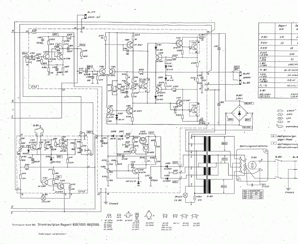
Nagyon szépen köszönöm a segítséget! Remélhetőleg nem sok különbség van a kettő között, bár a 1050-esben már van visszhangosító (sajnos kollegámnak pont azzal gyűlt meg a baja).
Még egyszer köszönöm!
van egy eriston 150-es sziréna elektronikám. ha valaki tud küldjön egy kapcsolási rajzot hozzá,esetleg az átalakított verzióról , ami az újabb rendőrségi hangzást adja. a youtubon láttam. meg az is érdekelne , hogy milyen mikrofon kell hozzá. előre is köszönöm!
Sziasztok!
Gondolom már ti is találkoztatok ezzel az oldallal, szinte minden rádiónak és egyéb dolgoknak is fennt van a kapcsolása, képei, stb. De regisztrációért fizetni kell, ezért arra gondoltam, hogy aki(k)nek van itt a fórum accountja, segíthetne egykét dolog letöltésében. Ha sinkinek sincs, de lenne rá igény, akkor páran összedobhatnánk a pénzt egy acc-ra és akkor azt használnánk többen is. Nekem ennek a kapcs .rajzára lenne szükségem: Bővebben: Link Vélemények?
Nincs itt ilyen, már próbáltam. Tényleg nincs itt senkinek ilyen accountja, hogy ezt az egyet leszedné nekem? Most dobjak ki egy rajz miatt több mint 5eFt-ot..
Sziasztok!
Engem egy olyan 3 digites led kijelzős voltmérő kapcsolási rajza érdekelne amit be lehet állítani, hogy egy bizonyos feszültségnél adjon egy hangjelzést/kevés az akku fesz/ 30 voltig kellene mérnie. Ilyet nem találtam eddig. Köszönöm.
Hello!
Ilyen rajzot nem fogsz találni, PIC vagy AVR mikrokontrollerrel lehet megoldani a problémát. Vagy is igazából nem rajz, hanem program kell. üdv! proli007
Mikrovezérlővel és megfelelő programmal meg lehet oldani ( mivel ez nem valószínű, hogy alapból meg létezik, ezért pénzdíjas
) vagy egy hagyományos mérőt ki kell egészíteni egy komparátor + monostabil multivibrátor + csipogó áramkörrel ( ilyen rajzot össze lehet szedni egyenként és adoptálni a feladatra )!Steve
Sziasztok! Egyszerű jól működő áramgenerátorhoz keresek rajzot1-3db fehér led meghajtásához. Tudom hogy sok ilyen rajz van de már megépített kipróbált rajzot szeretnék csinálni.
Szia!
Hát ezt a típust már nem is gyártják sajna a melóhelyemen is ezzel a problémával küzdünk. Ki kéne olvasni belőle az adatokat kicserélni egy másik típusra és az adatokat bepötyögni. Bár ez nem olcsó mulatság. Sajna ((
Hello!
Kicsit a keresőt is használhattad volna. Valamint a táp feszültséget, kimenő áramot is megírhattad volna. De ennél egyszerűbb és célszerűbb nem kell.. üdv! proli007
Sziasztok. Yamaha CR-440 kapcsolási rajzát keresném hát ha valakinek meg van. Mert a böngészőt már szét bújtam de nem találom sehol csak fizetősbe és ott is nagyon drágán
Illetve van még egy erősítő aminek nem találom a kapcsolási rajzát az meg egy Panasonic Su-2600 erről sem találok semmit. Ha valakinek meg van és meg tenné hogy el küldi nekem azt nagyon meg köszönném. Előre is ezer köszönetem. További szép napot. |
Bejelentkezés
Hirdetés |














) vagy egy hagyományos mérőt ki kell egészíteni egy komparátor + monostabil multivibrátor + csipogó áramkörrel ( ilyen rajzot össze lehet szedni egyenként és adoptálni a feladatra )!





