| Fórum témák 
 
 » Több friss téma | Fórum » Csöves erősítő készítése Ne feledd betartani a fórum viselkedési szabályait, és a topik megmaradásának feltételeit. [link] A téma átmenetileg fagyasztva lett, hozzászólni nem tudsz! 
				Kösz, de nem értem. Ha esetleg egy konkrét példát tudnál írni rá, az jó lenne. Nem látom hogy hol van az hogy mekkora feszültséget kap a cső ? 
				A tervezés során több feladat van.  - Az egyik a cső statikus paramétereinek meghatározása. - A csőnek a feladathoz optimális statikus munkapont beállítása. - a munkaegyenes (görbe) meghatározása. - Az előzőkben meghatározott csőparaméterekkel az erősítő erősítésének kiszámítása. - Az így kiszámolt értékek ellenőrzése, esetleg módosítása, és újraszámolása. Nagyjából ennyi egy csöves erősítő fokozat tervezése. 
 
				Ez olyan egyszerűen hangzik. Talán annyi hiányzik a végéről: ... és a hetedik napon megpihent.    
 
				A gép jár, az alkotó pihen						 
				Reméltem magyarul írtam. Van közöttük egyszerű, feladat, hacsak nem bonyolítod magadnak. Az alapadatokat leolvashatod a cső adatlapjáról. Ha azoktól eltérő beállítást szeretnél, ki kell számolnod azokat, a meglevő adatokból. (sajnos nem minden adatlap nyújt ehhez sok segítséget, de ilyenkor segít az adatlapok bújása, és akkor egy másik, hasonló cső adatait lehet mintául venni) Lehet a feladatot grafikus úton megoldani, egyszerűbb, de pontatlanabb, vagy lehet az erősítő fokozat helyettesítő képét megrajzolni azokra a frekvenciákra, melyeket át tervezel vinni. Ezzel már mint egyszerű lineáris áramkörökkel lehet kiszámítani az erősítés nagyságát, a be, és kimeneti impedanciát, a fázisforgatást. De a részleteket kérdezd attól, aki folyamatosan lepontoz, biztos jobban tudja, és hajlandó is téged megtanítani. 
 
				Igaz, hogy előfordul, de azért gondolj bele, az izzó csak nem olyan meleg. Ott a wolframszál középen van, de itt az anód jóval közelebb van az üveghez.						 
 
				Nézegetem a gyári APX-100-ak képeit (ami ugye egy zárt konstrukció!) és ott sincs több hely a két PL509/519 között...						 
				Az APX-ben a PL-ek közel vannak egymáshoz, de azért figyelem, a foglalatok mellett alulról is kapnak hűtést. A doboz bőven perforált, tehát nem zárt, én -légáramlás szempontjából- inkább nyitottnak nevezem.				 A hozzászólás módosítva: Dec 16, 2012 
				Értem. De azért gondolom mégsem egyenértékű egy teljesen nyitott kivitellel. Szóval szerinted belefér ez a távolság? Köszönöm. 
				Kösz, amúgy ! Csak nem elég "konyhanyelv" nekem az amit itt sokszor írtok. Elég sok szakmabeli írogat ide, aztán nem is engedheti meg magának a válaszadó ezt a luxust mert a többi szaki lecsap és beleköt abba amit ír (gondolom én), pedig nekem egy ilyen "általánosságban elmondható.." válasz is sokszor megteszi. Azért tettem fel az eredeti kérdést, mert ha az ECC83-at (mű=100) kicseréli az ember az adott kapcsolásban egy hasonló csak mű=30 -as csőre, akkor azt tapasztalja hogy szinte ugyanakkorát erősít. Legalábbis nem a harmadát. Aztán ebből gondoltam hogy ezek az értékek (mű) amik meg vannak adva a csőnél csak bizonyos esetben állnak fenn, pl. max. anódfeszen. 
 Idézet: „Igaz, hogy előfordul, de azért gondolj bele, az izzó csak nem olyan meleg.” Csak nem olyan meleg vagy csaknem olyan meleg? Nem mindegy  Mellesleg csaknem olyan meleg mindkettő, cca. azonos a hőátadő felületük, meg a búrába pumpált teljesítmény is. És ez a lényeg. 
 
				Nyitott téren 2 cm az ajánlott. Mielőtt utánanéznél, én ajánlottam   
 
				Régi adatlapok 10cm-et írtak optimálisnak teljesítménycsövek között. Nyilván nem kell azért ezt betartani, de túl közel sem raknám őket. Lényeges azért, hogy van-e légáramlás körülöttük. Az APX100 valóban elég nyitott szerkezet volt, de ott ki is lett véve a maximum körül a csövekből.						 
 Idézet: „Kösz, amúgy ! Csak nem elég "konyhanyelv" nekem az amit itt sokszor írtok.” (??) Idézet: „Elég sok szakmabeli írogat ide, aztán nem is engedheti meg magának a válaszadó ezt a luxust mert a többi szaki lecsap és beleköt abba amit ír (gondolom én), pedig nekem egy ilyen "általánosságban elmondható.." válasz is sokszor megteszi” (??) Azért tettem fel az eredeti kérdést, mert ha az ECC83-at (mű=100) kicseréli az ember az adott kapcsolásban egy hasonló csak mű=30 -as csőre (100 és 30 között ugyebár nagy különbségek vannak) akkor azt tapasztalja hogy szinte ugyanakkorát erősít. Biztos??? *Szerkesztve. A hozzászólás módosítva: Dec 17, 2012 
 
				Vagy huszonöt éve olvastam a BME egyik előadótermében a padba karcolva: Newton halott, Einstein is halott, és is sz..ul érzem magam     
 
				*** Ezt a tartalmas semmit, ezer enterrel kivettem! A hozzászólás módosítva: Dec 17, 2012 
 
				Szerintem innentől ne fárasszunk másokat, helyet se foglaljunk itt, privát is értelmetlen, had zárjam egyik kedven S-F íróm mondataival: "Itt jön a dolog csattanója......Mire Holk kétnapi kemény munkával kirostálta az összes üres kinyilatkozást, a ...   ...Uraim, Lord DORWIN a tárgyalások öt napja alatt nem mondott az égvilágon semmit!						 
				Sziasztok! Van valakinek tapasztalata erről az erősítőről? Milyen hangja van? Mekkora a kimenő teljesítménye? Üdv. A hozzászólás módosítva: Dec 17, 2012 Idézet: „Úgy látom (a kérdéseidet kilistázva), hogy egyáltalán nem tanulsz a válaszokból semmit!” Teljesen rosszul látod. Igazából nem is "látod" szerintem, hanem ezt "hiszed". Idézet: „Egyetlen munkádat nem láttam, amit te számoltál volna ki” Igazából füllel próbálok dolgozni. Idézet: „szívesen és tanítva, válaszoltak a kollégák nagyon-nagyon sokszor.” Igen ez így van, és nagyon szépen köszönöm ! Haladok is az "úton" még ha ezt te nem is hiszed. Idézet: „a csövek világa, megérdemel annyit, hogy ne káposztázzuk le” Talán a Spktr..tv-n ment egy sorozat, ahol konyhanyelven magyarázták el a relativitáselméletet meg térgörbületet meg ilyesmiket, és olyan jól, hogy egy egyszerű ember is megérthette őket. Idézet: „Levonnál ebből, némi konklúziót?” Levontam, de megtartom magamnak. U.i.: Lehet törölni. A hozzászólás módosítva: Dec 17, 2012 
				Nekem az a tippem hogy ennek is pont olyan hangja van mint a többi "ebből is 12 egy tucat" erősítőnek.						 
 
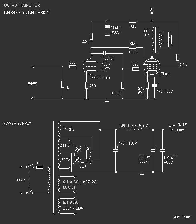
				A rajz nagyon hasonlít az általam megépítendőnek ítélt EL84 SE kapcsolásnak. Sajnos, egyszerűen nem találom újra azt az oldalt, ahol mesélt az építő róla, de a következőkre emlékszem: Viszonylag kicsi a leadott teljesítmény - ca. 3W, nem használja ki a lehetőséget, hogy pentóda üzemben muzsikáljon, ahol több is kijöhetne az áramkörből, triódának alkalmazta a végcsövet, és kárpótlásul így gyönyörűen szól. Nyilván meg kell alkudni, érzékeny hangfal és nem túl nagy térben hallgatható élvezettel - teszem én hozzá. Mellékelem az én rajzomat, már volt fenn nemrég. Remélem, jól emlékszem és nem írtam badarságot, majd kijavítanak az illetékesek.   A hozzászólás módosítva: Dec 17, 2012 
 
				Igen. Van hasonlóság.  Nem is a teljesítménye érdekel engem főként, hanem a hangja. Azért 3W-tól több lehet benne szerintem. 
 
				Ennyit mért a német, én hiszek nekik... Az is lehet, hogy addig érdemes meghajtani az erősítőt, utána megugrik a torzítás. Megpróbálom megtalálni a képet, ahol a szöveg is mellékelve volt. A mellékletben az áll, ahogyan a webfordító röhög a markába, micsoda fordítással szúrja ki a szemünket...  A hozzászólás módosítva: Dec 17, 2012 
 
				a googleval már pár változatát találtam ennek a rajznak.  5k illesztés adott, ehhez keresek kb 5W-os SE807 kapcsolást. 
 
				Olvastad mit bagadozott a fordító? Van, lehet 5-6W-ot is kivenni, de a minőség már messze nem az lesz. Valamit valamiért. Én azt vallom, amit az előbb írtál. A minőség fontosabb a wattnál... Egyébként is nekem itt lesz a pc mellett, könnyen beszélek. 
 
				huh....elég szabad fordítás volt   Igen, 5W még elmegy felette már a hangzásban lesz változás, torzítás. Nekem kb 5nm-es kis szobát kéne betöltenie. Szerintem az a 4-5W tökéletesen meg fogja ezt valósítani. 
				Sziasztok!A hálózati feszültség ingadozása(folytonosan ismétlődő) okozhat-e olyat,hogy a katódellenállásokon mért feszültség is ugyanígy változzon?						 
 
				Szerintem biztosan! De próbáld ki, mi történik, ha lekapcsolod a készüléket a hálózatról?						 
 
				Így kapunk egy jól ellenőrizhető ingadozást. | Bejelentkezés Hirdetés | 





