Fórum témák
» Több friss téma |
Ebből nem tudjuk. S/N -> signal/noise -> jel-zaj viszony.
Sziasztok!
Adott a TDA2030+BD lebegőtestes hidam 4Ohm-al terhelve. Meg lehet valahogy határozni, hogy mekkora az a feszültség amit még elbír? Mondjuk 16V-al megy most, a hozzá tartozó zenerekkel, de nem tudom meddig lehet elmenni. A másik, hogy most egy 200W-os 30cm-es hangszóró van rajta, ezt meg tudja fektetni, ha valami hiba csúszik a gépezetbe? Gondolom a TDA-ba épített védelem az működik, ha kell, de a tranzisztorok meg tudnak futni. Nem? Amúgy érdekes módon az áramfelvétel nem megy sokkal 1A fölé, bár magasabb feszültségen csinált olyat, hogy megugrott egy pillanatra, de nagyon, na akkor vettem vissza, de lehet ez csak a multim pontatlansága.
Szia! A feszültséget annyira növelheted amennyit a TDA adatlapja megenged. A tranzisztorok bírni fogják, gondolom nem volt különösebb gondod a melegedésükkel.
Feltétlen használj biztosítékot a tápágban. Készítettem egyenfeszültség védelmet lebegő testpontos kapcsoláshoz, a témájában megtalálod. Amennyiben változtatsz a tápfeszültségen a zener-diódák és az ellenállások értéke az egyszerű képletek szerint módosul.
4A-es lassú biztosíték van a tápágban. Csak ezt is túlugrotta néha az áramfelvétel, de akkor valószínű csak a multim nem bírta a hirtelen változást.
A tranzisztorok alig melegednek, a hűtőborda is alig melegszik fel. Kb 30 fokos lehet. Akkor ha jól értem, hiába a 4Ohm, amíg nem melegszik különösebben addig mehetek felfele? A védelmet azt láttam, tervbe is van, csak ahhoz kellene majd a toroid, de először be akarom lőni a max feszt.
Mekkora teljesítményt szeretnél kihozni az erősítőből? 120W/4ohm-hoz 24VAC/6A szekundert ajánlok.
Ha már megcsináltam, akkor a maximumot.
![]() A hangszóró megvan hozzá, akkor legyen kihasználva. Köszi szépen, ezt akkor kipróbálom!
sikerült megoldani a mélyhang problémát, az erősítő kb 5-6 éve készült, akkoriban örültem mint majom a farkának, h összeraktam és szól, azóta nem is foglalkoztam vele. Mai szemmel kukábavágnám a panelt és maratnék újat, elég gyenge minőségű ugyanis, de miután végigfuttattam cínnel érezhetően megjöttek a mély hangok, még nagyon alacsony hangerőnél is.
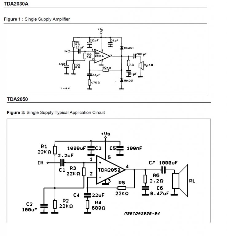
Hali nemrégiben írtam hogy 2030-at hídba kötöm de letettem róla mert szépen szól nem bolygatom inkább csinálnák egy 2050-et ahoz kellene segitség. Nyák az ugyan az minta 2030.? és a többi cucc értéke? Előre is köszönöm!!!!!
Szia! Minden ugyan az, csak magasabb tápfeszt adhatsz neki.
Köszönöm
Na azért itt van eltérés.? Ez nem gond?? Mert ha nem akkor építem.
A bemenő impedancia, tápszűrés, visszacsatolás, Zobel-tag, csatoló kondenzátor szerintem nem IC specifikus. A diódák mindkét IC esetén jótékony hatásúak, de el is hagyhatók.
Ezt ajánlom még a figyelmedbe.
Sziasztok. A TDA2052 -en elvileg van rövidzár védelem ugye? Valószínűleg összeérhetett és meghalt
Sziasztok!Az lenne a kérdésem, hogy egy TDA 2030 elé hogyan lehetne fabrikálni AIWA magnó deckből R450 előerősítőt.
üdv:dava
Reloop az lenne a kérdésem nincs e egy nyák terved lay-ben a 2050-hez a csatolt képhez(dióda nélkül a feltüntetett értékekkel) vagy valami amit át tudok szerkeszteni mert teljesen nulláról megtervezni nem nagyon menne. Amikor a 2030-at csináltam azóta már volt egy windows csere és elég sokminden elugrott és nem akarnám megint hetekig nyomni.Köszönöm!!
Sziasztok! Érdeklődnék,hogy ha a TDA2030-as IC-t két pár tranzisztorral egésziteném ki,nagyobb lenne a kimenő teljesitmény?
Kicsit igazítok még rajta és küldöm. Mono vagy sztereo?
Sztereó (2monó egymás mellett hogy külön legyen de egy panelen)
Köszönöm szépen!!!
Szia! Görgess a 12. ábrához. Ott találod a paramétereket.
Értelek,csak szeretném tudni hogy,érdemes lenne-e bele kezdeni egy olyan projektbe,hogy,négy tranzisztorral van kiegészitve.
Átlagos végtranzisztorból csak akkor dupláznék, ha 2ohm alatti terhelés kerül rá.
A kondik méretei jók lesznek?
Szerintem jó lessz csak ebböl hogy lessz lay ? Átnevezem és kész?
Ha megfelel, akkor felrakom PDF-be. (Kettőt egymás mellé)
Udv!Ezt a kepet atalakitod .bmpre hogy tudd betenni sprintlayoutba es atmasolod.Athuzod a vezetosavokat ugy ahogy a kepen van es kesz a lay.Remelem segitettem.
Megfelel csak az az eredeti méret legyen amit nyomtatnom kell. (mert foto papír és vasalással csinálom)
Csak olyan nagy a felbontás hogy megbolondúl a layout. (egyébként kössz)
Nagyonszépen köszönöm ezer hála!
Alkotó fórumtárs jelezte, hogy nagyok a furataim. Nálam vasaláskor a festék terülése miatt normál méretűre szűkül. Ha ez egyedi probléma, akkor szóljatok és visszaveszek belőle.
|
Bejelentkezés
Hirdetés |













