Fórum témák
» Több friss téma |
Fórum » Csöves erősítő készítése
Ne feledd betartani a fórum viselkedési szabályait, és a topik megmaradásának feltételeit. [link]
A téma átmenetileg fagyasztva lett, hozzászólni nem tudsz!
Ilyen potmétereket vettem, 50K, log.
Hát, a Piher elég gyatra.
Fémházast használj, ha megoldható,és a bemenetet árnyékolt kábellal vezesd a készülékházon belül. A bemeneti csatlakozókat szigetelten szereld, a földhurok elkerülése miatt.
Szia mindenki.Egy kérdésem lenne ,jó e ez a táp a el84 ecc83 ----
Power supply SE-84 el84 Köszönöm a segítséget előre is... vagy a ez80 81 csináljam meg....
Sziasztok.
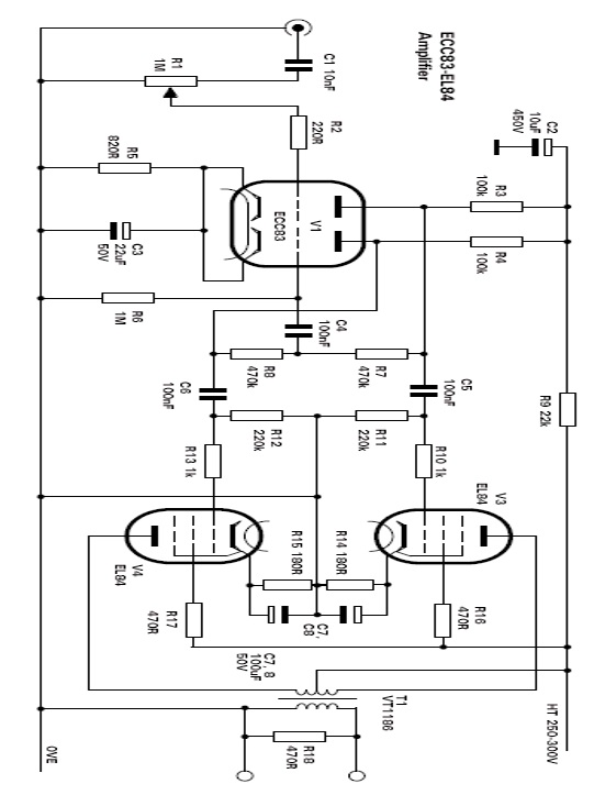
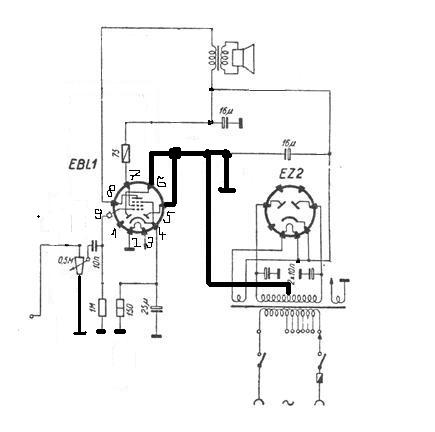
EBL1-es SE erősítő kapcsolási rajzot tudna valaki küldeni? Neten nem találtam. Egy Orion rádió kapcsolási rajzából megpróbáltam kiszedni a végfok részét. Valaki leellenőrizhetné. Köszönöm előre is.
Egy bibi azért van. Az EBL1 nek a rács elő feszültséget az egyenirányító negatív ágában levő 30 ohm állítja elő. Ezt másképp kellene megoldani. Lehet a katódba ellenállást tenni, 150 ohm körül. A két dióda anódját összekötni leföldelni, ha nem kell, így zárva lesznek. Ha szeretnéd használni, (mondjuk varázsszemes kivezérlés jelzőhöz) akkor külön kell a rács elő feszültséget előállítanod.
Előfoknak nem ártana egy EF6, rendesen visszacsatolva.
Köszi, szerzek normális potit, ezek meg mennek a kukába...
Nem biztos, hogy rögtön a potit kell kidobni, bár a fémtestű jobb lenne ide mindenképp. Én inkább arra gyanakszom, hogy a poti középállásánál van a legnagyobb impedanciával lezárva a trióda rácsa (a műsorforrás kimenete valószínűleg elég kis impedanciás), és ekkor az erősítő a hallható tartomány felett valahol begerjed. A legbiztosabb az lenne, ha szkóppal meg tudnád vizsgálni mondjuk a rácsokon mérve, hogy valóban fellép-e ilyen gerjedés a poti bizonyos állásánál.
Egy ilyen erősítőben a két fokozat feszültségerősítése nagyon nagy, és a pentóda adódja azonos fázisban van a trióda rácsával, így a kimenőtrafóhoz menő kábelről akár a levegőn keresztül, kapacitív úton is visszakerülhet a jel pozitív visszacsatolással. Ez ellen a bemenet árnyékolt kábellel bekötésével, és a kimenőtrafónak, annak vezetékezésének a bemenettől minél messzebb elhelyezésével lehet védekezni. Ha ez nem segít, akkor szokás még a trióda rácsával sorbatenni ellenállást, esetleg a rácsra föld felé kondenzárort, illetve a két anód közé is lehet beépíteni pártíz pF kondenzárort (a kondenzátornak sokszáz voltot el kell viselnie!).
Így, "letisztítva" építsd meg. A többi elem a rádióüzem sajátosságai miatt volt úgy kialakítva.
Próbaképp a rácslevezetőket (470K) cseréld kisebbre, de 100K alá ne menj.
A potikat mindenképp cserélném, ezek nem jó minőségűek. Persze előbb legyen meg a hiba...
Egy egyszerű rajz nekem tökéletes. Van 2db ilyen csövem és meg akarom nézni, hogy működnek és felhasználhatók még valahova vagy mennek a vitrinbe dísznek.
Köszönöm a rajzot.
Amit pucuka mondott negatív fesz a rácsnak nem kell? Délelőtt megcsinálom és elmondom a tapasztalataimat.
A rajz szerint jó.
Természetesen a trafó megfelelő teljesitményű legyen, tudja hozni a megfelelő áramértékeket. Javaslom a min. 50%-os túlméretezést.
Köszönöm az ötleteket, ki is fogom őket próbálni, míg jó nem lesz, mert ez így nem maradhat.
75 ohm helyet rakhatok 100 ohmot az anódellenállásnál?
Igen, bár az a segédrács ellenállás.
Pucuka elnézte, valójában a meghagyott 150 Ohm segítségével állítod elő a negatív feszültséget, ami az átrajzolás előtt is ott volt.
Igaz, elnéztem, a 8-as láb az anód. Köszönöm.
Már alakul a dolog. Köszönöm a segítséged.
A saját kimenőjéhez hány ohmos hangszórót használjak?
Nincs meg a hangszórója. Kipróbálom egy 8 ohmossal.
Sikerült
10nf-os csatolással és erősítő fokozat nélkül nem lőtte szét ugyan a műhely falait, de nem is ez volt a cél. Egy régi rádió sasszéjára építettem, nem recseg, nem ropog.Köszönöm Imi a segítséget
Hali. Azt szeretném kérdezni, hogy a hang minőségén javít ha csöves egyenirányítást használok vagy mehet simán graetz hidassal?
Megoszlanak a vélemények.
Az a lényeg hogy az anódtápod tiszta, AC komponensektől mentes legyen. Ez mindkét eszközzel megvalósitható. Ha középleágazásos hálózatid van, mindenképp csővel oldanám meg a tápot. (Cső-szűrőkondi-fojtó-puffer) Ha sima "egy tekercses", akkor graetz híddal. (graetz-szűrő-fojtó-puffer)
Hali. Nemreg beszereztem egy csoves erositot es ki szeretnek cserelni par alkatreszt jobb minosegure.A csoveket elsosorban kicserelnem mert picit feketedett egy ket pontban az oldaluk, a volt tulaj hasznalta ugy kb 600-800 orat.Csokeszlet:2 db. 6P14P-EV, 2db. 6N1P .A kerdesem a kovetkezo ,ezeket a csoveket milyen jobb minosegi csovekkel lehetne kicserelni vagy mas tipussal helyettesiteni?
Koszonom Egy par kep:
Végcsőnek jó az Orosz 6P14P, ezt esetleg újra cserélni, a meghajtócsövet esetlegesen egy Siemens, vagy Mullard ECC88-ra. (A lábbekötéseket ellenőrizni!)
De szerintem elég az új csőkészlet ugyanilyenből, annyira nem rosszak az orosz csövek Személy szerint inkább a filléres huzalellenállás hegyektől "mentesíteném" az erősitőt.
Koszonom valaszod,es tudnal ajanlani jo fajta ellenallast amivel helyettesithetnem?
Természetesen.
1W-os pozicióba : Dale RN-70 2 és 5W-os pozicióba: Dale RS-5 Nem drágák, a Farnell-nél, illetve a Magyar disztributoruknál megvásárolható. Más: A kimenőtrafók szekunderén nem látok előterhelés ellenállásokat.Ha valóban nincs, a tekercsre ( a hangszórócsatlakozókra) forrassz rá 1-1 100ohm 5W-os ellenállást.
Koszi,meg kezdo vagyok ebben a dologban,miert kell eloterheles ellenallas(ha nincs akkor az baj?)mi valtozik akkor?
Ha "leszakadna" a kimeneti oldal terhelése(hangszóró)
megemelkedhet a feszültség a kimenőtrafón, ami szélsőséges esetben átüthet. Jobb megelőzni a bajt. A kimenőteljesitmény nem csökken számottevően, de leszakadás ellen védelmet nyújt, ha be van épitve.(Erősen ajánlott.) Az erősitő épitője figyelmetlen lehetett. |
Bejelentkezés
Hirdetés |
















