Fórum témák
» Több friss téma |
Üdv Mindenkinek!
Van jópár kütyüm amihez csupán ékszíjra volna szükségem hogy működjön : 3 db kazettás deck 2 db Vidi rádiós m. 3 db Musiccenter 2 db videó Segítségeteket kérném abban hogy hol lehetne viszonylag olcsón a lehető legnagyobb választékot találni ékszíjakból!? Vagy ami még jobb lenne, hogy Hogyan lehetne HÁZILAG ékszíjat készíteni. (Befőttes gumi NEM OK) Előre is Köszönöm : Laci66
Üdv!
A legegyszerűbb ékszíjpótlás az O-gyűrű. Nem nyúlik, sokféle méretben van, olcsón hozzáférhető ![]() Egy régi Sharp decket újítottam fel 3-4 éve ilyennel, azóta is tökélesesen működik
Nem érdemes barkácsolni, olcsón kapható, csak keresni kell. Bővebben: Link
Üdv mindenkinek!
Van egy AKAI HX-3-as deckem, amelybe idler görgőt keresek. A görgő mérete kb. 4 mm átmérőjű, 4,5-5 mm széles. Ehelyett a kábelszigetelés-darabka helyett kellene. Ugyan a magnó így is működik, de azért jobb lenne oda egy eredeti, vagy legalábbis ugyanolyan görgő. Van tippje valakinek, honnan lehet még ilyet beszerezni? Köszönöm
Ilyen dolgokat a SINI-nél lehet kapni.
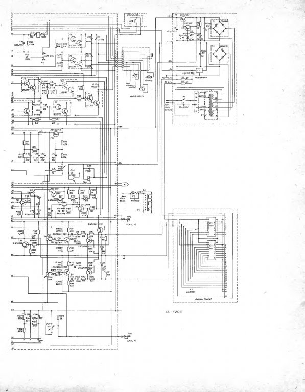
Üdv mindenkinek adott egy Akai Cs F 210-es Magnódeck szerkezet a gondom az lenne mert kaptam a decket és kivezetés job bal csati zsinorok sehol az ürge leforaszthatta és nemtudom merre van elöre rca csatit raknék rá mer a Music centerem erösitö kivezetésére, az lenne jo de hogyan? két képet a panelról csatolnék és sikerült a rajzot is megszerezni!
Elöreis köszönöm a megoldásokat mert sajnálnám kidobni mert mükszik rendesen..
Már megbocsáss a kérdésért. De te élő szóban is így beszélsz, ahogy írsz? Egyszerűen ki sem lehet hámozni, hogy mire gondolsz. A panelről hiányzik az RCA csati, azt látom. Meg a DIN is. A két kimenet a két, sárga potméter melletti lukak lesznek. A NYÁK-on kövesd végig, hogy pontosan melyik lukak, a bal odali a bal (fehér), a jobb oldali a jobb (piros) aljzat volt.
Hello bejelöltem a képen megkérlek nézd meg ezekre a lukakra gondoltál?
Köszi!
Ezek az itthon szerelt gépek lengő vezetékkel voltak szerelve. Nem volt bennük RCA csati. A jobb és a bal három átkötésre vannak ráforrasztva a vezetékek. Jobb, bal, és a föld. De ezt így felülről meg nem mondom neked melyik melyik. Kéne találnod a neten valahol egy belső képet a gépről azon láthatnád a szines vezetékeket is. Úgy könnyű lenne egy bármilyen RCA vezetékből legyártani. Anno és is cseréltem ezen a gépemen de már nem emlékszem.
képek: a madzagos és a szerelt kivitel, bár az más tipusú, a panel megegyezhet. ?
Sziasztok!
Azt szeretném kérdezni hogy Aiwa AD-F660 770 deckbe ki tudna nekem idler gumit adni, vagy készíteni? Valamint jobb oldali gumigörgő is kellene. Sini Hq kilőve, nekik már nincs sajnos régóta. Szép napot! Csaba
Köszi a segitséget!
Tessék az eredeti. Bár ez a 21 -es de kb ugyanaz.
Az is látszik hogy hátulról nézve a bal oldal a bemenet. Nem olyan bonyolult ám ez kérdés. Fogsz egy olcsó tescós RCA kábelt, levágod sz egyik végéről a dugót. Megpucolod. A bemeneten feltekered felvételnél a szintszabályozót és hozzáérsz a három átkötéshez. Hallani fogod hol melyik oldal búg, a harmadik átkötés pedig a földpont. Ugyanez lejátszásnál, ott meg valami erősítőbe bedugod a kábelt és hallgatod valami jól megkülönböztethető oldalú kazival, hogy mikor melyik szól. Utána már csak rá kell forrasztani az átkötésekre a vezetékeket. A két külön oldal árnyékolását sodord össze és együtt forraszd be.
Köszönöm szerencsére volt ithol elfekvöbe Rca kábelem,
megcsináltam jobb ez igy mert régivel már nemtudtam volna használni.Bár azt mondják van ahoz is átalakitó.
Sziasztok. Philips N5581 magnóval van gondom. Következő a hibajelenség:miden hálózati bekapcsoláskor más-más szalagszámláló állással indul,(szerintem) nem az alap 000-val, és néha újra be kell kapcsolni hogy a mechanikai funkciók működjenek. Gondolom a vezérlő hálózati bekapcsoláskor nem resetel. Ráadásul a szalagszámláló is haloványnak tűnik.Feszültségek nagyjából rendben, bár ebből a hollandnyelvű szervízkönyvből nemigazán tudtam kihámozni a pontos adatokat. Kapcsolási rajz az elektrotanyán megtalálható, ha valaki tudna segíteni. Előre is köszi!
Most már biztos, hogy nem vesznek kárba a májusban rendelt négysávos fejek! Szereztem egy Akai HX-A2 decket (1987-es), amiben az a fej volt, ami nekem kell a kétkazettásba. A gép szinte új, a fejen nincs kopás, így azt áttettem a saját Akaimba, mindent visszaállítottam gyári értékre, és azóta is tökéletes. Azt az oldalt szinte csak felvételre használom, hogy minél többet bírjon benne az a fej, mert ezek szerint már ritkaság az új állapotú belőle.
Ezután fogtam neki az újonnan szerzett magnónak. Amikor megkaptam, csak nagyon halkan szólt, ezért mertem megbontani. Most rájöttem, a problémát az üzemmódváltó okozta, kontaktspay, tisztítás és meg is szólalt. És itt viszont nagyon jól bevált a négysávos kombináltfej, ezt az elektronikát be lehet állítani hozzá rendesen. Szóval egyszerre két jó magnóm is lett .Ez a HX-A2 egyébként olyan, mintha új lenne, külsőre és most már működésben is. Azt hiszem, ezt a magnót megtartom, és nem adom el rögtön a javítás után.
Szia!
A szervizes megoldás az lenne, hogy szkóppal rámérni a vezérlő IC-re az adott üzemmódok kapcsolásakor (amikor nem reagál). Mivel ez sokaknak nem áll rendelkezésre (nekem se, csak hangfrekvencia-tartományban tudok PC-vel mérni), ezért elsőre a szemrevételezést javasolnám, nincs-e törött forrasztás, bizonytalan érintkezősor (bár lehet, hogy egy ilyen gépben nincs is mechanikus kapcsoló, csak ez a processzoros vezérlés).
Jó lett a gép a fejjel.
Szerintem a HQ nál sem tudják mire vélni ennek a vásárlását. Azóta két újabb deck-be épült be tőlem, úgyhogy már erősen fogynak. Viszont ez az Akai gép valahogy kimaradt nekem az idők folyamán. Látom a balansz szabályozással itt sem bajlódtak.
Ezt a magnót nem gyártotta a VT, és nem is volt itthon kapható, ezért nem olyan ismert. Amúgy egykorú a kétkazettás HX-A301W típussal, amivel egész jó tapasztalataim vannak. Annak idején nem volt jó vélemény a mechanikájukról, pedig azzal valójában semmi baj. A probléma azokból a bizonyos kétsebességes motorokból eredt, mert azok bizony nagyon gyengék voltak ide, és nem tartották valami stabilan a fordulatot. Amikor megszereztem, az enyémben ki is cseréltem mindkettőt sima 12 voltos Sankyo motorra, azóta egyszer sem nyávogott vagy lassult be. A dupla sebességű másolás meg nem igazán hiányzik, több a hátránya, mint az előnye. Egyébként a HX-A2-ben is ugyanez a futómű van, de normális motorral, így nem is kellett hozzányúlnom.
Elektronikailag, hangminőségben szerintem nem gyengébb az egykazettás Akai HX gépeknél, főleg most, újszerű fejjel. Olcsóbb Technicsek, JVC-k hangját messze felülmúlja szerintem. A lejátszós oldalban a régi van, azon már látszik a kopás. Viszont itt még nem rontja a minőséget, csak felvenni nem lehetett már vele.
Szia Tomi94! Köszönöm jelentkezésed te már máskor is aktívan segítettél rajtam. Helyzet a következő: feszültségek, forrpontok töbszörösen átvizsgálva. A szópos hibakeresés valszeg segítene de sajna nincs szkópom. Amikor beáll hogy rendben van, akkor hibátlanul működik minden funkció. Egyébként úgy vettem meg hogy se kép se hang, leégett főmotor miatt verte a biztit, a leharcolt külső. Ehhez képest kép(kijelző,ledek) és hang(felvétel, lejátszás) van és nem is rossz hangú a kis gép, ügyes mechanikai funkciókkal.Egymotoros mágnesrelés üzemmód kapcsolás jelentős hőtermeléssel.Ngyon tetszik hogy nagyokat csattan funkció váltáskor.
Próbáltam a reset áramkörtben a hibát keresni de nem találtam,de ettől még lehet baja. Valójában most ott tartok hogy ráhagyom.
Sziasztok!
Azt szeretném kérdezni, hogy esetleg valaki tudna-e ilyet szerezni Toshiba TM4801 AP 8-H, alul-felül 21-21 forrasztási pontot számolta. Ne haragudjatok, de gőzöm sincs mi ez, ezért csatolom a képet is! Előre is nagyon köszönöm!! Még egy kérdésem lenne, esetleg tudna-e valaki eladó METZ MECASOUND AX 4970 erősítőt?? Ezt is köszönöm!! Üdv.:
Sziasztok!Van nekem egy Sony tc-k470-s deckem.Sokáig az volt a baja,hogy a fej 4-5ször visszaesett mielőtt sikerült elindulnia.Most viszont fent ragadt állandóplay állásba és hallom,hogy leakarja huzni de nem sikerül neki.Mi tévő legyek?A segítséget előre is köszönöm!
Szia!
Szerintem arra utalhat a hiba, hogy gyengül a szíj. A legtöbb futómű a lendkerékről viszi át az energiát a fejegység mozgatásához, elvileg ha kézzel megforgatod, ki lehet kapcsolni a futóművet (minél előbb érdemes megtenni, hogy ne menjen tönkre állásában a görgő). A logikai vezérlés reléivel nem szokott gond lenni, azokat egyelőre szerintem kizárhatod. Sok sikert!
Szia!
Szerintem nézd meg, hogy nincs-e elcsúszva az orsózó motor tengelyén a kis fogaskerék, ugyanis annak szokása az ilyen (3 Sony magnónál is találkoztam már ezzel a hibával, mind ugyanazzal a mechanikával volt mint a k470). Ha ez a baj, akkor egy vékonyabb csavarhúzóval könnyen visszatolhatod a helyére, és utána jódarabig nem lesz hiba...
Valószínü ,hogy ott lesz a gond mert megmozgattam és müködget jobban mint eddig csak néha bizonytalan.még dolgozom rajta,de szétszedni nagyon nem szeretném
.köszönöm a segítséget
szivesen
![]() lehet hogy már el van repedva az a kis fogaskerék és már nem birja teljesen átvinni a forgást, amiatt bizonytalan... sajnos ez egy gyenge pontja a mechanikának... egyébként ne félj a szétszedéstől, nagyon egyszerű szét- és összeszerelni, ritkán látni ennyire átgondolt konstrukciót... |
Bejelentkezés
Hirdetés |



















Azóta két újabb deck-be épült be tőlem, úgyhogy már erősen fogynak. Viszont ez az Akai gép valahogy kimaradt nekem az idők folyamán. Látom a balansz szabályozással itt sem bajlódtak. 



