Fórum témák
» Több friss téma |
Fórum » Inverteres hegesztőtrafó
Köszönöm a hasznos tanácsokat.
Most tervezem a nyomtatott panelt. Nekem nyitott érzékelőim vannak,tehát nem kell relé csak egy sorkapocsban párhuzamosítom a 3 db hőkapcsolót.
Sanyi,nálad a pont! Valaha az őskorban,Tubi barátommal,még nem voltunk "jártasak" annyira,mikor ez a relés változat megszületett.Hozzá kell tennem,hogy az orosz kapcsolásban is dióda szerepelt egyik-másik rajzon,de nem volt típus megjelölve.Akkor még nem foglalkoztunk a kísérletezéssel idő és egyéb okok miatt.Meg merem kockáztatni,hogy oda az 1N4148 vagy esetleg az OA1160-1182 germánium dióda is szóba jöhetne,nem próbáltam.Esetleg valaki vállalkozó szellemű építő kipróbálhatja.Mellékelek egy olyan rajzot.
Én kipróbáltam ezerféle diódával, de nem vált be! Nagyon magas hőmérsékleten kapcsolja le a vezérlést és nagyon kicsi a hiszterézise is!
Inkább ajánlanék egy termisztort különböző ellenállás értékű próbáját 1K-10K -ig valamelyik megfelelhet. Kifogom próbálni én is.
Helló!
A maciba 1Kohm-es potit szeretnék rakni (ebből van idehaza sok), akkor az 1,8kohm-et 720 ohm -re cserélem, a 820 ohm-et 330 ohm -ra cserélem és kész??
A diódákat válogattam,eltart egy darabig mire a megfelelőt megtalálja az ember.Van hiszterézis,20-30 fok külömbséget tapasztaltam.A lekapcsolás,70-80 fok közötti.
Nem vagyok bent biztos,hogy jó lesz.Nem számoltam utána,lehetséges,hogy a Te megoldásoddal is azok az osztásarányok adódnának a 3 ellenállásból felépített létrán,mint az eredeti kapcsolásnál,de jobban is terhelné az UC3845 referencia feszültségét s ez nem biztos,hogy egészséges.Nagyobb potival már próbálkoztunk,módosítva az alsó és felső ellenállást is,mégsem adódtak tökéletesen az eredeti leosztott fesz értékek,lehet,bennünk volt a hiba.Már a 2,5K potinál is kellett módosítani a létrát.
A diódás megoldás nekem sem jött be,én is próbáltam egy talicskára valót,jeleztem is anno a fórumon és dara barátomnak is írtam erről.Akkoriban készítettem az Attila86,ha jól emlékszem,által publikált LM358-ra épülő hőkapcsolót,rajza a fórumon megtalálható.Ez sem volt olcsó megoldás,bár a reprodukálhatósága aránylag könnyű.
A hozzászólásodban csatolt rajzot építetted meg PC-táp dobozba? A BD139-140 mennyire melegszenek, kell rá borda?
én is válogattam egy talicskával, de nem találtam megfelelőt!
Ha meg írnád az általad jónak ítélt dióda tíusát, akkor meg könnyítenéd a dolgunkat!
Szia Sanyi!
Erre a célra diódát ne is keress ide klixon való. Egyszerű mint a faék,és megbízható.A diódás megoldást más funkcióra már alkalmaztam(csibekeltetőbe) 0,1 fokos kapcsolási pontosságot sikerült vele elérni, de hegesztőgépbe nem tenném a zavarérzékenysége miatt.
Köszönöm, azért megpróbálom. Az adatlap szerint 50mA-ig lehet terhelni a referenciát. Ebből kapja az R-C-tag is a delejt, de ki tudja mennyit? Ezt ki lehet számolní valahogy?
Pc tápokból bontottam,170mV körülieket kerestem,a 390ohm ból csak az egyik kell,de lehet azt is csökkenteni kell.Tulajdonképp úgy működött hogy mikor elérte a küszöb feszt,bejelzett a piros de még nem kapcsolt le,csak még Kb+5 fok után.Én pedig az összes gépembe így oldottam meg,és működnek.
Látod Dara Sanyi mit ír, de nekem eddig nem volt üzem biztos a diódás megoldás!
Viszont, ha D.Sanyinak sikerült, akkor talán érdemes foglalkozni vele! Engem sem izgatna, ha olcsón lehetne kapni nyitott klixont. Zárt van olcsón, de az is 95C'-os viszont ehhez meg kell egy relé vagy másképpen kell megoldani a hő kapcsolást. Van erre is megoldás!
tud valaki réz lemezt , hol lehet kapni 0,2 0,4 max vastagság tekercseléshez? (nem arany áron, ha lehet gáboráron)
már kínomban alufóliában gondolkoztam , de a legvastagabb is 18 mikron körüli (grill fólia), de ezeket valahogy (pl folpack fóliával )el kell választani egymástól- ez nem a sorszigetelés- és a gond hogy huszon réteg kell ami bírja az itteni áramot (inverteres heggesztő), további hátrány az alu dupla falalgos ellenállása , és a lapok megbízható csatlakozása. előny hogy akár több 100khz is lehet(ne) a frekvencia, és akkor kevesebb menet kell. vélemény esetleg tapasztalat valakinek???? köszi csaba
Felejtsd el. Több vékony huzal esetén is használhatnál magasabb frekit, de ott meg más gondok jönnek elő. Egy ilyen elrendezésben bőven elég mondjuk 80kHz, sőt a legtöbb IGBT-nek már az is sok. Aztán az általában használt ferritek sem jók 150-200kHz felett, csak a jobbak. Tehát semmi baj nincs egy 0,2-es vagy 0,4-es huzallal, utóbbit még bontani is tudsz innen onnan.
Szerintem ide alaphelyzetben zárt klixon kell, a gyári gépekben legalábbis az van. A 95 fokos ide simán jó.
100A-el kínlódás a huzallal játszani. Normális gépekben csak lemezelt magot használnak.
Pesten pl a mettaloglobusnál rendes rézárban vettem 0.2mm vastagságút.
Ezeket 1cm-es csíkokba vágva egyenként szigeteltem 250 fokig hőálló szalaggal majd egybefogva a trafóra feltekerve a végeit átfúrtam M3-as fúróval. Réz csavarral alátéttel pedig a panelba csavaroztam. Ennél korrektebb megoldás nem nagyon van.
Gondolom nem magot, hanem lemezt akartál írni...
Egyébként, a lemezzel is vannak gondok, ez az áramkiszorítás. Nem értem a mikéntjét, de úgy néz ki, minnél több menet van egymásra tekerve, annál nagyobb áramkiszorítás jön létre, tulajdonképpen úgy fog kinézni, mintha sokkal nagyobb áram folyna a lemezen, mint kellene. Így persze sokkal jobban is melegszik. Én nagyon sok lemezes trafót, de inkább fojtót csináltam és mondhatom, hogy azon kívűl, hogy jobb az ablakkitöltés csak bonyolultabb és rosszabb lesz. Azért nem olyan könnyű megtekerni mondjuk egy E42-es csévére a 0,3-as lemezt úgy, hogy köztük szigetelés van... Szerintem, a litzét - még a saját gyártányút is sokkal egyszerűbb belehúzni egy szilikonkaucsuk csőbe és megtekerni. ( persze, csak ha van elég hely )
Nem! Alapban nyitott klixon kell! Zárt állapotban nincs vezérlés!
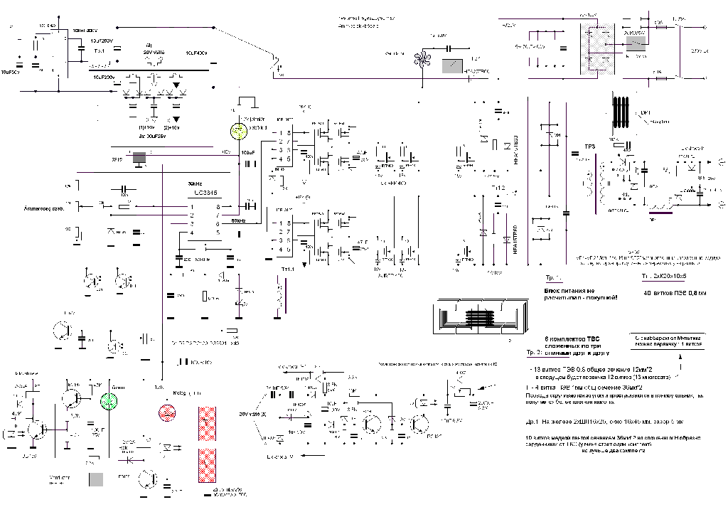
Ha a Gábor hétfőn délelőtt feltett rajzán szereplő megoldásra gondolsz,(orosz rajz jpg)akkor igazad van. De eddig minden(!)gyári gépben alaphelyzetben zárt típussal találkoztam. Szerintem sokkal jobb megoldás az alaphelyzetben zárt klixon, mint amelyik a működéskor záródik. Gondolj csak bele, amelyik alaphelyzetben zárt, az saját magát és a vele soros áramköri részeket is ellenőrzi azáltal, hogy az érintkezője zárt állapotában működik csak a gép. Így a klixonnal sorban levő összes áramköri résznek hibátlannak kell lennie a normál működésnél. Az alaphelyzetben nyitott klixonnal soros áramkörben ha szakadás lép fel, a gép vígan működik tovább, hiába kapcsol közben a klixon, nem fog a gép kikapcsolni.
Az iparban minden biztonsági funkciót betöltő áramkör nyugvóáramú, pont az említett ok miatt.
teljesen igazad van, de ez a fránya orosz így oldotta meg!
ezen a rajzon viszont zárt klixon kell!
Ezt a részt át is lehet ültetni az említett áramkörbe.
Ezt a képet rakd fel ismét, mert nem lehet belőle semmit sem kivenni. Nagyon össze van tömörítve.
Segítségeteket kérem!
Van nálam egy Fronius Transpocket 1400 gép. A panelon eldurrant két power mosfet és a meghajtó része. Sajnos nem találok forgalmazót, akitől megrendelhetném ezeket az alkatrészeket. P. mosfet - MTY30N50E tranzisztor - FZT649 Vagy ha szerintetek lehet helyettesíteni, akkor az is megfelelne nékem. Köszönöm. Üdv:. BeLac
A rajzon az FZT649 PNP-nek van rajzolva, de a katalógus szerint NPN. A paraméterek alapján lehet találni megfelelő helyettesítőt.
A tranyót nem tudom mivel helyettesíthetnéd (alacsony szaturációs feszültségű típus, 25V/3A-es), de szerintem mezei tranyó is jó oda ami ezt az áramot bírja. A fetek helyett meg szinte bármilyen 500V/30A-es jó. Mondjuk ha összesen ez a 2db van benne akkor az elég karcsú, nem ártana ha legalább 40-45A-es lenne. Vagy ha elfér tegyél be helyette 2-2db IRFP460-at vagy 2SK2837-et párhuzamosan.
|
Bejelentkezés
Hirdetés |














