Fórum témák
» Több friss téma |
Hmm LM2596 lehet tényleg megéri a +300Ft a jobb hatásfokkal
Kicsit off, de ha már lipo töltöt csinálunk ...
Nekem egy olyan áramkör kellene ami lekapcsolja a kimenetet ha az egyik cella 3V alá esik. 6 cella van BTW. Vagy 7 mert 24 volt kéne de lehet elég lesz a 22,2 frúrós csavarhúzónak. 3800mA es 18650 es aksik.
Azt vettem észre, hogy gyártónként jelentősen eltérő lehet, hogy mennyire barátságos árakat tud adni egy-egy kereskedő cég. Pl. STM-ben, IRF-ben jók.
Ha már homár , kinéztem ott két kondit: Samwha ER RZ 470µF/25V és 35V. Igaz min. huszasával lehet venni, de az ára az felettébb barátságos, az ESR-je pazar (65 és 46 mohm), a life expectancy meg 5000 hr 105 fokon. Kisebb kapcsolóüzemű cuccokba 2-3-5 db párhuzamosan, és csókolom.
Nem hinném, hogy az IRLML2502-vel lehetne gond, tényleg nagyon helyes paraméterekkel rendelkezik. Szkóppal kéne nézegetni, hogy mi történik, abból talán rá lehetne jönni.
A sos-nál beírod, hogy samwha 470uf 25v rz, meg 35v.
Hello!
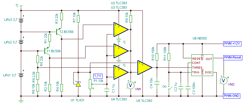
Csak három cellára rajzoltam meg, de gondolom el tudod képzelni 7 cellára is. Két LM393-ban 8 komparátor van, 7 cellánál marad egy plusz, amivel esetleg hiszterézist is lehet gyártani. üdv! proli007
Hogy gyártasz hiszterézist és mire használnád?
A rajzon levő komparátorok egyszerű komparátorként vannak ábrázolva. Hiszterézist pozitív visszacsatolással lehet csinálni annak érdekében, hogy a komparátor árkapcsolása határozott legyen. Erre akkor van szükség, hogy ha a komparálandó feszültség bizonytalan változású, és nem szeretnénk, hogy minden apró változás sűrűn kacsolgassa a komparátort. Akkumlátor töltésnél nemigen szokott ilyesmi előfordulni, mert az szépen egyenletesen töltődik, és ezzel együtt nő a feszültsége, így nem biztos hogy szükség van rá. Erre utalt proli007, de ha mégis úgy gondolod, hogy szükséges, akkor vedd elő a használni kívánt komparátort, és az adatlapjáról lenézheted, hogy hogyan kell csinálni, és többnyire számolási segédletet is kapsz.
Hmm de én lemerítem az aksik egy fúróval, nem töltöm. Szóval a feszültség az akku merülésével csökken. A terhelés meg folyamatosan változik. Valószínű hogy pwm es vezérlés van a fúróban. Az áramerősséget szabályozza az impulzus szélességgel, így a motor mindig max feszültséget kap. Szét még nem szedtem, de mi más lehetne. Akkor ha nem csinálok pozitív visszacsatolást sokszor bekövetkezik a 3V alatti állapot ami aztán visszamegy 3V fölé és megint lehet egy kicsit fúrni
A kérdés, hogy az eltérés jelentős e? Mert ha 1perc több fúrás jön ki belőle akkor nem hiszem, hogy érdemes foglakozni vele.
Hello!
Pucuka leírta, hogyan készül a hiszterézis, és mire használható. De.. - Ez a rajz, csak egy áramkör részlete, ami szemlélteti, hogyan lehet cellánként figyelni az aksi feszültségét. Mivel nem írtad le, hogyan használnád, és mi módon avatkozik be, nem is rajzoltam hozzá semmit. - A hiszterézis, a ki és bekapcsolási pontok közötti feszültség különbség. Jelenleg ebben az áramkörben nincs hiszterézis, vagy is a ki és bekapcsolás, ugyan annál a 3V-os feszültség pontnál lesz. - Ha menet közben egy cella feszültsége 3V alá esik, akkor kikapcsol a védelem. De mivel ezzel az aksi terhelése is megszűnik, a feszültség egyből 3V fölé megy, és vissza is kapcsol. Vagy is "kapkodna" a motor.. Mert oké, 3V-nál lekapcsol. De milyen feszültségnél lehet visszakapcsolni? - Tehát itt nem biztos, hogy a hiszterézis lenne az üdvözítő megoldás. Lehet jobb ha az információt tároljuk, pld. egy RS tárral. Ezt ha elindítjuk a motort, bebillentjük, és ha egy cella leesik 3V alá, visszabillentjük. Vagy is újra elindulni akkor fog, ha ismét megnyomjuk a gombot, vagy is töröljük a hibajelet. - Szóval rajzoltam hozzá egy RS tárolót, amit egy 555-ből alakítottam ki. Ennek kimenetét ha rákötöd a PWM Reset bemenetére, feszültség csökkenés esetén kikapcsolja a PWM jelet. (Gondolom a PWM-nél is van tiltás, ha nem, akkor egy relét használsz az 555 kimenetén.) A PWM csak akkor fog újra megjelenni, ha megnyomod a gombot. Az utolsó komparátor, most csak invertálásra szolgál. Viszont kimenetén a 10µF-os kondi biztosítja, hogy letiltani a feszültség csökkenés csak akkor fogja a PWM jelet, ha a csökkenés legalább 1 másodpercig fennáll. Az 555-nél a TRIG lábnak THRES lábbal szemben elsőbbsége van, tehát a GOMB nyomásakor, akkor is engedélyezi a PWM működését, ha a feszültség ekkor alacsony. A rajzot egyébként a TINA demo verzióval készítettem, pontosabba szimuláltam. üdv! proli007
Nem lenne szükség hiszterézisre, ha a belső ellenálláson eső feszültséget is kivonnánk abból a jelből amit érzékelünk.
Li-po akkuk sokszor 10-20-30C árammal túlterhelhetők így a kis belsőellenálláson is jelentős a feszültségesés.
A pwm +12V mit csinál? Azt hova kell kötni?
Pwm reset és a pvm gnd köze kéne rakni a relét ugye? A wm2 a relé? Ha van reset láb akkor a PWM resetet kötöm a fúró pwm ic reset lábára? Felraknad a kapcsolás TINA fileját? Köszi
Sziasztok!
Megint lenne egy variációm erre a konverterre: DC-DC Az elképzelésem az lenne, hogy ezzel látnám el egy IDE eszköz, 5 és 12V-os igényét. Szerintetek?
Hello!
Ez 5V-ból készít +-15V feszültséget.. üdv! proli007
Működik ez kérem szépen.
Írtam azt az ellenállást, amit rákapcsoltam párhuzamosan az outputra, hátha a fogyasztóval van a gond, és azért nem kapok 1A-t. Ma telefon helyett egy 6V, 18W-os izzót kapcsoltam a kimenetre. Fel is vett a tápból 2.8A-t. ![]() Fel is forrósodott a tekercs, és a dióda is, még a 2A-es bizti is.. ![]() Biztos azért nem oldott ki, mert lomha, és mert kapcsolgatva veszi le a konverter a li-ion cellából ezt a nagy áramot. Az izzó is szép világosan kezdett el világítani, szóval tuti kapott 5V-ot. A probléma valószínűleg az volt, hogy a telefon nem terhelte le eléggé a konverter outputját, így 400mA is elég volt ahhoz, hogy tartja a stabil 5V-ot. de ez az izzó szerintem levitte az output feszültséget 3-4V-ra, és ezt a konverter kompenzálta a 2,8A-ral, hogy 5V legyen ismét. A probléma most az, hogy a konverter túlságosan lemerití a liion cellát, akár fél voltra is, a 3,7V-os cellát. Ezzel csak az a baj, hogy túl sok idő ezt visszatölteni, és ez alatt semmit nem tölt a telefonba. Ezérthát most az IC shutdown lábát fogom vezérelni egy olyan jellel, ami nézi az akku kapocsfeszültségét, és várhatóan lekapcsol a konverter, de ezt még most próbálom.
Ugye-ugye, mondtam én hogy működnie kell.
Ha MCP1651-et használsz akkor ez alapból benne van.
Az LBI lábra leosztod a küszöbfeszültséget és az LBO lábat pedig a shutdown bemenetre.
Sziasztok!
Most kezdek egy kicsit ismerkedni a kapcsolós tápokkal. Elsőre egy 12/2*20V-os konvertert csinálnék. Mivel jó lenne ha stabil lenne, ezért a 494 mellett döntöttem. A gondom a következő: 130mA terhelésig minden jó(közelítőleg), viszont utána felkúszik az áramfelvétel 700mA-ről 2A-re, a kimenő feszültségem pedig leesik 9-16V-ra, A kért érték között mikor mennyire, utána ha leveszem a terhelést, akkor sem megy vissza az áramfelvétele. Ki kell kapcsolni, majd 1-2 perc elteltével megint jó, persze csak kis teljesítményen. Mellékelek néhány szkóp képet, a 494 kimenetén ha 200mA-rel terhelem akkor értékelhetetlen "felhő" látható. A trafó pctápból van, 2X6/2X18 menet. Egyenlőre gyakorlatilag légszerelt a cucc: a trafó hosszú kivezetésekkel van a panel mellé téve. Mi lehet a jelenség oka? Mit szúrok el? Előre is köszi a segítséget! ![]() Nekem is ez volt az első ötletem. "Az LBI lábra leosztod a küszöbfeszültséget és az LBO lábat pedig a shutdown bemenetre." De ez nem nagyon akar működni.. :/ Pedig a shutdown, és az LBO kimenet is működik, mert külön-külön mindegyik szuperál. A shutdown egyébként GND-re reagál, de akkor nagyon, mintha egy kézi kapcsolóval kapcsoltam volna ki az egészet.(ha leveszem a GND-t, akkor újra bekapcsol.) Ennek az IC-nek van "Two Undervoltage Lockout (UVLO) Options: - 2.0V or 2.55V"-ja, de az a baj, (nekem 2V-os van, mert választható ez) ha pl 1V celafesznél lehúzom a telefont, a cella önerőböl visszamászik 2.10V-ra, és akkor megint rákapcsolja a konverter lelke a telefont az outputra, szóval nem csináltam semmit.. Megpróbálhatom még azt, hogy mit csinál egy 2.55-s IC-vel, de arra az esetre, ha nem lehetne automatizálni a kapcsolást, arra az esetre átalakítom még ma a csatolt képen látható kapcsolást, hogy a led helyett a shutdownra adjon nekem negatívat, mert a kapcsolás szerint pozitívat ad.. Jah és majd bele kell szerkesztenem egy kondit is, hogy ne "prellezzen" a kapcsolás,mert csak akkor világít a led, ha a mostani 5,1V alá süllyed a feszültség. Ezt én ki cserélem egy 3V-os zénerre, és 3V-nál kapcsol, de ha 3,1V-ra visszamászik a cellafesz, akkor újra lekapcsol, és ez így fog ismétlődni. Ezeket csak azért írom le, hogy ha más ilyen problémákkal nézne szembe, az is tudja, hogy mi a kiút, mert én ilyen leírásokat, mások által leírt tapasztalatokkal böngészve nagyon sokat tanultam. ![]() Tomi.
Így rögtön az elején, szerintem ne merüljön az a cella 3v alá soha! Az említett probléma mindig fent fog állni, terheletlenül visszamászik a fesz a megengedett tartományba. Oda egy set/reset áramkör kell hogyha egyszer már leesett a fesz a küszöbértékre (set) csak kézi beavatkozásra álljon vissza (reset). Persze még szebb ha mondjuk leáll 3V nál és csak 4volt felett működik újra ez egy műveleti erősítővel/komparátorral megoldható,
csak a hiszterézist 1v kell kiszámolni.
Pontosan így gondolom én is, de már az is elég, ha nem engedi lemerülni a cellát 3V-nál alacsonyabb feszültségre.
Így is lesz 2 ledem, ami a töltést jelzi, és ami 3,2-3,3V között világít az IC LBO lábán.. A legjobb az lenne, ha az IC beépített undervoltage lockoutja úgy működne, ahogy kell. Komparátorra, meg mit tudom én mire, nincs már helyem a dobozban. :/..de egyébként igen, az lenne a legtökéletesebb megoldás, valami ilyesmit szeretnék én is elérni ezzel a zéneres megoldással.
Hát azt nem tudom hogy fogod a zénerrel elérni, szerintem sehogy , de bátraké a szerencse!
Pedig a mellékelt kapcsolás működik 5v-nál.
5V alatt világít a led, afölött pedig nem. ..de ugye nekem ez nem jó, mert egy 3v-os zener kell, a tranyó pedig az anódot kapcsolja, a katód rajta van a negatívon fixen. nekem pedig a negatívot kellene kapcsolni.
De ez semmi mást nem csinál csak ad egy impulzust, erre lekapcsol a konverter, akku visszamászik ujraindul a konverter és így tovább, ez a chipben is benne van.
LBI lábra leosztod a 3V ot 1.22V ra és az LBO lábon ott lesz a szükséges jel. Amit te írtál UVLO az most ide nem kell!!
"erre lekapcsol a konverter, akku visszamászik ujraindul a konverter és így tovább"
Pontosan tudom ezt, ezt kell valahogy megakadályoznom. Az UVLO pont azért kellene, hogy jó legyen, mert a "lockout" outputot blokkolja "undervoltage" (alacsony)feszültség alatt, nem? ![]() Nem kioktatásnak szánom, csak én így értelmezem. Az lbo-n megvan a szükséges jel, a led világít 3,2V-nál, csak ez a jel, amit kapok az lbo-n, az nem vezérli a shutdown lábat.(de ezt még értelmeznem kéne, mert szerintem működik, csak rá kell jönni, hogy hogy) de tök mind1, ha működik, ha nem, az lbo-al is ugyanúgy működne, mint amit fent idézőjelek közé szedtem, és amit te is megírtál. Kell valami, ami legalább pár másodpercig kikapcsolva tart..
Igen kell de felesleges ez a zéneres ami erre amúgy se jó és benne van a chipben minden plussz munka nélkül.
UVLO az under voltage lock out DE nem erre való. Arra való hogy ha már kevés a feszültség a chip biztos működéséhez inkább kikapcsolja de saját maga érdeképen nagyívben tojik arra hogy a cellának ez jó vagy nem, amúgy sem lenne erre jó sem a 2V sem a 2.5V. Erre az LBI lábon való leosztás való ellenállás osztóval. Ha biztos működést akarsz akkor kelleni fog egy db RS tároló az LBO lábra, az se nagyobb ennél a zener-es akárminél és az legalább korrekt.
"nagyívben tojik arra hogy a cellának ez jó vagy nem"
Azt észrevettem.. fél voltig is lemerítette egyszer a cellát, mikor megnéztem hol kapcsol ki, ekkor az outputon volt 4.2V kb, és jóformán semmi áramot ekkor már nem adott le az akku.még egy feszültség figyelő amúgyis kell nekem. Egy, ami jelez a leddel 3,3V-nál kb, hogy merül az akku, a másik pedig 3.0V-nál(vagy 2,7-nél) rákapcsol a shutdownra, és kikapcsol a konverter. Az a pár tized volt pont elég ahhoz, hogy észbekapjak, és még marad is időm.. Kb fél óra, vagy még több idő lesz majd, még a figyelmeztető led kigyulladásától kikapcsol a konverter. Ha kikapcsol, akkor úgy is fogyasztó nélkül töltöm majd a li-ion cellát, terhelés nélkül a konverter meg semmi áramot nem vesz fel.. max pár mikroampert. |
Bejelentkezés
Hirdetés |




, kinéztem ott két kondit: Samwha ER RZ 470µF/25V és 35V. Igaz min. huszasával lehet venni, de az ára az felettébb barátságos, az ESR-je pazar (65 és 46 mohm), a life expectancy meg 5000 hr 105 fokon. Kisebb kapcsolóüzemű cuccokba 2-3-5 db párhuzamosan, és csókolom. 














