Fórum témák
» Több friss téma |
Fórum » Csöves erősítő készítése
Ne feledd betartani a fórum viselkedési szabályait, és a topik megmaradásának feltételeit. [link]
A téma átmenetileg fagyasztva lett, hozzászólni nem tudsz!
Mitől ciripelhet? Ez az első csöves ill. bármilyen erősítőm. Így nulla a tapasztalat!
Köszönöm, de nekem konkrét kapcsolás kellene!
Sziasztok én jó trafót vettem jó kapcsoláshoz DE....csak kiváncsiságért vettem Én 6h13c -hez vettem INDEL tgl15/001 -es csak azért vettem a másikat hátha rászánom magam egy másik erősitőre
A légrés kérdés is kiváncsiságA hozzászólás módosítva: Szept 30, 2012
Ilyenre gondolt szerintem.
Igen! Ilyesmire! Ezt csak a zenerek módosításával beállíthatom 230-ra?
A zenerek módosításával olyanra állítod amilyenre akarod.
Sziasztok.
Örököltem nagyapámtól több mint egy tucat elektroncsövet. Sajnos nem értek az erősítőkhöz, sőt alapvetően az elektronikához alig. Még csak most kapiskálom, hogy is működik egy tranzisztor. Viszont értékelném ha lenne belőlünk egy gitár-erősítőm, ami állítható erősségű. Van két varázsszemem, egy EM4-es és egy EM80-as. Az lenne a legjobb ha az EM80-as így működne: http://www.youtube.com/watch?v=Tajp-EPhRIg Az EM4-el arra gondoltam, hogy talán mutathatná az erősítés nagyságát, bár nem tudom hogy ez megvalósítható-e. A többi elektroncső: 1db EF40; 1db EZ81; 2db EL84; 2db ECC83; 2db EBF89; 3db EZ80; 3db PL84. Ha valaki egy megvalósítható tervet ad, és működik akkor hajlandó lennék oda adni a visszamaradt csövek egy részét (vagy az egészet akár). Köszönöm a figyelmeteket és a válaszokat, remélem sikerülhet. A hozzászólás módosítva: Szept 30, 2012
Ja, és jó lenne ha bele férne egy hátizsákba.
Apám tele a net csöves cuccok rajzával, nézz körül
google -- > tube amplifier el84 (kereséskor csak a cső tipusát változtasd) és annyi rajzot fogsz találni mint a ..... Üdv !
Az első ellenütemű erősítőm...
Sziasztok!
Van értelme NVCS-t szabályozhatóra megcsinálni? NVCS-t A hozzászólás módosítva: Okt 2, 2012
Inkább csak beállíthatóra. Egyszer mérés közben beállítod, és kész passz. Ha működés közben is szabályozni akarod, akkor már úgy hívják, hogy hangszín szabályzó.
A most a kapcsolási rajz szerint 39kohm van rajta.
Kapcsolhatónál ezt kapcsolom rá vagy semmit, vagy lenni kell rajta ellenállásnak? Mondjuk 39kohm egyik állásban a másikban 1,5kohm.
Alapvetően a negatív visszacsatolással az erősítő teljes erősítését állítod be. Ha nem csatolsz vissza semmit, akkor az erősítőnem nyílthurkú erősítése lesz, amit az nvcs -vel csökkentesz, a megfelelő értékre. Az nvcs alkalmazásával a frekvencia menet egyenletesebb, a torzítás kisebb lesz. Ha nem alkalmazod, akkor erről mondasz le. A megfelelő érték azt jelenti, hogy optimumot tudsz beállítani az erősítés, és a frekvencia menet, és torzítás között. Ezt én így kapcsolási rajz alapján csak rengeteg számítással, vagy szimulátorral tudnám megmondani. Úgyhogy, ha megépítetted a kapcsolást, akkor a visszacsatoló ellenállás (a rajzon a trimmer) értékét kísérleti úton tudod beállítani, mérve az erősítést (bemeneti, és a terhelésen megjelenő feszültség viszonyát) különböző frekvenciákon, és a hozzájuk tartozó torzítást. (a legegyszerűb esetben harmonikus torzítást)
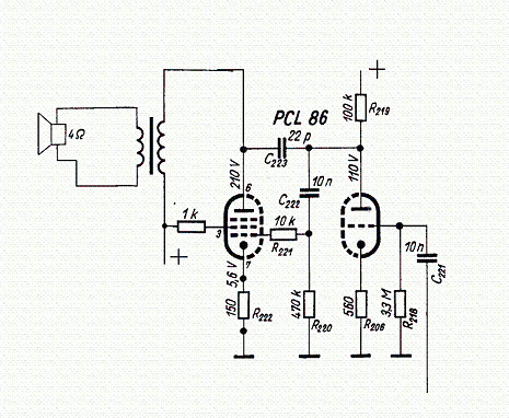
Sziasztok! Készítek egy most már szépen "összeszedett",bedobozolt PCL86SE-t. A Müszi-féle Videoton (TA5201) TV-ből adoptált kapcsolást raktam össze,új alkatrészekkel. Olyan módosítással hogy a csatoló kondi az 100n,valamint a rácslevezető ellenállás nem 3,3M,hanem 1M. Illetve 1-1 katódelkót tettem bele 100µF/25V. Ezt a kapcsolást már összeraktam és akkor nagyon szépen szólt. De így most új alkatrészekkel összerakva kicsit keveslem a mélyeit.. (esetleg annyi van még hogy a 22p helyett 15p-t találtam,nem tudom hogy ez csinálhat e ilyet?)
Szia! A fizika törvénye miatt, bármilyen módosítás hatással van a rendszerre.
értem.. Nos találtam egy 33p-t és mindjárt kiderül,hogy mennyivel lesz "dögösebb" a hangzás..
Az én "olvasatomban" az a 22pF egy magasfrekis ellencsatolást végez(gerjedés gátló) . Ezt minél nagyobb értékűre emeled, annál lejjebb megy a felső sávhatár - emiatt lehet hogy majd "dögösebbnek" fogod hallani.
Ha tévednék, javítsatok ki.
Vedd ki belőle szerintem a katód kondikat és próbáld úgy. A 22pF nem gondolom, hogy hallható frekvenciákon beleszólna a képbe. Az első fél rácslevezetője lehet akár nyugodtan 470K is.
A hozzászólás módosítva: Okt 3, 2012
Jól gondolod.
Csak ne lenne a végén az ominózus mondat. Ettől kiráz a hideg. Vagy direkt szívatsz?
Egy kis segítséget szeretnék kérni a tisztelt hozzá értőktől. Az elektroncső.hu oldalon találtam ezt a kapcs rajzot. ECC83 és EL84 se erősítő . Szeretném megépíteni , de szerintem a csövek lábait rosszul számozták . Valóban rosszul van számozva vagy én nézem rosszul a rajzot. Valaki megépítette már ezt az erősítőt ? Előre is köszönöm a segítő szándékú választ .
Szia! Kimenőnek a kép jobb oldalán látható tv kimenőt használtad ? Üdv.
Nem.. a kép jobb oldalán lévő trafó,az egy képkimenő trafó,amely 230/12,6V.. ezzel fütöm a PCL86-ot. A kimenő egy Orion tv kimenő,de átcseréltem egy VT/TV kimenőre,hiszen a kapcsolás is VT-s kapcsolásból adoptált.
(A képkimenőt hangkimenőnek használva,nem jó,mert szinte egyáltalán nincsen magas hang.. )
Akkor itt van a kutya eltemetve. A TV -k eredeti kimenője kissé "mélyhiányos" a kis méretük miatt. Ez egy jobb hangsugárzóval fel is tűnik. TV -kben nincs nagyon szükség 70 - 100 Hz alatti átvitelre, mert a beépített hangszórók amúgy sem sugározzák le. Ettől még lehet növelni a katód ellenállás hidegítő kondiját is.
A hozzászólás módosítva: Okt 3, 2012
Úgy van ahogy mondtad.. a 33p-tól jobb lett,legalább is jobbnak hallom..
![]() bakos13gab: Kicseréltem 470k-ra,de vissza is tettem az 1M-át,mert sípolt rendesen,amikor a jack nem csatlakozott rendesen..
Azaz a 10n-t tornásszam felfelé.. és füleljek?
Igen, mindkét csatoló kondi 10 nF helyére tegyél 47 - 100 nF ot.
|
Bejelentkezés
Hirdetés |


A légrés kérdés is kiváncsiság


