Fórum témák
» Több friss téma |
Fórum » Inverteres hegesztőtrafó
U57 és U59 ferritmag régi fekete-fehér TV-ből termelhető ki.U46 magra nem tudok forrást a vásárláson kívül.
Én régebbi TV-kből, monitorokból bontottam (szinte minden méret megtalálható, ha nem pont szimmetrikus "U", az nem baj; pl. egyik szára négyszög, a másik kör). Amelyikben nem betét van, hanem aszimmetrikus légrésű, az jó lesz fojtónak, vagy flyback rendszerhez (esetleg lecsiszolható, nem nagy ördöngösség).
A hozzászólás módosítva: Okt 27, 2012
Szeretném előre bocsátani,hogy nem a sértődés vagy harag miatt reagálok a főpanel tervemmel kapcsolatban és nem is személyesen kala1982a fórumtársnak,hanem mindenkinek mondanám.
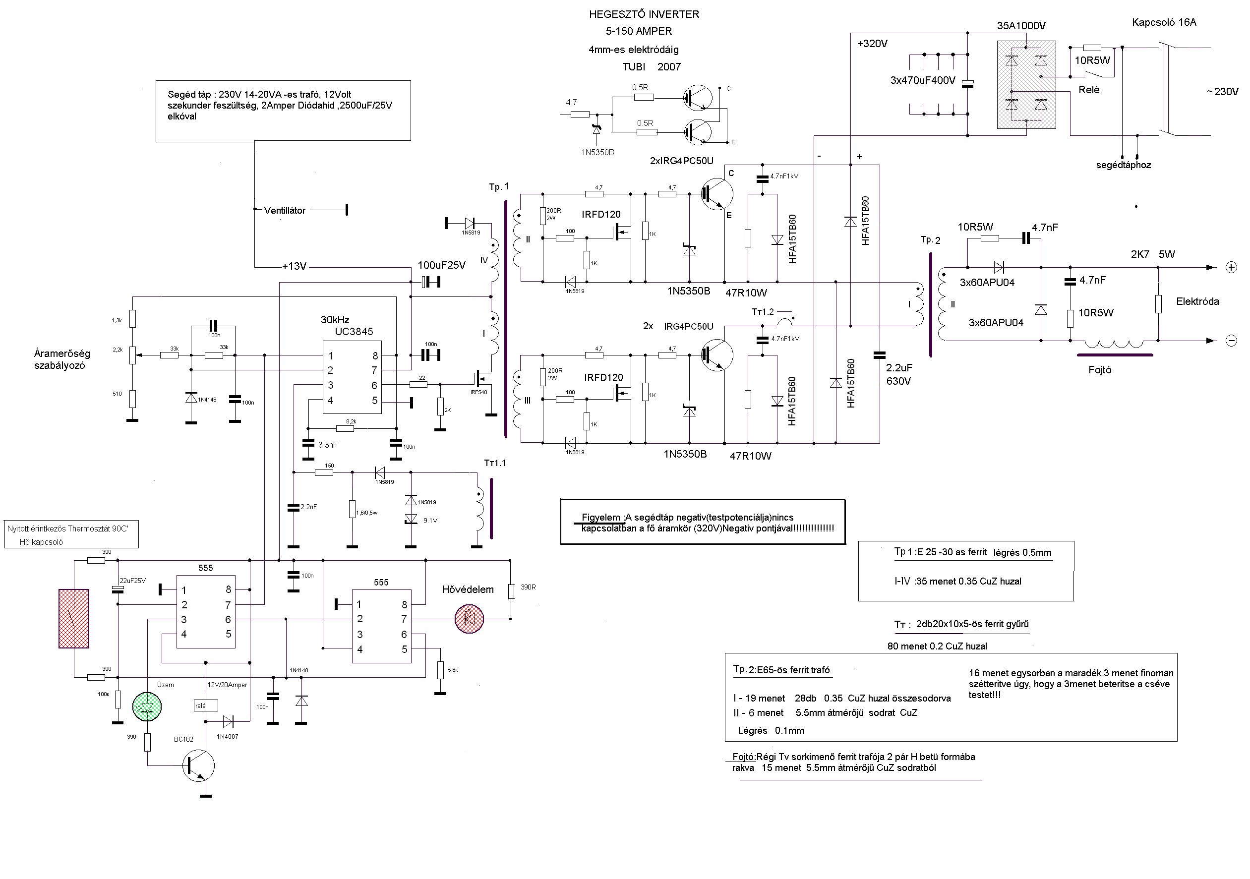
Valóban nem értek a paneltervezéshez,a kényszer szülte,mert az előző fórumon (katt,Tubi,Dara és még mások is elmondhatják) a Mi fórumunkhoz képest,rendkívül minimális adat,leírás,rajz állt a rendelkezésünkre a tapasztalatokról nem is beszélve,panelterv hegyek pedig nem léteztek.Tehát megalkottam a paneljaimat,megépítettem a gépemet, 2008. jun. 07. adtam hírül elkészültét (vissza lehet keresni a Terminálon),elsőre,csont nélkül működött és működik is a mai napig.Még további 2 gépemben működik picit módosított főpanel,melyek majdnem megegyeznek az elsővel (itt a HE fórumon fent vannak),hiba nélkül.Ettől még lehet ez egy hibás főpanel,nem vitatom.Én most is azt mondom,berobbantam fórumtársunknál nem a panelok a hibásak,hiszen Tubiéval sem és az enyémmel sem lett jó a gépe,valami más hiba van.
Gondolom a kivitelezés is lehet gond! Ha neki lennék inkább próbálkoznék egy integrál áramkörös gate meghajtással!
Helló
Neked és Tubinak is válaszolnék.Teljes mértékben meg vagyok győződve,hogy a hiba nálam van.Csak nem tudom,hogy mi.2 vezérlés 2 igbt panel.És mindkettőnél pukkant az igbt.Tehát máshol kell legyen a bibi.Rá kéne jönnöm,hogy hol.Képeket pár napon belül fogok készíteni.Készülget a szétégett panel pótlása.Utána végigfényképezem az egész masinát és valahogy felteszem ide.Hátha Ti láttok valamit amit én nem
Várjuk a fotókat! Addig is keress kutass!
Tedd ide azt a rajzot miszerint bekötötted a fő trafót a fojtót és a kimeneti diódákat
Ha nagyon nem néztem ba valamit akkor valami ilyesmi.A maci eredeti rajz alapján volt összeállítva a kimenet.Aztán a kiegészítő panel miatt a folytó átkerült a pozitív ágba.De holnap ezt is végigbogarászom mégegyszer
A hozzászólás módosítva: Okt 27, 2012
Ezzel akkor nem is lehet hiba! többször meg lett építve mások által is! Milyen IGBT-t használsz?
A hozzászólás módosítva: Okt 27, 2012
Irg4pc50ud volt eddig.A frekim 30-35 khz közt van elvileg és a főtrafó miatt nem is nagyon mehetek feljebb.Te ajánlottad a hgtg vagy ikw tipust.A hgtg-ben találtam jó áron b3d jelűt de mások azt mondják ez sem teljesen tökéletes választás.Most már nem is nagyon tudom mit kéne vennem.
Ehhez a frekihez az az IRG4 tipus jó is 4db 130A-re! HGTG -be a 20N60A4 vagy 30N60A4 t ajánlottam vagy az IKW 50N60-T is magasabb frekihez kiváló csak ezek ugye nem olcóba kerülnek! Én ezeket használom, de az én vezérlésem 57KHz megy! Ez a freki az IRG4-nek sok! 10A alatt van ezen a frekin az pedig pukk!
A hozzászólás módosítva: Okt 27, 2012
Akkor azt hiszem maradok az irg-nél.Végül is eddig sem avval volt a hiba.Másnál már bevált nekem is jó lesz és az ára is emberi.
Mérted a frekit a vezérlésen? Mennyi? Az IGBT-k alá és a HFA diódák alá milyen szigetelést tettél?
A hozzászólás módosítva: Okt 27, 2012
A frekit nincs mivel megmérnem.Csak egy mezei multim van.A szigetelés az igbt-k és a hfa diódák alatt az a szürke gumilap.Pc tápból bontottam őket.A lefogató csavarok alá pedig azokat a fehér műanyagokat tettem.A bordán nem látszik,hogy oda ütött volna át valami
Azért én megmérném, hogy nincs-e zárlat a bordához képest! A frekit is meg kell mérni. kérj egy multit ami tud mérni frekit!
Csak beleköhögök, aztán lehet én voltam figyelmetlen, így további csönd marad utánam, ha tévednék...
![]() De! Nekem az szúrt szemet, hogy a gate- meghajtás 200ohm-os ellenállásai állítólag nem melegednek. Régebben én is megépítettem egy ilyen meghajtást, nekem is melegedtek azok az ellenállások. Nem lehet a meghajtásnál mégis valami, még ha multival mérve van is ott feszültség?
A következő összeszerelésnél meg fogom mérni.Multit is megpróbálok keríteni hátha összejön.Egyenlőre főpanel és fotózás.
Hűtve volt ventillátorral, talán azért nem melegedett. Persze, lehet az is, hogy mindkét szekunder fordítva volt bekötve. Az nagy baj...
A szigetelések a félvezetők alatt is több problémát felvet. A csavar kiszigetelése szintén. Az, hogy nem lehet látni egy esetleges áthúzás nyomát, nem jelent semmit, ettől még lehetett. A fotókból sok minden kiderül(het). Hátha rájövünk valamire, olyan nincs, hogy nem lesz jó. Ilyenkor nem szabad merőben más kapcsolást megcsinálni, vagyis nem szabad áttérni mondjuk ic-s meghajtásra. Azzal is van probléma, méghozzá sok. Ez a trafós a legegyszerűbb és a célnak talán a legjobban megfelelő. Az IRF540-es FET a gatemeghajtó trafó primer körében nem szállt el?
Úgy látom katt,zolee1209 és Tubi is támogatnak az általam említett hibákkal kapcsolatban,kérlek fontold meg a tüzetes átvizsgálást,alkatrészről-alkatrészre.A két frekvencia beállító elemet (8,2k és 3,3nF) meg tudod mérni a multiddal?Mérd meg őket.Ha az ellenállás és a kondi értéke is kisebb mint az előírt érték akkor a frekvencia nagymértékben eltérhet a magasabb érték felé s az már nem jó.Vegyük az alapértékeket,az ellenállás pontosan 8,2k a kondenzátor pontosan 3,3nF akkor az UC3845 kimeneti frekvenciája 31851Hz lesz vagyis 31,851kHz.Ha az ellenállás 8,1k a kondenzátor 3nF (ezek nem is annyira nagy eltérések az eredetihez képest),de a kimeneti freki már 35,39kHz lesz,tehát nagyon fontos a két alkatrész értéke.Mutatom a képletet,magad is számolhatsz, f= 1,72/RxC és a végén az eredményt osztani 2-vel,mert az UC3845 felezi a kimenetén a belső frekvenciát.Az ellenállás értéket Mohm -ban a kondenzátort µF-ban megadva Hz -ben kapod az eredményt.Tehát R=8,2k=0,0082M,C=3,3nF=0,0033uF,ezek szorzata 0,000027,most az 1,72/0,000027=63703,703Hz ezt osztani 2-vel =31851,851Hz=31,851851kHz.Kondenzátornak ne kerámia kondenzátort használj.A két alkatrész közül bármelyik értékét módosíthatod annak érdekében,hogy meglegyen a megfelelő frekvenciád.
Lehet, hogy megvan a hiba. Régen a tubi 150A-es rajzát kezdtem el építeni amibe a poti alsó és felső állásában lévő ellenállás más. Átraktam 1,3k-ról 1,8k-ra és a hiba megszűnt. Ha visszarakom akkor az alsó állásban lévő ellenállás értékét kell növelni? Ez hatással lesz a kimenő teljesítményre?
Tudom, hogy ez itt nem a reklám helye, de talán elnézitek nekem a dolgot! Hanzi (Leiszt János) Árul frekimérőt ugyanolyan dobozba mint az LCM3 műszer kb 6700 postával, műszerdoboz nélkül 2000-el olcsóbb szerintem megéri. Mindenesetre olcsóbb mint egy garnitúra IGBT!
Emlékszem erre az elrendezésre,akkor is mondtam,hogy ne legyen bent a másik ellenállás,mert idővel tévútra vihet! A poti valamint az alsó és felső ellenállás hálózat határozza meg a kimenőáramot,rövidre véve a magyarázatot.A szóban forgó ellenállás módosítására akkor van szükség,ha a potencióméter nem az előírt értékű,mint a Te esetedben is.Tehát,most jó,nem kell bántani semmit,azt a másik ellenállást ki is veheted.Ebben a helyzetben az alsó ellenállás módosításával semmire sem mennél,nem akarok hozzá létánya hosszú magyarázatot írni a fent leírtakból következik.Még egyszer leírom,a felső ellenállást ami az UC3845 8. lábára (Uref) csatlakozik akkor kell módosítani,ha a potméter nem az előírt értékű hanem kisebb.Az alsó ellenállás,mely a testre csatlakozik,akkor kell módosítani (növelni),ha nem kívánjuk a gépet max. 160A áramon járatni,gondolva a háztartások 16A kismegszakítójára.A növelt alsó ellenállás értékkel kb. max. 130A vehető ki a gépből,szerintem ez elég is otthoni körülmények között.Ha én a traktoromat meg tudtam hegeszteni ilyen 130A beállítással (2,5mm elektródával) akkor biztosan mások is képesek lesznek a géppel otthon barkácsolni.Attila,remélem érthető a magyarázat,de ha valami még nem tiszta,nem érthető követelem
,hogy kérdezz!
Így igaz.Ez a frekimérő a fórumon is elérhető,én is megépítettem anno s nekem is Jani küldte programozva az IC-t.Pontossága bőven jó és nem bonyolult,bár a pic-ket programozni kell,nekem is mindig a mikrovezérlő jelenti a gondot.Hála Leiszt Jánosnak és még sok más személynek,ezek a gondok is megoldhatók a programozni nem tudók legnagyobb örömére.
Akkor most lényegében 1,8k-s ellenállás pont jó mert kisebb a potim (2k), az 510ohm-es alsó ellenállással meg még mindég a max 160A-ra van beállítva.
Holnap kipróbálom élesben is, és rakok fel képet. Aztán ha minden rendben van jöhet a dobozolás.
Attila,a Teremtő áldjon meg egy sikeres próbával,megérdemled!
Gábor, mit szólsz azokhoz a gyári 250A-s inverteres hegesztőkhöz amivel nálunk tele van a piac. Tudják is azt a 250-et ami rájuk van írva? 100-150USD közt mozog az áruk, de az enyém még doboz nélkül is nagyobb.
Nem tudom,milyenekről van szó,de nézd meg az adattáblájukat,hogy a 100% bekapcsoláshoz mekkora áram tartozik,lehet,meg fogsz lepődni.
Helló Mindenkinek
Először is szeretném megköszönni a biztatást amit Tőletek kapok.A 200 ohm ténylrg nem melegedett most,de igazából nem is ment sokat a gép.Max 1 perc volt.A két bordát egymásba fűztem kb 2 centit így a venti az igbt panelra is ráfúj.Ráadásul ez egy mikró venti szóval kotorja a levegőt rendesen.Első nekifutásra ezt megcsináltam,hogy lekapcsolható legyen.Így télen is valamennyire jobban fogja viselni a gép a hideget.A beépített ellenállás nem huzal volt hanem metal oxid.Adatlapja szerint 600 voltot bír és új volt mindkettő.A kapcsolást sem áll szándókomban megváltoztatni.Elindultam egy úton.Oké ez elég rögös számomra,de úgy gondolom ha most visszafordulok és keresek egy másikat az semmivel sem lesz könyebb.És talán a tapasztalat is kevesebb.A vezérlőpanelt egyenlőre nem csinálom újra.Gate trafót tekertem másikat.Csináltam pár képet.A vezetéket felvezettem a cséve tetejére.Rögzítettem szalaggal,majd a felmenő szálra is tettem egy szalagot.Föntről lefelé megtekertem a 35 menetet.Kivezetés a paneltervnek megfelelő helyre.Kapott a szalagból szigetelést majd jött a következő tekercs.Minden tekercs így készült és 1 irányba van tekerve.A kivezetések is tuti jó helyen vannak.Ha ez így nem megfelelő mondjatok egy tuti módszert és újratekerem.A trafó álló elrendezésű ezért készítettem így a tekercseket.Az irf 540-et le fogom ellenőrizni ha kibányászom a vezérlő panelt.Ha a fet teszterrel jót mutat akkor gondolom mehet vissza a helyére.A frekvenciát beállító alkatrészek egy érdekes kérdés.Az ellenállás 1%-os pontosságú,ennél pontosabbat szerintem az én multim sem mér.A kondi viszont kerámia.Az a lapos barna kerek tipus asszem 50 voltos.E helyett milyet javasolsz?Vegyek tantált?És végül pár kép a trafó tekeréséről.Ahogy haladgatok úgy teszek mindíg képeket a meglévő részekről. |
Bejelentkezés
Hirdetés |









,hogy kérdezz! 

Holnap kipróbálom élesben is, és rakok fel képet. Aztán ha minden rendben van jöhet a dobozolás.



