Fórum témák
» Több friss téma |
Idézet: „Nincs valami sokkal olcsóbb megoldás?” Lehet venni feleennyiért magyar gyártású trafókat is, nem kötelező külföldi import cuccokat nézni... A Lomex árlistájában találsz pl. Makrai gyártmányúakat, egy 10VA-es nagyjából nettó 900 Ft.
Sziasztok !
A TCP-S AC-24V 50W Weller pákámhoz szeretnék egy tápegységet építeni. A fiókomban található toroid lenne a lelke. Gondolom nem csak annyi az egész , hogy rákötöm a pákát az AC24V kivezetésére és megy. Esetleg egy kapcsolási rajzot tudni valaki küldeni ?
Szia!
Lehet, hogy furcsán hangzik, de alapból ennél több nem kell.
Se egy pufferkondi , se szűrés se semmi ?
Lehet, hogy mégis kellene egy PIC-es szabályzó...
Megalkuvó vagy... egy jó kis mikrokontroller, meg hozzá LCD kijelző, ami mutatná a feszültséget meg az áramfelvételt mondjuk
Miért jó, hogy tudjam a feszültséget ?
![]() Van itthon analóg árammérő modul, azt terveztem még beleépíteni a dobozkába és látom mikor van felfűtés. ![]() Egyébként én ATmega párti vagyok , egyszer talán lesz LCD-je is a wellernek ![]() Köszönöm a segítséget !
Sziasztok !
Gyors segítségre volna szükségem van egy villanymotor aminek a meghajtásához szükségem lenne tápegységre de nem tudom milyent vagy honnét tudok venni! A fél országot körbetelefonáltam de mindenki csak csóválja a fejét ! Ami a motorra van írva : 100v DC AMP 0,5 Max Watt 49 Kérlek segítsetek ! Köszönöm ! A hozzászólás módosítva: Dec 17, 2012
Szia !
Rendkívül bonyoloult a dolog, de megpróbálok válaszolni: -Valószinűleg egy 100V-os egyenáramú motort birtokolsz, ami- mivel közel 50W-os-, fél ampert szeretne elfogyasztani, a hozzá illő jóképességű tápegységből. Szóval ilyen táp lenne hozzá ideális. Egy 230V/70V ac/5---600mA áramot leadni tudó trafóval, és egy graetz híd, valamint egy 2200µF-os kondi alkalmazásával megoldható a dolog.
Ebből így 140V DC lesz, szóval nem az igazi
Kösz a 140 dc az nem faxa
Azért egy 30 ezres motort nem szeretnék tönkre tenni így ...Még mindig szabad a gazda valaki értelmes tényleg segítsen ! Üdv: Kurcy
Ott a megoldás 3 hozzászólással visszafelé:
Idézet: „Egy 230V/70V ac/5---600mA áramot leadni tudó trafóval, és egy graetz híd, valamint egy 2200µF-os kondi alkalmazásával megoldható a dolog.” Esetleg ha értelmeznéd a mondatot.... A hozzászólás módosítva: Dec 17, 2012
Azt jó lenne tudni, hogy a motorod permanens mágnes állórészű, vagy tekercses.
Mert, ha tekercses, akkor - nagy valószínűséggel - sorba van kötve az álló a forgórésszel, ami - általában - azt jelenti, hogy dupla értékű váltakozó feszültséggel is járatható. Egyébként a trafón és a graetz-en kívül nem kell más, lefeljebb egy 100nF-os kondi a kefeszikrázás csillapítására.
ÉS esetleg valami olyan áramkör, ami valami stab IC segítségével mondjuk DC12V-ból szimmetrikus 15V-ot csinál? Vagy akárhány voltból ami azért szabványosabb, mert ilyen sima fali adapterem van rengeteg.
A hozzászólás módosítva: Jan 2, 2013
Ha olcsóbban szeretnéd, mint egy ilyen trafó, akkor el kell keserítselek, nagyságrendileg nem lesz olcsóbb.
Oké, akkor az lesz. Ha nagyon szépen megkérlek összedobsz nekem egy komplett kapcsolási rajzot? Még az lenne a probléma, hogy az 5Vnak ugyanaz a teste mint a +-15V-nak, ilyenkor csak simán összekell kötni a testeket, vagy olyan trafó kell aminek van 5V-os leágazása?
Na még erre gondoltam, 12-13V AC tápegységem van, és ezzel pont azt kapom ami kell, már csak valami spéci stab IC kéne aminek elég ez a 16-18V ahhoz hogy stabil 15V-ot csináljon. Legjobb lenne ha a Conradból megtudnám rendelni, akkor postaköltségembe se kerülne (kell rendelnem onnan)
Köszi a segítséget!
Lemaradt a kép, ez az egyenirányítás, majd utána mindkét ágon ez a stab IC: Bővebben: Link
Ennek min 17,5V kell, az én trafóm 13Vac * gyök2 = 18,3V lenne terheletlenül. Az 5V meg külön egy telefontöltőból lenne csinálva. Jó lenne ez a megoldás? A hozzászólás módosítva: Jan 2, 2013
Rájöttem hogy a 12V kevés lenne. Viszont maga a trafó nem drága, de összességében mégis, mert ha megrendelem a két trafót 1500Ft + 1000Ft posta, akkor utána a stab IC-ket meg az egyéb alkatrészeket, dugót a végére stb az legalább 1500Ft + 1000Ft posta, ekkor már 5000Ft-nál járok ami sok. Ezért szeretném inkább a fenti kapcsolást használni, mondjuk egy 16V AC trafóval már jó is (az is van otthon). Ehhez hogy kell bekötni a stab IC-ket, jó lesz a fent belinkelt stab IC? (mondjuk egy L7815CV az ebayről vagy ez a conrados). Ha ez működik akkor megvagyok max 500Ft-ból.
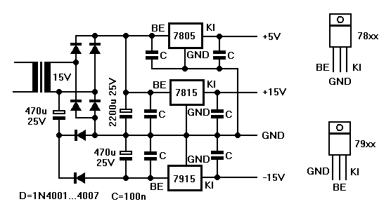
A 15V-hoz 7815/7915 esetén legalább 15VAC fog kelleni, ha 2x egyutas egyenirányítást használsz (úgy, mint a sárga ábrán). Meg áganként minimum 1000µF 35 Voltos elkó.
Trafók+egyenirányítók+kondik+stabilizátorok együtt kb. 2500 Ft nettó lenne a Lomex árlistáján. A hozzászólás módosítva: Jan 3, 2013
Nem kell két trafó... Persze minden attól függ, amit nem írtál: mekkora áramok folynak az egyes kimeneteken.
Rajzoltam Neked egyet, ami megfelelhet a következő feltételekkel: - a plusz 15V-on 5...10mA-rel mindig nagyobb terhelésnek kell lennie (ez könnyen teljesíthető, ha egy LED-et teszel erre a kimenetre - amire egyébként is szükség lehet, vagy a 7805 bemenetét erre a kimenetre kötöd. Ekkor viszont ennek az áramát is biztosítania kell a 7815-nek) A hozzászólás módosítva: Jan 3, 2013
Nagyon szépem köszönöm!
Még arra szeretnélek megkérni, hogy rajzold be légyszives az alkatrészek értékeit! (kondik, diódák) Illetve ehhez hány VAC-nak kell lenni a trafónak?
Írd meg a terheléseket, vagy a kimeneten megkívánt áramokat!
5V/600mA
+15V/200mA - 15V/200mA Persze nem baj ha van egy kis ráhagyás.
Oké, beírtam a rajzra az értékeket...
A trafónak 230/15V-os min.15, de inkább 20VA-esnek kell lennie. (15V 2x0,2A = 6VA és az 5V 0,6A-nél is 15Vx0,6A = 9VA-rel kell számolni, amiből 6W veszteség. Ez alakul hővé a 7805-ön, tehát szép hűtőbordát igényel, ha ezt ki is használod) A 100nF-os kondik helye a stab IC-k lábaihoz minél közelebb legyenek és ügyelj a negatív stab IC eltérő bekötésére is: GND, BE, KI a sorrend. A 7805 melegedését csökkentheted, ha a bemenetével sorbakötsz egy (régi?) kerékpár-izzót, ami 6V 3W. Ez teljes fénnyel fog világítani fél A terhelésnél,miközben 6V-tal kevesebb jut az IC-nek. A hűtőfelület megfeleződik, és még fényt is kapsz, ami majdnem olyan jó, mint egy mA-mérő: kis gyakorlattal megítélhető a kimeneti áram... A hozzászólás módosítva: Jan 3, 2013
Nagyon szépen köszönöm!
Az IC-knek ugye úgy van a bekötése a rajz szerint mintha ugyanúgy fordítom magam felé (a feliratot). |
Bejelentkezés
Hirdetés |













