Fórum témák
» Több friss téma |
Fórum » LM1036 sztereo hangszínszabályzó áramkör
Témaindító: Krajcsooo, idő: Máj 29, 2006
Témakörök:
Szia!
Igen. A sorrendet rontottam el, mikor terveztem a nyákot, akkor rossz vonalakat kötöttem össze Aztán most úgy van a sorrend, hogy hangerő, magas, balansz és bassus. De végül is nem olyan vészes.
Én is ilyesmire gondoltam, ha nincs hozzá kész feliratozott doboz akkor nem vészes a sorrend.
Többszöri kísérletezgetés során, én sem vagyok elragadtatva tőle. Nem rossz, de nem egy nagy hangminőség, egyszerű, aszimmetrikus tápot igényel, ami azért előny.
Én éppen fordítva csalódtam benne.
Borzasztóan idegenkedtem tőle, aztán mikor meghallgattam sokkal jobb volt mint azt remélni mertem volna. Persze nem a több ezer Eurós kategória, de elvitathatatlanul életképes, utánépítésre javasolható darab.
Szerintem árkategóriába tökéletes. Aki meg jót akar, az úgyis épít valami csöves előfokot.
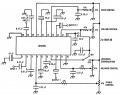
Sziasztok! Erre a végfokra szeretném rávinni a LM1036 - ra épített hangszín szabályzót. Az IC 8-as, 13-as kimenetén milyen kondit használjak. Köszi!
Potikra nagyon érzéken ez is, én ilyen Bővebben: Link csak 77Ft-os lomexes kivitellel csináltam meg, de recsegnek szabályozás közben. Rendes potikkal lehet jobb eredményt értem volna el.
10mikro elektrolit, alu vagy tantál. Aluval is működik, én tantált tettem bele a minap, nem sokkal jobb, mert a potik miatt ígyis recseg.
A 10k bemeneti ellenállású erősítő és az LM1036 közé 2,2µF csatoló kondenzátort javasolok, fólia kivitelben. A csatolás 7,2Hz-es felül-áteresztő szűrőt alkot.
A 8-as 13-as láb a kimenete, oda 10u-t ír minden kapcsolás. Mondjuk nekem nincs előtte műveleti erősítő, és 470nF fólia van a bemeneten.
Az LM1036 bemeneti ellenállása 30k körüli, 470nF-dal csatolva 11,3Hz töréspontú a mély hangok vágása. Felesleges ettől eltérő csatolást készíteni a kimenetre.
Tehát a 8 as, 13 as kimeneti lábakra 2,2µF-os fólia kondenzátort javasolsz. ? LM1036
Reloop erre a két kondenzátorra gondolt, amit én pirossal jelöltem, nekem ott 470nF van, de nincs a kapcsolásban az 5532, a hangkártya kimenete a 1036-ra csatlakozik, nincs közte egyéb erősítő fokozat. Én a kimenetre írtam (8-as 13-as láb) a 10µF-ot alu vagy tantál elektrolit, (fólia kondi 10µF-os kivitelben már nagyon nagy méretű lenne ide).
A hozzászólás módosítva: Jan 14, 2013
A potméterre való érzékenységben biztos vagy? Nekem csak kevés tapasztalatom van ezzel az áramkörrel, de az egyértelműen azt mutatja, hogy szinte bármilyen "szemét" jó poti helyett. A hang nem megy át rajuk, csak egy minimális áramú DC-t szabályoznak, tehát nem látom indokoltnak a potméter cifrázását.
Szia! A rajzodon C22 és C23 a kicsatoló kondenzátor. Értékét nem a meghajtó (LM1036), hanem a fogadó áramkör határozza meg. A kapacitás tetszőlegen nagy is lehet, csak amíg fel nem töltődik bekapcsoláskor illetve kikapcsoláskor ki nem sül addig jelentős egyenfeszültséget kap a következő fokozat. Célszerű az értékét az átvinni kívánt legmélyebb hang alá méretezni, de csak 1-2 oktávval.
Amennyiben az LM1036 közvetlenül egy végfokot hajt meg aminek a bemenetén amúgy már van csatolókondenzátor, akkor a C22, C23 teljesen felesleges.
Érdekes, én is erre gondoltam előtte, de miközben szól a zene és tekergetem bármelyik potmétert recseg a hang, olyan mintha kontakthibás lenne. Pedig nem sokat lettek még csavargatva.
Minden poti után 47k/100nF szűrés van, azon nem juthat át recsegés.
Nekem egy LM3886-ot hajt, annak a bemenetén 1µF mkp van, közvetlen hajtva pc-ről az lm-et szépen szól, kipróbálom majd hogy kiveszem a 10µF-ot a 1036-ból.
Nálam 47k/220n mégis recseg, de mitől?
Többnyire a kondi a gyanús (pl. a valóságban 220pF).
Sziasztok! Esetleg valaki használja ST151es végfokkal? Nem nagyon találtam infot a bemeneti ellenállásról. Mekkora bemeneti csatoló kondit ajánlanátok hozzá?
Az LM1036 dokumentációban leírt 0,01µF 0,39µF 0,47µF 0,22µF stb. Ezeket nano-ban kell értelmezni?
A hozzászólás módosítva: Jan 15, 2013
Így is lehet értelmezni az érték ugyan az, csak ha bemész a boltba és kérsz egy 0.47u-os kondit hülyén fognak nézni rád
Virágboltban igen, de alkatrészboltban megkérdezik mekkora feszültségű legyen, és már mutatnak is pár fajtát.
Nem azt mondtam, hogy nem tudják miről van szó hanem azt hogy hülyén néznek, mert ez egy helytelen használata a prefixumoknak. Egy prefixum számjegye mindig 1 és 1000 közti szám és utána jön a prefixum.
Ez alapján pl. a 0,1 ohm értékű ellenállást "100 miliohm" ként kérnéd?
Nincs értelme ezen túl sokat lamentálni. Tetszik vagy nem, így jelölik a kondikat (fotóztam egyet amit mellékeltem). Egy a lényeg, ha jó helyen van a tizedesvessző és jó értékű "szorzó" van utána, abból egyértelműen ki lehet találni az értéket.
Ez inkább csak elméleti szinten szokott lenni (általában). A való életeben nem ennyire merev ez a szokás.
Csak egy példa. (szerk.: akkor plusz még egy példa...) A hozzászólás módosítva: Jan 15, 2013
.22 63 jelzésű műanyagkondikat pakoltam bele, 22nF-osként kértem a boltban anno több éve. Biztos hogy nem a hibás kondiértékkel van a problémám! Ez a kapcsolás és a nyák amiben most dolgozik:
A hozzászólás módosítva: Jan 15, 2013
Ha zavar a potik rossz sorrendje, könnyen ki tudod javítani pár vezetékkel. Nem is annyira vészes, nem lesz csúnya sem. Az a potitekerő műanyag rúd honnan lett vásárolva?
A hozzászólás módosítva: Jan 15, 2013
|
Bejelentkezés
Hirdetés |




Aztán most úgy van a sorrend, hogy hangerő, magas, balansz és bassus. De végül is nem olyan vészes. 









