Fórum témák

» Több friss téma
Fórum » LM1036 sztereo hangszínszabályzó áramkör
Lapozás: OK   60 / 91
(#) Peti_85 válasza kissadam hozzászólására (») Jan 13, 2013 /
 
Szia!

Igen. A sorrendet rontottam el, mikor terveztem a nyákot, akkor rossz vonalakat kötöttem össze Aztán most úgy van a sorrend, hogy hangerő, magas, balansz és bassus. De végül is nem olyan vészes.
(#) kissadam válasza Peti_85 hozzászólására (») Jan 13, 2013 /
 
Én is ilyesmire gondoltam, ha nincs hozzá kész feliratozott doboz akkor nem vészes a sorrend.
(#) kissadam válasza Gyimate hozzászólására (») Jan 13, 2013 /
 
Többszöri kísérletezgetés során, én sem vagyok elragadtatva tőle. Nem rossz, de nem egy nagy hangminőség, egyszerű, aszimmetrikus tápot igényel, ami azért előny.
(#) Alkotó válasza kissadam hozzászólására (») Jan 13, 2013 /
 
Én éppen fordítva csalódtam benne.
Borzasztóan idegenkedtem tőle, aztán mikor meghallgattam sokkal jobb volt mint azt remélni mertem volna. Persze nem a több ezer Eurós kategória, de elvitathatatlanul életképes, utánépítésre javasolható darab.
(#) Gabó hozzászólása Jan 13, 2013 /
 
Szerintem árkategóriába tökéletes. Aki meg jót akar, az úgyis épít valami csöves előfokot.
(#) mraulajos hozzászólása Jan 13, 2013 /
 
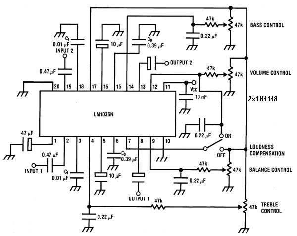
Sziasztok! Erre a végfokra szeretném rávinni a LM1036 - ra épített hangszín szabályzót. Az IC 8-as, 13-as kimenetén milyen kondit használjak. Köszi!

TA1050-2.jpg
    
(#) kissadam válasza Gabó hozzászólására (») Jan 13, 2013 /
 
Potikra nagyon érzéken ez is, én ilyen Bővebben: Link csak 77Ft-os lomexes kivitellel csináltam meg, de recsegnek szabályozás közben. Rendes potikkal lehet jobb eredményt értem volna el.
(#) kissadam válasza mraulajos hozzászólására (») Jan 13, 2013 /
 
10mikro elektrolit, alu vagy tantál. Aluval is működik, én tantált tettem bele a minap, nem sokkal jobb, mert a potik miatt ígyis recseg.
(#) reloop válasza mraulajos hozzászólására (») Jan 13, 2013 /
 
A 10k bemeneti ellenállású erősítő és az LM1036 közé 2,2µF csatoló kondenzátort javasolok, fólia kivitelben. A csatolás 7,2Hz-es felül-áteresztő szűrőt alkot.
(#) kissadam válasza reloop hozzászólására (») Jan 13, 2013 /
 
A 8-as 13-as láb a kimenete, oda 10u-t ír minden kapcsolás. Mondjuk nekem nincs előtte műveleti erősítő, és 470nF fólia van a bemeneten.
(#) reloop válasza kissadam hozzászólására (») Jan 13, 2013 /
 
Az LM1036 bemeneti ellenállása 30k körüli, 470nF-dal csatolva 11,3Hz töréspontú a mély hangok vágása. Felesleges ettől eltérő csatolást készíteni a kimenetre.
(#) mraulajos válasza reloop hozzászólására (») Jan 14, 2013 /
 
Tehát a 8 as, 13 as kimeneti lábakra 2,2µF-os fólia kondenzátort javasolsz. ? LM1036
(#) kissadam válasza mraulajos hozzászólására (») Jan 14, 2013 /
 
Reloop erre a két kondenzátorra gondolt, amit én pirossal jelöltem, nekem ott 470nF van, de nincs a kapcsolásban az 5532, a hangkártya kimenete a 1036-ra csatlakozik, nincs közte egyéb erősítő fokozat. Én a kimenetre írtam (8-as 13-as láb) a 10µF-ot alu vagy tantál elektrolit, (fólia kondi 10µF-os kivitelben már nagyon nagy méretű lenne ide).
A hozzászólás módosítva: Jan 14, 2013
(#) Alkotó válasza kissadam hozzászólására (») Jan 14, 2013 /
 
A potméterre való érzékenységben biztos vagy? Nekem csak kevés tapasztalatom van ezzel az áramkörrel, de az egyértelműen azt mutatja, hogy szinte bármilyen "szemét" jó poti helyett. A hang nem megy át rajuk, csak egy minimális áramú DC-t szabályoznak, tehát nem látom indokoltnak a potméter cifrázását.
(#) reloop válasza kissadam hozzászólására (») Jan 14, 2013 /
 
Szia! A rajzodon C22 és C23 a kicsatoló kondenzátor. Értékét nem a meghajtó (LM1036), hanem a fogadó áramkör határozza meg. A kapacitás tetszőlegen nagy is lehet, csak amíg fel nem töltődik bekapcsoláskor illetve kikapcsoláskor ki nem sül addig jelentős egyenfeszültséget kap a következő fokozat. Célszerű az értékét az átvinni kívánt legmélyebb hang alá méretezni, de csak 1-2 oktávval.
Amennyiben az LM1036 közvetlenül egy végfokot hajt meg aminek a bemenetén amúgy már van csatolókondenzátor, akkor a C22, C23 teljesen felesleges.
(#) kissadam válasza Alkotó hozzászólására (») Jan 14, 2013 /
 
Érdekes, én is erre gondoltam előtte, de miközben szól a zene és tekergetem bármelyik potmétert recseg a hang, olyan mintha kontakthibás lenne. Pedig nem sokat lettek még csavargatva.
(#) reloop válasza kissadam hozzászólására (») Jan 14, 2013 /
 
Minden poti után 47k/100nF szűrés van, azon nem juthat át recsegés.
(#) kissadam válasza reloop hozzászólására (») Jan 14, 2013 /
 
Nekem egy LM3886-ot hajt, annak a bemenetén 1µF mkp van, közvetlen hajtva pc-ről az lm-et szépen szól, kipróbálom majd hogy kiveszem a 10µF-ot a 1036-ból.
(#) kissadam válasza reloop hozzászólására (») Jan 14, 2013 /
 
Nálam 47k/220n mégis recseg, de mitől?
(#) reloop válasza kissadam hozzászólására (») Jan 14, 2013 /
 
Többnyire a kondi a gyanús (pl. a valóságban 220pF).
(#) mraulajos válasza kissadam hozzászólására (») Jan 14, 2013 /
 
Köszi, értem miről van szó.
(#) Gergő90 hozzászólása Jan 14, 2013 /
 
Sziasztok! Esetleg valaki használja ST151es végfokkal? Nem nagyon találtam infot a bemeneti ellenállásról. Mekkora bemeneti csatoló kondit ajánlanátok hozzá?
(#) mraulajos hozzászólása Jan 15, 2013 /
 
Az LM1036 dokumentációban leírt 0,01µF 0,39µF 0,47µF 0,22µF stb. Ezeket nano-ban kell értelmezni?
A hozzászólás módosítva: Jan 15, 2013
(#) Gergő90 válasza mraulajos hozzászólására (») Jan 15, 2013 /
 
Így is lehet értelmezni az érték ugyan az, csak ha bemész a boltba és kérsz egy 0.47u-os kondit hülyén fognak nézni rád
(#) Alkotó válasza Gergő90 hozzászólására (») Jan 15, 2013 /
 
Virágboltban igen, de alkatrészboltban megkérdezik mekkora feszültségű legyen, és már mutatnak is pár fajtát.
(#) Gergő90 válasza Alkotó hozzászólására (») Jan 15, 2013 /
 
Nem azt mondtam, hogy nem tudják miről van szó hanem azt hogy hülyén néznek, mert ez egy helytelen használata a prefixumoknak. Egy prefixum számjegye mindig 1 és 1000 közti szám és utána jön a prefixum.
(#) Alkotó válasza Gergő90 hozzászólására (») Jan 15, 2013 /
 
Ez alapján pl. a 0,1 ohm értékű ellenállást "100 miliohm" ként kérnéd?
Nincs értelme ezen túl sokat lamentálni. Tetszik vagy nem, így jelölik a kondikat (fotóztam egyet amit mellékeltem).
Egy a lényeg, ha jó helyen van a tizedesvessző és jó értékű "szorzó" van utána, abból egyértelműen ki lehet találni az értéket.

DSCF4584.JPG
    
(#) BEMcorp válasza Gergő90 hozzászólására (») Jan 15, 2013 /
 
Ez inkább csak elméleti szinten szokott lenni (általában). A való életeben nem ennyire merev ez a szokás.
Csak egy példa.

(szerk.: akkor plusz még egy példa...)
A hozzászólás módosítva: Jan 15, 2013
(#) kissadam válasza reloop hozzászólására (») Jan 15, 2013 /
 
.22 63 jelzésű műanyagkondikat pakoltam bele, 22nF-osként kértem a boltban anno több éve. Biztos hogy nem a hibás kondiértékkel van a problémám! Ez a kapcsolás és a nyák amiben most dolgozik:
A hozzászólás módosítva: Jan 15, 2013
(#) Kovidivi válasza Peti_85 hozzászólására (») Jan 15, 2013 /
 
Ha zavar a potik rossz sorrendje, könnyen ki tudod javítani pár vezetékkel. Nem is annyira vészes, nem lesz csúnya sem. Az a potitekerő műanyag rúd honnan lett vásárolva?
A hozzászólás módosítva: Jan 15, 2013
Következő: »»   60 / 91
Bejelentkezés

Belépés

Hirdetés
XDT.hu
Az oldalon sütiket használunk a helyes működéshez. Bővebb információt az adatvédelmi szabályzatban olvashatsz. Megértettem