Fórum témák
» Több friss téma |
Hello! Sajnos a masina másnap reggel már nem indult. Ugyan azt produkálja mint előtte.
Helló
Koklein elektromos kerékpár szénkefe cseréje érdekelne, már szedtem szét a hátulját ,de nem tudom, hogy jön szét a közepe. Ha valaki cserélt már ilyet légyszi segitsél keke61
Hello! Kiszeded a csavarokat azon az oldalon ahol megy be a motorba a kábel.Aztán beütsz kb.3-4 miliméter mélyen egy csavarhúzót a fedél alá óvatosan eggyik felől,majd vele szemben másik felől másik csavarhúzót,és azzal bírod lassan feszíteni(húzni)lefelé a fedelet mindkét csavarhúzóval egyszerre.Ha lent van,utána megfogod a kereket,és odavágod nagy erővel az asztal tetejére,és lenyomva tartod.Ekkor kiugrik a forgórész ,csak vigyázz,mert az tiszta mágnes,és visszaránthassa,ha nem tartod erősen. Sok sikert!.
Mégis csak működik a kapcsolás.
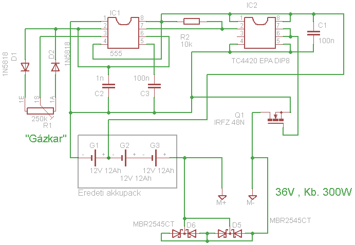
Mivel nincs szkópom, és egy új világ is lenne a használata, ezért nem tudtam megfigyelni, hogy mennyi frekivel vezérel az 555. Kicseréltem a C1-es kondit 10nF-ra, és most már kezd hasonlítani a motor felfutásának a hangja a gyári PWM vezérelte motorok hangjához. Ha kicserélem a kerámia kondit 1 vagy 5nF-ra, akkor úgy érzem, tökéletes lesz. ![]() Beleolvastam a kapcsolás eredeti cikkjébe, így rájöttem, hogy azzal kell játszani. Picit járattam is a gépet, most nem sült be a FET sem. Eddig egy bizonyos idő múltán elkezdett teljesen vezetni, még ha nem is volt a gateján semmi, akkor is, de most már ez a hiba nem áll fent.
Nekem is csinált ilyen problémát nem tudtam szabályozni a motort. (csak kicsibe teszt ként terhelés nélkül) Próbálkoztam egy darabig de az lett a vége hogy a fet megadta magát. Ha szabadna kérni esetleg egy rajzot ami alapján megépítetted lehet megkeresem újra és megpróbálom még egyszer.
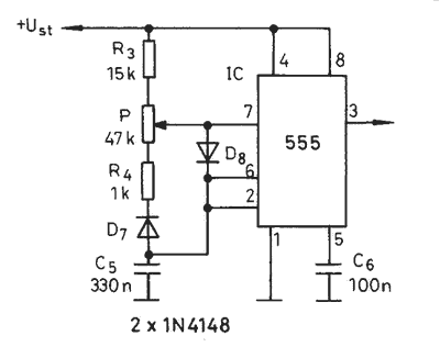
Néhány rajz:
Benyelte.
![]() Szóval 1k felül, több száz k poti alul, 1nF, 3-as lábra 200ohm, BD241, MJ3055, és 4db 2N3055. 555 6V-ról 7805-tel táplálva. Közös negatív pólus. Ha az 555 nem kap negatívot, fullgázon megy a motor! 12V 55W izzó bánta a 36V-os táplálást a negatív nélkül. A hozzászólás módosítva: Márc 11, 2013
Én alternatoros atalakitasba gondolkozok BLCD motorra ha a megfelelo vezerlest tudnak hozza kesziteni eleg eros is lenne, és toltesi uzembe is lehetne kapcsolni ...
Mit értesz alternátoros átalakítás alatt? A BLDC alapból képes a töltésre, a fetek védelme érdekében érdemes külső 3F egyenirányítót használni.
azt ertem hogy az alternatort hasznalom mint motor csak nincs bekotesem hogy hogy lehetseges ezt elerni, csak a neten lattam par helyen hogy hasznaljak hajtaskent is
Sziasztok!
Én az egyik fórumon már kértem olyan elektronikát amivel három fázisú forgó mágneses mezőt állítok elő, azt rákötöm egy autó generátorra és mint motor forgatom és az elektronokával tudom a frekvenciát nővelni-csökkenteni és így a motor(azaz a generátor) fordulata is változik. Annyit azért változtatni kell a generátoron, hogy a nagy diódákat ki kell belőle iktatni a forgórésznek pedig direkt áramot kell adni. Akkor az egyik fórumozó azt javasolta, hogy valami model szabályzóból ki lehet alakítani,(brushless) csak csinálni kell egy végfokot amin kb. 50-70ampernak át kell haladni. A probléma csak az, hogy nem értek ehhez annyira, hogy megtervezzem. az ötlet megvan ha valaki tud valami olcsóbb megoldást én is szívesen kisérleteznék vele. Volt már régebben olyan ötletem, kellene a kerékpárra egy olyan rásegítő, hogy hajtani keljen de lényegesen nagyobb kilóméterre lehessen eljutni és mit látok a kerékpár gyártóknál, ők már állítanak elő ilyen kerékpárokat csak ezeknek a gépeknek igen borsos az ára.Itt az ötlet a kíséletezésbe én is beszállok.
Rendben, holnapra, maximum hétfőig elkészítem a javított változatot.
![]() Sajnálom, ha félrevezetett a rajzom.
Azt hiszem ez lesz az igazi.
![]() Az előző verzióhoz képest kicseréltem az 555 2., és 6. lábán lévő 100nF-os kondit 1nF-ra. Úgy gondoltam, az 555-nek, és a fet drivernek nem elég a 12V, de mostmár rájöttem elég, így a feszstabilizátor is eltűnt, és a greatz híd után, majd az 1 db dual schottky dióda mellé került még egy, így összesen 2 schottky dióda van, és 1 FET. Ez már üzembiztosabbnak tűnik, mint az 1. általam közzé tett rajz. ![]() Aki megépíti, figyeljen rá, hogy a diódák, és a FET ki legyen szigetelve a hűtőbordán, amiből nem kell egy nagyon-nagy, nekem pl egy bankkártya méretű darab van, ugyanaz, mint a fekete dobozkás képemen, és ez is van még mindig. Az akkupack megcsapolását pedig könnyen el lehet végezni, mivel általában olyan 220-as számítógép csati van majdnem mindegyiknél. ...természetesen nekem kulcsos kapcsoló is van egy 40A-es relével. (meghát a motort alaphelyzetben rövidrezáró relé is) Sok sikert. A hozzászólás módosítva: Márc 17, 2013
Helosztok segitséget szeretnék kérni van egy tornádo biciglim aminek a hátsó kereke csapágyas de körben kis csavarok fogják a motort amit nemtudok meginditani,valaki nemtudja bal menetes vagy ragasztvavan,félek lefurni a fejét hátha utána nemtudom majd összerakni.Egyébként külös de ugyanigy van összerakva de jol látható képet nemláttam ezen kivül.
tornádo hátsó kerék A hozzászólás módosítva: Márc 23, 2013
Az enyém jobbmenetes volt. A nem lazuló csavarokat csavarlazítóztam, majd farúddal, alumínium rúddal rákoppintottam kalapáccsal, utána lazult.
köszi megprobálom de egyet tudok utána nem ezzel rakom vissza hanem vagy imbusz vagy hatlapfelyü csavart rakok.
Üdv az elektronikához annyira nem de a szétszedéshez értek, Valóban úgy kell de én gumi kalapácsot ajánlom de azzal lehet kalapálni. Illetve nem tudom mi van egy ilyen kerékben. HA ez valaki megírná van e olyan ami olvad?
Melegíteni szeretnéd? Az már csak a mágnesek miatt sem hasznos.
Igen ezt akartam tudni vannak helyek ahol az ilyen csavarokat felmelegítik és utána lecsavarják. Persze ott nem gond ha meleg lesz.
Ilyen szerszámmal könnyen kilazulna. Bele illeszted a megfelelő hegyet, rá ütsz kalapáccsal a nyelére és teker egyet rajta. Persze a kalapácsos kocogtatástól is meglazulhat, de ez profibb.
Igen a melegítés a menetrögzítőt is oldja.
Neked is az előző hozzászólásomban lévő szerszámot javasolnám.
Ez ám a szerszám. Ilyet be kel szereznem. Igen egyébként meg had tegyem hozzá hogy azért az akác vagy hasonló kemény fával érdemes kalapálni, a fém csak akkor ha fával nem megy. (Láttam olyat aki fűzzel próbálta
)
Nekem van erre egy alu dórnim, de nem használom mióta van ilyen csavarhúzóm.
Jó szép és jó,hogy ezzel könyen lazitok csavart de hol lehet kapni ilyen csavarhuzot.
Kösszi rendelek egyet.Köszönöm mindenkinek a segitséget remélem igymár mennifog a szétszedése
Bővebben: Link
Azt hiszem ez a típus.A vezérlője DYNAMIC DS 100. A vezérlője 7-et pislog mikor elfordítom a kulcsot.Azt olvastam,hogy a gázkar potmétere nem jó pozícióban van.Bármit teszek nem indul.Nem tudnak sehol ilyen potmetert,ezért gondoltam hogy átszerelem egyszerűbbre. A hozzászólás módosítva: Márc 26, 2013
szia tehát a vezérlö halt meg és 36 voltos kell figyu tornádoé nemjo vagy elektromos biciglié szerintem kompatibilisek egymással
Bővebben: Link itt a tornádo alkatrész oldal Bővebben: Link itt meg a vezérlö elektronikák.
anyit még irhatnál van hozzá hall ado gondolom olyan a kormány vezérlö.Esetleg ha azt kitudnád probálni.De amit leirtál többmint valoszinü akkor vezérlös,hogy ha lehuzod a kormány vezérlöt megye tehát a gázkar vezetékeát ugyanis lehet hihetetlenek tünik de forditva müködnek ezek ha megszakad a vezeték akkor fogyamatosan mennie kell ha zár akkor meg megse mukkan a vezérlés.Onnan tudom,hogy nekem elszakadt egyszer a gázkar vezeték és folyamatosan ment a biciglim /tornádo 36 v/ Azért nemtartom jonak a direkt megtáplálást mert az a motor idö elötti tönkremeneteléhez vezethet ugyanis a vezérlö elektronika a motor tulmelegedését is magakadályozza olymodon ha nemkell akkor nemadki plux feszültséget a motornak mivel müködés közben keveseb árm kell neki mint induláskor.Mert irtadf a gázkart ha tényleg az ezzel a modszerrel meglehet rolla bizonyosodni.Mert azt viszont könyen tudjuk orvosolni ha az a probléma.
Hétvégén elutazok nemleszek idehaza de kedden vagyok és segitek ha tudok még. A hozzászólás módosítva: Márc 29, 2013
|
Bejelentkezés
Hirdetés |












Neked is az előző hozzászólásomban lévő szerszámot javasolnám. 




