Fórum témák
» Több friss téma |
köszönöm válaszod szerinted érdemes cserélni,vagy cseréljem ki az egész kínai csoda vezérlőt?
Én első körben megpróbálnám cserélni, egy FET lényegesen olcsóbb, mint egy egész vezérlő. Sajnos a meghajtó áramköre is károsodhatott, érdemes kimérni a többi FET-et is, ha már szét lesz szedve.
Szerintem is megér egy próbát jövőhéten beszámolok mire jutottam addig is köszi a gyors segítségért
sziasztok megjött az új vezérlő összeraktam de nem csinál semmit???? ötlet??
Esetleg az új vezérlőn van külön gyújtáskapcsoló szál. Egy különálló piros. Kösd össze a pozitív táppal (akku).
Az újon nincs de a régin volt, de ha már rákérdeztél melyiket kössem be? Dilemmás mert mert ha az állandóra kötöm gyújtás nélkül is megy ha a gyújtásra nem tudom hogy bírja-e kapcsoló. A nemindulás okát közben megtaláltam a gázkar kiosztás nem stimmelt,átraktam a z érintkezőket és jó lett nem remeg szépen simán fut a kerék.
Jó kérdés. 3 akkus gépeknél relézni szoktak, de sajnos az egyenáramot nem nagyon szokták tolerálni, bár ugye itt nem terhelés alatt kell megszakítani az áramkört. Más gépeknél a kínaiak szívbaj nélkül átküldik a motoráramot a gyújtáskapcsolón, van amelyik bírja, van amelyik nem. A harmadik megoldás, hogy megbontod a vezérlőt, és átkötöd. Szokott lenni egy átkötés a betáptól a panel egy másik pontjára, ide kell kötni a kapcsolót. De sajnos új vezérlőnél ez garanciavesztéssel jár, második legjobb megoldásnak a relézést tartom, de ennek a tartósságáról szerintem egy itt kérdezz utána.
A relére szavaznék ha lenne 36-42 voltos relém bekötném,de csak 24-es van az meg leégne mivel autóvillamosság szerelő vagyok abból is inkább kamionos tudom hogy a legkisebb fogyasztó is hazavágja az akksit ha megcsapolom a pakkot.Rákötöm a kapcsolóra próba szerencse alapon.Visszatérve a vezérlőre kicseréltem a rossznak vélt fet-et a 36-V eltűnt a kék szálról de nem indult a motor ezért maradt az új.Köszi a segítséget örülök hogy vannak még emberek akik megosztják tapasztalataikat és segítenek egymásnak.Megutáltam a sok nagyképű márkaszervíz szakit ,ezért inkább raktáros lettem.
Hello! A 24V-os relé kérdést egy mezei soros ellenállás (mely fele akkora értékű mint a reléd tekercse) megoldja. üdv!
A hozzászólás módosítva: Márc 27, 2014
Sziasztok! Elektromos roller gázkar helyett lehet potmétert használni? Milyen értéküt?
Ebben kérném a segitségeteket. A választ előre is köszönöm. Üdv.: László
Szia! Használhatsz potit nyugodtan, én 10k-val és 100k-val is próbáltam, mindkettő jó volt. Tehát nagyjából mindegy, hosszabb távra inkább 10-22k-t használnék.
Szia Rolie! Köszőnőm a válaszod! A 10 Kohm potival lett jó,de elé és mögé teszek néhány Ohm-ot.
Ez a megoldás csak addig kell míg veszek Hall-t a gázkarba. Üdv.: László
Sziasztok lenne egy elektromos kerékpárom a gond a következő gyújtásnál azonnal teljes gázon forog a kerék. ha elöl széthúzod a kábelt szintén forog a vezérlésnél széthúzod meg áll mi lehet a gond?? plusz az első világítás nem működik egyáltalán. előre is köszönöm.
Szia! Egyrészt a kérdésed inkább ebbe a topikba való, másrészt megsérült az előre menő vezetékköteged. A gázkar vezetékénél zárlat van a táp és a visszajövő vezeték közt (jellemzően piros és zöld színűek), a világítás szakadt lehet. A gép kivitelétől függően leginkább a fejidom műanyagjánál szokott probléma lenni, de előfordulhat hogy a kormány kifordulás elleni ütközője nyirbálta meg a vezetékeket. Ha a gép alján van a vezérlő és a csatlakozások, akkor ott összerohadás/eloxidálódás lehetősége is fennállhat.
Akkor egy átkábelezés megoldja a problémát.Csatlakozó két helyen is van alul a vezérlésnél meg a kormány kifordulásnál.
Nem vagyok megelégedve a töltővel,mivel az akkuk újjak így csak a töltővel lehet gond,mintha nem töltené fel teljesen
Mit nézzek át egy tőltőn,mi mehet ki belőle ami miatt nem tölt fel teljesen?
Mekkora a rákapcsolt akkuk feszültsége?
Kedves fórumozók! Szeretném a segítségeteket kérni. Rendelkezem egy 36 V os akkumulátor töltővel. (elektromos kerékpár TRD 09). Amikor bedugom nem csinál semmit, nem gyulladnak ki a ledek, és a DC kimeneten nem mérek semmit. A biztosítékokat szakadásmérővel lemértem tökéletesen! A 400 V os kondin mérek kb. 320 V ot. MEllékeltem egy pár fotót, megtennétek hogy alaposan ránéztek? Köszönöm Szépen!
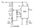
Hello! Mivel ez egy kapcsolóüzemű táp, saját topikjában jobb lett volna feltenni a kérdésed. De pont a kapcsolóüzemű vezérlő IC típusa nem látszik. De sok esetben az IC-t bekapcsoláskor táppal ellátó ellenállások szakadása okozza a passzivitását. Ha jól látom, a trafó mellett van két méretes 5,6kohm-os ellenállás. Azt mérd meg nem szakadt-e valamelyik. üdv!
Üdv.
Először cseréld ki a 47u 400V és a 100u 50V-os kondikat a primer oldalon. A 3842-es ic 7-es lábán 15 volt körüli feszültség kell legyen, ha nincs akkor a 100 Kohmos ellenállás szakadt, vagy ha ugrál a feszültség 10..15 volt között cseréld ki a vezérlő ic-t. Mérd ki az összes ellenállást a primer oldalon. A szekunder oldalon lévő 0,1 ohmos ellenállást is mérd ki.
47u 400v cserélve, 100u 50v cserélve. 3842 ic 7. és gnd lábon 1,2 v 5.6 kohm os ellenállások cserélve. Eredmény, mindig nem megy
Észerevétel, a FET hűtőbordája erősen csíp... az a 100k ohm os ellenállás az melyik is? A hozzászólás módosítva: Ápr 5, 2014
Hello! Szerintem a 100kohm-os ellenállás az,amelyik összeköti az IC 7-es lábát, a gretz + lábával. Valószínű a gretz mellett lévő nagyobb ellenállás lesz az. De mérd ki,és meg fogod találni. Üdv! Különben a FET-en van fesz? Azt kimérted? Jó?
A hozzászólás módosítva: Ápr 5, 2014
Nagyon bátor vagy, hogy megfogod a fet hütőbordáját, mert akkora feszültség van rajta amekkorát mértél a nagy kondenzátoron vagyis 300 volt körül. Nem akarom hangsúlyozni, nagyon veszélyes. Úgy látom, hogy kicserélted a 3 wattos ellenállásokat, azokat nem kellett volna. Azt nézd meg, hogy az ic 7-es lába és a pozitív között milyen ellenállás van és nincs e megszakadva, ugyancsak van egy dióda és egy kondenzátor a 7-es lábon, ebből a FR107-es diódát mérd ki. Én először a primer oldalon mindent kimérek, kezdem a graetzel utána a fettel, ellenállásokkal és a kondikat kicserélem, természetesen a rossz alkatrészeket is. Adok rá 240 voltot és megmérem a feszültségeket több ponton, vagyis a nagy kondinál, az ic 7-es lábánál és a FR107-es diódánál. Te is így csináld.
Elkezdtem mérni a FET et külön külön a lábait, de feszt nem mértem rajta. Amikor hozzáérintettem a voltmérőt, egy pillanatra kigyulladt a piros POWER led a panelen.
Kell hogy legyen a sorse,és a 'föld' között egy kb 0.68 ohmos ellenállás is.Az jó? De óvatosan nyúkálj,mert nálam már méricsgélés közben is robbant szét töltő.Mennyit mérsz a gate és föld között? A FET-et csak ohm mérővel dióda állásban birod mérni (áramtalanítva),mert feszt nem mér a műszer a nagy frekvencia miatt.
A hozzászólás módosítva: Ápr 5, 2014
Lemértem a két kondit elsősorban. A nagy kondin 320 V feszültséget mérek, tehát a graetz híd is jó. A kis 50V os kondin 1,2 V ot mérek.
hy nem rég került hozzám egy lofty kerékpár kisebb hibáit kijavítottam de nem akar működni ha motor össze van dugva a vezérlővel nehezen fordul a kerék. próbáltam összezárni a gázkar kivezetését de semmi a pedálnál lévő szenzort de se hozott sokkal több eredményt.Van valakinek valamilyen ötlete hogy mit lehetne még tenni? előre is köszi
Hello! Ha az 50 Voltos kondin csak 1.2 Voltot mérsz,akkor szinte biztos,hogy a 100 k ohmos ellenállás szakadt.Az ameddig nem tökéletes,addig nem is kap az IC tápot,tehát nem is működhet.Hiába jó a gretz.Azt ha megjavítottad,aztán majd be fog indulni valami rajta. Üdv! Csak óvatosan a villannyal!
Hali! Nállad a vezérlőben a FET-ek elszálltak a másvilágra.Vagy megpróbálod azokat kicserélni(de lehet,hogy még más baj is lesz azonkívül),vagy vezérlőt veszel hozzá ujjat,és már repül is a moci! Üdv!
|
Bejelentkezés
Hirdetés |









Észerevétel, a FET hűtőbordája erősen csíp... az a 100k ohm os ellenállás az melyik is? 







