Fórum témák
» Több friss téma |
Fotózásra csak-csak letakarítom
Nekem is tetszik! Hogyan fogattad le a plexit? Az nem látszik a képen...
Kézzel -.- Lusta és izgatott voltam megoldani
Ügyes munka, mennyi idő alatt martad ki?
1óra 9 perc 36mp kíméletes tesztelős üzemmódban. A külső "fogaskeréknél" feltettem 110mm/p-re. Az a baj, hogy nem bírnak nagy fordulatot a motorok. Illetve bírnak csak jelenleg kevés a táp.
Tetszik a kivitelezés. Szépen, igényesen kimarta a gép a plexi lapot. Én még csak most veszem a (bátorságot) alu alapanyagot a géphez. A vezérlő kulcsra kész, Most jön a mechanika.
Ez még nem végleges verzió, de az ember nem bírja ki, hogy ne működjön.
Gyűjtögetés után lineáris csapágyak, és egy komolyabb maró. Leginkább a relief-ek fognak meg, de nyákgyrtás is lesz rajta remélem bőven akár rendelésre is, persze nem ipari mennyiségben. M8-as menetes szárakat is cserélem majd golyósorsóra a sebesség és pontosság miatt. Így elég nagy fordulat kell, ami ugye nyomatékvesztést jelent. 1000mm/p -el tudtam pörgetni az X tengelyt, de felette már berökönyödik a motor.
Csak 1000 steps/per? Azt gondolnám, hogy a menetes szár esetén akár 3-4000 is lehetne az érték, mert a menetes szár miatt tetemes nyomaték lesz. Nálam a bipoláris motoroknál 2000-es az érték, de így is simán elhúz több kilót és még az ujjam is eltörné könnyedén. Tr12x3 trapéz orsóval.
Na igen de vedd alapul azt is, hogy a motorok nyomatéka csökken a fordulatszám emelkedésével.
Minél gyorsabb a motor fordulatszáma, annál hamarabb kiakad a stepper. Tehát egy nagyobb menetemelkedésű orsóval sokkal jobb eredményt érhetsz el. Akkor meg gondolom tartasz attól, hogy nem lesz eléggé nagy az előtoló erő. Én számítgattam, hogy a Z tengelyem 10X2-es trapézmenetes orsóm a 0.6Nm-es motorommal meghajtva milyen erőt tud kifejteni. Majdnem 800Kg !! Ennyit ki sem bírna a vázam. Nem is beszélve arról, hogy a 10X2-es orsó is csak 4-500Kg-ot bír üzemszerűen. Szerintem jóval kevesebb erő is elég a kis gravírozó gépemhez. 5-10mm-es menet emelkedés jó a kisebb gépekhez. Ha bika fém megmunkálógépet építesz, akkor más a szitu. A hozzászólás módosítva: Ápr 18, 2013
Vexta motorok 7V 1A 36V-rol járatva. 1/2 lépésben 640step kell egy mm mozgáshoz. Ehhez most ha felteszem a sebességet a motor tuningnál 1000-re akkor elindul megy, de van amikor beakad. A mechanika nem szorul meg sehol. (A vexta motorok 0.9deg-esek).
Ebben az esetben egészen más értelmezést nyer a dolog. Így teljesen érthető. (Ekkora steps/per érték esetén) Akkor tulajdonképp ez is elég gyorsan megy.
Igazából nem tudom hogy lenne célszerű. TB6560 V-Type vezérlőm van. Nem tudom, hogy egész lépésben vagy 1/16-ban használjam.
Ha bírja a vezérlőd, akkor 1/16-ban, mert sokkal halkabb lesz a gép és nem akar majd szét rázódni a váz, ha éppen lassan kell mozognia az orsónak.
Estét! Ha jól számolok 1/16-ban 0.9deg/step-es motornál P=1.25mm menetemelkedéssel 2560step kell 1mm elmozduláshoz? 100khz-re van állítva a PC (2.8Ghz Pentium 4). Milyen max sebességet tudok kihozni a 7V 1A-s motorokból 36V-on kb?
0,9 fok egy lépés. Akkor egy körbefordulás egész lépésben 400 lépés kell. 1/16-nál ugye 16X400=6400 lépés egy körbefordulás. Ezt elosztom a menetemelkedéssel, ami 1,25 akkor 5120 lépés kell 1mm elmozduláshoz.
Akkor jól számoltam a legelején, de utána valamiért csak dupláztam a lépéseket. A matek...
Igen de a 7V-os motorod nem lesz olyan gyors. Lehet lassítanod kell. Próbáld ki mit bír.
Az X tengelyen lévő motort megtudtam hajtani 1200mm/p-el, ment is szépen, de amint elkezdtem mozgatni az Y vagy Z tengelyt is, beállt az x tengely. Lehet a gyenge táp miatt ez?
Üdvözletem mindenkinek.
Új emberként hosszas informálódás és fórumolvasás után elérkezettnek látom az időt (és a pénztárcámat), hogy belevágjak egy CNC-gép építésébe. Cél: műanyag, fa és alumínium marására alkalmas gép készítése, nem reliefre és panelmarásra, bár hébe-hóba az is lehetne, inkább alkatrészek gyártása, ismerkedés. Tudom, hogy ez drága hobbi, de nem áll messze tőlem tanulmányilag és hobbi szinten sem. Elképzelések: - alumíniumból készülne teljes egészében, kb 450x350x150 méretekkel, alu idommal vagy alu lapokkal - mozgó X asztal, a munkadarabok valószínűleg nem lesznek nagy méretűek, mechanikailag stabilabbnak tartom így - a fórumban láttam egy hozzászólásban, hogy mozgó SBR lineárt használ álló csúszkával, hogy ne szedje össze a forgácsot - megmunkálómotornak egy Kress-t képzeltem el - minden tengelyen SBR-t használnék, 16mm-re gondoltam minden tengelyen - orsónak trapézt tervezek, a powerbeltnél KTS minőségű van, szerintem 14 vagy 16mm-es mehetne, anyát is vennék hozzá tőlük, ez még így is jóval olcsóbb mint a golyósak, talán majd lecserélem őket, ha beválnak - motornak NEMA 23 1,9Nm, vezérlőnek TB6560 piros, egy P4-es szgép van, EMC2 megy rá Kérdéseim: - gondolkodom, hogy ne csökkentsem-e a gép méretét A4-esre, jelentősen drágább-e a nagyobb gép ha például alut is akarok marni vele - szerintetek melyik tengelyt kellene erősíteni, vagy jó, ha egyformák - kisebb gépet össze tudnék rakni némely saját alkatrészből is, de az kisebb lenne, tanulni lehetne vele meg nyákot marni, de ez számomra érdektelen - Kress 530 fordulatszámszabályzóval, vagy 800 magában - léptetőnek a trapézmenet miatt választottam nagyobbat, szerintetek kisebb is elég-e - esztergályos ismerős van, de marós nincs, szeretném kevés megmunkálással összerakni a gépet, aluprofil vagy alulap legyen inkább - tárgyasztalnak 22,5x180-as hornyolt alut néztem ki, láttam azt a sárga fórumon árult alulapot is, ha tudnék szerezni, lehet, hogy az is jó lenne Láttam a fórum végigolvasásakor nekem tetsző konstrukciókat, ezek alapján ötlöttem ki ezeket az irányokat a megvalósítás felé.
Üdv! Ez a hobby akkor "olcsó", ha olyan helyen melózol mint pl én : ). Én vasból csináltam, mivel ez ingyen volt. Az aluval az a probléma (szerintem), hogy nem olyan nagy a rezgéselnyelő képessége mint pl a vasnak. Pár hozzászólással ezelőtt kiszámolták, hogy állítólag 10x2 trapézzal 0.6Nm-es motorral 800kg-ot lehet megmozgatni. Szerintem ez bőven elég alu maráshoz is, persze jó ha van tartalék erő. A TB6560 pedig szerintem egy kiváló vezérlő, legalábbis nekem bejött, de kell a 36V maximum : ).
Az tuti.
Mennyit tud a tápod? Én most fejlesztettem egy kapcsi tápot 3 tengelyre úgy állítottam be, hogy 180-200W-nál nagyobb terheléstől álljon le. Ez csak a biztonság kedvéért. Tud 3X34V-ot, ami jól megterhelve 31V-ra esik vissza. Ezenkívül van benne egy független 12V 3A és egy független 5V 3A is. Ennyivel minden eshetőségre föl lehet készíteni a vezérlésedet. Nem kell tartani tőle, hogy gáz lesz. Különben a 3 motorom amikor dolgozik akkor készenlétben E-stopal 210mA-t eszik, bekapcsolva a vezérlést 1.2A a legnagyobb amit eddig mértem, az 1.76A volt. A mostani táp 5.6A-t enged meg. A mostani motorjaim 2V 2.4ohmosak 0.6Nm Ezek után kérdés a te tápod milyen? Lehet-e kevés? Menet közben nem zuhan be a feszültség? Lehet a 3 tengely a táp felé zavart okoz, ami zavarja a másik tengely vezérlőjét? Nekem volt olyan kínai vezérlőm, ami össze-vissza ugráltatta a motorjaimat akármit csináltam vele. Tudod mi lett vele a megoldás? Vissza vittem, hogy ez egy rakás sz.. Adjanak egy nagy piros kínai vezérlőt. Na az már frankó volt. Lehet gáz a párhuzamos port kábellel is ha hosszú. Nekem is 2.8-as P4-es Dell gépem van. Azzal még sose volt gondom pedig kihoztam 7200 percenkénti fordulatot is 1/4 lépésben vele. Az 96KHz Etz a nagy kínai vezérlővel csináltam és egy 1Nm-es motorral.
A tápom jelenleg úgy néz ki, hogy van egy 100VA-s 24Vac trafó egyenirányítva 15000µF-al pufferelve. Piros 3 tengelyes TB6560 V-type vezérlőm van azzal nem is volt gond soha. A motor áramok 0.8A-re vannak a DIP-el kapcsolva mivel ezek unipoláris 7V 1A-es motorok és egy tekercses módban van bekötve. Nem tudom mennyi lehet a max fordulat amit kilehet belőlük hozni 36V-on és őszintén még nem is mértem mennyit esik a feszültség és mennyit zabál ha minden tengely mozog. Holnap megméregetem, de elvileg kapok egy 200VA-s toroidot annak elégnek kell lennie : ).
Nézzétek meg ezt a vezérlőt. Ugyan az az utca, de más a házszám. Nem drága és erősebb is. Több benne a védelem is és benne van a bemenet leválasztó is. Ezzel már bika 4.5A-es motort is meg lehet hajtani.
Bővebben: TB6600
Lehet nálad nem is azzal van a baj, hanem azzal, hogy gyenge a 0.8A tekercs áram. Nálam a Nema 17-es 0.4Nm-es motorok is szépen melegedés nélkül el jártak 3.5A-el. Az én vezérlőm olyan, hogy amikor tétlenség van, akkor leveszi a tartóáramot 20%-ra. Így csak akkor melegszik, ha megy. Mondom nem voltak melegek a motorok. Tök jól lehetett úgy használni.
Ebből van komplett 3 tengelyes LCD kijelzős külső kezelőgombos verzió is. Nekem TB6560 Vtype van és a motoráram csökkentésével arányosan csökken a tartóáram is. A tartóáram 3.5A motoráramnál 2.5A elvileg.
Lehet, hogy egy kicsit túlméreteztem, de majd még úgyis alakulni fog az elképzelésem.
Köszönöm a válaszodat.
Hali!
Hasonló vezérlő van útközben hozzám. Bővebben: Link Ha ismered a 6600-t azt kérdezném hogy visszaveszi-e a motoráramot automatikusan, mint ahogy a későbbi hsz-edben említed. Köszi
Kb 1 hónapja átmentem a gulasoft-hoz. Ő a kezembe nyomott egy ilyen vezérlőt és nagyon megtetszett. Személy szerint nem próbáltam ki, de megnéztem és nagyon rendben van. Gyors az optó is benne és több a védelme is mint a régebbié.
Hogy vissza veszi-e a motor áramot azt nem tudom. Kérdezd a gulasoft-ot. Ilyen megoldást kell benne keresni Az enyémben is így van megoldva: (Itt az ic mellett a 3906-os tranyó a lényeg. Az nézi, hogy van-e step jel és ha nincs, akkor lekacsolja a motor áramot.) Akár még utólag is be lehet építeni. A 6600-nál ha jól emlékszek akkor potival lehet állítani az áramot, tehát könnyen megoldható. Aztán lehet benne van. Mondom kérdezd meg a Gyulát.
Köszi!
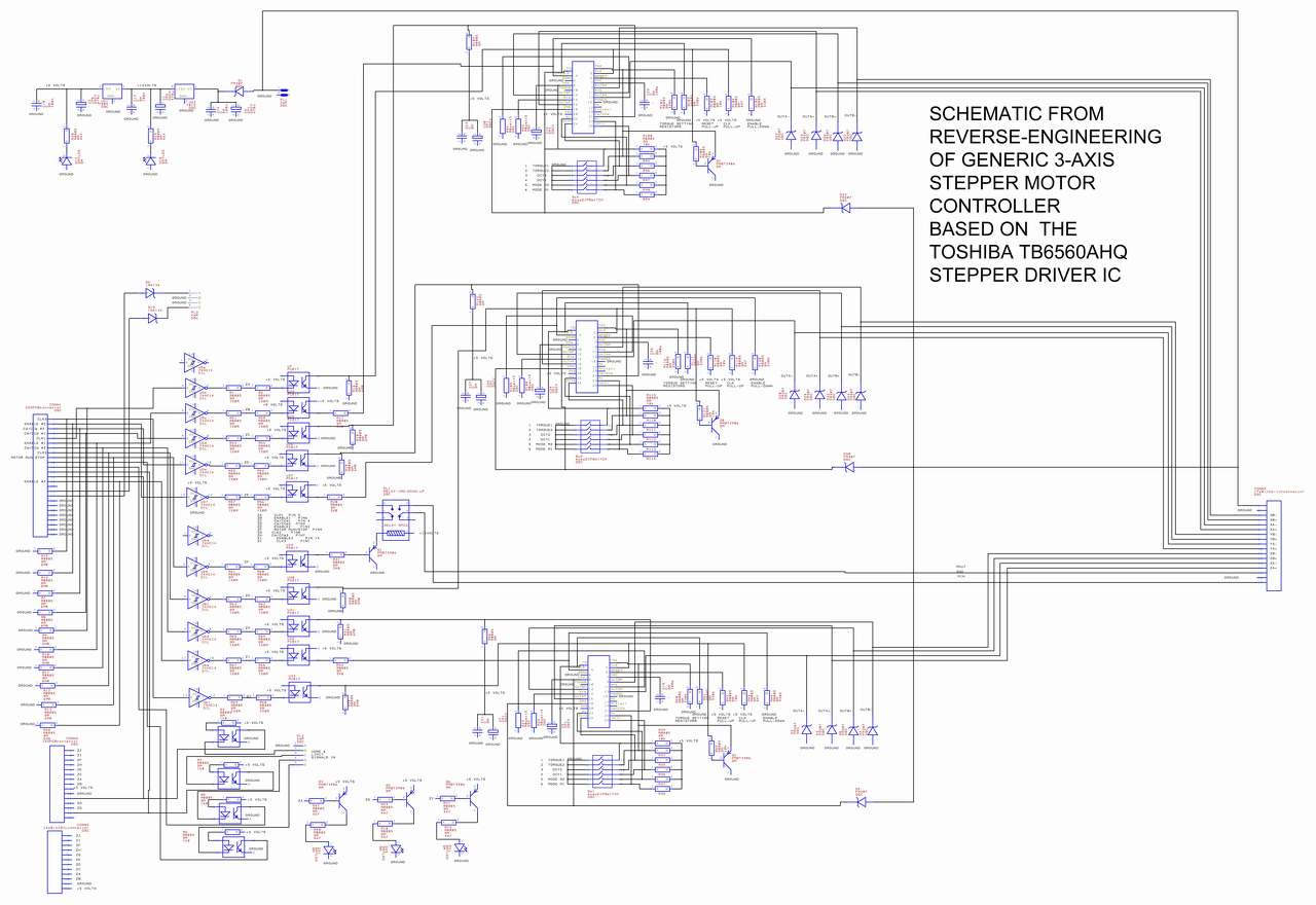
Van jobb felbontású rajzod? Esetleg feltolod valahová ha itt a fórum csökkenti a felbontást?
Itt egy link. Bővebben: Link
Tekerj le ahol a kép van. Mentsd el a saját gépedre és utána ki tudod nagyítani bőven. |
Bejelentkezés
Hirdetés |




Gyűjtögetés után lineáris csapágyak, és egy komolyabb maró. Leginkább a relief-ek fognak meg, de nyákgyrtás is lesz rajta remélem bőven akár rendelésre is, persze nem ipari mennyiségben. M8-as menetes szárakat is cserélem majd golyósorsóra a sebesség és pontosság miatt. Így elég nagy fordulat kell, ami ugye nyomatékvesztést jelent. 1000mm/p -el tudtam pörgetni az X tengelyt, de felette már berökönyödik a motor.






