Fórum témák

» Több friss téma
Fórum » Csöves erősítő készítése
 
Témaindító: seedz, idő: Márc 31, 2006
Témakörök:
Ne feledd betartani a fórum viselkedési szabályait, és a topik megmaradásának feltételeit. [link]
A téma átmenetileg fagyasztva lett, hozzászólni nem tudsz!
Lapozás: OK   1530 / 2208
(#) pucuka válasza Szpisti hozzászólására (») Máj 6, 2013
Nézd. Ha nem kell 300 Hz alatt erősíteni, a kiváló linearitása miatt, minden bizonnyal kiváló minőségű erősítő építhető belőle. 300 Hz alatt is csak a jel/zaj viszonnyal lehet némi probléma.
(#) Szpisti válasza pucuka hozzászólására (») Máj 6, 2013
10Hz-35kHz-ig fél dB-en belül van az erősítése egy ilyen mikrofon előerősítőnek.
Igaz lehet alulvágót beiktatni 80-120Hz körül, de az a felvételi körülmények miatt lehet szükséges.
Nagyot biztosan nem kell erősítenie az e83f-nek, mert előtte ott segédkezik három fokozat EF804. V76
(#) pucuka válasza Szpisti hozzászólására (») Máj 6, 2013
A lényeges, és kényes dolgokat az EF804 -ek végzik. Az E83F nek csak "végerősítési, illesztési" dolga van, amire kiváló. A kimeneti jelszintet 600, de lehet, hogy még kisebb kimenő impedancián kell biztosítania. Ebben a pozícióban a kissé nagyobb zaj, már nem számít sokat.
A hozzászólás módosítva: Máj 6, 2013
(#) bakos13gab hozzászólása Máj 7, 2013
Csak részben a témához kapcsolódik, de erősítős kérdés.
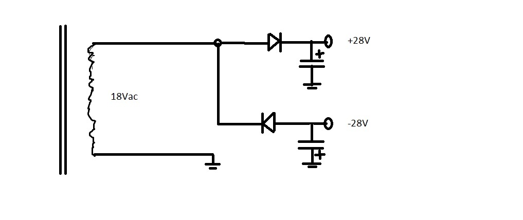
Adott egy transzformátorom, amin van egy 20V-os tekercs. A kérdésem az lenne, hogy okoz-e bármilyen gondot, hogy ha erről a tekercsről oldom meg a negatív előfeszültséget és a cső fűtését is? U fűtésű csőről lenne szó, és mivel így is kicsit kevés a feszültség, muszáj egyenirányítanom a fűtőfeszültséget is (teszek rá egy LM317-es áramgenerátort 100mA-re). Szóval a lényege, hogy elegendő-e egy diódahidat alkalmaznom és erről zenerrel stabilizálni az előfeszültséget, de így a fűtés is negatív feszültségre kerül a katódhoz képest. Egy UM csőről van szó, a hangfrekis részben tulajdonképpen nincs kritikus helyen.
A hozzászólás módosítva: Máj 7, 2013
(#) pucuka válasza bakos13gab hozzászólására (») Máj 7, 2013
Szerintem, ha úgy készítenéd, hogy a 20 V -os tekercs egyik végét földre kötnéd, akkor a másik végére ráköthetsz egy egyutas egyenirányítót, ami a negatív előfeszültséget állítja elő. Ezután a tekercs feszültségét egyenirányítva előállíthatod a fűtő feszültséget is, így nem lessz köze egymáshoz a két feszültségnek, igaz a fűtések nem lesznek földelhetők. Ha kevés a 20 V, akkor a fűtőfeszültséget kétutasan egyenirányítva előállíthatsz 40 V -nál nagyobb feszültséget is, Ha bírja a trafó, nem lesz gond. A soros fűtésű csövek fűtése amúgy is mindig magas fűtés - katód feszültségről jártak, és többnyire váltófeszültségről, úgyhogy gondolom ez sem fog különösebb problémát okozni. De a puding próbája az evés.
(#) bakos13gab válasza pucuka hozzászólására (») Máj 8, 2013
A fűtés földelése nem tudom, hogy probléma lesz-e. Egy ismerős viszont adott egy jó ötletet. Egyszerű feszültségkétszerezőt kötök a tekercsre. Ebből lesz kb. +/-30V-om. Ennek a negatív ága mehet az előfeszültségre, a pozitív meg a csőfűtésre.
(#) wadember válasza bakos13gab hozzászólására (») Máj 8, 2013
Eddigi tapasztalataim szerint a feszültségkétszerező kapcsolás negatív előfeszültésgnek biztosan jó, de hogy egy fűtés áramát elbírja-e az már kétséges. Nem túl nagy áramot bírnak.
(#) bta válasza belaradio hozzászólására (») Máj 8, 2013
Idézet:
„előbb egy egyszerű EL84 PP-nek fogok majd”

Ez a pentódás PP túl egyszerű, ami nem lenne baj - ha nem menne durván a minőség rovására az elmaradt fokozat + az átfogó nvcs hiánya.
(#) frecsko válasza wadember hozzászólására (») Máj 8, 2013
100mA-es fűtőáramot nem fog elbírni a feszkétszerező.
(#) belaradio válasza bta hozzászólására (») Máj 8, 2013
Esetleg egy másik rajz ( ami már bevált ) jól jönne. Csak az egyszerűségre koncentráltam.
A hozzászólás módosítva: Máj 8, 2013
(#) Orbán József válasza bta hozzászólására (») Máj 8, 2013
Ez a dongó és a tudósok tipikus esete. A megépítőik szerint az egyszerűek közül (2 cső egy oldal) ez szól legszebben. Nyílván nem a 300B kategórához mérten. Ahelyett, hogy mérnék, hallgatják.
Béla, pont ezért kell megcsinálni, mert olyan egyszerű. Mit veszíthetsz? Utána megépítesz egy jól méretezettet, jó specifikációkkal és lesz összehasonlítási alapod.
Az egyik, amit össze fogok rakni, pontosan ez lesz.
(#) pucuka válasza bakos13gab hozzászólására (») Máj 8, 2013
Gondolom nem feszültség kétszerezőre gondolsz, hanem két egyutas egyenirányításra. Egyik a a pozitív, a másik a negatív egyenirányítást végzi, és ilyenkor a tekercs másik vége földön lehet. Így is jó, de úgyis, hogy a tekercsre ráteszed a híd egyenirányítót, ez fogja a fűtést táplálni. Igaz, ekkor a híd egyik váltó táplálása földön lesz, de ez nem okozhat különösebb gondot, de így már a fűtést nem lehet földelni. A 100 mA terhelés mellett ebből is kijön 28 V körül, amiből megcsinálhatod az áramgenerátort. Nem írtad milyen UM cső, de az UM 80 -nak a legmagasabb a feszültsége, de az is csak 19 V. (UM84 12 V, UM4 12,6 V) tehát bőven van feszültség az áramgenerátornak.
A lényeg, hogy a trafó tekercsének egyik vége földön legyen, ez előfeszültségnek meg jó az egyutas egyenirányítás. Ha kevés a negatív feszültség, arra tehetsz feszültség kétszerezőt.
(#) imre.beres válasza pucuka hozzászólására (») Máj 8, 2013
Egy példa azért létezik az E83F felhasználására az erősítők bemenő részén Bővebben: Link
(#) pucuka válasza imre.beres hozzászólására (») Máj 8, 2013
Nem erősítők, hanem csak végerősítő bemenetén. Nagyon nem mindegy, hogy milyen szintet kell erősíteni, egy végfok bemenetére már jelentős jelszint kerül, 300 mV tól 1,55 V ig.
Egy mikrofon (lemezjátszó, magnetofon) erősítő bemenő jelszintje 0,3 - 10 mV, igen nagy különbség.
(#) bakos13gab válasza wadember hozzászólására (») Máj 9, 2013
Az U fűtés szerencsére "csak" 100mA. Nem vészes. A hétvégén kipróbálom és megírom, ha sikeres lesz a dolog.
(#) wadember válasza bakos13gab hozzászólására (») Máj 9, 2013
Szerintem ha egy kétszerezőből 5mA-t ki tudsz szedni akkor már jó vagy. Én félholt varázsszemeket hajtok feszültségkétszerezővel de a 600V üresjárási feszültségük de 350-360V-ra leesik a varázsszem ernyőjétől úgy hogy az eltérítő anódok nem is arról mennek csak az ernyő.
A hozzászólás módosítva: Máj 9, 2013
(#) bakos13gab válasza wadember hozzászólására (») Máj 9, 2013
Ez lenne a terv. Tulajdonképpen két egyutas egyenirányítás.
(#) bta válasza Orbán József hozzászólására (») Máj 9, 2013
Idézet:
„Ez a dongó és a tudósok tipikus esete.”

Hát nem éppen! Itt tökéletesen működik a tankönyvi fizika, és az összes komolyan vehető szakirodalom tárgyalja a problémát. Ami akkora, hogy talán még a félsüket tüzér őrmester is kihallja. Az áramgenerátor jellegű kimenetből adódó 10dB nagyságrendű, a hangsugárzó impedanciamenetétől függő átvitelkülönbségeket nem szokás jó hangminőségnek mondani, vagy ha mégis, akkor nagy a baj...

/Megfelelő hangsugárzót választva, profi szintű DSP-vel szépen, egyedileg kiekvalizálva az áramgenerátoros hajtás nem butaság, viszont a komplikáltsága miatt a hifinek kifejezetten underground, csakis megszállott DIY-esek által művelt területe./
(#) Orbán József válasza bta hozzászólására (») Máj 9, 2013
Nem tudom, hogy a hangszínszabályozók 5 órában szindróma-e, de több helyütt olvastam a vcs nélküli egyszerűbb csövesek előnyben részesítéséről. Ezek persze csak hallgatták az SE-t.
Magam sem mérni, sem meghallgatni nem tudtam eddig, de egyszer csak.
Több véleményt is olvastam viszont a mérések, kontra meghallgatásokról, hogy csak a mérések? Az bizony a mély hangú vizimadarak kategória - basszhattyuk.
Egészen kíváncsi vagyok már.
(#) gkari válasza bakos13gab hozzászólására (») Máj 9, 2013
Itt valami nem stimmel. 18V AC-ból egyenirányítva csúcsfeszként(terheletlenül!) is csak 25,40 V adódik, de terhelve nyilván kevesebb. A feladatot én próbakapcsolással oldamám meg, vigyázva arra, hogy a fűtőáram 100mA-nél ne legyen több.
(#) Hangszoro2000 hozzászólása Máj 9, 2013
Kezembe került ez a rajz véletlenül tegnap, valaki meg tudná mondani, hogy az EL 84 katódja miért a kimenőtrafó szekunderén keresztül kerül a testre?

AR612.jpg
    
(#) 6C4C válasza Hangszoro2000 hozzászólására (») Máj 9, 2013
Negatív visszacsatolás valósul meg így...
(#) CIROKL válasza 6C4C hozzászólására (») Máj 9, 2013
És nem is akármilyen ... mondhatni totális .
(#) 6C4C válasza Orbán József hozzászólására (») Máj 9, 2013
Ha egy nagy belsőellenállású (többrácsos) végcsövet használunk, az nem a legjobban dolgozik negatív visszacsatolás nélkül, rossz lesz a DF, annak minden hátrányos következményével együtt... DE ha egy kis belsőellenállású triódát illesztünk a kimtéerrel, akkor natív kellemes lesz a DF és ezzel kedvező frekvenciamenet / hangminőség várható Nem beszélve a triódák "kellemes", kevés párosrendű harmonikust termelő hangjáról
(#) Hangszoro2000 válasza 6C4C hozzászólására (») Máj 9, 2013
Köszönöm.
(#) Hangszoro2000 válasza 6C4C hozzászólására (») Máj 9, 2013
A páratlan számú harmonikusok aránya elenyésző, ezért tényleg kellemes az a hang, nem csak időzőjelesen. Hiszen a páros számú felharmonikus zeneileg nem hamis, pontosan 1 oktáv a távolság.
(#) gkari válasza CIROKL hozzászólására (») Máj 9, 2013
Mindenesetre a Pacsirta ma is szépen szól (nálam is!).
(#) silent15 hozzászólása Máj 9, 2013
Sziasztok, olyan kérdésem lenne, hogy terveztem egy PCL86 teljesen panelintegrált erősítőt, de 1 átkötés van rajta, akárhogy pakolom az alkatrészeket, namost az az átkötés a trióda rész katódjától jön, és a panelra visszaérve levegőzés után megy át egy ellenálláson, és le a földre. Kérdés:
Mivel érdemes ezt átkötni ?? Ezüsthuzal, sima szigetelt vezeték, vagy valami egyéb??
(#) mofesa válasza silent15 hozzászólására (») Máj 9, 2013
Nem teljesen értem, vélhetően a katódellenállásról van szó, akkor jó a sima szigetelt vezeték is, csak ne legyen túl hosszú. Azért ezt konkrétabban is kifejthetnéd, mondjuk egy kapcsolási rajz segítene.
(#) silent15 válasza mofesa hozzászólására (») Máj 9, 2013
Szia, parancsolj Bővebben: Link sima natúr katódellenállás.
Következő: »»   1530 / 2208
Bejelentkezés

Belépés

Hirdetés
XDT.hu
Az oldalon sütiket használunk a helyes működéshez. Bővebb információt az adatvédelmi szabályzatban olvashatsz. Megértettem