Fórum témák
» Több friss téma |
Fórum » 230V/400V-os áramfejlesztők
Témaindító: oregharcos, idő: Jún 19, 2007
Témakörök:
Szia!
A 4Le =2,8kW de ez a maximális fordularon igaz . 1100---1600 1/min tartományban a teljesitmény fele-harmada várható. Persze rárakhatod a 2kW-s motort , de az 1kW-nál nagyobb teljesitményt nem igen fogja kedvelni. Ha csillagban három kondival összekötöd ,akkor felgerjedhet, mint aszinkron generátor.A kondik várható értéke 60-100µF --motorfüggő! Az élettartama erősen véges lessz , mert a fűnyiró/barkács motorok kb 1000 üzemórások.
Sziasztok!
Adott egy 220/380-as áramfejlesztő, ami max. 3000 W-ot tud, de állandóra 2500w az ideális. A gép kölcsön lett kapva és egy 380-as betonkeverőt és egy hegesztőtrafót üzemelne. Persze nem egyszerre. A keverő motorjára az van írva, hogy 380 és 1500 W. Hegesztő le lett mérve és hegesztés közben 120 A-nál nem megy 1500 W felé használat közben. Szóval egy stabil 1500 W-ot teljesítmény kéne. Az áramfejlesztőn lévő kis műszer alapjáraton a 400-on áll. (V?) A kérdésem az lenne, hogy a gázkart mi alapján állítsuk be, hogy az elegendő áramot termeljen és a gépet se erőltesse annyira. Általában ezek az alsó-közép kategóriás áramfejlesztők mennyi ideig járathatók egyhuzamban fél teljesítmény igénybevételéhez?
A betonkeverő talán még elmegy,de a hegesztőgép felejtős.A gázkart pedig nem kellene babrálni,mert az 50Hz körüli frekvencia azzal van beállítva. Ha feljebb viszed a fordulatot, feljebb megy a frekvencia és a feszültség is,de a terhelhetőség nem lesz nagyobb.
A 380V-os hegesztőgép miért felejtős? Ha 100 Ah-ra állítanám akkor nem fogyasztana 1400 wattnál többet.
Ha egy 380-as motrot akarok vele forgatni, akkor onnan tudom, hogy nem kell rá gázt adni, hogy a V órán nem ment 380 alá a mutató? Tudom, igen bugyuta kérdések, de még nem használtam ilyen gépet és hát nem akarnám pár óra alatt tönkre vágni. A motor része talán bírni fogja, de a generátor része az amire vigyázni kellene.
Én nem az áramfejlesztő tönkremenetelétől tartok,hanem a ráakasztott gépekétől. Egy 1,5kW-os motor indulási áramfelvétele a névleges áram 3-4-szerese. Ez azt jelenti,hogy induláskor simán felkap 12-15A-t a betonkeverő. Mivel az áramfejlesztő belső ellenállása lényegesen nagyobb mint az áramszolgáltatói hálózaté, ezért a motor indulásakor az áramfejlesztő feszültsége jelentősen leesik.A csökkent feszültség miatt megnő a motor felpörgési ideje,ennek következtében az indításkor felvett áram is hosszabb ideig gyötri az áramfejlesztőt. Ezen sajnos a gázadás sem segít,mert a generátor gerjesztését végző kondenzátor paraméterei változatlanok maradnak minden terhelési állapotban.
A problémát a terhelésfüggő gerjesztés oldaná meg,de azt csak komolyabb gyártók nagyobb teljesítménytartományú áramfejlesztőibe építik be. Ez volt a motoros dolog. A hegesztőgép az egy más tészta. Ha hagyományos trafóval szerelt a gép,akkor minden bekapcsolás az áramfejlesztőnek zárlati állapotot jelent, mivel a gerjesztetlen vasmag a hegesztőben a bekapcsolás vagy az ívfogás pillanatában igen komoly áramlökést produkál. Emiatt aztán a legtöbb esetben az áramfejlesztő legerjed. Ha inverteres a masina, akkor pedig a jelentős feszültségingadozás lesz az inverter halála.
Lenne most egy nagy kérdésem.
Csináltunk egy 5 dugós aljzatból egy kis hosszabbító segítségével egy 4 dugós aljzatot a generátornak a 380V-os részére. Rá a 380-as 1500W-os motort és meg se nyekken. Full gázon forgatná csak úgy ahogy, de nem jó akkor se. Úgy csináltuk, hogy az 5 dugós levezetésből a 3 fázist és az egy testet rákötöttük egy 4-es aljzatra, de így nem jó. Mi lenne a megoldás. Alapjáraton a 220-as 1000 Wattos sarokcsiszoló megy. Kezdő 5Ah-al. 54 Hz-en és 220V-on, de a műszer mutatója a generátoron 400-nál van.
Valószínűleg valamelyik gerjesztő kondi hibás,emiatt aztán nem 120fok a fáziseltolás a fázisok között terhelt állapotban. A legegyszerűbb lenne ha mind a három fázist külön-külön kipróbálnátok a sarokcsiszolóval.
Köszönöm válaszod Mpisti.
Sikerült rátenni egy másik motort és azzal már megy. Lehetséges, hogy egy kicsit menetzárlatos a régi motor, ami még hálózatnál nem jelent bajt, de egy generátornál igen, mert az áramfelvétel korlátolt. A gép így üzem közben 380-400V-on megy és az 50 Hz helyett 52-t tart. Így sem lenne vele jó hegeszteni? Azt meg észre lehet venni, hogy induláskor nagyobb az áramfelvétel, ezért jó, hogy nagyobb a generátor. Szerintem egy 2500W-os gépet el sem indítana, ha indításkor nagyobb az áramfelvétele. Ha valaki áramfejlesztőt venne, csak ajánlani tudnám neki, hogy lehetőleg nagyobbat. Igaz nem ipari felhasználásnál 1500W felett nem nagyon használ senki.
Előre is nagyon-nagyon bocsi, a kérdésért....(én nem értek az elektronikához!)de egyedül itt találtam olyan fórumot, ahol talán tud nekem segíteni valaki...van egy telkem, ahol nincs bevezetve a villany...szeretnék rá egy lakókocsit...meg lehet azt oldani, hogy egy álló lakókocsi akksija kapjon áramot? Hogy lehetne azt feltölteni? Aggregátorral mondjuk...? Vagy egy autó járó motorjáról..?(Bocs, ha baromságot írtam..)Előre is köszönöm, ha segít valaki...
Keresgélj a neten, létezik olyan aggregátor, kifejezetten lakókocsikhoz, ami 12 V -os akkumlátorhoz való. De lehet kapni komplett napelemes töltőt is, mondjuk a kettőt együtt alkalmazva egész jó ellátó rendszert lehet csinálni.
Lehet autóról is tölteni, csak elég nehézkes, és borzasztó gazdaságtalan, de a szükség nagy úr
Köszönöm a gyors választ! Mivel van egy pici épület a telken, esetleg meg lehetne oldani ugyanilyen elven, csak a lakókocsi nélkül? Úgy értem, hogy lakókocsi akksi, inverter és aggregátór, és így nyerni áramot az épülethez? Előre is köszönöm
Természetesen meg lehet. Az egész alapja egy energia tároló akkumlátor telep, aminek a kapacitását a fogyasztáshoz kell igazítani. Erről az akkumlátorról járhat egy inverter, ami elláthatja azokat a fogyasztókat, amik 240 V -ot igényelnek, amit lehet (pl világítást) az akkumlátor telep feszültségéről célszerű használni. Az akkumlátor telepet töltheted aggregátorra, napelemmel, szélgenerátorral, sőt, ha a telkeden átfolyik egy gyors patak, akkor vízí energiával. A fórumon mindegyiknek van topikja, találhatsz megoldásokat, az interneten pedig kész, megvásárolható eszközöket. A kis háznál, a mobilitás nem szempont.
Üdv!
Csatoltam pár képet egy mostanában fellelt áramfejlesztőröl.Mivel én nem értek hozzá,abban bízom itt majd valaki segít nekem behatárolni. Semmit sem tudok róla,csak annyit,hogy ez egy anno' újonnan vásárolt agregátor,amit nagyapám állattenyésztés miatt vásárolt. Kérlek titeket írjátok le azokat a dolgokat amiket megállapítotok erről a szerkezetről,és azokat amik segítenek nekem és szerelő barátomnak üzembehelyezni a masinát! Köszönettel! IL
jó napot,örülök ,hogy megtaláltam ezt a fórumot.Itt biztosan tudnak nekem segíteni.A tanyánk áram ellátásáról lenne szó(állat tenyésztés).Áramfejlesztőről üzemel,berántjuk-leállításig működnek a szivattyúk,világítás stb.Úgy szettném megoldani ,hogy ha valahol felkapcsolom a villanyt vagy beindítok egy szivattyút akkor automatikusan induljon az áram fejlesztő,gondolom ehhez önindítósra lenne szükség.Ha már ez működne akkor szeretnék tv,mosógép,hűtőt is üzemeltetni-HERON EGM-65 AVR-1E aggregátor távindító 1fázis., 6,5kVA-erre gondoltam.Nem tudom mit jelent a távindító.Kérdésem hogyan lehet a fentiket kivitelezni.Előre is köszönöm
Sziasztok!
Segítségeteket szeretném kérni egy agregátor generátorának a bekötésében. Az adat táblán szereplő adatok: Imi LH892T7n4 230v 8,7 A 2000w 3000f/min cu70µF Akitől kaptam anyitmondott hogy bevizsgáltata és hogy jó .Csak egy kondit kell rá kötni, hogy mekkorát és hova azt elfelejtette. A kondi gondolom cu70µF. Négy kimenet van rajta ebből kettő össze van kötve a vezetékek egyszínűek. Ha tudna valaki kapcsolási rajzott felrakni vagy van valami ötlete azt nagyon megköszöném.
Ez az agregátor kérdés nem is olyan egyszerű. Pár hónapja kerestem 2-3kWatt körüli dieselt öninditóst. Feladtam, mert nem találtam, pedig vágyok rá.
Sziasztok!
A márc.14-15-16-17.-ei vihar településünket sem kímélte, így eldöntöttem, hogy újabb négy napot nem lesz a család villany, fűtés, s víz nélkül. Aggregátort vásárolnék. Érdemes ezt barkácsboltban (évente max.1-2-szeri alkalom) megvenni, vagy komolyabb cucc kell? Nekem mennie kell a fűtésnek, egy-egy hűtőnek, meg max. egy világításnak. Erre elég egy 1-1.5 KW-os? 60 Ezer körüli értékben tudnék ilyet vásárolni. Vagy azok kukába valók? Köszönöm a válaszokat, előre is.
Most rendeltem Ibrányba egyet, az elmondott okok miatt.
A budget cuccal volt már tapasztalatom. Egy "praktikus" áruházban vásárolt termékbe, nem sikerült életet lehelni, pedig még be sem volt kapcsolva sohase, tehát nem az elhasználódás tette tönkre. Én egy Heron 2,5kw-ost vettem, mert villanybojler is van a házban, + keringető szivattyú, világítás, hűtőláda, hűtőgép. Ha nincs nagyáramú fogyasztó mint a bojler vagy villanytűzhely, mosógép, olajradiátor, stb, akkor elég az 1-1,5kW-os bőven egy háztartásba.
Szép napot kívánok Mindenkinek
Örömmel olvasom ezt a topicot is a többi mellett , sok kérdésre választ lehet kapni. A gondom a következő, az áram kimaradások okán vettem egy katonai AD-10-T/230-M jelű aggregátot. Megvan mindene (elméletileg) , működik is. A kérdésem a következő lenne, hogyan tudnám biztonságosan beköt(tet)ni a lakásba áramszünet idején. Jelzem az E.O.N. hálózat felől 3 fázisom jön. Talán valaki kitudna okosítani, ezért a kötéséről teszek fel egy képet,talán másoknak is segítség lesz. Előre is köszönöm a segítséget.
Sziasztok!
Segítségre lenne szükségem egy Evig gyártmányú 4kW-os áramfejlesztőhöz. Aszinkron generátora van, 380V-ot és 220V-ot is tud. Viszont hiányoznak a kondenzátorok. kérdés hogy milyen értékű kondi való bele, hány darab és hogy kell bekötni őket. Köszönök minden segítséget előre is.
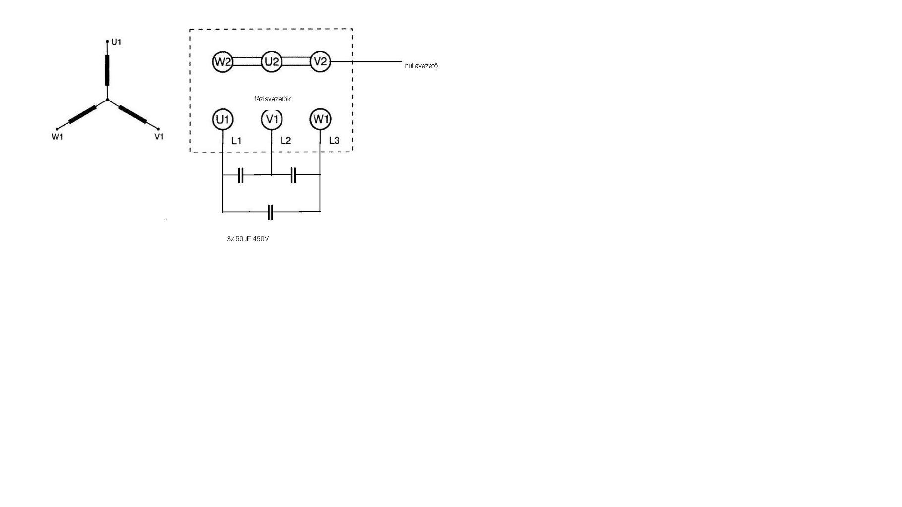
3 db 50µF 450V AC és deltába kötve.
Szia, köszönöm szépen, esetleg le tudnád rajzolni vagy írni hogy a 3db kondi hogy van összekötve, honnan veszem le a 380V ot illetve honnan a 220v ot.
A generátornak csak a 6 kivezetése van meg, még lemezkék sincsenek a kapocslécen. köszi
Küldj egy fotót a generátor kapocslécről.
Képet most nem tudok mert messze van a gép, de találtam egy rajzot pont így néz ki mint a jobb oldali, csak összekötő lemezek nélkül.
Gondolom csillagba kellene kötni, csak akkor honnan lesz 220V?
Eszerint kellene bekötni a generátor kapocslécet.
A csillagpont, (nulla vezető) és a fázis (fázisvezetők) között nem 220 V -nak kell lennie? (két fázis között 380 V)
A hozzászólás módosítva: Máj 11, 2013
Köszönöm szépen a segítséget, hétfőn el is megyek venni kondikat és bekötöm. Remélem felgerjed
![]() Ha esetleg nem gerjedne fel van valami bevált módszer mivel lehet felizgatni? Régebben volt egy imi 2kW-os áramfejlesztőm volt hogy sokáig nem gerjedt fel pedig a fordulat adott volt a működéséhez, aztán egyszer csak jó lett. Ezzel az evig 4kw-os áramfejlesztővel 3 fázison 1,5kw os háromfázisú villanymotort lehet indítani, vagy nagy az esély hogy le fog gerjedni, mint ahogy azt az aszinkron gépek tenni szokták. Mekkora villanymotort indíthat el max?
Kell egy kis DC áramot folyatni az egyik tekercsen (pl. 12V DC-t rátenni pár másodpercig), hogy a vasban legyen visszamaradt mágnesesség, ezután már könnyen felgerjed.
Az 1,5kW-os motort el kell hogy vigye, egy kertészetben 3 db 0,75kW-os motort egyszerre elindított és működött is róla hajdanán, még a '90-es években .
Üdvözöllek!
Elnézést kérek, hogy ritkán jövök ide! Ezt az agregátort nem ismerem, de ez itt most nem is fontos. Nagyon vigyázni kell arra, hogy ne jusson ki feszültség az agregátorból hálózatra. Mi annak idején csináltunk a cégnél egy olyan megoldást ami neked is megfelelne. Kell hozzá egy 3-fázisú irányváltó kapcsoló. Ezt a kapcsolót úgy kell bekötni, hogy a kimenő csatlakozókra kötjük a lakásba menő fázisokat. Az 1-s állásban a hálózatról a 3 fázis megy a lakásba. A 2-s állásra kapcsolva az agregátor felől jövő fázisok mennek a lakásba. Közép állásban nem jut feszültség a fogyasztókhoz. A földelésről feltétlenül gondoskodni kell. Úgy használtuk, hogy áramszünet esetén a kapcsolót 0-s állásba tettük, a hálózati biztosítókat kivettük, és utána indítottuk a generátort. Az agregátor felől jövő vezetéken levő biztosító betétet beraktuk és a kapcsolót a 2-s állásba raktuk. Tekintettel arra, hogy azok a szabványok amikből mi is dolgoztunk, ma már nem érvényesek (MSZ1600, MSZ172, stb), ezért javaslom, hogy egy olyan szakemberrel kellene beszélni aki szabványossági felülvizsgálatokat végez. Valamikor én is csináltam, de már régóta nyugdíjas vagyok, ezenkívül a családomban bekövetkezett betegségek miatt nem tudok ilyesmit csinálni, persze igény sincs rá. Arról nem is beszélve, hogy a franciák a régi jó magyar szabványokat kidobták. Kérdeztem a barátomat aki csinál ilyen vizsgálatokat, hogy milyen szabvány szerint dolgoznak. A válasz az volt, hogy azt oktatták velük, hogy úgy kell dolgozni, hogy ne legyen tűzveszély, és baleset. Annak idején amikor ezt a topikot nyitottam, volt pár esetem. Gondoltam, hogy leírom a történetet, hátha segítek vele valakinek. Egyelőre ennyi. Sok sikert! |
Bejelentkezés
Hirdetés |











