Fórum témák
» Több friss téma |
Fórum » Csöves erősítő készítése
Ne feledd betartani a fórum viselkedési szabályait, és a topik megmaradásának feltételeit. [link]
A téma átmenetileg fagyasztva lett, hozzászólni nem tudsz!
Nem értem, hogy ez a topic hogy jön ide? Átkötésről kértem véleményt, eléggé biztos vagyok én a rajzomban.
A hozzászólás módosítva: Máj 10, 2013
Igazad van, vannak dolgok, amiben nem ismerünk tréfát!
A hozzászólás módosítva: Máj 10, 2013
Ez nagyon jó, amit írtál
Majd kifojt a szemem, amíg végigolvastam, de nagyon jó, na jéjszakát mindenki, megyek elteszem magam , már korábban kifőztem magam, úgyhogy ezzel gond nem lesz
Ki fogom próbálni. A feszültség értékeket nem számoltam, hanem hasra írtam be (nem ez a lényeg, majd kiderül a terhelhetőség).
Ugyan nem készítettem, csak felújítottam (pontosabban életre keltettem) egy ECL86_PP végű régi (B)EAG gyártmányú AE110 erőlködőt, de ha nem gond megmutatom.
Évek óta hömbölgött táptrafó nélkül a műhelyben, mivel előző tulaj valamiért likvidálta belőle az eredetit. Adott helyette hozzá egy TH241/A jelű hálótrafót, amin hiába keresgéltem az anódfesz tekercset, mint kiderült ezen csak fűtőfeszek vannak ![]() Így aztán körülnéztem a sufniban, és találtam egy német Ebay-es Telefunken hálótrafót. Ennek meg sajnos csak szimpla anódtekercse volt, így kis fejvakarás után a videón is látható megoldást választottam, és maradhatott az EZ81.Most hogy kiderült, életképes a "project" , és a két fiókból előkerült ECL86 is bírja a strapát, nekiállok hamarosan szalonképessé tenni.(Kicsit meglepődtem, milyen húzós ára van ezeknek a csöveknek manapság).
Nem jó a kapcsolásod, a szekunder nem testelhető ennél a megoldásnál. A negatívot kell csak testelni. A (két) soros pufferek közös ponjának is jól elszigeteltnek kell lenni a testtől. Amúgy jól terhelhető ez a fajta fesz kétszerező, A Beag 70 W-os végerősítőnél is használta az EL 34-ek anódfeszéhez (pl. AEX 650, 250 stb.)
Sziasztok,
a mellékelt kapcsolásról mi a véleményetek? Szeretnék valami egyszerűbb erősítőt építeni ECL86-os csövekből. A hozzászólás módosítva: Máj 11, 2013
Szia! Én nem tud*ok véleményt mondani erről, mert ezt még nem építettem meg.. ezt viszont már igen! Djhans által tervezett igen jó hangú kis kapcsolás.
A hozzászólás módosítva: Máj 12, 2013
Adjon!
Találtam egy kapcsolást, vonalerősítő lenne. Ami megragadta a figyelmem, az a hangerő szabályozó megoldása. Vajon miért ilyen? Szükségmegoldás, vagy valami varázslatot visz be? ![]() A szöveg szerint 205V anód feszültség és 40mA áram mellett műveli, amit. A hozzászólás módosítva: Máj 12, 2013
Igen, van benne varázslat. Csöveknél mindíg van rácsáram, és ha ez egy csúszó kontaktuson átfolyik, bizony recsegés a vége. Jelen esetben a kontaktuson nem folyik rácsáram.
Szerintem azért ilyen, mert sem a műsorforrást nem terheli, sem a cső rácsát nem húzza testre. Végülis van benn logika, de így két potin megy át a jel, az egy helyett, ami nem baj, ha jó minőségű -drága- potikat használunk. És így kettő sztereó is kell belőle a két csatornához.
Ez remek! Trükk és tipp...Gondolom a kicsi bemenő jelszintek miatt lehet, ha itt reccs, az a végerősítő végén már komoly bumm.
Ez nem esik le nekem. Egy sztereó poti két csatornája van összekapcsolva, vagy két mono?
Két sztereo.
Pontosabban a rajzon egy sztereó van, a két csatornához viszont már 2 kell.
Egész pontosan közös tengelyű kettős potenciométer. (sztereóról szó sincs, nem csak sztereó berendezésekben használnak ilyet)
Ennek az elrendezésnek az az előnye is megvan, hogy a bemenet felé a terhelő ellenállás értéke állandó, a potméterek állásától függetlenül, már ha a két poti lineáris. Amennyivel csökken az egyik értéke, annyival növekszik a másik.
Na ja, pont ezen studéroztam, milyen karakterisztikájú lenne ehhez a berendezéshez szerencsés, valamint, ha az ember "rendszerbe" állítaná és a végerősítő előtt nem lenne szabályozás, csak itt az elején, akkor milyet kellene tenni. Az én eszem szerint csak egyiket célszerű logaritmikusnak, a lineárisakat talán jobban együtt futtatják a céhek...
Különös tekintettel, a nálunk etalonként emlegetett A..S potmétereknél is tapasztal +/-10%-os tévelygésekre. A hozzászólás módosítva: Máj 12, 2013
Közben ugyanez jutott eszembe, csak nem olvastam végig az előbbit...Azt hiszem, ez a fő ok, hogy ilyen a megoldás, bizonyára az ezt meghajtó áramkör hálás, ha mindig ugyanakkora terhelőimpedanciát lát. Annyi a zavaró, hogy a fényképen nem egyforma a két szabályozó gombja, elvileg úgy lenne ildomos.
Jól gondolod, sőt szerintem ha a 2(vagy4)poti istenbizony együtt "fut", akkor elég, ha mind azonos karakterisztikájú(sokpólusú Yaxley-el megoldható-iszonyú sok meló).
Sziasztok!
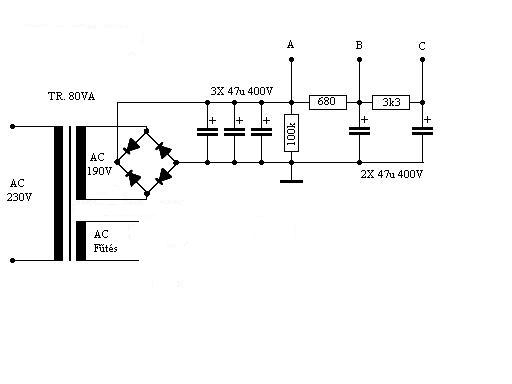
A véleményeteket szeretném kérni a képen látható végerősítőről. Szeretnék építeni magamnak egy stereo csöves erősítőt és gondoltam megkérdezem a tőlem jobban hozzáértőket. A másik kérdésem a tápegységre vonatkozik, hogy szükséges e ilyen bonyolultságú táp, valamint meg lehet e oldani egyszerűbben, egy trafóval? A válaszokat előre is köszönöm. Üdv, Palkó.
Ez egy "full-extrás" táp. Természetesen lehet rajta egyszerűsíteni (de esetleg érdemes-e?). Trafó is lehet szerintem minden további nélkül egy darab.
Plachtovics úr nem véletlenül találta ki, a bonyolultabb rész az anódfesz. késleltetése, amit, ha nem mellőzöl, a csövek élettartama bőven meghálálja. Érdemes a cikket végigolvasni, sok jó tanács van a szövegben(RTÉK1996-letölthető:Bővebben: Link)
Nekem nem sikerült innen letölteni semmit. Valószínű én nem értek hozzá. Hogyan kell innen letölteni bármit is!?
Szia palko0125!
Én ezt építettem meg. Tetszik a hangja, és a teljesítménye is elég (legalábbis nekem).
Szia!
Kimenő és hálótrafó adatod van hozzá?
Regisztrálj, majd az egyszerű letöltéssel mindent ingyér letölthetsz. Nekem innen van az összes RT, RTÉK, meg rengeteg egyéb.
A hozzászólás módosítva: Máj 14, 2013
Egyenlőre nálam a táp 3 trafóból áll, a kimenő is olyan, amit itthon találtam.
Majd a télen lesz időm trafóval foglalkozni, addig így is elmegy.
Ezt én is kinéztem már magamnak, valami egyszerű stabilizálást még gondolok a B és D-re.
Én abból indultam ki, hogy a kérdezőnek első példányai egyike. Nyilván nem ok nélkül van így kitalálva, de egy kezdő erősítő lehet egyszerűbb, nem beszélve arról, hogy ha már egyszerű táppal jól megy, akkor lehet utána csinosítani a dolgot.
A hozzászólás módosítva: Máj 14, 2013
|
Bejelentkezés
Hirdetés |



Majd kifojt a szemem, amíg végigolvastam, de nagyon jó, na jéjszakát mindenki, megyek elteszem magam , már korábban kifőztem magam, úgyhogy ezzel gond nem lesz
kis fejvakarás után a 






