Fórum témák
» Több friss téma |
Mielőtt kérdezel, a következő két dolgot ellenőrizd!
I. A helyes tápfeszültségek megléte.
II. A kimeneten van-e egyenfeszültség.
Élesztés.
Igen csak már 2 éve próbáltam ki akkor lehet, hogy tudtam hogy ezek fel vannak cserélve csak már kiment a fejemböl azóta. De van még egy kérdés. A potméter amit beszereltem csak egy nagyon kicsi középtartományban változtatja a hangerőt azaz kb 1mm-es tartományban változtatja a hangerőt középállásban valahol. A többi részen vagy teljesen halk vagy teljesen fel van hangosítva. Lehet hogy a boltban a logarintmikus helyett lineárisat adtak a potibol vagy mitöl lehet ez?
Ezt a lineáris- logaritmikus dolgot könnyen meg tudod nézni. Multiméter elő, és ráteszed a megfelelő pontokra, és elkezded tekergetni. A tekerés mértékéből látod, hogy milyen. De lehet, hibás is a poti.
És ha 100K a poti akkor 50%-os tekerésnél ha 50K-t mutat akkor lineáris? Vagy hogyan kell néznem?
Igen. Ugyanis a lineárisnál a tekerés nagyságával megegyező változás van. Azaz ha kicsit tekersz kicsit változik az érték, és ez végig így van. Logaritmikusnál az elején finoman állítható, a vége fele meg dúrván. Tehát az elején és a végén nem akkora a változás értéke ugyan akkora elmozdulásnál.
Ez egy másik folyamatban lévő projektem:
http://www.hobbielektronika.hu/forum/topic_post_1439960.html#1439960 Igaz másik fórumban is kérdeztem már de belinkelem ide is, hátha tudja valaki a választ. A kérdésem továbbra is az ha a mélyládát arccal lefele fordítom reflexcsövestül akkor így megfelelő-e a hangzás. Illetve ha 1015-ös gépet látott már vki szétszedve akkor hogy van megoldva a mély?
Köszönöm, látom nagyon egyszerű meg minden de ez nem lesz kevés egy mobil kihangosítóhoz?
Ilyen fajta Végfok Ic-t keresek! 2SC3284 46Y!! pl.:ilyen csak 46Y legyen a vége!
Ha valaki tud írjon már legyen olyan szíves! Kösz szépen előre is! További Szép napot mindenkinek! Üdv A hozzászólás módosítva: Máj 18, 2013
Szia még nem,előbb küszöb csere a kocsimon meg javitó iv ha kész vagyok vele akkor jön a forrasztás
A hozzászólás módosítva: Máj 18, 2013
Szia!
Amit keresel,az nem IC,hanem egy NPN teljesítmény tranzisztor. A 46Y miért fontos a végén? Itt beszerezhető.
Szia!Elkészült a másik monoblock a Cressendoból, de ugylátszik egyik darab se indul zökkenőmentesen.
Meg akartam mérni a kimeneti offsetet a tp3 és a test között, és negatív tábfesz van a nulla helyett a két 10ohm be van kötve a tápfeszek elé, nem melegszik a ledek üzemszerűen világítanak. Szerinted mi lehet?
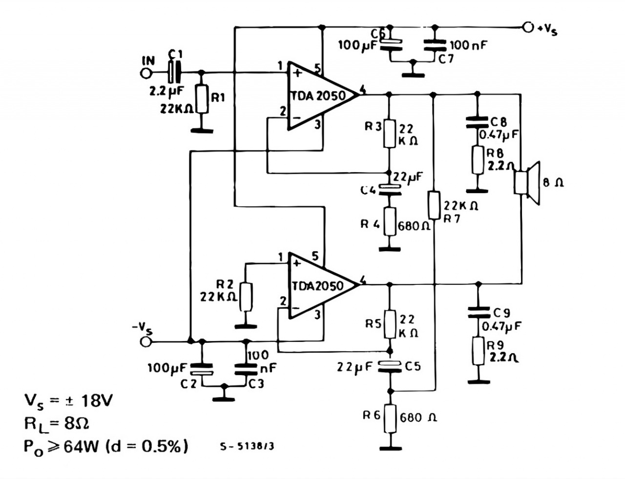
sziasztok! Kerdesem az lenne hogy a tda2050-et lehete hidba epiteni es igy milyen teljesitmenye lenne??
Megoldódott, r8 és r10 között szakadás volt. Olyan, hogy szabad szemmel nem is láttam a vezetősávon, r8-on 0V esett onnan gondoltam, müszerrel csipogtatva lehetett csak felfedezni.
Az alap ármfelvétel viszont nagyon magas, 0,056V van tp1 - tp3 - on mérve, nem lehet jobban letekerni a potit, nem lehet az a propléma, hogy csak 930ohm az értéke, a másik monoblock-ban meg 1010ohm? Cseréljem egy nagyobra?
sziasztok! Kerdesem az lenne hogy a tda2050-et lehete hidba epiteni es igy milyen teljesitmenye lenne??
Megelőztél
![]() Hagyd a potit, az R28 270 ohm-ot cseréld nagyobbra, 470-1k között bármi jó.
Szia! Minden a képen!
Szia István! Levizsgázott az St-nk. Bián volt egy iskolai rendezvény, 3 órán át nyúztuk szünet nélkül. A diritől dicséretet kapott, pedíg egy fa lapon volt kiterítve. Kicsit melegedett, de nem veszélyes. Reloop megint küldök egy pozitív értékelést Neked.
Nagyon ügyes vagy. Sok sok gratula Neked.
Üdv.
Most hallgatgatom itt az erősítőt hidalva és az ajánlott alapján de nekem úgy tűnik, mint ha ugyan akkora lenne a teljesítmény. :/
Szia! Néz szét a TDA2030-40-50 témában!
Szia! A teljesítmény P=U2/R. A párhuzamosítástól az U feszültség egy fikarcnyit sem növekedett. A többletteljesítményt úgy érheted el, ha az R-rel jelölt hangsugárzó-impedanciát csökkented. Erre úgy ad lehetőséget a párhuzamosítás, hogy az amúgy korlátozott terhelő áram így két fokon oszlik meg, tehát duplázható.
Üdv. Végül is most akkor szakmailag párhuzamosítva is van és utána hidalva is nem?
A híd kapcsolás alapból sajátja az IC-nek. Amit készítettél kizárólag arra az esetre jó ha van egy osztatlan 2 ohm-os tekercsű hangszóród hozzá. (szerintem nincsen)
Szerintem értem... Lentebb vihetem így a terhelő impedanciát (2 ohm alá?) . Vagy rosszul gondolom?
Heyho!
Egy kis segitség kéne, végfok tervezgetéshez keresnék valami szakirodalmat. Merült fel annak kapcsán, hogy pl MJ11032G;MJ11033G-vel lehetne-e HF erősitőt épiteni. Na igen, az egy dolog hogy kiválasztottam a végtranyómat, de hogyan tudom meghatározni egy pár végtranyóhoz a minimális terhelőimpedanciát?
Kicsit jobban utána néztem a projektednek. A TDA8560q legnagyobb terhelő árama 7,5A. A párhuzamosítás révén ez 15A-re emelkedik ideális esetben. A híd kapcsolást így lehetőség nyílik 1 ohm-mal terhelni. Nem sok értelmét látom mert tudtommal nem gyártanak szériában ilyen impedanciájú hangszórót. Ha 2x2 ohm-ból, vagy 4x4 ohm-ból állítod elő az 1 ohm-os terhelést, akkor egyszerűen megosztod azokat a két csatorna között, nem kell a párhuzamosítással járó ellenálláson keletkező veszteséget elviselned.
Hétvégén végre volt egy kis időm közben, így kitudtam próbálni a kimeneti fokozatot.
Gyakorlatban történő végleges beállítása után jöhettek a statikus tesztek. 140mA-es nyugalmi áramot céloztam meg neki +-50V tápfeszen, -ezt 5% belüli ingadozással igen stabilan tartja. Offset-je is nagyon jó. 10mV (+-5) a mért maximum ingadozása. -Kimondottan sikeresnek ítéltem a tesztet. Csöves meghajtása remélhetőleg jövő hétre aktuális lesz.. ![]() Beszéljen pár kép: |
Bejelentkezés
Hirdetés |





Meg akartam mérni a kimeneti offsetet a tp3 és a test között, és negatív tábfesz van a nulla helyett a két 10ohm be van kötve a tápfeszek elé, nem melegszik a ledek üzemszerűen világítanak. Szerinted mi lehet?
Az alap ármfelvétel viszont nagyon magas, 0,056V van tp1 - tp3 - on mérve, nem lehet jobban letekerni a potit, nem lehet az a propléma, hogy csak 930ohm az értéke, a másik monoblock-ban meg 1010ohm? Cseréljem egy nagyobra? 


