Fórum témák
» Több friss téma |
Fórum » Hiraga erősitő
Témaindító: pcmaster90, idő: Máj 27, 2013
Témakörök:
Sziasztok
Egy Hiraga Le Monstre erősitő épitésére szántam el magam .És azt szeretném kérni hogy az ezzel kapcsolatos infokat ,tapasztalatokat vagy esetleg vélleményeteket itt osztánatok meg mindenkivel.S ezúton tudnánk segiteni a további minőségi zenehalgatásra vágyó utánépitőknek. A hasznos infokért előre is köszönet .
A megépítést én is fontólgatom a táp része nagyjából megvan ez a panel honnan van, a hátúljáról is készíts képet légyszi , ha jól tudom az így egymással szembe fodított tranzisztorokat összekel fogni hővezető pasztával a jobb szimetria miat.
Milyen félvezetőkell építed , és mekkora feszültségről akarod járatni ?
Egy ismerősömtől sikerült hozzájutnom mondván hogy továbbra inkább a csöves techinkában szeretne tevékenykedni , ha jól tudom neten vásárolta ebay.com -ról ezt igazolja ez a link: Hiraga
egyenlőre a link szerinti a félvezetőket tartalmazza elvileg eredeti Thosiba D844 és B754 páros bár kételkedem benne mivelhogy valamelyik oldalon azt olvastam hogy ezeket a teljesitmény félvezetőket már nem gyártják jó ideje.További félvezetők: Toshiba low noise J-FETs 2% Idss MATCHED 2SK170/2SJ74 Low Cob Hitachi 2SA872/2SC1775 valamint 2SB716/D756 gondolkodom a későbbiekben a félvezetők cseréjéről valami jobb minőségűre ha lehetséges passziv elemek: Dale mil grade 1% ellenállások Nichicon KZ MUSE szűrő kondik a teljesitmény ellenállások pedig 1ohm / 10w -osak elvileg valami Japan gyártmány ez is +-12 vagy 13V szeretném járatni tápáganként 2 ROE tipusú 82000µF / 25V -os kondikal (összesen 4 darab) ha esetleg valami ötleted lenne ezzel kapcsolatban örömmel fogadom jelenleg 350W-os toroidról próbaltam ami 4 kivezetéses 4 x 14V -os váltakozó feszültségel valamint 2x 50A (KBPC5002) -os gratez hid , 2x 4.7OHM 50Watt szóval CRC bekötéssel alkalmazva +-13.5V -ot szolgáltat az erősitő számára ,tervezem a táp átépitését is csak kondenzátorokat alkalmazva ,valami kisebb feszültségü transzformátorról hogy megfelelő egyenfesz legyen a kondenzátoron az erősitőnek valamint nagyob áramelátás.
Milyen félvezetőket tudnátok ajánlani az egyes poziciók helyére valamint mindenféle praktikára és okoságra kiváncsi volnák ami valami féle javulást eredményezne,a táp módositásokról vagy elátásról ötletek esetleg ,eredeti félvezetők a leirás szerint párba vannak válogatva ,mennyire nehézkes másféle tipusúra cserénél a párbaválogatás? illetve passziv elemeknek miféléket ajánlotok az eredetik helyére mert az igazat megvalva nem vagyok elégedett a minőségével ,jelforrásnak pc-t használok külső 24bit-es hangkártyával a Creative-tól: Creative Sound Blaster X-Fi Surround 5.1 Pro USB
FLAC audio fájlokat halgatok a jobb minőség érdekében mit ajánlotok jelforrásnak , valami előerősitő fokozatot vagy esetleg korrekciót a jel útjába?
Szia! Az A osztályú erősítő témában sokat olvashatsz a kapcsolásról. Keresés eredménye.
Még egy kis olvasnivaló. Ha abban a témában érdeklődsz, nagyobb eséllyel kapsz választ
A cikket már olvastam de köszönöm hogy figyelmembe ajánlottad , s azért nyitottam ezt a topicot hogy itt csak a Hiragával kapcsolatos témákat valamint infokat osztjuk meg egymás közt ,jelenleg nem szeretnék az összes A osztályú erősitő témába beleásni magam mivelhogy elég nehézkes a dolog ezzel az egy erősitő tipusal is de azért köszi még1x*
Mod: *Egyszer! A hozzászólás módosítva: Máj 27, 2013
Szerintem a táp jó lesz nekem is ROE kondim van csak 6 db van belőle és a trafóm is 2x10 vagy 11 voltos de próbára biztos jó lesz .
Ja a hidegítő kondikat ne felejsd el.
Milyen értékü hidegitő kondikat ajánlsz vagy használsz ?
A JLH erősítőben mindegyik kondira más értékűt raktam 100nanó-tól 1 mikróig ami volt ithon.
Köszi az infot majd kipróbálom én is.
Üdv! Én a Hiraga 30W os változatát építem már nem sok van vissza belőle és készen leszek vele majd teszek is fel képeket de amúgy már hallgattam hogy még is milyen a hangja, nekem nagyon tetszik.régebben ezt a dac-ot használtam Bővebben: Link nem voltam vele elégedett. Most egy épített dakot használok amit egy Pécsi ismerősöm készít High Quality Audio Digital-Analog Converter (DAC)
PCM1794 DAC 24-bit/96kHz (High Quality) Bővebben: Link Ez a dac oda veri az Asus dac ját és 45ezer az ára csak.Előfokom Marantz SC-8 de nem használom hozzá csak egy potin halad át a jel a dak és az erősítő közt.Előfokot te sem használj mert felesleges és ott már csak romlik a hang nem hiába a high-end ben is kerülik az előfokokat csak oda tesznek ahol nagyon muszály és ott is a leg egyszerűbb felépítésű csöves előfokokat használják.Amúgy a hangján javíthasz ha gyors diodákat használsz az egyenirányításnál és ahogy elöttem is írta kedves keszeg01 úr hogy a hidegítő kondikat nem szabad mellőzni tegyél az erősítő tápcsati +/- és gnd közé is 100n kondikat és persze a nagy pufferekhez sem árt. Én WIMA mkp kondikat használok és még 10mikro MKP kondik is jól jönnek a tápba.MAj ki akarok próbálni nagy kapacitásó az autó hifiben használatos kondikat is hogy mit dob a hangon mert az esr értékük nagyon alacsony és max 20V DC-t bírnak a kijelzőt le kell dobni róluk és kész ia van. Nálam +/- 33 V a táp fesz ezért nekem 4db kéne mert 2-2 sorba kötnék a fesz miatt 4 db 6Faradosra gondoltam
ÉS persze a trafó sem mind1 milyen mármint mekkora a teljesítménye ahogy írtd nálad a toroid 350VA ez elegendő de mivel 4 kivezetéses az az 4db szekunder tekercse van ezért a szekunder huzalok keresztmetszete elvlieg csak fele mint a 2 tekercses trafóké. ezért szokták az is csinálni hogy mivel nagyobb teljesítményt amúgy sem tud a trafó maga leadni a vas és a primer tekercs miatt viszont ha elfér meg lehet duplázni a tekercsek keresztmetszetét ezáltal csökken a trafó belső ellenálása.Ez a megoldás úgy is lehet orvosolni hogy nagyobb teljesítményű trafót teszünk bele de ha a hely nem engedi és az elöbbi megoldás viszont működne akkor azt kell alkalmazni. A kissebb mágneses szórás miatt a toroidot szokták még felülgerjeszteni tehát ha nekünk kell 300VA -es trafó akkor használnak 400- vagy 500VA es vasat és azt tekerik meg 300 VA-re ezáltal a vas kisebbet szór mint ha a gerjesztés határán lenne. Ha esetleg valamit nem jól írtam ,gondolok javitsatok ki.Mert abból csak tanul az ember.
Kiváncsian várom a képeket és eredményeket a 30watt-os változatoddal kapcsolatban.Kérlek ird le hogy mit is értesz az alatt hogy tetszik nagyon a hangja ,milyen müfajban jeleskedik a hangzása ,magas és a mély hangok átvitele milyen mértékben hallható és érezhető,ezzel a dac-al mi változott a hangzásban ,dinamikusabb vagy esetleg valmien frekvencia lett hallhatóbb esetleg tisztább ? Tudnál dobi kapcsi rajzot a Hiragádról? Ezeket az egyenirányitó dióda hidakat használom: KBPC5002 A kondival kapcsolatos infokat köszönöm ,megfogadom s beépitem az áramkörbe ,A puffereket illetően nem túlzás egy picit ,ekkora kapacitást alkalmazni?
Valamelyik diy fórumon olvastam hogy ezek a nagykapacitású kondik elég silány minőséget képviselnek de szerintem próba szerencse Jelenleg milyen tápot használsz esetleg CRC vagy valami egyéb kiegészitést alkalmazol ? Lehet hogy 2 nagyobb teljesitményü 2 kivezetéses trafót fogok használni a jelenlegi helyett. Köszi a transzformátorral kapcsoatos infokat is. A hozzászólás módosítva: Máj 28, 2013
Még ezt is olvasd el :http://users.atw.hu/hapro/hiraga.html
Sziasztok!
A hiragánál a meghajtó tranyókat (2sa634-2sc1096) melyik típusokkal lehet a leg eredményesebben helyettesíteni?
Köszi az weboldalt ,érdekes és hasznos tapasztalatokon alapszik
Engem is érdekelnének a tapasztalatok a további tranzisztorok cseréjével !
Üdv!Jelenleg nem otthonról írok amint a saját gépemhez férek tudok megfelelő válaszokat írni a kérdéseidre.A dac hangával kapcsolatosan az volt a tapasztalatom és hogy az Asus hangja nagyon nyers volt ehhez képes és ott a magas hangok kicsit tolakodóah voltak emellett nem természetesen szólt ez most kicsit furán hangzik mivel digitális jelet alakítunk analóggá (de lehetett hallani azt hogy kicsit digitális a hangja nincs bene olyan élet mint 1 komolyan megtervezett dac hangjában)igazából hallani kell és utána lehet véleményt alkotni.De viszont én még a gyári műveleti erősítüket is kicseréltem komolyabbakra LME49720HA ÉS LME49710HA ra ezektől sokat javult a hanga de még így sem volt az igazi. Ezt nem csak én hallom így hanem több ismerősöm akik audiophile és high-end kategoriában jártasak.
Üdv!A meghajtó tranzisztorokkal kapcsolatban csak annyit tudok írni hogy én MJE15031G és MJE15030G tipusokat használtam.Persze lehet alkalmazni más tipusokat is és próbálgatni őket csak tudja azt a feszültség és áramot ami itt szügséges és természetesen bétára válogatva őket én minden tranzisztort bétára válogattam.Nem kevés pénzbe karült
A mélyek nagyon brutálisak és a tere is jó természetes a hangja nagyon élethűen szól. mivel nekem eddig AB osztályú erősítőm volt ez ahhoz képest fény évekkel elöl van. A diódák Bővebben: Link kondik 8db https://www.distrelec.hu/elko-radi%C3%A1lis-alum%C3%ADnium-alkatr%C...802718 és még ezekből nyáklapon van. 36db https://www.distrelec.hu/ishopWebFront/search/luceneSearch.do?dispa...802612 mkp wima kondikat is használtam bár sokaknak a haja égnek áll mikor meglátják hogy ilyen drága és minősígi kondikat ide pazarlok.https://www.distrelec.hu/dc-link-kapacitor-260-uf-500-v/wima/dcp5h16260d200ks00/824312 ésCRC szűrést használok.
A hangerő szabályozást egy az ebay-on vásárolt volume controllerel oldom meg távirányító is van hozzá. Alpsz potival és nincs előfok csak a potin halad át a jel.Ez még az erősítőt ki és be tudja kapcsolgatni azzal a 30 Amperes relével. és csak 12 ezer forinta berült ingyen postával megérte nagyon.
A trafó egy 600VA-es 2 szekunder tekercses 2x 24V AC toroid. Lágy indítóval használom 200 Ohm 25W os ellenállás van sorba kötve vele. 5sec ig ezen keresztül kap áramot a trafó.
Ezeknek a 260µF / 500V -os kondiknak a szerepét nem nagyon értem ,mire is szolgál pontosan ?
miLY*en formában oldottad meg a CRC szűrést ,értve itt a kondik kapacitás szerinti elrendezését s miLY*en ellenállást alkalmaztál ?*mod. A hozzászólás módosítva: Máj 29, 2013
Ezért jó, hogy szanaszerte vannak mostmár a hozzászólások. Az A osztályban vannak összegyűjtve ezek az infók.
A hozzászólás módosítva: Máj 29, 2013
Igaz ,remélem legalább ezt a Hiraga témát sikerül itt megvitatni mert már kicsit nagy az A osztályú topicban a zürzavar,erősitő tipusokat illetően.
A CRC szűrést úgy alkalmaztam ahogyan a linkelt kapcsolási rajzon is látható a táp részében semmi extra nincs benne annyi hogy nálam 47 ezer mikrós kondik vannak. Azok a nagy mkp kondik viszont azért is vannak bent hogy a tápnak nagyobb frekiken is viszonylag stabilabb legyen az inpedanciája mivel a tápot tulajdonképpen az erősítő változó frekvencia menetben rángatja ezért érdemes több típusú kondikat alkalmazni ezt az A-osztályú erősítőkben kedves szamóca úr nagyon szépen le írta nekünk hogy mit miért alkalmaznak.
Idézet: „A tradicionális, standard aluelkók, viszonylag alacsony frekiig jók pufferként hangfrekis alkalmazásoknál, nagyfrekin a pár száz nanos hidegítők tárolókapacitása semmi, nem is ilyen célzattal kerülnek ugye bele. A magasabb frekiken is jó viselkedő tároló, simító kondérok, azonban nagyok, és drágák, nem is hoznak minden kapcsolásban oly sokat hangban, hogy megérné belefektetni, ezért nem elterjedtek.”
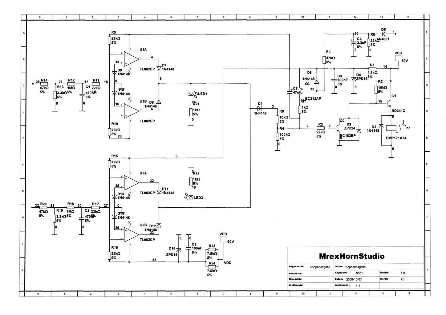
Az erősítő nyák terve és a 36db 2.200 µF 50V kondik nyák terve
És a hangszóró védelem.
Nálam még mindig Ő viszi a pálmát , igaz a kicsi tesót épitettem még meg csak , N1 helyen ál jelenleg is nálam .
Gondolkodom egy izmosabb változaton is de ez még a jövő zenéje ... Bővebben: Link |
Bejelentkezés
Hirdetés |






Valamelyik diy fórumon olvastam hogy ezek a nagykapacitású kondik elég silány minőséget képviselnek de szerintem próba szerencse 










