Fórum témák
» Több friss téma |
Fórum » Csöves erősítő készítése
Ne feledd betartani a fórum viselkedési szabályait, és a topik megmaradásának feltételeit. [link]
A téma átmenetileg fagyasztva lett, hozzászólni nem tudsz!
C3-at forraszd ki. Zárlatos lehet. A katódnál cserélj ki mindent újra.
mofesa,
nekem a Tesla Mono 130-as van, ami tranzisztoros előerősítőket nem tartalmaz. Az EF86 előtti cuccok nincsenek benne. A csöves rész ugyanaz mindkettőnél.
Köszönöm frecsko. C3 kiforrasztva. Nem segít. Cserélgetem az alkatrészeket.
Ha az ECC85 nincs beszúrva, akkor az E86-on a feszültségek érdekesen alakulnak.
Az ECC85-öt tudod cserélni?
Szakadás vizsgálóval nézd meg az EF86 lábait, a fűtésen kívül sehol nem szabad sípolnia.
Első hozzászólásomban próbáltam egyszerűsített kapcsolási rajzot küldeni. Valószínűleg nem volt szerencsés döntés. Most csatolom az egészet. Hátha valakinek jól jön.
ECC85-öst próbáltam cserélni. Három darab van belőle, sajnos mind használt. Átméregetem szakadás vizsgálóval. Minden alkatrészt újra cserélek... Ha nem fog menni, akkor újra kérem a segítséget. ![]() Köszönöm az eddigi ötleteket.
Egy olyat is mérhetnél, hogy nincs-e valahol a föld vezeték megszakadva. Tehát a R2, R4, C5, R11 alkatrészek és a tápegység kapcsolatban van-e, nincs-e valahol egy forrasztási hiba? Amikor a -344 V-ot mérted a műszer negatív mérőcsúcsa hova volt érintve? Ez a pont és a táp földpontja között lehet mérni jelentősebb feszt. Persze amikor benne van az ECC85-ös.
A hozzászólás módosítva: Jún 1, 2013
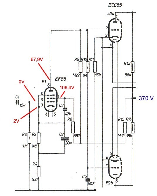
Az EF86 9-es lábán nagyon nem jó az a 344V. Nem zárlatos a 9-es láb az 1-es, 6-os és 8-as lábakkal? Vagy valami partizán kötés lehet ott.
Ok, meggyőztetek
Sajnos szerintem egy kimenőd sincs.
Kicsit ültem a kérdésed felett; (1 külön kérdés, amivel szűkíthetem a kört; hogy raktad rá a jelet, kikerűlve a fázisfordítót, vagyis ez úgy értem, hogy hova kötötted az audiójelet?)
Én amikre gondoltam, hogy el van csúszva az EF86-os munkapontja, de elég zavaró az a böszme nagy előfeszültség, ott már tulajdonképpen le van zárva a cső, nekem igen torzítás már jelentkezett olyan okból is, hogy a puffer + vagy a - ága nem volt ott ahol kell, lényegében nem volt puffer, és így nem is volt feltünő az 50Hz, inkább mondhatni torzított, és ahogy itt elnézem külön puffer van a EF86-nak is. Én kicserélném azt az 50µF-ot (C304b), de ez csak egy hátha dolog. ÜdV!
Csöbörből vödörbe. Valahogy így foglalhatnám össze eddigi munkám eredményét.
Eredetileg rádiótechnikus vagyok. Sajnos úgy hozta a sors, hogy 22 éve nem foglalkozom a szakmámmal. Így megfelelő eszközeim sincsenek. Nyilván járatlan útra tévedtem ezzel a csöves erősítővel. Ajándékba kaptam évekkel ezelőtt. Nemrég kedvet kaptam a javításra. A -344V-ot az EF86 rácsán nem tudom reprodukálni - azóta egy csomó dolgot cseréltem már. Elvileg elképzelhető, hogy elnéztem a tizedespontot a mérőmön.? ![]() Ha az audió jelet az ECC rácsra (2-es kivezetés) csatolom kondenzátoron keresztül, akkor lényegesen tisztább (szubjektíve) a reprodukció, mint az EF86-oson keresztül. Megfelelő nagyságú jellel szépen ki is lehet hajtani a végfokot. Szinte az összes passzív alkatrészt kicseréltem már. Az oktal foglalatokat is. Egy-két dolgot nem tudtam cserélni, azokat átmértem. Kapargattam a nyákot, átforrasztottam a csatlakozásokat. Megtisztítottam a csövek kivezetéseit az oxid rétegtől. A noval foglalatok még az eredetiek. A csövek használtak. A földek rendben. Csövek nem zárlatosak. Az 50Hz bizony hallható. Lehet itt kellene tovább keresnem a problémát. Puffert most nem tudok cserélni, nincs a fiókban. Mikrofonos az egész szerkezet. Tapasztalat hiányában nem tudom megítélni, hogy ez mennyire normális.Az erősítő eléggé bonyolult konstrukció. Nagyon nehézkes a javítás, alkatrész csere, mérés... Úgy gondolom, hogy beszerzek még néhány új alkatrészt, noval foglalatokat, új csöveket, aztán majd nekifutok újra. Egyelőre köszönöm a segítőkészséget, tanácsokat! Szép napokat!
Szia, ha kint az 50Hz, akkor cseréld ki a puffereket, mert lehet eggyik átereszt, és akkor már az álltalam leírt (és a tiedre is igaz) problémát fogja kijavítani, remélem így jó lesz
![]() ÜdV! Majd kérlek írd meg mi lett... A hozzászólás módosítva: Jún 1, 2013
Sziasztok,
a fentebb mellékelt kapcsolásban a hálózati trafó után csak egy egyszerű egyenirányító híd van kötve. Mennyiben fogja ez befolyásolni a kimenetet ha így hagyom? Nem lenne jobb valami hasonlót tenni a graetz helyére? (kép) A hozzászólás módosítva: Jún 2, 2013
Szia! Az EF 86(és közeli rokonai) eléggé nagyot erősítenek, hány mV-ot adtál a bemenetre? Ha 10mV-nál kevesebbet, akkor munkapont eltolódás lehet, vagy zárlatos a cső. Ezt egy 2x250V-os szekunderrel ellátott trafóval tudod előállítani. A fűtést(4-5 láb) jobb nem piszkálni. Nekem csúnya torzítást egy rádióban ECL 82-es cső pentóda része alkotott, akkor le is égettem a zárlatot. Előbb egy multiméterrel vizsgáld végig a cső kivezetéseit a bekötése alapján. Ha találtál zárlatot, akkor 50% esélyed van rá, hogy sikerül. Ennyit tudtam segíteni.
Sziasztok!
Az erősítő beindult. ![]() Ahogy tegnap már sejtettem is, nem lehet kiragadni a kapcsolási rajz részletét, ahogy azt tettem, amikor csak az előerősítők rajzát küldtem a fórumba. A hiba máshol volt, nem az előerősítőben. Természetesen teljesen banális. A tirisztor volt zárlatos, ami védi az erősítőt a kimenet túlterhelésétől és a rövidzárlattól. Azóta már szimuláltam is a tirisztor begyújtását. Előjött a tipikus hiba a torzítás. Az előerősítő és az inverter csövek munkapontja ilyenkor széthullik. Sokat tanultam most. Az 50Hz továbbra is jelen van, de az egy más probléma, ami majd szintén megoldódik valószínűleg a pufferek cseréjével. Közel 40 éves alkatrészekről van szó. kristikoma, köszönöm a tippeket. Sajnos nincsenek megfelelő eszközeim, mint pl. generátor és oszcilloszkóp. Csupán egy multiméter. Az audió jelet egy discman szolgáltatja. Így azt sem tudom, hogy mekkora jelet adok a bemenetre, csupán sejtem. Hosszú idő után ezzel a munkával kicsit visszatértem a gyökerekhez. 16 évesen már építettem egy csöves sztereó erősítőt. Akkor még szinte csak germánium tranzisztorok léteztek nálunk. Le sem merem írni, hogy az mikor volt. ![]() Köszönöm a segítséget mindenkinek.
Hoppá, ezt majdnem benéztem, köszi mindkettőtöknek. 1N4007-es jó lesz.
Ellenállások gondolom 5W-osak elég kell hogy legyenek. Vagy elég a 2W-os is? Az R37-es 1k2-es is csak 2W-os a rajzban. A hozzászólás módosítva: Jún 2, 2013
Egyátalán nincs mit. Ha az 50 Hz jelen van, puffer elkóim vannak, írd meg, milyen értékű kell, és megegyezünk.
A legtöbb helyre a 0,6W is elég. Tipikusan a végcső katódja, ami többet kíván. A 2W mindenhová a feszültségtűrése miatt javasolt (főleg, ha nem tudod, mi hová és miért kerül, mekkora teljesítmény igénnyel). 5W extrém eset, nem kell.
sziasztok kérdésem a következő lenne, elkezdtemépíteni egy szereó erősítőt ecl82-es csövekkel a kérdésem annyi lenne hogy a kapcsoláson lévő 200v helyett ha 260v kap (ennyit ad le a trafó a graetz híd után) akkor lesz e belőle baja a csöveknek vagy elbírja e még?
ezt a kapcsolást használom:
Szia, az adatlapja szerint 300V-ot bír határadatnak, viszont a munkapontod nem lesz ugyanaz 260V esetén, mint 200V esetén, tehát az ellenállások értékén módosítani kéne, vagy soros R taggal elfűtteted a 60V felesleget.
Ezt terheletlenül adja a trafó? Ha így van, akkor jön még a puffer, meg a két oldal szűrése, a csövek is ejtenek. 260V -ból simán lehet 200V is akár. Ha a hálózati trafód primer oldalával sorosan bekötsz 2db 25W -os izzót, ez hamar ki is derül, kapsz egy közelítő értéket, kb. mennyire terheli le a hálózati trafót az erősítőd.
Az erősítő részben többnyire mindenhova 0.125W-os, néhány 0.25/05W-os ellenállást írnak. Azért biztos ami biztos 0.6W, max 1W-osakat rakok helyettük.
A táp részben nem voltam biztos de akkor oda meg teszek 2W-osakat. Köszi.
Ha megnézed az ellenállások adatlapját, akkor ott írják, ogy a 0,6W bizonyos páratartalom mellett 250-300V-ig üzembiztos. E felett átüthet (nekem át is ütött már 1-2). A 2W-osak pedig bírnak 5-600V-ot is. Nyilván nem esik 250V se nagyon egy ellenálláson az erősítőben, de biztos ami biztos. A rácskörbe lehet egész kicsit is rakni (jelútba). Látnod kell, hol megy a telejsítmény és hol lehetnek nagyobb potenciálkülönbségek üzem közben (nem csak statikusan!).
Teljesen készen van a 6P1P PP. Elég retrós lett bár nem ilyennek akartam. A hálótrafó kicsinek bizonyult ezért a Videoton Aida 120VA-es trafója került bele. Picit zúg a magas gerjesztés miatt de a hangszórókban teljes csend van.
Nagyon guszta kívül-belül, gratulálok! Teljesen rendben van az a retrós kivitel...
Köszi! Meg is van a neve: "rácsos"
|
Bejelentkezés
Hirdetés |















