Fórum témák
» Több friss téma |
Fórum » Inverteres hegesztőtrafó
Miért ne lehetne az? Csak nézd meg az adatlapját és kiderül, hogy létezik ilyen tokozásban is. Bővebben: Link
Sajnos pont úgy puffant el,hogy semmit nem látok rajta.
A nagyobb testvére volt már a kezembe.
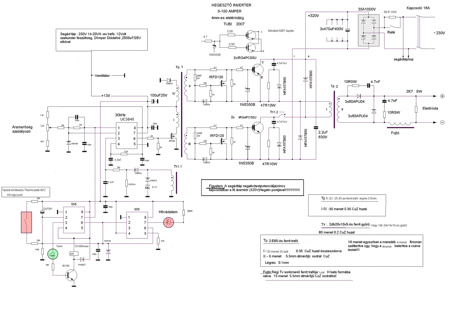
Az igbt-ket l6386ed hajtja előtte uc3845bdg van, a gysmi 131-el egyezik. A tiéd gysmi 125-re hasonlít. Itt van egy oldal próbálj eböl kiindulni.
Tanulmányoztam a rajzot, ha 5,6,9,10,11,12,13 lábak egyben vannak kötve a negatívra akkor lm324
Sziasztok
Nos elég hosszú idő után ujra él a macim 34 khz körül ketyeg.IGBTk irg4pc50w,hfa diódám még volt itthon.Az élesztés a tanult módon zajlott.Csökkentett táp soros égő méricskélés.Végül is más nem ment ki a gépben.Alkatrészköltség 3000 forint.Szerintem olcsón megúsztam,de többet nem lesz ilyen.Legalábbis ilyen okból kifolyólag biztos nem.Ami az egyetlen vigaszom,hogy a maci javítása sem kerül vagyonokba
A melléklet elsősorban azoknak lehet szükséges, akik GYS inverterek javításával foglalkoznak. Mindenesetre érdekes tanulság,hogy két -elvileg- egyforma IC mégsem egyforma.
Sziasztok !
A készülő macimhoz építem a hotstart, antistick, arcforce kiegészítő áramkört. Valaki elmondaná az UC 6-os lábára csatlakozó 2k-s ellenállás pontos beállításának módját ? Két órája keresem itt, de sajnos nem találom. Köszönöm !
Bocsi,de mit kell ott beállítani?Be kell rakni.
A kapcsolási rajzon csillagozva van, ebből gondoltam, hogy van valami teendő vele.
Másrészt, esett már szó róla a fórumon, hogy valamiféle beállítást igényel. Laci.
Szia
Ha emlékeim nem csalnak oda 2.2 k kell.A 2 kiló valójában cs1.9valamennyi és előfordulhat,hogy lefolytja a gépet.De mért külön építed?Fent van a Tubi kolléga álltal tervezett nyák.Én is az alapján építettem.Egyben van a vezérlés és a kiegészítő áramkörök.A két 555-ös helyett egy 556 van.És van rajta egy feszfigyelő is am jelez ha a segédtáp nagyon leesik.
Üdv.
Ha ,megkérlek megosztod a Tubi féle NYÁK terveket ,amiből építkeztél.Vannak letöltve nyáktervek,de biztos, ami biztos . Kösz.
Szia !
Az extra panel kivételével minden kész van már egy ideje. Feltételezem, pálcaleragadás esetén csökkenti az áramot, a kimeneti négyszögjel osztott visszacsatolásával az áramérzékelő bemenetre. Mivel tud többet, mint az eredeti verzió, ami az UC 1-es bemenetét húzza földre 1.2k-val ? Laci.
Sziasztok
Egy inverteres hegesztőt szeretnék csinálni, ehhez tudnátok e nekem kapcsolási rajzot ? előre is köszönöm
Szia
Ebben már benne van a hot start és az air force is.utóbbival kapcsolatban különböznek az álláspontok ér e valamit.A hot start része ugyanaz mint a sima macié. Nekem is kész volt már minden panelom és mégis újakat csináltam.Egy pár alkatrész értéket én megváltoztattam mivel Tubi kolléga gépe 200 ampert tud és 50 kHz felett ketyeg.Az enyém nem ilyen brutál.2500 péz bele a 4 igbt és 34kHz-en csoszog.De azért 100 amper felett tud kényelmesen.
Jobb felső kezdés,katt a nyilra,képek,és rengeteg kapcsolásí rajzot találsz.Ha csak ez kell,van ott bőven.
Elolvasod a topikot elejétől a végéig, és fogsz találni működő félhidast, hidast, és kéttranyós nyitóüzeműt is.
Sziasztok!
Egy jóideje nem volt idöm foglalkozni ezzel a temával! most abban szeretnem a segitsegetek kerni hogy van itt egy Gyári hegesztő (cevik ski 114) a belseje smd és széné éget. az inverter trafó es a folytótekercs jó. szertnek egy hasonló 110A es gépet épiteni. valaki tudna esetleg ajánlani egy kapcsolást?amit be tudnak epiteni a hazaba es felhasznalnam a trafot es a tekercset. üdv: Dozis
Legalább annyit kellene tudni, hogy milyen topológiájú volt. Gondolom 2T forward, ahhoz jó a macis rajz, vagy valami hasonló.
Üdvözlet!
Némi tanács kellene a következőben, az alább linkelt rajzon jól gondolom e hogy a tekercsek kezdetei vannak jelölve a kis fekete pontocskákkal? Gondoltam így az összerakás előtt megkérdem biztos ami biztos, előre is köszönet a segítségért
Volna még itt valami gyorsan felvázoltam a meghajtó és leválasztó trafó tekercselésének módját a linkelt képen, kicsit gagyi de azért remélem értelmezhető a dolog.
A lényeg az az lenne hogy a rajzon látható módon tekertem meg a trafót egy irányba minden tekercs mind egy oldalról kezdve és szemközti oldalon ugyanott befejezve, köztük természetesen szigetelést használtam. Jól készítettem e el a trafót avagy sem? ![]() Szkópom nincs így esélytelen a kimérés pillanatnyilag, ám az Igbt-ket sem akarom az első bekapcsolással a másvilágra küldeni ![]() Köszönet a segítségért
Azt azért tudnod kell, hogy E-I ferrit magnál 0,5mm légrés kell, ha E-E magod van, akkor nem kell légrés!
|
Bejelentkezés
Hirdetés |




34 khz körül ketyeg.IGBTk irg4pc50w,hfa diódám még volt itthon.Az élesztés a tanult módon zajlott.Csökkentett táp soros égő méricskélés.Végül is más nem ment ki a gépben.Alkatrészköltség 3000 forint.Szerintem olcsón megúsztam,de többet nem lesz ilyen.Legalábbis ilyen okból kifolyólag biztos nem.Ami az egyetlen vigaszom,hogy a maci javítása sem kerül vagyonokba








