Fórum témák

» Több friss téma
Fórum » Tápegység
 
Témaindító: Szabiiiii, idő: Jan 17, 2006
Témakörök:
Lapozás: OK   37 / 55
(#) Tomi94 válasza kadarist hozzászólására (») Máj 30, 2013 /
 
Marantz SD-320 HiFi magnódeck, 1983-as. A hűtött tranzisztor típusa pedig 'D313'.
(#) kadarist válasza Tomi94 hozzászólására (») Máj 30, 2013 /
 
Mérd ki a nagy tranzisztorok jóságát. De az is lehet, hogy a tranzisztormelegedést egy másik fokozat túlárama (zárlat) okozza.
(#) Tomi94 válasza kadarist hozzászólására (») Máj 30, 2013 /
 
Azon a tranzisztoron, amelyik melegedett, hFe állásban 66-ot mutatott a műszer, míg egy új példányon 180-at. Beteszem az újat, remélem nem nyírja ki azt is.
(#) Tomi94 hozzászólása Máj 30, 2013 /
 
Tranzisztorcserére nincs semmi változás... Zenerdióda lehet esetleg? Ha rámérek a multival, egyik irányba rendesen kiír értékeket, visszafele viszont sípol. Találtam egy némileg hasonló rajzot (SD225-ről), ennek a tápegysége megfelel az enyémnek.

sd225.jpg
    
(#) kadarist válasza Tomi94 hozzászólására (») Máj 30, 2013 /
 
Az alkatrészeket kiforrasztva kell mérni. A tápegység (tranzisztor) kimenetén mekkora a feszültség? Megfelel a rajzban lévővel?
(#) Tomi94 válasza kadarist hozzászólására (») Máj 30, 2013 /
 
Természetesen kiforrasztva mértem mindet (a tranzisztort nem is tudtam volna másképp, mert a műszernek saját foglalata van hozzá...). Amúgy a kollektoron 23,5 V van, ez szerintem oké, mert még 220-as a magnó. Az emitternél meg addig jó, amíg csak az előlapi LED-nek kell világítania, utána a motor üresjáratánál már leesik kb. 8 voltra. A bázison meg nagyjából hasonló értékeket mérek.
(#) kadarist válasza Tomi94 hozzászólására (») Máj 30, 2013 /
 
A Zener sarkain hogyan változik a feszültség a terhelés hatására?
(#) Tomi94 válasza kadarist hozzászólására (») Máj 30, 2013 /
 
Terhelés nélkül 13V, motor üresjáratával kb. 8V, ha megfogom annyira a motor tengelyét, hogy leálljon az egész (nem nehéz elérni...), akkor 6,5 V.
A hozzászólás módosítva: Máj 30, 2013
(#) kadarist válasza Tomi94 hozzászólására (») Máj 30, 2013 /
 
Egyelőre cseréld ki a Zener-diódát. Ha jól látom 12V-os.
(#) CHZ válasza Tomi94 hozzászólására (») Máj 30, 2013 /
 
Idézet:
„ha megfogom annyira a motor tengelyét, hogy leálljon az egész (nem nehéz elérni...), akkor 6,5 V.”

A C-on mekkora feszt mérsz ilyenkor?
(#) Tomi94 válasza CHZ hozzászólására (») Máj 30, 2013 /
 
A kollektoron továbbra is ott van az a 23,5..24 volt, ahogy üresjáratban is.
(#) Tomi94 válasza Tomi94 hozzászólására (») Máj 31, 2013 /
 
Tranzisztorok és zenerdióda cseréje után sem változott semmi...
(#) Tomi94 válasza Tomi94 hozzászólására (») Máj 31, 2013 /
 
Na, megtaláltam a hiba okát! A fő táp tulajdonképpen hibátlanul ment végig, a motor pedig külön stabilizátorról jár, annál volt a gond. Oké, de akkor hogyan befolyásolta a többi egység működését - jöhetne a kérdés. Nos, a két áteresztő tranzisztor ugyanarról a zenerről kapta a bázisfeszültséget, csak épp a motorhoz tartozónál a kollektora előtti ellenállás megszakadt, ezért gyakorlatilag a motor terhelte a referenciaként működő zenerdiódás osztót. A fő stabilizátor pedig pontosan követte a diódánál 6V-ig lezuhanó feszültséget...
(#) kadarist válasza Tomi94 hozzászólására (») Máj 31, 2013 /
 
Ügyes munka, örülök a sikernek!
(#) Tomi94 válasza kadarist hozzászólására (») Máj 31, 2013 /
 
Köszönöm Meglepett a dolog, nem gondoltam volna arra, hogy az az ellenállás csak úgy elszálljon, mindenféle füst és égésnyom nélkül. Próbáltam másik motorral a szűrőkondiról és az ment, utána jöttem rá kizárásos alapon. Amúgy most is megy a gép, ha bármi baja lenne vagy kihagyogatna, azt hallanám a hangján - de gond nélkül jár.
(#) steve69 hozzászólása Jún 1, 2013 /
 
Szia Sebi!

A 2013.01.27-én általad küldött és módosított rajzot végre elkészítettem
(sajnos a munkám miatt maradt el). A rajz szerint megépítve a mérések
szerint a kimenet 14.1V amit terhelve is stabilan tart. A 6-os lábon Ref.fesz.
7.33V ill. a 4-es lábról a fesz. osztóra is 7.33V megy.
A 10-es kimenetről 15.24V-al vezérli a BD241 bázisát.

Köszönettel Steve.
(#) Sebi válasza steve69 hozzászólására (») Jún 2, 2013 /
 
Szívesen! Örülök, hogy megoldotta a gondodat.
(#) steve69 válasza Sebi hozzászólására (») Jún 2, 2013 /
 
Szia!

Azt még szeretném kérdezni hogy mitől 7.33V a referencia fesz?
Pedig ha 13.8V-ra számolom a feszültségosztó két ellenállást
4.7Kohm ill. 5.1Kohm akkor 7.15V-ot kellene mérni.

Üdv! Steve.
(#) Sebi válasza steve69 hozzászólására (») Jún 2, 2013 /
 
Van szórása az Uref kimeneten lévő feszültségnek, gyártótól, évjárattól függően és az osztó ellenállásainak is. (De hőkompenzált, stabil és úgyis beállítjuk a pontos kimenetet az osztóval.) Ha zavar, akkor a kimeneti osztó felső tagját söntöld egy nagyobb értékű ellenállással (most nem számolnék, kezdd mondjuk 220k-val - saccra - és mérd a kimenetet közben.)
(#) steve69 válasza Sebi hozzászólására (») Jún 2, 2013 /
 
Persze ez érthető.
Köszönöm!
(#) ha6qt hozzászólása Jún 15, 2013 /
 
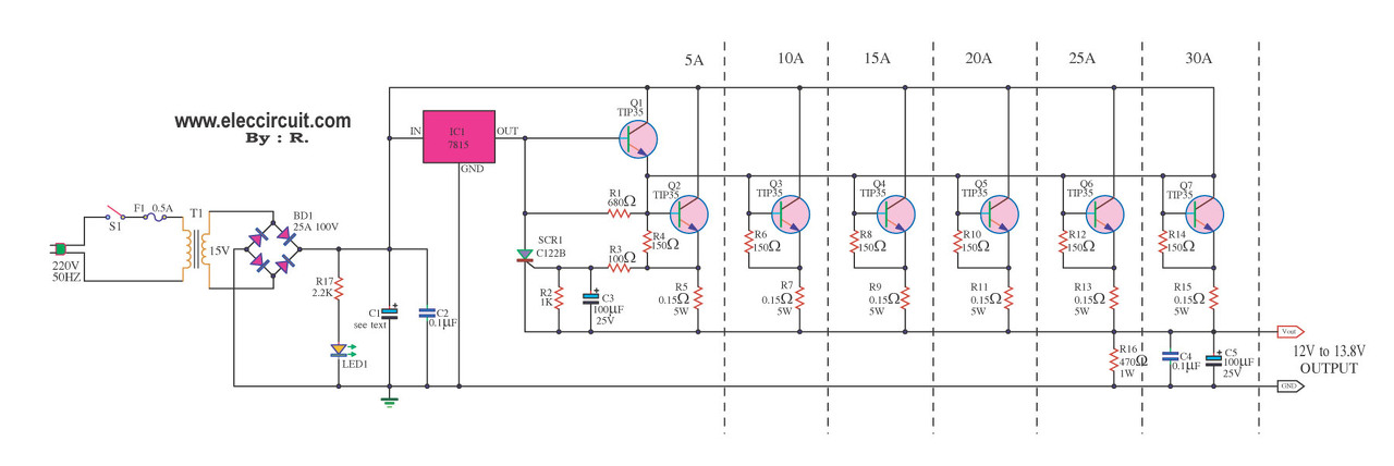
Halihó! Egy ilyet építenék meg hamarosan, TIP35 helyett BD249-el. Javasoljátok a megépítést, vagy tudtok üzembiztosabb 13.8V 20A-es táp rajzot? (Neten van egy pár, én beváltat keresek).

Ez az SCR tulajdonképpen milyen alkatrész?

Szerkesztés: A rajz végén nincs elrontva szerintetek, hogy az utolsó bázis-kollektor között rövidzár van?
A hozzászólás módosítva: Jún 15, 2013
(#) kadarist válasza ha6qt hozzászólására (») Jún 15, 2013 /
 
Szia!
Az SCR (Silicon Controlled Rectifier) nem más, mint egy tirisztor és a rajz tényleg el van rontva.
A hozzászólás módosítva: Jún 15, 2013
(#) chipi hozzászólása Júl 7, 2013 /
 
Sziasztok!

Van egy 12V 5A -s (ipari) tápom. Nem tudom, h. mi okozta a belsejében, de az olvadó biztosíték totál fekete, sőt a fém háza is megolvadt. Mellette az ellenállás is, csak fekete, de nem sérült!

KÉP
KÉP1

Ez közvetlen 230 -s bemenetről jön.

Ez a táp egy 4 biztonsági kamerát hajtott meg. Strandon volt, a táp belsejében (balatoni bogarak) voltak. Esetleg okozhattak ők rövidzárat?
A hozzászólás módosítva: Júl 7, 2013
(#) proli007 válasza chipi hozzászólására (») Júl 7, 2013 /
 
Hello! Azért nem árt körülnézni, hogy egyenirányító stb. nem sérült-e. Mert elég brutál zárlatra utal a dolog. Nyák másik oldalán is körül kell nézni. üdv!
(#) chipi válasza proli007 hozzászólására (») Júl 7, 2013 /
 
A nyákot átnéztem, nincsen égés a vezetősávokon.
(#) Sebi válasza chipi hozzászólására (») Júl 7, 2013 /
 
Nem is ott - hiszen a vezetősávokat képes megvédeni a bizti - hanem a kapcsolótranzisztor/FET környékén. Ha nem kapcsolták át véletlenül SW1-et, akkor valószínűleg a kapcsolóeszköz adta meg magát. Ha az elkón/graetz kimeneten nincs zárlat és a FET vagy tranyó emitter/source ellenállás is ép, akkor lehet, hogy megúszod egy graetz cserével.
A bogarak kevéssé vezetnek, sőt még szegény békák sem tudnak kiverni egy 2A-es biztit, hanem megsülnek...
A hozzászólás módosítva: Júl 7, 2013
(#) chipi válasza Sebi hozzászólására (») Júl 7, 2013 /
 
Falra volt felszerelve a táp, nem nyúlt hozzá senki sem, mert minden matrica ép volt rajta. Az átkapcsoláshoz meg felkellet volna tépni a matricát.
(#) DöDö12345 hozzászólása Júl 18, 2013 /
 
Hali
Segítségeteket szeretném kérni, minap tönkrement 12V-os tápegységem ami 80 wattos motort hajtott. Egy olcsón megépíthető, hosszú élettartamú, kis méretű tápegység kapcsolási rajza érdekelne.
Előre is köszönöm válaszotokat.
(#) Medve válasza DöDö12345 hozzászólására (») Júl 18, 2013 /
 
Hello, próbálj ki egy PC-tápot...Sárga-fekete drót...
(#) djadji hozzászólása Júl 20, 2013 /
 
Hello!
Van egy ilyen tápegységem, ami 24V-ot és 2,5A-t bír a leírás szerint (link). Ebből szeretnék egy állítható feszültségű tápegységet készíteni. Az eredeti elképzelés az volt. hogy 338T-vel készítem el. Az működik is, csak úgy melegszik a 338T, hogy nem tudom mivel hűteni. Olyan megoldás kellene ami nem egyszerűen "elfűti" a felesleget. Korábban említettek valami lépcsős tápegységet, de képtelen vagyok előhalászni a korábbi hozzászólásaimat. Valaki tudna segíteni, hogy mi is lehet az amit építenem kellene?
UI: Olyan tápegység létezik, hogy a feszültséget is és az áramerősséget is tudom állítani rajta?
Következő: »»   37 / 55
Bejelentkezés

Belépés

Hirdetés
XDT.hu
Az oldalon sütiket használunk a helyes működéshez. Bővebb információt az adatvédelmi szabályzatban olvashatsz. Megértettem