Fórum témák
» Több friss téma |
Ha dupla Graetz-el akarod megoldani, akkor így is lehet.
Ha a bal és jobb oldalnak közös a szekunder tekercse(i), akkor nem kötheted a két oldalt hídba!
Sziasztok
Lenne egy annyira láma kérdésem, hogy igazából meg se nagyon merem kérdezni, egy csomó helyen néztem, de nem találtam választ a kérdésemre. Mivel most érdeklődök a műveleti erősítők iránt, egy olyan területre kerültem ami kimaradt az eddigi életemből, az pedig a szimmetrikus táp. Nos, valaki el tudná nekem magyarázni, hogy mire jó, miért jó? Szóval nem a készítése érdekelne, hanem az, hogy miért nem jó síma 24v (pl)? Konyhanyelven?
Tegyük fel váltakozó feszültséget szeretnél előállítani, erősíteni, valamilyen egyéb módon kezelni. Hát nem a legkézenfekvőbb a +/- -os táp? Ha egyszeres (aszimmetrikus) tápot használsz, a váltakozó feszültséget még szintben el kell tolni (csatoló kondenzátor), az veszteséggel jár.
A hozzászólás módosítva: Jún 4, 2013
Köszi így már értem.
Sziasztok! Végignyálazva sok-sok témát és hozzászólást, nem kaptam választ a kérdéseimre,miszerint:
1.)egy laptop 19V 3,42A tápegység után a kiemeneteire érdemes lenne egy 10.000µF kondit tenni a feszültség megemeléséért? 2.)Egy másik, 15V-os egyenirányított, stabilizált, LM317-el szabályozott áramkörbe tudna valaki olyan áramkört linkelni,képet adni, hogyha a kimenetet rövidre zárom, akkor ezt az állapotot egy LED jelezze? 3.)Középleágazású trafó nélkül is lehet szimmetrikus tápegységet csinálni ebben a formában: http://www.bsselektronika.hu/rajzok/tap.gif Gondolom a földet azt a fali aljzat földelő kapcsaira kellene kötni középleágazású trafó hiányában. Válaszaitokat előre is köszönöm! Tisztelettel
1. A kapcsoló üzemű táp nem szereti a nagy kondit a kimentén.
1a. Így nem lehet növelni a feszt. 3. Ha megnézed a rajzot, az is középleágazásos. 3a. A védőföldre nem kellene semmit kötögetni, ha jót akarsz. X. Ez egyik se labortáp építés!
Akkor veszek majd egy középleágazású trafót. Esetleg tudtok egy olyan kapcsolást,ami egyszekunderes trafóból csinál +- feszültséget? Illetve hogyha már vásárolok direkt erre a célra trafót,hogy műveleti erősítőket tápláljak vele,ahol kell a +-, hány V-os és VA-es trafót vegyek,ami joker lenne erre a célra? Én úgy gondoltam egy 18V-os megfelelne,tekintettel arra,hogy a legtöbb kapcsolásban a max feszültség +-15V volt.
Itt a trafó linkje: Trafó Idézet: „...Esetleg tudtok egy olyan kapcsolást,ami egyszekunderes trafóból csinál +- feszültséget?...” Csak körül kellett volna nézni az oldalon..... A képek között van, link. A hozzászólás módosítva: Júl 24, 2013
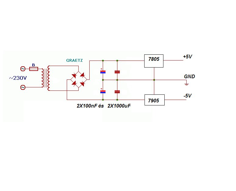
Helló.Az lenne a kérdésem hogy van itthon egy stabilizátorokkal ellátott + - 5V-os tápegységem és az lenne a kérdés hogy a -5V-os végét hogyan tudom úgy megcsinálni hogy terhelés nélkül is csak a -5V-ot adja? (esetleg ha hibásan tettem volna fel a kérdést szóljatok nyugodtan)
Szia!
Miért, most hogyan működik?
Hát terhelés alatt mind a két oldalon megfelelő a feszültség,de viszont ha terhelés nélkül hagyom akkor a -5V-os végén megjelenik a stabilizálatlan feszültsége a trafónak.ezt nem lehetne valami műterhelésel megakadályozni?(mind a két oldalon stabilizátorral ellátott tápegység egy 7805-ös és egy 7905-ös van benne)
Ha jó a kapcsolásod vagy nem rontottál el valamit, akkor ilyen nem fordulhat elő. Mutasd meg a kapcsolási rajzot. Egy jó megoldás.
Az általam gyártott tápegység valahogy így néz ki (mellékelve).Annyit hogy ez a kapcsoás a tiéddel ellentétben nem középmegcsapolásos trafóval van elkészítve hanem egy egyszerűvel.
Ez sajnos nem így van... A 79xx stabilizátoroknak van előírt minimum terhelése.
És azt a minimum terhelést hogyan tudnám neki megadni?
Odaraksz egy ellenállást. 5V/5mA = 1kohm.
Ill. mintha volnának olyan gyártók, akiknél nincs ilyen minimum (azaz 79xx és 79xx között tud különbség lenni gyártótól függően). A hozzászólás módosítva: Júl 25, 2013
Ez így nem túl jó megoldás. Próbáld ki, hogy egy LED-et kötsz mindkét stabkocka kimenetére, persze előtétellenállással ellátva. A hidegítő 100nF-os kondenzátorokat kihagytad a kimrnrtekről és a kimenetre is köss egy kisebb kapacitású elektrolitkondenzátort.
Üdv! Nem egyedi jelenség amit irtál . Ez főleg régebbi típusú ,illetve (gyártő függő is) stab icéknél fordul elő, amit néhányszor 10mA terheléssel már lehet korrigálni a stab fesz. beállásához,általában egy led és előtéte már elég, ami a bekapcs. visszajelzésként is szolgálhat például.
A hozzászólás módosítva: Júl 25, 2013
De akkor az áramkör is jó úgy ahogy van csak a -5V-os kimenet és a GNd közé kerüljön be egy ellenállás?
És a -5V-os vég és a GND közé egy led is megfelel (persze előtét 220ohm ellenállásal?)
Ha nem vagy biztos a kapcsolás működőképességében töltsd fel a rajzot, egyébbként az is jó ahogy_vl_ kolléga írta.
A kapcsolási rajz lejebb mellékelve.
A lerajzolt áramköröd alapvetően nem jó. A hiányolt kondik bizony kellenek (el kéne olvasni a gyártó adatlapját!), továbbá ez a "lebegő" GND csak kb. szimmetrikus terhelésnél fog jó eredményt adni. Azaz ha a kimeneten a két oldal terhelése között számottevő különbség van, akkor a GND el fog tolódni, és a két kimenet közül az egyiken leesik a feszültség.
Na és akkor ez úgy van, hogy ha 5mA-nál kisebb az áram, akkor kiül a kimenetre a bemenő feszültség? Ezt nem tudom elhinni. Én csak olyannal találkoztam, hogy kisebb volt a kimeneti feszültség terhelés nélkül.
ez a tápegység egy Primo TV computerhez lett építve ott mind a két oldalon van terhelés,a kondenzátorok pedig a helyükön vannak bár nem kerámia kondenzátorok hanem műanyag 10nF-osak.Módosítottam a kapcsolási rajzot (bár mitt még mindig nem rajzoltam fel a kondenzátorokat) így már működésképes?
Megmondom őszintén, hogy nem szokásom tesztelni, hogy mi történik, ha az adatlapban leírt körülményeket nem tartom be...
![]() Nem túl sűrűn használtam 79xx-et, de olyan sose volt, hogy 5mA terhelés ne lett volna rajta. Szóval nem tudom. Viszont egyszer olvastam erről valami más fórumon, és bevallom, meglepődtem, mert az volt a konklúzió, hogy a minimum terhelés alatti viselkedésben jelentős különbségek vannak az egyes gyártók 79xx termékei között. Egy ilyen "egyszerű" IC esetén az ember nem erre számítana. A hozzászólás módosítva: Júl 25, 2013
A középcsapolásos trafó helyett használhatsz két egyforma trafót is, két Graetz-el. Ezzel a megoldással pedig szerintem ne kísérletezz.Két trafó, két Graetz, szimmetrikus kimenet.
A hozzászólás módosítva: Júl 25, 2013
Akkor keresek egy középmegcsapolásos trafót,köszönöm a válaszokat.
Pedig ez létező jelenség, példa is van rá az alábbi cikkben. Üdv
A hozzászólás módosítva: Júl 25, 2013
Köszönjük a hasznos kiegészítést és a cikk szerint szerencsére nem gyakoriak az ilyen példányok.
|
Bejelentkezés
Hirdetés |













