Fórum témák
» Több friss téma |
Mielőtt kérdezel, a következő két dolgot ellenőrizd!
I. A helyes tápfeszültségek megléte.
II. A kimeneten van-e egyenfeszültség.
Élesztés.
ez jónek jó de nekem MAXIMUM 15-20W kellene
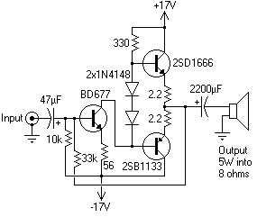
Müszi, minden rajta van a rajzon, schottky nem muszály de jó, mF az milifarád, vagyis a rajzon szerepel 2 db 60000 mikrofarád és egy 22000 mikrofarád. A tápfesz is ott van, 6V, ezt felosztja +- tápra a két nagyobb kondi.
ja bocs béna vagyok nem láttam hogy már volt válasz mert csak az előző oldalt néztem...
Pafi, meg lehet csinálni a mosfetest nagyobb teljesítményre is, nagyobb tápfesszel és kisebb R2-vel ? Ez valójában szimmetrikus táp, nem ? Csak szimpla trafóról megoldva. Én 2 szekunderrel csinálnám, kisebb kondikkal.
Mayan! Meg lehet csinálni nagyobb teljesítményre, de akkor plusz alkatrészek kellenek bele (min. 4 db). R2-t miért akarod csökkenteni? Inkább növelni kellene, hogy nagyobb legyen az erősítés!
Igen, a táp szimmetrikus, de nem teljesen. Ez így automatikusan hozzáidomul a FET-ek nyitófeszültségéhez, ezért nincs offset. Ha rendes kettős tápot csinálsz, akkor lesz egy kis kimeneti DC áram, ezért nem érdemes bonyolítani. Kisebb elkókkal nő a brumm, bár R3 növelésével ez kompenzálható.
Értem, köszi szépen - és akkor ez a mostani változat kb. mekkora teljesítményre képes ?
3 W kimenet, 6-8 W tápteljesítmény.
Bocsi, ez így nem lesz jó! Itt a javított!
nem tud valaki a tda 7265-s ic egy nyákot az adotlapján szereplőn kivül?ha igen segithetnétek benne!köszike!!!
csövi!
fú nekem volt hozzá, de már nincs meg a gépemen, sergei-nek viszont elküldtem anno, írtam neki msn-en és belinkeltem neki ezt a topikot.
Csatoltam. Az ExpressPCB megnyitja.
meg mas nincsen veletlenol halas lennek erte?valami komplexebb?
Lehetséges hasonlóan egyszerű kvázikomplementer végfokot csinálni,mint ezek ? Tehát max. 3 tranyóval.
És ezt a fajta egyszerű erősítőt lehet méretezni nagyobb teljesítményre is ? (pl. 20-30w)... És úgy egyébként hogyan kell méretezni ? Van erre progi ? Bocsi hogy amatőr kérdéseim vannak, csak vegyész vagyok ))
Bizony jó lenne hozzá egy új terv. :yes: De ez az IC márcsak ilyen. Válassz másikat.
Érdekes erősítő - single ended 4W A-osztályban
Szia!
Szerinted muszály hozzá ez a drága IC (AD712) nem lehetne helyettesíteni valami jó minőségű mondju OP IC-vel vagy mondjuk egy NE nem jó hozzá? Az az AD kell hozzá, hogy A-osztályban működjön? Az valami "A-osztályú" szuper IC? Egy kérdésem van a kapcsolással kapcsolatban: Az alsó LM 317 kimenetén van egy ellenállás 1-es jelzés van csak odaírva, az 1ohm-ot jelöl? Vagy ha nem akkor mi az értéke? üdv.: Zoli Idézet: „ Egy kérdésem van a kapcsolással kapcsolatban: Az alsó LM 317 kimenetén van egy ellenállás 1-es jelzés van csak odaírva, az 1ohm-ot jelöl? Vagy ha nem akkor mi az értéke?” Igen, az also LM IC az egy aramgenerator, aktiv terhelest biztosit. Az ellenallas erteke 1Ohm.
Sziasztok!
Egy kérdésem lenne erről a pár hozzászólással feljebb lévő 4W-os erősítőről. Megépítettem azokból az alkatrészekből amik voltak itthon (van bennük szórás, mert egy része bontott és nincsenek letesztelve). A tünet: bekapcsolás után a fesz leesik +-4 volt környékére a 22ohmos ellenállatok után. Amit el tudok képzelni az, hogy az LM IC-k vagy valamelyikőjük sza..r. A kapcsolás 99% hogy jó, mert már átnéztem egy jópárszor. IC 1-es lába előlnézetből adjust, 2-es lába out, 3-as lába in. Csak hogy jól gondolom-e..egyébként egy csomó helyen ellenőriztem már miután nem működött a végfok. Ja..még valami az AD712-es IC-t NE5534-es IC-vel helyettesítettem, annak 6-os lábát (a kimenetet) néztem szkóppal, ott úgymond minden rendben a generátorból jövő színusz jelet szépen leadja. Igazából hangszórót is kapcsoltam már a kimenetre, próbaképpen. Erősít...pontosabban szkóp szerint inkább "gyengít" a jelen, de szól, amit a generátor belepumpál az ki is jön belőle, csak épp kur..va halkan. Arra gondolok, hogy valószínű azért mert csak +-4Volt a táp.. Szóval igazából ötleteket várok, mert ez annyira egyszerű, hogy..... Mindenesetre az első lépésem az lesz, hogy az LM317-eteket kicserélem újra hátha úgy jó lesz. Ja és +-15V-ról próbáltam üzemeltetni, mert az van itthon. Arról is mennie kellene. Ugye? És még egy dolog, kb mekkora áramfelvételének kell hogy legyen jó esetben? Egyébként szerintetek mi lehet a hiba? üdv.: Zoli Sziasztok! Találtam itthon még LM317-et. Kicseréltem az egyiket és máris működik, elég nagyot szól..De még valami nincs rendben, mert elég jó kis alapzaja van, ami lehet a tápegységem miatt, 7815-7915 stab IC csak, lehet a vezetékezés miatt, és lehet az alkatrészek légszerelése miatt van, mindenesetre készítek hozzá nyákot, meg normális tápot, és majd beszámolok a fejleményekről. egy furcsa dolog azért megütötte a szemem... A két oldalnak nem egyforma az áramfelvétele... (lehet ez is a tápom miatt van, vagy mittudomén miért) Azt gondolom ez nem a normális dolgok közé sorolható.. Egyik oldalnak 0,9A a másik oldalnak pedig 1,3A. A végfok fűt mint a bolond, szóval asszem csak TO-3-as tokozás jöhet szóba nyáktervezésnél. De nagyon tetszik benne, hogy kicsi. Ha van ötletetek az alapzajra mi lehet, akkor áruljátok el nekem is. Aztán kipróbálom és ha bejön örülhetünk neki. üdv.: Zoli
Csak nem hagyott nyugodni a dolog, és még most este építettem egy egyszerű tápot hozzá, és így +-12V-ról 2X4700µF puffer kondival és egy - egy 33nF-os kondival elkészítettem a tápot a végfokhoz, de a tünet az, hogy +460 és 470mV közötti érték van a kimeneten, ami folyamatosan változik. Holnap ha eljutok Konthába akkor mind a 3 IC-t kicserélem és meglátom mi a helyzet. Egyébként a hangja eléggé elmarad mondjuk a JLH-tól..Olyan IC hangja van. De nem rossz, ajánlható mindazoknak akik valami egyszerű kézi munkát akarnak készíteni.
Érdekes módon (persze lehet hogy ez megint a bontott alkatrész átka) NE5534 helyett TL081-gyel működik megfelelően, az előbbivel szinte csak recsegés jön ki belőle, utóbbival meg egész tűrhető hang..ugye a kimeneti DC-vel együtt Ha van valami ötletetek a kimeneti DC megszüntetésére, akkor várom őket. üdv.: Zoli
Nahát...nem gondoltam hogy valaki így belelkesedik erre a kis kapcsolásra, én nem is akartam megépíteni mert gondoltam hogy nem egy nagy csoda a hangja, hiszen a 3 ic-ben rengeteg alkatrész van, meg nem is audióra vannak ám kitalálva... csak találtam a neten valahol és gondoltam megmutatom hogy milyen érdekes. Bár van itthon ad712-m 2 db-ot is találtam...
Na lehet majd megpróbálom. Kimeneti dc ellen kimenő kondi, nem ? Bár jobb lenne ha nem kellene és anélkül is jó lenne. Lehet tényleg számít neki az opamp típusa, biztosan nem véletlenül rajzolták pont ezzel.
VF rajongóknak:
Megjelent a VF4 ! http://www.freeweb.hu/haromb/muhely/vf/vf4.html Opamp ic helyett csak 2 kis fet + a 2 végfet. Szép!
Kössz az infót!
Ja és valamelyik régebbi rádiótechnikában van egy "erősítőkapcsolás" eggyetlen 7812-vel megvalósítva. Majd utánnanézek.
Ha nem a jelforrásod adja ki, akkor a TL081 okozhatja az offsetet. Ha tényleg 1k és 33k a visszacsatolás, akkor ezek szerint 13,5 mV a bemeneti offsetje, ami nem lehetetlen, de azért szokatlan. 4 mV szokott lenni.
Csatoló kondi rakható az 1 k-val sorba is (min. 10 uF), vagy ha a bemenet felől érkezik a DC, akkor oda pl. 100 nF fólia kondi. Csak azt nem értem, hogy miért építi meg valaki ezt TDA2030 helyett, ami olcsóbb, egyszerűbb, és jobb.
Na megint itt vagyok az egytranyós erősítőmmel
![]() Ha valaki félreteszi az előítéleteit és kipróbálja, ne adj isten meg is méri, jelalakokat néz, stb. tudassa mit talált. Nekem nincs műszerem csak a fülem, és az azt mondja hogy ezen a legkellemesebb zenét hallgatni azok közül amiket eddig hallottam. Valahogy ezen nem elviselem a zenét, nemhogy idegesítően szólna mint sokminden vacak, hanem kifejezetten függőséget okoz a hallgatása. Nagyon kellemes, természetes, tiszta hangja van, tiszta énekhangon döbbenetesen életszerű. Akkor a legjobb ha jó minőségű bipoláris kondi van a bemeneten bár most ezzel is elég jó lett. Ja és a tranyónak nem kell nagy borda, csak annyi hogy elég meleg legyen, de ne forró. Úgy vettem észre akkor a legjobb ha elég melegen jár a tranyó. Az áramfelvétele így 130mA volt nekem. A hangerő teljesen elég a pc melletti zenehallgatáshoz. Pár wattos hangszóróknak már nem probléma a kis dc előfeszítés, és kapcsitáppal brumm sincs, síri csendes jel nélkül.
Udv,
Orulj neki, hogy ilyen olcson meguszod almaid erositojet ... mas ember 100ezreket v. milliokat kolt erositore Te pedig meguszod az egeszet kb. 100Ft-bol + tapegyseg. Ha neked tetszik az egytranyos hangja akkor minden OK
NemTudom mennyit erolkodhet ez az erolkodo, de a szep hangjaval van par bajom,.. Nezdcsak;
|
Bejelentkezés
Hirdetés |



















