Fórum témák
» Több friss téma |
Fórum » PC táp átalakítás
Készen lettem a 0-40V és 0-5A-es táppal. Itt vannak róla képek.
Felhasználom az IC másik komparátorát (15-16 láb) és lesz egy 40A-es áramkorlát. A söntön 50mV-ot fogok ejteni ami nem olyan nagy hőt fog eredményezni.
Nagy nehezen sikerült megtekerni az EI39-es trafót. A huzal éppen hogy ráfért, a vasat alig tudtam beletenni.
Nagy mester vagy te Janikám. Jó lett nagyon. Hiába, aki tud az tud.
A trafón látok egy 3KV-os feliratot. Csak nem letesztelted az átütési szilárdságát?
De igen. Át lett tekerve és így már nyugodtan használom.
Gyári a készülék amivel a trafót mérted vagy építetted? Milyen paraméterek alapján mér (AC? DC? freki? idő? folyamatos jel vagy impulzus?)
Sajnos csak DC 3KV gyári.
A hozzászólás módosítva: Szept 23, 2013
Az áramváltó trafó kimenetén kb ekkora fesz kell, hogy öntartásba vezérelje az áramkört. De ez nem szentírás, nyugodtan át lehet variálni más értékekre is.
Ok, így már értem. És milyen vasmagra készült a trafó ?
Szép Munka!
Köszi szépen!
Kapcsolótranyónak jó lesz D209L a 12V 40A-es tápba?
Kísérletezek én is egy 12V20A-es táppal, de egyelőre nem akar működni.
A tiédről nincs esetleg egy kapcsolási rajzod, hogy jobban ki igazodjak benne? Az enyém hibáira szeretnék rájönni és lehet a tiédben vannak trükkök, amiket érdemes lenne meglépnem. Köszi.
Felteszem majd az én 12V 20A-es változatomat de ebben még nincs védelem.
Azt tudom, hogy nincs. Attól függetlenül érdekes lehet.
A 40A-es projekted még jobban érdekel.
Helló mindenki!
Van egy PC tápom. A 12V -os kimenetét szeretném 14V -osra átalakítani. Egy TL494 -es vezérlő IC van benne. Sajnos a nyelvi nehézségeim miatt nem találtam meg az adatlapján ,hogy lehet beállítani a kimeneti feszültségét. Valaki meg tudná nekem mondani, hogy melyik lábakon lévő alkatrészeket kell kicserélnem? Illetve milyen értékűre, hogy 14V -ot kapjak? Előre is köszi!
Még nem rajzoltam, de vannak fejlemények a 40A-es változattal. 30A-ig szépen megy, 40A-nél nagyon melegednek a kapcsolótranyók (meg is futott pár perc alatt). A trafó és az egyenirányító, szűrő, pufferek bírják a 40A-t. Az a gyanúm hogy a meghajtás nem tudja mefelelően gyors fel és lefutású jellel kiszolgálni a tranyók megnövekedett bázisáram igénye miatt. Ezért marad rajtuk a hő.
A hozzászólás módosítva: Szept 25, 2013
Azt is bele kell kalkulálni hogy mekkora a trafó menetszám áttétele, mert a primer tranyók annak arányában látják a szekunderen folyó áramot.
Ezt tanulmányozd. Bővebben: Link
Nagyon jó leírás. Ha van olyan böngésződ, ami tud lefordítani, akkor nincs olyan nehézség.
Meg kellene mérni szkóppal, hogy a kapcsoló tranyónak a bázisánál lévő 2.2 ohmos ellenálláson mekkora a feszültségesés. Abból kiderülne mekkora a bázisáram. Ha 1.75V körül van, akkor a bázisáram elég a tranyó meghajtásához. Akkor 800mA a bázis áram. Ha kevesebb, akkor lehet az a baj. A 2SC4242-nek 10 a bétája.
A 40A-es változatban D209L van.
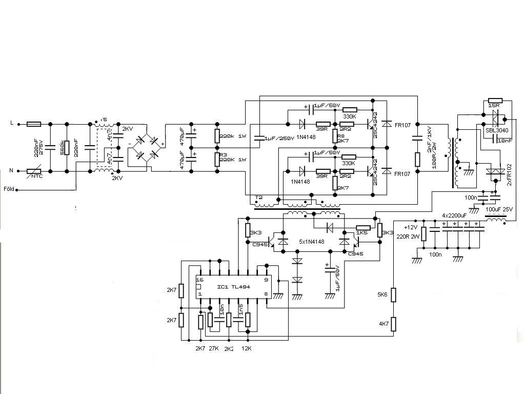
Itt a kért rajz a 12V 20A változatról.
A D209L-nek is annyi bázis áram kell. Ehhez a teljesítményhez.
Kössz a rajzot.
Végül is 14,4V 25A-es töltő lesz belőle. Ezt hosszú távon bírja, le lett tesztelve.
Még nem került bele a védelem. Sajnos sikerült a mérőzsinórral zárlatot csinálnom. A primer oldalon tömegkatasztrófa történt. 2db D209L, 4db ellenállás, 2db 10u 50V elkó látta kárát. Még jó hogy bontott alkatrészekből dolgozok.
Ha lesz benne áramkorlát és rövidrezárom akkor mi fog történni? Ha a kimeneti fesz 0-ra csökken akkor hogy tud működni az IC ha nincs segédtáp?
Az opto-n keresztül letiltja a primer oldalt
|
Bejelentkezés
Hirdetés |










