Fórum témák

» Több friss téma
Fórum » 555-ös IC-s kapcsolások
Lapozás: OK   132 / 192
(#) proli007 válasza Proci_85 hozzászólására (») Okt 29, 2013 /
 
Hello! Csak hogy megnyugtassalak.
- Egy tranyóval nem szabadna kisütni egy kondit, mert elvileg végtelen nagy áramok jöhetnének létre. De..
- A tranyó maximális kollektorárama 100mA. Ha megnézed az áramerősítési karakterisztikát, akor látható, hogy 100m-ig kb. 200 a béta. (ez után már meredeken esik. A bázisáram itt közelítőleg 12V/22k=0,54mA. (Még ennyi sincs, mert van bázis-emitter ellenállás és bázis-emitter nyitófeszültség is.) 200 bétával számolva a kollektoráram 109mA.
- Ha a kondi 8V-ra van feltöltve (tovább nem tud, mert a DIS tranyó kisüti) és 100mA-al süti ki a tranyó, akkor a kisütés t=C*U/I alapján 0,8ms ideig tart. Bár egy kistranyónál nem szokás írni, egy tranziens ideig sokkal nagyobb áramot képes elviselni. Ez idő alatt a tranyóban, 0,64mW hő keletkezik..
- Egyébként ugyan ez a helyzet lenne az 555 belső DIS tranyójával, de annak belső kapcsolása miatt, nem igazán tud 20mA-nál nagyobb kollektoráram folyni. De ha ez Téged ez után is aggaszt, akkor köss a kondival sorba egy 220ohm-os ellenállást. üdv!
(#) proli007 válasza soundst hozzászólására (») Okt 29, 2013 /
 
Hello! Tegyél az IC kimenetére egy IRF540-es Fet tranzisztort, az majd kapcsolja az 50W-ot. Ja, és véletlenül sem ebben a kapcsolásban. A Source legyen a GND-n a Led-ek a +12V és a Drain között, a Gate meg a 3-as lábra. A 3-as és 1-es láb közé tegyél egy 10kohm-os ellenálást. (Az csak biztonságból) üdv!
A hozzászólás módosítva: Okt 29, 2013
(#) soundst válasza proli007 hozzászólására (») Okt 29, 2013 /
 
Köszönöm a választ! Bd249c-vel próbáltam összehozni, eddig nem sok sikerrel. Gondolom a kapcsolás értékeit ugyanúgy módosítani kell, hogy sikerrel kapcsolja azt a teljesítményt. Szerinted BD249c-vel is működne? Most pont ez van nálam "raktáron". Ha már módosítgatom a kapcsolást akkor ahhoz kicsit nagyobb teljesítményű ellenállás is kell?

Köszi, üdv!
(#) proli007 válasza soundst hozzászólására (») Okt 29, 2013 /
 
Hello! Működhet BD249-el is, de nem így ahogy a kapcsolásban van, hanem közös-emitteres módon. Mint ahogy a Fet-nél is javasoltam. Csak ekkor a bázisáramot kell korlátozni, és jó nagyra választani, hogy a szaturáció (maradék kollektor-emitter feszültség) kicsi legyen. Különben fűteni fog. Vagy is kb. 80mA bázisáramra van szükség, amihez kb. egy 120ohm-os bázisellenállás kel az IC és a bázis közé. Ekkor lehet, hogy az IC is kissé melegedni fog.. üdv!
(#) soundst válasza proli007 hozzászólására (») Okt 29, 2013 /
 
Értem. Akkor megpróbálom így. A többi alkatrész maradhat változatlan a kapcsolásban?
(#) proli007 válasza soundst hozzászólására (») Okt 29, 2013 /
 
Tőlem maradhat, ha neked megfelel, de re,élem egyre gondoltunk, mert most nézem,hogy valami 34db. 555-ös kapcsolás van, én meg csak a belinkelt főoldal képét néztem.. üdv!
(#) godany hozzászólása Nov 8, 2013 /
 
Heló!
Építettem egy név táblát és azt szeretném hogy ha meg nyomom a gombot akkor 10 perc után kapcsoljon ki de ebben a 10 percben legyen olyan hogy 1 perc világítás és 30 másodperc semmi és így tovább amíg a 10 perc lennem jár!
Légy szíves segitsetek és ha lehet kérhetnék egy kapcsolási rajzot és hogy milyen és mekkora alkatrészek kellenek!
A válaszokat előre is köszönöm!!!
(#) proli007 válasza godany hozzászólására (») Nov 8, 2013 / 1
 
Hello! Remélem ez megfelel. Azt ugyan nem írtad, mit fogyasztanak a Led-ek, így azt nem is rajzoltam rá. Ha néhány darab van, akkor az meghajtható az 555 kimenetével is. Ha mást kell kapcsolni, akkor lehet relét tenni az OUT és GND közé. (Dióda kell a tekercsre.) üdv!
(#) Proci_85 válasza proli007 hozzászólására (») Nov 8, 2013 / 1
 
Nagy mágus vagy Te proli007! Rendkívül leleményes a megvalósítás. Újra és újra ámulatba tudod ejteni az embert
(#) Lac364 hozzászólása Nov 9, 2013 /
 
Egyet értek Procival Proli007 tényleg önzetlen s segítőkész. Ez a kapcsolás számomra is megfelelő egy apriték kazán vissza égésgátló időzítője ként. Köszönet érte Proli007.
(#) soundst válasza proli007 hozzászólására (») Nov 10, 2013 /
 
Igen, arra a kapcsolásra gondoltunk. Beszereztem a Fet tranzisztort, a kapcsolás többi részét hanyagoltam, de így nem működik. A 12 voltos LED sort még nem akartam rákötni, egy nagyobb teljesítményű halogén izzóval próbáltam ki, az izzó állandóan világít.
Vajon mi lehet a gond?
(#) proli007 válasza soundst hozzászólására (») Nov 10, 2013 /
 
Hello! "Beszereztem a Fet tranzisztort, a kapcsolás többi részét hanyagoltam, de így nem működik." Ez mit jelent a valóságban? "Autót még nem vettél, csak négy kereket, de nem lehet vele menni?"
Egyébként a halogén izzó, pont nem a legjobb ötlet. Mert annak indulóárama akár tízszer nagyobb lehet, mint amikor már felfűtött.. Ha csak úgy "próbálgatod" vele a Fet-et, és a Gate a "levegőben lóg", ami egyébként is "erkölcstelen", akkor akár meg is pusztulhat tőle.. üdv!
(#) soundst válasza proli007 hozzászólására (») Nov 10, 2013 /
 
Nos, igen valamit félreértettem de rendesen. Akkor a halogén izzó helyett valami "erkölcsösebb" dolgot használok, mondjuk egy karácsonyfa izzót.
(#) Ferrari1 hozzászólása Nov 19, 2013 /
 
Sziasztok! Nekem olyan kapcsolásra lenne szükségem, hogy ha megnyomok egy mikro nyomogombot egy pillanatra akkor egy áramkör meghúz egy relét és kb. 5 másodperctôl 5 percig meghúzva maradna amit trimmerrel lehetne szabályozni. Ha lettelik a beállitott idő akkor elengedjen a relé. Egy újabb megnyomásra újra elinduljon ez a folyamat. Válaszokat előre is köszönöm.
(#) fongab válasza Ferrari1 hozzászólására (») Nov 19, 2013 /
 
(#) Ferrari1 válasza fongab hozzászólására (») Nov 19, 2013 /
 
Köszönöm ez jó lesz!
(#) soundst válasza proli007 hozzászólására (») Nov 23, 2013 /
 
Hello! Maradtam az említett karácsonyfaizzó használatánál, de ezzel a kapcsolással szenvedek, a megadott alapértékkel. A c2 értéke nem volt megadva, arra egy 1 mikrós kondit használok. Érdekes, hogy dacára a több alkatrésznek ugyanaz a helyzet, az izzó állandóan világít. Lehet hogy időközben az IC elromlott?

Üdv,
(#) proli007 válasza soundst hozzászólására (») Nov 23, 2013 /
 
Hello! "megadott alapértékekkel" Akkor nem oly nagy csoda. Ha rákattintottál volna a "számol" gombra, akkor láthatnád, hogy 14Hz-el megy. Szerinted azt látod egy izzón? Sokkal lassabb freki kell. Vagy a kondi legyen nagyobb, vagy az R2 ellenállás. Ha valamelyik 10-szer nagyobb, akkor lehet, már látsz is valamit. üdv!
(#) atus1981 hozzászólása Nov 24, 2013 /
 
Sziasztok!
Egy olyan kapcsolást keresek, amivel egy injektor nyitási idejét meg lehetne növelni, az eredetihez képest. Az lenne az igazi, ha egy potival tudnám állítgatni pl.: 80-200%-ig a nyitvatartási időt a bemenő jelhez képest.
Köszönöm.
(#) pucuka válasza atus1981 hozzászólására (») Nov 24, 2013 /
 
Ugyan nem értek az injektorhoz, de a 200 % egy kicsit furcsa. 100 % késleltetésnél már jön a következő bemeneti impulzus.
(#) atus1981 válasza pucuka hozzászólására (») Nov 24, 2013 /
 
Igazad van.
199%-ig Na jó, túlzás az is, de legalább 150-160% jó lenne...
(#) proli007 válasza atus1981 hozzászólására (») Nov 24, 2013 /
 
Hello! Az nem mindegy, mit is szeretnél. A nyitvatartási időt változtatni egy időintervallumban, vagy a pillanatnyi nyitvatartási időt meghosszabbítani egy adott %-al. Mert amíg az első, egy mezei monostabil, a második cseppet már más kérdés. (Főleg, hogy 80%-ra rövidíteni is szeretnéd.) Azért kérdést tedd fel az autós topikban, mert én szkeptikus vagyok ennek értelmével is. Bár közismerten nem értek a motorokhoz.. üdv!
(#) atus1981 válasza proli007 hozzászólására (») Nov 25, 2013 /
 
Hali!
Azt szeretném, hogy ha a bemeneten 2ms-ig jel van, akkor a kimeneten 2ms-3ms-ig változtatható jel jöjjön ki...
Közben rájöttem, hogy rövidíteni nem egyszerű, vagy lehetetlen...
(#) proli007 válasza atus1981 hozzászólására (») Nov 25, 2013 /
 
Hello! Nem mintha ebből lehetne tudni mire gondolsz, mert ugye egy egyenest nem lehet egy pontjával megadni.. De hátha még is.
Feltételeztem, hogy nem azt szeretnéd, hogy az injector nyitási idejét, álladó idővel hosszabbítsa meg az áramkör. Vagy is ha 1ms a hosszabbítás beállatott ideje, akkor 1ms nyitásnál 2ms lesz, 2ms nyitásnál 3ms, 3ms nyitásnál 4ms. Mert ez csak egy 1ms-os monostabil multit jelentene ami a jel megszűnésekor indul, és egy Vagy kapu, ami a kettő időt "összeadja".
Gondoltam azt szeretnéd, ha a mindenkori nyitásidő mondjuk +20%-al megnövekedne. Vagy is 1ms nyitásnál 1,2ms, 2ms nyitásnál 2,4ms, 3ms nyitásnál 3,6ms legyen az idő.

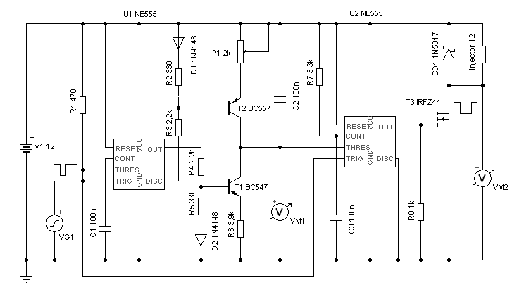
Nos megmutatom, hogy az utóbbit közelítőleg hogyan lehet analóg módon megoldani.
- A működése meglehetősen hasonló a DualSlope integráltoréhoz. Az eredeti nyitási idő alatt, a C2 kondit töltjük, állandó árammal. Vagy is abban a feszültség az idő függvényében lineárisan növekedik.
- Amikor vége az eredeti nyitási időnek, akkor elkezdjük a kondit kisütni. Ezt is állandó árammal tesszük de az áram értéke változtatható a P1 segítségével.
- A tényleges injectort nyitjuk, mikor az eredeti nyit, és zárjuk, mikor a kondi (közel nullára) kisül. Így a kisütési idő (ami a nyitást meghosszabbítja) állandó meredeksége miatt, tovább tart, ha a kondi magasabb feszültségre töltődött fel. Így az idő meghosszabbítása nem csak a P1-től függ, hanem az eredeti nyitási időtől is.
- Természetesen az idő nem lehet tetszőleges, mert a kondi töltés-kisütés tartományát befolyásolja a tápfesz. Pontosságát, pedig az áramgenerátorok állandósága. Látható, hogy a kiegészítés %-ában van némi hiba, mert akkor kellene az injectort zárni, mikor a C2 feszültsége nullára csökken. De ezekkel az eszközökkel ez nem lehetséges. Vagy is ez leginkább a módszert bemutató szemléltető áramkör.
- Az első 555 a bemeneti jelet komparálja, hogy a működés határozott legyen és feszültség független. Valamint meghajtja váltakozva a T1-T2 áramgenerátorokat. A második 555 az eredeti injector jel lefutó élére bebillenti a tárolót, így az IRF bekapcsolja a tényleges injectort. Amíg a Tr bemenet alacsony szintű, ez az állapot mindenképpen fenn áll. Majd amikor a kondi kisütése eléri a 10V-os szintet (Cont feszültsége) visszabillen a tároló, és az injector zár.
- Töltéskor az áramot (ezzel az nyitásidő alatti C2 feszültségét) az R6 határozza meg. Kisütéskor a visszaintegrálás meredekségét a P1 poti. Ha az nullára van tekerve, a visszaintegrálási idő nulla lesz, vagy is nem hosszabbítja meg a nyitási időt.
Nos, tovább nem ragoznám, inkább nézd meg az áramkört és a szimulációkat. De mondanom sem kell, fogalmam sincs meddig van nyitva egy injector a valóságban és az hogy változik. Csak hasra ütöttem..
üdv!
A hozzászólás módosítva: Nov 25, 2013
(#) proli007 válasza (Felhasználó 15355) hozzászólására (») Nov 25, 2013 /
 
Hello! Pedig van ilyen. Ha benézel a gyújtás topikba, pont ezt teszik. Azon elv alapján, hogy az előző zárásszög/gyújtásidő nem sokkal lehet máshol, mint ami most következik. Vagy is az előző mérés alapján meghasalják, mikor jön majd a holtpont.. (Gondolom én, vagy is így értettem azt amiről beszélnek..) üdv!
(#) atus1981 válasza proli007 hozzászólására (») Nov 25, 2013 /
 
Alapjáraton 2ms a nyitás gyárilag.
Sajna nem egyformán adja a %-os értékeket a kapcsolás. Ha növekszik a bemenő impulzus hossza, nem egyforma arányban nő a kimenőé...
(#) proli007 válasza atus1981 hozzászólására (») Nov 26, 2013 /
 
Ha a kondenzátor kisütési feszültségét állandó értéken tartjuk, akkor meglehet valósítani. (A potival sorba egy 220ohm kell, mert az áramgenerátor és az OPA egymásnak esik, ha nullára van tekerve a poti.) De ez csak egy analóg kapcsolás. Ha ez a motor kvarcóra, akkor digitálisan kell megoldani a gondot..
Oké, 2ms. De milyen tolerancia határok között változik az idő? üdv!
A hozzászólás módosítva: Nov 26, 2013
(#) attila1 hozzászólása Nov 26, 2013 /
 
Sziasztok! Lehet,hogy nem jó topicba írok,akkor elnézést. Szeretnék csinálni egy rendőrlámpa kapcsolást.Ebben tudnátok segíteni?Egy oszlop,4 irány,2-2 azonos jelzéssel,ledekkel. Köszönöm előre is.
(#) atus1981 válasza proli007 hozzászólására (») Nov 27, 2013 /
 
720-as rpm az alapjárat itt a 2ms. 1800 rmp-nél 2,2 ms, 2100-nál 2,4 ms.
Rövidebb injektoridők csak akkor vannak, amikor elveszem a gázt. Ekkor 1,6-1,8 ms...
Analóg módszerek nagyon mennek neked, nem tudom, hogy digitálisan merre kéne elindulni... Lehet egyszerűbb lenne?
(#) szlaci001 válasza attila1 hozzászólására (») Nov 27, 2013 /
 
Itt nézzél körül, gondolom ezt keresed! Bővebben: Link
Következő: »»   132 / 192
Bejelentkezés

Belépés

Hirdetés
XDT.hu
Az oldalon sütiket használunk a helyes működéshez. Bővebb információt az adatvédelmi szabályzatban olvashatsz. Megértettem