Fórum témák
» Több friss téma |
Szia! Nincs azon mit javítani. Ha gyönge,akkor cserélni,más baja viszont nem igazán lehet.Üdv.
Az akku hibajelzést ad a tesztgomb megnyomásakor. Szétszedve a két póluson lehet terhelni, tölteni az akkupakkot, de a kerékpár mégsem működik, mert a középső ágon megy a hibajelzés az elektronikához. 200Wó energiáért kicsit húzós kiadni 120000 Ft-ot Sima LiFePo akkuim vannak, használom is azokat, de azokban csak BMS van, egyéb elektronika nincs. Ha mélyebben értesz hozzá köszönettel veszem a tanácsaidat. Üdv, és nagyon várom a válaszodat.
Sziasztok! Egyik ismerősöm keresett meg azzal a problémával, hogy a feleségének az elektromos biciklije nagyon erőtlen. Cseréltek már benne elektronikát, akkor kicsit jobb lett, de mégsem az igazi. Ami a srácnak van, arról a szerelő azt mondta, hogy 3 fázisú, míg a feleségéé szénkefés. Mi a külömbség a kettő között? (Az én értelmezésemben a kettő nem zárja ki egymást, itt pedig úgy tűnik, mégis, ezért kérdezem.) Használtan vette, és azt mondja, ha a szénkefe kicserélése javít rajta, akkor kicserél(tet)i, de többet nem nagyon akar már rá költeni. Sajnos tipust nem tud, "valamilyen turbó", eléggé no-name-nek tűnik. Viszont robogó kialakításúak. Bár ez gondolom csak annyit segít, mintha azt mondtam volna, hogy kék színű.
300W és 48V-os rendszer, bemérve annyival megy. Nem válaszoltál a kérdésemre.
Hali! Én már jó párat javítottam,és a szénkefések gyöngébb erejűek. Nem ugranak,mint a 3 fázisúak. Nem sok mindent lehet rajtuk alakítani,ami ezen segítene (szinte semmit). Az olyan.
Üdv! Tibor
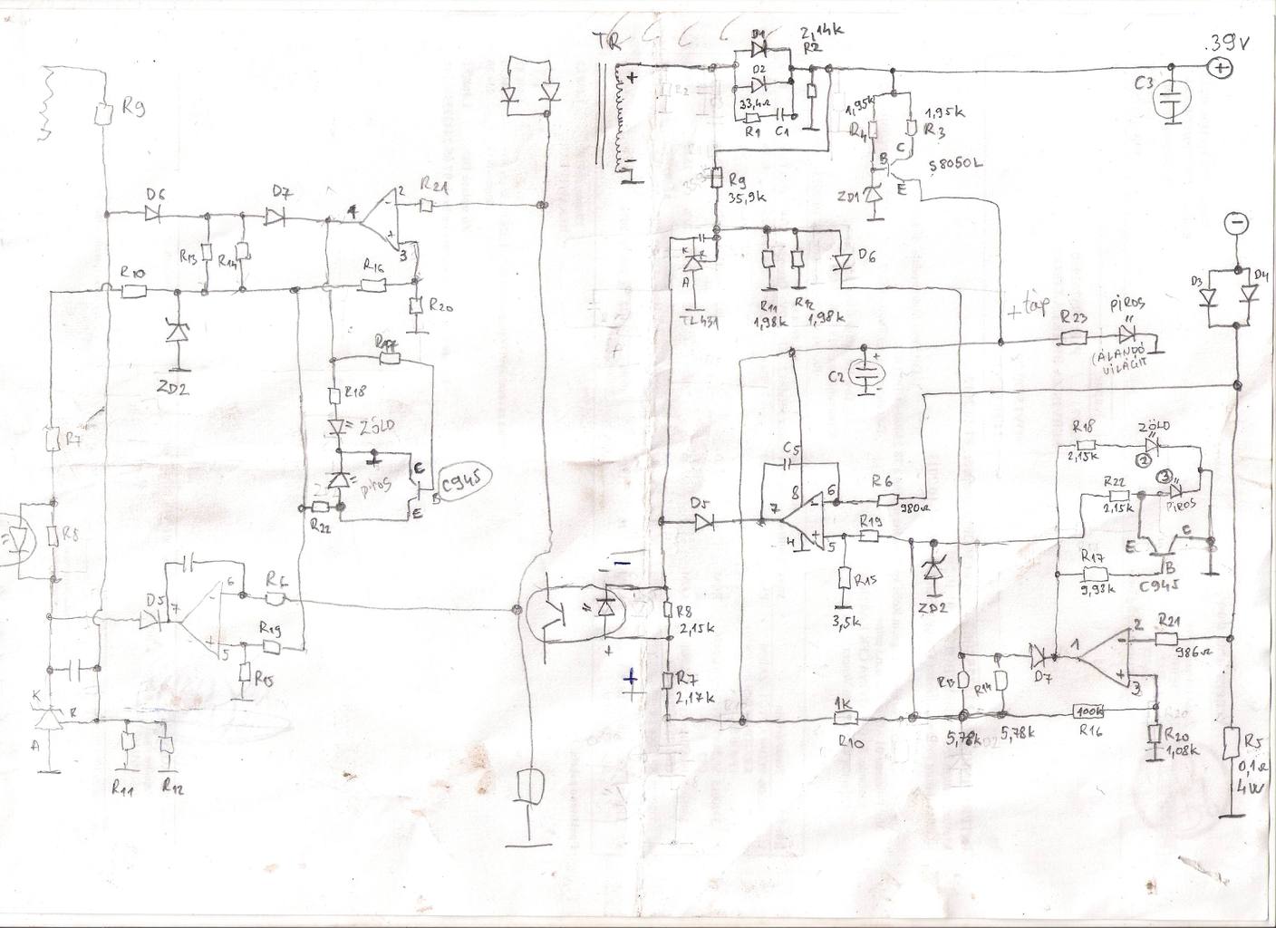
Sziasztok! Van nekem egy elektromos kerékpár töltő.Megpróbáltam elkészíteni a szekunder kapcsolási rajzát. Mellékelem is.A jobb oldali jobban sikerült,a bal oldali nem annyira. Bekapcsoláskor tölt szépen.Feszültség,és áramkorlát meg van.Mikor a töltő áram leesik 0.33 Amperre,akkor az LM358-as komparátor átvált,akkor C 945-ös tranzisztor lezár,elalszik a piros led,és kigyullad a zöld.Ezt így is csinálja,csak a zöld kb.fél másodpercig világít,aztán újra felváltja a piros,és elkezd újra tölteni 0.33 Amperrel kb.fél másodpercig ,majd újra zöld ég ,töltőáram=0 ,aztán megint piros....és így tovább váltogatják egymást.Úgy kellene,hogy amikor lecsökken a töltőáram 0.33 Amperre,akkor átvált zöldre,és leáll a töltés. Tudnátok-e választ adni hogy miért kapcsol újra és újra töltésre?
A hozzászólás módosítva: Nov 4, 2013
Mi is volt a kérdés?
Sajnos csak a felvett teljesítményt mértem a leadottat nem, 500W-ból 300W az 60% hatásfok lenne, de ennél biztos jobb mert a motor sem melegszik, egy ilyen brushless motor hatásfoka üzemi terhelésnél szerintem 80% felett van.
Hello! A rajzot nézve a működés oka (ha ez ugyan hiba) hogy az aksi feszültsége visszaesik, és a töltés újra indul. Mert a működés úgy látom úgy menne, hogy amikor az áram a minimum szint alá esik, akkor a TL431 által szabályozott töltési feszültség leesik alacsonyabb szintre. Ettől az áram még kisebb lesz, és így is marad, míg az aksi feszültsége le nem csökken erre a szintre. Ha lecsökkent, akkor újra áramot kezd felvenni. Akkor viszont "visszakapcsol" a OPA és emeli a feszültséget. Erre az áram ismét magasabb értékű lesz. De ezt csak a rajzod alapján mondom.
De a rajzod kissé gyanús. Mert valami nem stimmel a D6-D7 R13-R14 körében. Számomra nincs értelme a két ellenállásnak. De R12-R13 értéke is gyanús, mert számításom szerint annak eredőjének 2,2kohm körülinek kellene lenni, a 43,5V töltési végfeszültséghez. Ezt viszont innen nem tudom kitalálni mi a gond. Ha megnézed, ezen a rajzon is hasonló az működési elgondolás, csak máshogy van megvalósítva. üdv! A hozzászólás módosítva: Nov 4, 2013
Köszönöm a válaszodat,holnap átnézem azokat az alkatrész kötéseket,amiket gyanúsnak találtál. Majd jelentkezem,és kipróbálom másik akksikkal is,hátha tényleg azok feszültsége esik le hirtelen. Én is gondoltam már erre,mert ha akksik nélkül dugom be a töltőt a 220 Voltba,akkor simán világít a zöld,és nem villog semmi. Akkor minden oké. Majd jelentkezem! Addig is köszi! Üdv!
Köszi! A szénkefe csere sem javítana rajta valamelyest? Én látatlanban, más szénkefés motorokból kiindulva annyit mondtam neki, hogy csak akkor, ha nagyon el van kopva a kefe. Apám annak idején sok szénkefét cserélt fúróban, flexben, de mindenki szikrázás miatt hozta, nem azért, mert gyenge. A szénkefések 1 fázisúak? Átépíthető egy 3 fázisú donorból a kerék és az elektronika bele? Természetesen azonos vagy hasonló fizikai méretek esetén, ehhez ért a srác. Tud szerezni olcsóért egy donort (túl gyorsan jött szembe a villanykaró, az eleje tk).
Szia! A szénkefe csere sem segít rajta. Már nem egyszer cseréltem szénkefét is de az amiatt volt mert leállt. Minden szénkefés elektromos kerékpár 1 fázisú.Lehet még,hogy menetzárlatos valamelyik tekercse,azért veszített az erejéből,de a szénkefések gáz adásakor nem ugranak érezhetően(nem érződik hogy húz,csak fokozatosan felveszi a sebességet).De ha nagyon akarod szét birod szedni,hogy átnézd a keféket benne,de szerintem akkor sem lesz nagyobb ereje.Ezt 99 %-ban állítom,de mindig ott van az az 1%. Igen,ha megfelelnek a méretek,átépíthető másikból a kerék,de csak hozzá tartozó vezérlővel együtt,és ha megegyezik az akksik darabszáma.Üdv!
Köszi! Ez a menetzárlat ötlet jól jött, megnézem, nem-e menetzárlatos.
Sziasztok! Az lenne a kérdésem,hogy a képen látható kapcsolóüzemű tápon ha az opto tranzisztora zárva van akkor a táp teljes kitöltéssel megy,vagy nulla kitöltéssel? Tehát a szabályzó amikor le akarja kapcsolni a tápot akkor világít a led és zárja a tranzisztort vagy kialszik a led és nyitja?
Sziasztok!
Elektromos biciklit szeretnék csinálni. És nagy dilemmában vagyok most, hogy vajon melyik motort kéne megvennem. 2 Jelölt van. Szerintetek melyik lenne alkalmasabb a feladatra? A vázra lenne felszerelve és közvetlenül az első lánckerekeket hajtaná meg, így a váltó is aktív lenne, ezzel a motornak ugyanannyi erőt kell leadnia, nem terhelődne jelentősen(az 1 fokozatúhoz képest). Fontos lenne a nagy nyomaték és az alacsonyabb fordulatszám (500 körül. Ha ez nem lehetséges, akkor a 2 motor közül az alacsonyabbik fordulatszámú). A képek csatolva vannak a hozzászóláshoz. Mindehhez lenne egy ilyen fordulatszámszabályzó. Ezzel tudnám a sebességet szabályozni. Szerintetek elég a 30-40A? Összességében milyen nyomatékra számítsak? Felfog vinni egy nagyobb dombon? (legkisebb fokozatba). Illetve kb. hány km hatótávra kell számítani 2×12V 7,2Ah vagy 2×12V 14Ah-val?
Sziasztok, jó reggelt mindenkinek! Lehet,hogy már unalmas vagyok ezekkel a töltőkkel,de már úgy érzem begaggyanok tőlük.Külön képen van egy primer oldal,és egy hozzá tartozó szekunder oldal.Elkezdett vacakolni,hogy egyszer 40 Volt jött ki belőle,egyszer 60 Volt.Próbára kicserélgettem a szekunderben a TL431-et,az optót(de azzal is ezt csinálta,és visszaraktam a sajátját. Gyanítok a ZD1-re,mivel ott amikor 60 Volt a kimenő akkor 6.25 Volt van(és az LM 358-as is kevesebb mint fele akkora tápot kap),mikor pedig 40 Volt a kimenő akkor 14.97 Volt van a Zenneren.Amikor előjött a baja, elkezdett kattogni,a kijelző ledek fényei meg gyengültek,és a kimenő fesz egyik pillanatról a másikra felugrott 40 Voltról 60 Voltra.Amikor 40 Volt volt a kimenő,akkor lemértem a feszültségeket egyes pontokban(igyekeztem pontosan mérni),és ráírtam a rajzra is.Ez mellett van pár helyen bekarikázott érték is,az a 60 Voltos kimenőnél kezdtem mérni hogy össze hasonlítsam,de idáig jutottam,és kipurcant a primérben az UC 3843-as IC.Azt most kicseréltem,de nem merem bekapcsolni nehogy elszálljon ismét.A primerben a többi alkatrészt jónak találom.Szerintetek hol lehet a baj?Vagy a primerben valami?Vagy a szekunderben ? Esetleg a trafó? A primerben a FET megmaradt jónak. Várok,és megköszönök minden hasznos segítséget! Üdv!
Üdv ETM
A primerben cseréld a 47 µF -et , szekunderben a zd1 és s8050L tranyót , mivel nagyfreki , a dióda párost (gondolom egy tok ) és a mellette levő c1 kondit , , , a diódával TV esetén szívtam műszerrel jónak mértem , tranyóval tápegységnél 2N3055 mérve jó helyén x Volt alá nem ment le (0 Volt) a cél ,. Próba 230 -> izzó 100 Watt -> akkutöltő , mérés időszakra végig . Szkop 60V -nál mérni a kimenetet , (sok kocka jelenik meg a kimeneten ) .
Szia! Köszönöm a választ,mindjárt kicserélgetem amiket írtál.Úgy gondoltad,hogy a 100 W-os izzót kössem a töltő primerjevel sorba? Én (beraktam mielőtt próbáltam) a GRETZ és a 47 mikro Farados kondi után a trafóval sorban. Úgy nem jó? Mikor bekapcsoltam kb.3 mp. múlva indult el és a 100 W-os izzó világított.Rögtön ki is húztam a hálózatból,azóta nem próbáltam.A 100 W-os izzó megvédi a primérben az UC3843-at is?Egyenlőre mindezeket akksik nélkül (üresjáratban ) csináltam.Ezek a hibák akkor jelentkeztek. Le tudnád írni légyszi hogy mi határozza meg (mi korlátozza) üresjáratban akksik nélkül a kimenő feszt?
A hozzászólás módosítva: Nov 8, 2013
Üdv Én ilyen méréshez készítettem dugvilla egyik vezetékbe sorba 100 Watt izzó és 3-as elosztó ( 3 nagy vagy 9 lapos 2 szálas dugó fogadására képes ) . Ha teljes fénnyel világít , akkor rossz vagy még mindig rossz a vizsgált áramkör .
At tápnál primer trányót a szekunder dióda megfutása (30 A) elvitte még minimális terheléssel is , itt a nagyfreki ölte meg a diódát ( tű-ínpulzus ) . A 2N3055 esetén talán a földhurok miatt nem tudtam 7 Volt alá szabályozni de inkább a gyártás alatt nem vették észre 1 atomnyi szennyeződést . Primer javítás után a diódapárost és a c1 érték nélküli kondit cseréld mindenképp , zd1-re tegyél kb 10nF kondit .
A kérdés: Hány W van ráírva a motorra?!
Nem találtam rajta csak egy hosszú gyári számot vagy sorozatszámot:
WZ2BS0604160067
Üdv.
A primer oldalon cseréld ki a táp kondikat, vagyis a 47mikróst és a 100mikróst, utána a d7-es diódát cseréled FR107 tipusúra vagy hasonló gyors diódára. Adjál rá 220 voltot és mérd meg hány volt van UC3843 7-es lábán, itt stabil 15 volt körüli feszültségnek kell lenni, utána a 8-as lábán az 5 volt referencia feszültséget kell mérjél. A hozzászólás módosítva: Nov 10, 2013
Üdv. Feri! A priméren a 47mikrós kondit cseréltem,nem változott semmi. Reggel kicserélem a 100 mikrósat is,és a D 7-es diódát is kicserélem. Az UC 3843 7-es lábon kb.13-14 Volt van. Mikor Kapcsoltam sorba a trafóval egy 100 W-os izzót. Mikor bekapcsolom,és a 7-es lábon eléri kb.a 14 Voltot,akkor világít a 100 W-os izzó. Tehát a FET amikor kinyit nem a trafó indul,hanem csak átengedi az izzónak az áramot a trafón keresztül.Kilengős műszert kapcsoltam a GATE-re és állandó állásban volt.De ekkora frekvenciánál gondolom ez így jó.De ha lenne frekvencia,akkor viszont a trafónak működnie kellene,de viszont a szekunderen a 60 Volt kimenő meg van ,a priméren pedig csak az izzó világít teljes fényerővel. Nem értem
Hello! Köszönöm a segítséget mindenkinek.Már kicseréltem nagyjából mindent rajta,és akkor is csak b.....ott. Úgyhogy bevágtam a sarokba,és azt hiszem már még egyszer nem fogok hozzá a javításához.
valaki nem tudna egy képet Tornádo trd 18 as el. kerékpár müszerfalról küldeni ? amin látszik is az irás számozás , esetleg elmagyarázni hogy melyik dioda mit jelez , mellékeltem egy képet is a modellről.
Üdv! Jobbról fönt 4 darab dióda-töltöttségi szint,alatta körívben-haladási sebesség, van még a power-1 drb dióda, irányjelző vissza jelző(1 vagy 2 drb dióda),és van amelyiken van világítás visszajelző is. De különben meg kipróbálod ,és rájössz hogy melyik mit jelez. Üdv!
Üdv.Bal 1 .gyujtás 2 ha húzod a gázt ez világít az 1. elalszik,a 3.a tempomatt,ha a gázkar mellett megnyomod a fekete gombot akkor csak a 3. led világít újra nyomásra kikapcsol vagy fékezésre,a 4 led a tiltás ha merült az akku, többi a töltés jelző .A 2 sor 1.irányjelző a 2 . fék vissza jelző a többi a sebesség jelző.
Köszönöm , véletlen a sebességmérönél levő számokat neme tudod ?
Sziasztok mindenkinek.Van itt egy kapcsolási rajz .Ez egy akksi töltő.Az nem világos számomra,hogy miért kell hogy csatlakozzon az UC3842-es 7-es lába a trafóra a d7 diódán keresztül?Egyáltalán miért kell a trafóra kapcsolni,mikor a GREZ után van kötve az R2 ellenálláson keresztül,ahonnan kap tápot induláskor is, és azután is?Mert ugye úgy van,hogy induláskor a GREZ-ről táplálkozik,aztán pedig a trafó táplálja.Vagy nem jól tudom?El tudná valaki ezt mondani hogy hogy is van?
A hozzászólás módosítva: Nov 13, 2013
Üdv:5,10,15,ezek zöld ledek 20,sárga 25,30.piros
|
Bejelentkezés
Hirdetés |

















