Fórum témák

» Több friss téma
Fórum » Sziréna
 
Témaindító: vanzerr, idő: Jan 5, 2006
Lapozás: OK   22 / 51
(#) watt válasza bbb hozzászólására (») Dec 3, 2007 /
 
A képeket nézve sajnos azt kell mondjam, hogy ez a tölcsér nem lesz jó horn-nak. Ennek az az oka, hogy magas frekire van hangolva. Az egész nem lehet több 10W-nál, de még az is lehet, hogy ez is túlzás. Persze magas frekin jó illesztéssel nagyon hangos, de ahogy a freki csökkenne egyre inkább halkulna, és egyre inkább leégne.
(#) még1MbR válasza bbb hozzászólására (») Dec 3, 2007 /
 
Szia!

Ennek még kellene lennie egy tölcsér részének is, a képen csak a tölcsér belső része van. Ez egy sima 12V-os riasztó sziréna, nekem is van egy ilyen idehaza, 4 ohm az ellenállása a sugárzónak.
(ezzel tesztelem a watt féle pices áramkört az íróasztalon, persze 500 ohmos soros ell. beiktatásával)

Sima horn-kürtnek valóban nem lesz elég hangos, a városi forgalomban biza kell a nagy tölcsér, kb. 50W-al.

Amúgy a többieknek:
kicsit átterveztem a szirénanyákot, most zajlik a dobozba rakás, külcsín elkészítése... ilyesmik.
Képekkel jövök majd. Meg persze új hangokkal is
(#) bbb válasza még1MbR hozzászólására (») Dec 3, 2007 /
 
a tölcsér része is megvan, csak a fényképre nem fért rá (nem volt kedvem visszarakni rá)
(#) Frankye válasza még1MbR hozzászólására (») Dec 4, 2007 /
 
Idézet:
„...kicsit átterveztem a szirénanyákot...”


Megtennéd, hogy felteszed ide a NYÁK terveket? Előre is köszi!
(#) még1MbR válasza Frankye hozzászólására (») Dec 4, 2007 /
 
Persze, itt is van.

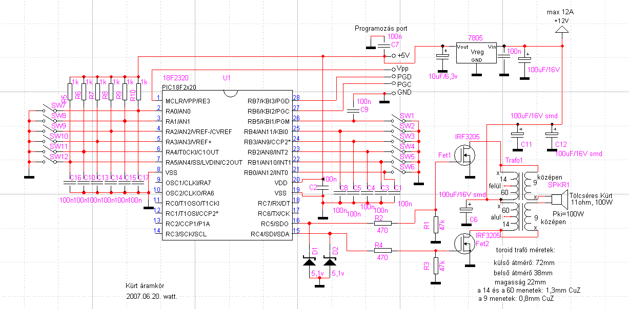
Annyi a változás, hogy a pic foglalat alá betettem a sok kicsi 100nF-os szűrőkondit smd kiadásban, valamint a fesz.osztók is smd-k lettek. Helytakarékosabb lett és a lomexben kapható műanyag dobozba pont belefér. A nyák egyik felére lehet a toroid kivezetéseit forrasztani (plusz az smd-ket), a másik felére pedig a normál alkatrészek kerültek. A nyák lesz a dobozban középen, egyik oldalon a trafó, túloldalon pedig a kapcsolók, stb. A fotó majd többet mond.
(#) Frankye válasza még1MbR hozzászólására (») Dec 5, 2007 /
 
Hálás köszönet! :worship:
(#) még1MbR válasza Frankye hozzászólására (») Dec 5, 2007 /
 
Eh, időközben kiderült, hogy a 4db 100µF-os kondit kicsit széjjelebb kell tenni egymástól, másképp csak nagyon szűkösen fér el, vagy hosszú keskenyet kell venni.
(#) még1MbR hozzászólása Dec 8, 2007 /
 
Lassan végére érek a sziréna dobozolásának, gondoltam rakok fel pár képet...
Watt méret minimalizálását persze nem lehet űberelni , de azért igyekeztem én is szűkre venni, hogy kevés helyet foglaljon. Pár smd beugrott az ic lábak közé
A dobozon lesz egy összevont táp és hangsugárzócsati valamint ki-be kapcsoló és egy 12 állású forgókapcsoló is. Lehet ráteszek egy 15 pólusú canont is, amivel a hangok kapcsolását lehet messzebb vinni.
(#) watt válasza még1MbR hozzászólására (») Dec 8, 2007 /
 
Le a kalappal! Igazán profi munka!
(#) Frankye válasza még1MbR hozzászólására (») Dec 8, 2007 /
 
Váááó! Ez igen! Nagyon frankó lett, gratulálok!
(#) még1MbR hozzászólása Dec 8, 2007 /
 
Irulok-pirulok a sok dicsérettől
Lehet valaki furálja a fekete nyákot, de most valahogy kedvem volt kipróbálni, végülis megy a dobozhoz.
Méregettem a trafót terhelés alatt (10 ohmos ellenállás) és az jött ki, hogy 1-2 volttal többet tud, mint az eriston150. Watt toroidjának más a vasa, lehet ezért rúg 32V-ra. Mondjuk én 12V-os akkuról néztem, autóban felmegy a betáp 14-14,4V-ra is, ott tuti kiadja ezt a feszt.
(#) watt válasza még1MbR hozzászólására (») Dec 9, 2007 /
 
Az teljesen jó lesz, 1-2V hangerőben nem nagyon hallatszik. Jó tölcsérrel mindenképpen nagyot szól!
A fekete nyák gyári, vagy festetted?
(#) még1MbR válasza watt hozzászólására (») Dec 9, 2007 /
 
Simán lefújtam matt fekete festékkel beültetés előtt...
(#) watt válasza még1MbR hozzászólására (») Dec 9, 2007 /
 
Sejtettem! Jó megoldás, lehet kipróbálom(csak én beültetés után! )!
(#) még1MbR válasza watt hozzászólására (») Dec 12, 2007 /
 
Áhh, ne, az nagyon Dart Waderes lesz már!

Tényleg Watt, mit gondolsz, merjek írni a Jézuskának 12 hangos pic keretprogi ügyében?
Nem merek, mert a mohó embereknek csak virgácsot fog hozni karácsonyra

Frankye-nek már tudom, mit fog hozni:
-részecskegyorsítót!
Hátha ő is összerakja a szirénaáramkört végre
(#) watt válasza még1MbR hozzászólására (») Dec 13, 2007 /
 
Jajj bocsi, teljesen elszálltam más irányba(fényeffekteket gyártok az ünnepi fényfüggönyömbe!), de bepótolom!
(#) Frankye válasza még1MbR hozzászólására (») Dec 13, 2007 /
 
Idézet:
„Frankye-nek már tudom, mit fog hozni: -részecskegyorsítót! Hátha ő is összerakja a szirénaáramkört végre”


Kösssz...

Amúgy össze van rakva, csak a beüzemeléssel vannak gondok. A múltkor próbáltam élesztgetni, de nem sok sikerrel... Lehet, hogy a jómúltkori dupla tápfesz kicsapta szegény PIC-et is?! Vagy a FET-ek mentek az örök elektron-mezőkre szilíciumra vadászni? :rinya:
(#) még1MbR válasza Frankye hozzászólására (») Dec 13, 2007 /
 
Azt könnyű kideríteni... elég egy kis hangszórót érinteni a fetek gate-jére egy párszáz ohmos ellenálláson keresztül. Ha szól, akkor a pic jó
Jövő héten megyek Chipcadezni, hozok szívesen, ha kell!
(#) még1MbR válasza watt hozzászólására (») Dec 13, 2007 /
 

Ez az a fényfüggöny, ami az egyik topicban is szerepel? Ilyen mátrixos-pices verzió?
Mert már azt is kiszemeltem természetesen
(#) Frankye válasza még1MbR hozzászólására (») Dec 13, 2007 /
 
Na, majd kipróbálom, most otthon leszek pár napot, remélem, ez is belefér majd... (Igaz, hogy minden napra legalább 2-3 napnyi tennivaló gyűlt össze, de majd besuvasztom ezt is a tennivalók közé! )
(#) Frankye válasza még1MbR hozzászólására (») Dec 13, 2007 /
 
Az a fényfüggöny nekem is nagyon tetszik, töröm is rajta a fejem, hogy meg kellene valósítani, otthonra!
(#) watt válasza még1MbR hozzászólására (») Dec 13, 2007 /
 
Persze, nézz fel az oldalamra!
Karácsonyra meg szeretném végre kiváltani a 286-os PC-t ami a fán adja a fényjátékot. Kaptam egy csomó izzót(ledurrant piaci fényfüzér, másra nem is szabad használni, életveszélyes, de a legolcsóbb izzóforrás!!!), azzal gondoltam 8szál*10 izzóval. Jelenleg 6*8izzós van, de nem ér le a fán általában..
De bocsi az offért, ha érdekel a téma, nyithatsz egy topicot, ha gondolod....
(#) még1MbR válasza watt hozzászólására (») Dec 13, 2007 /
 
Van már topic rá, megkerestem:
Karácsonyi fényfüzérek
Folytassuk itt
(#) watt hozzászólása Dec 13, 2007 /
 
Kész a prototípus, próbáld ki! Áramkört is rajzoltam a gombok bekötéséhez.
Nézd meg miket változtattam, hasonlítsd össze a régivel és rájössz, hogy milyen egyszerű a dolog. Akár több gombot is rákaszthatsz még, ha megérted a változtatások lényegét.

Az EFFEKT_xx rutinok üresek, de a feltöltésükben már jártas van!
(#) watt válasza még1MbR hozzászólására (») Dec 13, 2007 /
 
Hát nem tudom, egy PIC-es téma mindig nagyon elüt a "közember" érdeklődésétől. Ha komolyan érdekel a téma, akkor jobb egy új topic szerintem. Ebben csak PIC-es vezérlésről lenne szó, leginkább fénymátrix témában. De nem erőszak....
(#) még1MbR válasza watt hozzászólására (») Dec 13, 2007 /
 
Hú, ez gyors volt, nagyon szépen köszönöm!
Most, hogy hirtelen belenéztem, az tűnt fel, hogy a portB-nél be vannak kapcsolva a felhúzó ellenállások a programon belül, míg a portA-nál nincsenek, tehát kívülről lesznek ráakasztva. Ennek valami trükkös oka van? Vagy csak egyszerűen ezt a portot nem lehet ilyen módon szoftveresen belőni?
A másik, ami még feltűnt a progiban, hogy a megszakítás kezeléseknél a gombok ellenőrzése résznél csak az 1-6 effektgombig megy az ellenőrzés a programsorokban... az újabb 6-ot miért nem kell?
Na egyenlőre nem kérdezek többet, inkább kinyomtatom és böngészgetem a változásokat, hadd szokjam a dolgot

Addig még fényfüzérileg nem leszek aktív, ez a szirénás dolog most leköt nagyon...
(#) watt válasza még1MbR hozzászólására (») Dec 13, 2007 /
 
Idézet:
„csak az 1-6 effektgombig megy az ellenőrzés a programsorokban... az újabb 6-ot miért nem kell”

Azé, mert elbaxtam!
folyt köv!

Csak a B porton van lehetőség felhúzó ellenállás kapcsolásra, ezt jól gondoltad.

(#) watt válasza watt hozzászólására (») Dec 13, 2007 /
 
Lemaradt a szerkesztésből, hogy javítottam, csatoltam...

Ejnye, csak nem azt!

Ez a jó állomány...

(bocsi, kicsit elkapkodtam a csatolást, másik könyvtárból beszúrtam ugyanazt...)
(#) még1MbR válasza watt hozzászólására (») Dec 13, 2007 /
 

Mivel még nem értek hozzá, csak a józan paraszti ész alapján nézegetem a progit, meg logikázgatok... csomó dolognál bejön a favágó módszerrel kopizgatás, anélkül, hogy ismerném a parancs jelentését
A regisztereknél viszont már végem... de szeretek kisérletezgetni

Köszönöm szépen!
(#) watt válasza még1MbR hozzászólására (») Dec 13, 2007 /
 
Hidd el a józan ész többet ér, mint száz óra magolás! Teljesen jó észrevételeid vannak, ha rászánnál kis időt és lenne kedved is, akkor neked nem lenne gond ezt a PIC témát kipipálni!
Következő: »»   22 / 51
Bejelentkezés

Belépés

Hirdetés
XDT.hu
Az oldalon sütiket használunk a helyes működéshez. Bővebb információt az adatvédelmi szabályzatban olvashatsz. Megértettem