Fórum témák

» Több friss téma
Fórum » Autóelektronika
 
Témaindító: sufni-tunning, idő: Ápr 19, 2008
Témakörök:
Lapozás: OK   150 / 349
(#) Ricsi89 válasza tothb hozzászólására (») Nov 21, 2013 /
 
Akkor rossz szerelőhöz vitted. A kezét széttárni bárki tudja. Végig kell nézni, amit írtam, ha nem zúg az AC gyújtás ráadásakor, akkor ott kell kezdeni a hibakeresést. Ha az AC kap áramot, akkor valószínűleg az adta meg magát. Esetleg meg lehet ütögetni a tank alját ahol a pumpa van, lehet akkor ideiglenesen elindul. Esetleg gépre rádugni, megnézni, hogy felhoz-e valami hibát, amiből ki lehet indulni. Itt már nem elég végignézni a biztosítékokat és ha azok jók, akkor feladni.
(#) Ricsi89 válasza zolika60 hozzászólására (») Nov 21, 2013 /
 
Elvileg pont magának a műszernek kellene csillapítani, direkt lassú reagálásúra kellene tervezni ezeket. Az újabb autóknál ahol már a műszeregységben is vezérlés van ott az elektronika átlagol.
(#) bor5 válasza Ricsi89 hozzászólására (») Nov 21, 2013 /
 
azért írtam hogy esetleg előtét ellenállás?
(#) zolika60 válasza bor5 hozzászólására (») Nov 21, 2013 /
 
Attól csak kevesebbet fog mutatni, de ugyanúgy lengedezni fog.
(#) zolika60 válasza Ricsi89 hozzászólására (») Nov 21, 2013 /
 
Ezt én tudom, de ez még nem olyan. Ez még sima hődrótos műszer mint a Zsiguliban. Azért írtam, hogy külön elektronika kéne bele, ha valaki tervezne hozzá.
(#) Ricsi89 válasza bor5 hozzászólására (») Nov 21, 2013 /
 
Én nem foglalkoznék a dologgal. Nem kell mindig a mutatót nézegetni, főleg nem kanyarban. Akkor inkább az utat nézd. Egyenesben meg rá lehet nézni, akkor úgyis viszonylag jó értéket mutat. Az órát valószínűleg a tervezéskor rontották el, ezzel sok mindent nem lehet tenni, és nem is érdemes.
(#) bor5 válasza zolika60 hozzászólására (») Nov 21, 2013 /
 
akkor ez lehetetlen megoldani?
(#) Ricsi89 válasza zolika60 hozzászólására (») Nov 21, 2013 /
 
Szerintem az a műszer kereszttekercses lesz, mivel három kivezetése van. A hődrótosnak csak kettő szokott lenni.
(#) zolika60 válasza bor5 hozzászólására (») Nov 21, 2013 /
 
Ahogy írtam nem lehetetlen, ha valaki tud hozzá elektronikát tervezni. Egyébként írjál nagybetűket a mondatok elejére, mert nem sokáig tart a modik türelme. Fentebb már belejavítottak.
(#) zolika60 válasza Ricsi89 hozzászólására (») Nov 21, 2013 /
 
A harmadik a világítás, ha jól emlékszem. Van vagy tízen éve hogy élőben ilyet láttam.
(#) bor5 válasza zolika60 hozzászólására (») Nov 21, 2013 /
 
Most olvastam máshol ha a kivezetésekre kondít teszek az egész jól csillapítana!!! De melyik kivezetésekre kellene rakni a 3 közül?
(#) zolika60 válasza bor5 hozzászólására (») Nov 21, 2013 /
 
Megpróbálhatod. Ha jól sejtem a közé a kettő közé kell, amin az ellenállás van. Elektrolit kondi kell legalább 16V-os vagy nagyobb feszültségű. Próbáld 100µF-al. Polaritásra ügyelj, mert elpukkan ha fordítva teszed be.
(#) tothb válasza Ricsi89 hozzászólására (») Nov 21, 2013 /
 
kösz, akkor megyünk és kezdjük a kályhától.
(#) bor5 válasza zolika60 hozzászólására (») Nov 21, 2013 /
 
Csak az a baj hogy nem tudom hogy az órán melyik a pozitív és melyik a negatív pólus!!
(#) kissi válasza (Felhasználó 13571) hozzászólására (») Nov 21, 2013 /
 
Nem mindenkinek, ha nincs meg az alapja !
(#) kissi válasza (Felhasználó 13571) hozzászólására (») Nov 21, 2013 /
 
Csak a mai autókban nem lehet akárhova tenni !
(#) stevepapa válasza bor5 hozzászólására (») Nov 21, 2013 /
 
Azt sem ártana tudni milyen műszer méri a szintet. Deprez műszert ilyen pozícióba nem szoktak tenni, a hődrótos, vagy egyéb meg nem ugrál a kanyarban. Ha mégis akkor a jeladót is meg kellene nézni.
(#) Demente hozzászólása Nov 21, 2013 /
 
Roppant bonyolult elképzelésem van.
Nagyon zavar autómban, hogy indítózáskor lekapcsolja a szivargyújtót, és a rádiót. Egy sor dolog indul ilyenkor feleslegesen kétszer.
Nem, nem akarom direkt kötni az akkumulátorra!! Tök jó hogy kapcsolt a 12v. És szeretném hogy ez így is maradjon. Így nem marad úgy semmi éjszakára.
Lényegében szeretnék a műszerfal mögé tenni egy zselés kis akkumulátort, ami csak az indítózás idejére szolgáltatná a feszültséget. És ha a gyújtást lekapcsolom, akkor természetesen a rádió is és a szivargyújtó is kapcsoljon le.
Megoldásban szeretnék segítséget kérni. Kapcsolási rajzokon jól eligazodok, viszont semmi lehetőség sem jut eszembe.
Köszönöm.
(#) Ricsi89 válasza Demente hozzászólására (») Nov 21, 2013 /
 
A gyújtáskapcsolónál van olyan gyújtási áram, ami nem szűnik meg indításkor. Erre átkötöd és kész. 15A jelzésűről át kell kötni a sima 15-ös jelzésűre.
(#) zolika60 válasza kissi hozzászólására (») Nov 22, 2013 /
 
Ez nem egy mai autó.
(#) zolika60 válasza stevepapa hozzászólására (») Nov 22, 2013 /
 
Hődrótos az, és nem ugrál, hanem kanyarban mást mutat. Szerintem mindig is ilyen volt. Most jobbat szeretnénk csinálni a gyárinál.
(#) stevepapa válasza zolika60 hozzászólására (») Nov 22, 2013 /
 
Igen, de azért hődrótos, hogy kiküszöbölje ezeket a "problémákat". Ugyanis a tehetetlensége miatt nem tudja követni a pillanatnyi értékeket.
(#) zolika60 válasza stevepapa hozzászólására (») Nov 22, 2013 /
 
Nem volt Zsigulid?
(#) tothb válasza Ricsi89 hozzászólására (») Nov 22, 2013 /
 
Köszi kipróbáltuk, direktbe kapott áramot és akkor zúgott, forgatott az önindító, de sajnos más továbbra sem történt. Szerintem az AC ok, de valami tiltja.
(#) spykiller hozzászólása Nov 22, 2013 /
 
sziasztok. olyan kérdésem lenne hogy van egy Peugeot Partnerem 1.9D (WJZ motorkód) elkezdett olyant csinálni hogy hetente egyszer nem izzított. sokáig tekertettem, beindult, egy hétig boldogság. Mostmár egyáltalán nem jelzi a visszajelző hogy izzítana, és be sem indul. Szerelő ismerős az akksiról vitt 12V-ot az izzítógyertyának, egyből röffent is. Elképzelhető hogy a relé nem jó? gyújtás ráadásakor kattan.
(#) Ricsi89 válasza spykiller hozzászólására (») Nov 22, 2013 /
 
Nem kizárt, hogy az a baja. Szét lehet szedni, meg lehet nézni, hogy az érintkező nincs-e beégve, vagy nem látszik-e valami hiba rajta.
(#) spykiller hozzászólása Nov 22, 2013 /
 
az a baj hogy magát a relét szerintem nem lehet szét szedni, olyan mintha egybe lenne az egész. a sarukat megcsiszoltam, de nem oldotta meg a gondot. Ki lehet valahogy mérni ezt a relét?

bosch.jpg
    
(#) Ricsi89 válasza spykiller hozzászólására (») Nov 22, 2013 /
 
Van itthon két ilyen relém is, elvileg mindkettő hibás. Szét lehet szedni, 4 apró csavar fogja az alját a 4 sarkán. Sok mindent nem láttam benne, de ha kattan és nem ad ki feszültséget, akkor az érintkezők lehetnek beégve benne.
(#) spykiller hozzászólása Nov 22, 2013 /
 
hanyas pontján mérjek feszt.?
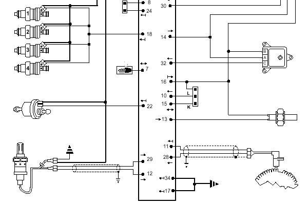
(#) VIM válasza tothb hozzászólására (») Nov 22, 2013 /
 
Szia! Nem tudom, hogy megoldódott-e már a probléma de nem valószínű, hogy olyan tiltás volna (immo) amit ne lehetne kimérni és rápróbálni. A kocsid motorvezérlője és a hozzá kapcsolódó perifériák csatlakozása látható a képeken és a kettős relé a fő reléje a vezérlőnek. Valószínű, hogy az ikerrelé egyik fele nem működik vagy maga a relé érintkezési hibát hordoz magában.
Következő: »»   150 / 349
Bejelentkezés

Belépés

Hirdetés
XDT.hu
Az oldalon sütiket használunk a helyes működéshez. Bővebb információt az adatvédelmi szabályzatban olvashatsz. Megértettem