Fórum témák
» Több friss téma |
Fórum » Autóelektronika
Témaindító: sufni-tunning, idő: Ápr 19, 2008
Témakörök:
Akkor rossz szerelőhöz vitted. A kezét széttárni bárki tudja. Végig kell nézni, amit írtam, ha nem zúg az AC gyújtás ráadásakor, akkor ott kell kezdeni a hibakeresést. Ha az AC kap áramot, akkor valószínűleg az adta meg magát. Esetleg meg lehet ütögetni a tank alját ahol a pumpa van, lehet akkor ideiglenesen elindul. Esetleg gépre rádugni, megnézni, hogy felhoz-e valami hibát, amiből ki lehet indulni. Itt már nem elég végignézni a biztosítékokat és ha azok jók, akkor feladni.
Elvileg pont magának a műszernek kellene csillapítani, direkt lassú reagálásúra kellene tervezni ezeket. Az újabb autóknál ahol már a műszeregységben is vezérlés van ott az elektronika átlagol.
azért írtam hogy esetleg előtét ellenállás?
Attól csak kevesebbet fog mutatni, de ugyanúgy lengedezni fog.
Ezt én tudom, de ez még nem olyan. Ez még sima hődrótos műszer mint a Zsiguliban. Azért írtam, hogy külön elektronika kéne bele, ha valaki tervezne hozzá.
Én nem foglalkoznék a dologgal. Nem kell mindig a mutatót nézegetni, főleg nem kanyarban.
Akkor inkább az utat nézd. Egyenesben meg rá lehet nézni, akkor úgyis viszonylag jó értéket mutat. Az órát valószínűleg a tervezéskor rontották el, ezzel sok mindent nem lehet tenni, és nem is érdemes.
Szerintem az a műszer kereszttekercses lesz, mivel három kivezetése van. A hődrótosnak csak kettő szokott lenni.
Ahogy írtam nem lehetetlen, ha valaki tud hozzá elektronikát tervezni. Egyébként írjál nagybetűket a mondatok elejére, mert nem sokáig tart a modik türelme. Fentebb már belejavítottak.
A harmadik a világítás, ha jól emlékszem. Van vagy tízen éve hogy élőben ilyet láttam.
Most olvastam máshol ha a kivezetésekre kondít teszek az egész jól csillapítana!!! De melyik kivezetésekre kellene rakni a 3 közül?
Megpróbálhatod. Ha jól sejtem a közé a kettő közé kell, amin az ellenállás van. Elektrolit kondi kell legalább 16V-os vagy nagyobb feszültségű. Próbáld 100µF-al. Polaritásra ügyelj, mert elpukkan ha fordítva teszed be.
kösz, akkor megyünk és kezdjük a kályhától.
Csak az a baj hogy nem tudom hogy az órán melyik a pozitív és melyik a negatív pólus!!
Nem mindenkinek, ha nincs meg az alapja
!
Csak a mai autókban nem lehet akárhova tenni
!
Azt sem ártana tudni milyen műszer méri a szintet. Deprez műszert ilyen pozícióba nem szoktak tenni, a hődrótos, vagy egyéb meg nem ugrál a kanyarban. Ha mégis akkor a jeladót is meg kellene nézni.
Roppant bonyolult elképzelésem van.
Nagyon zavar autómban, hogy indítózáskor lekapcsolja a szivargyújtót, és a rádiót. Egy sor dolog indul ilyenkor feleslegesen kétszer. Nem, nem akarom direkt kötni az akkumulátorra!! Tök jó hogy kapcsolt a 12v. És szeretném hogy ez így is maradjon. Így nem marad úgy semmi éjszakára. Lényegében szeretnék a műszerfal mögé tenni egy zselés kis akkumulátort, ami csak az indítózás idejére szolgáltatná a feszültséget. És ha a gyújtást lekapcsolom, akkor természetesen a rádió is és a szivargyújtó is kapcsoljon le. Megoldásban szeretnék segítséget kérni. Kapcsolási rajzokon jól eligazodok, viszont semmi lehetőség sem jut eszembe. Köszönöm.
A gyújtáskapcsolónál van olyan gyújtási áram, ami nem szűnik meg indításkor. Erre átkötöd és kész. 15A jelzésűről át kell kötni a sima 15-ös jelzésűre.
Hődrótos az, és nem ugrál, hanem kanyarban mást mutat. Szerintem mindig is ilyen volt.
Most jobbat szeretnénk csinálni a gyárinál.
Igen, de azért hődrótos, hogy kiküszöbölje ezeket a "problémákat". Ugyanis a tehetetlensége miatt nem tudja követni a pillanatnyi értékeket.
Köszi kipróbáltuk, direktbe kapott áramot és akkor zúgott, forgatott az önindító, de sajnos más továbbra sem történt. Szerintem az AC ok, de valami tiltja.
sziasztok. olyan kérdésem lenne hogy van egy Peugeot Partnerem 1.9D (WJZ motorkód) elkezdett olyant csinálni hogy hetente egyszer nem izzított. sokáig tekertettem, beindult, egy hétig boldogság. Mostmár egyáltalán nem jelzi a visszajelző hogy izzítana, és be sem indul. Szerelő ismerős az akksiról vitt 12V-ot az izzítógyertyának, egyből röffent is. Elképzelhető hogy a relé nem jó? gyújtás ráadásakor kattan.
Nem kizárt, hogy az a baja. Szét lehet szedni, meg lehet nézni, hogy az érintkező nincs-e beégve, vagy nem látszik-e valami hiba rajta.
az a baj hogy magát a relét szerintem nem lehet szét szedni, olyan mintha egybe lenne az egész. a sarukat megcsiszoltam, de nem oldotta meg a gondot. Ki lehet valahogy mérni ezt a relét?
Van itthon két ilyen relém is, elvileg mindkettő hibás. Szét lehet szedni, 4 apró csavar fogja az alját a 4 sarkán. Sok mindent nem láttam benne, de ha kattan és nem ad ki feszültséget, akkor az érintkezők lehetnek beégve benne.
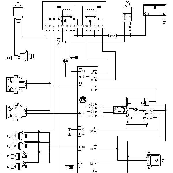
Szia! Nem tudom, hogy megoldódott-e már a probléma de nem valószínű, hogy olyan tiltás volna (immo) amit ne lehetne kimérni és rápróbálni. A kocsid motorvezérlője és a hozzá kapcsolódó perifériák csatlakozása látható a képeken és a kettős relé a fő reléje a vezérlőnek. Valószínű, hogy az ikerrelé egyik fele nem működik vagy maga a relé érintkezési hibát hordoz magában.
|
Bejelentkezés
Hirdetés |




Akkor inkább az utat nézd. Egyenesben meg rá lehet nézni, akkor úgyis viszonylag jó értéket mutat. Az órát valószínűleg a tervezéskor rontották el, ezzel sok mindent nem lehet tenni, és nem is érdemes.
!
Most jobbat szeretnénk csinálni a gyárinál. 



