Fórum témák
» Több friss téma |
Gory!
Az előtrigger elvén töröm a fejem. Nincs valami ötleted hogyan lehet hardveresen megvalósítani? Nekem valahogy nem megy a fejembe. Amit kiötöltem szkópot az úgy működne hogy a triggerjel hatására a memória írása engedélyeződik és az adatok beíródnak a memóriába. Fogalmam nincs hogy lehetne egy előtriggerelési lehetőséget megvalósítani.
Hi!
Nem tudom mit értessz előtriggeren. Ennyire nem értek a szkópokhoz. Vagy az external trigger az ugyanaz mint az előtrigger?
Na megnéztem az előtriggeres dolgot. Már leesett mit értessz alatta. Én egy trigger bemenetre gondoltam. Szerintem ha a memória írást a trigger engedélyezi akkor nyilvánvalóan nem lehet előtriggert megoldani. Szerintem abban a final year projectben se ez van. Inkább úgy kéne megoldani hogy a memóriába folyamatosan íródik az adat, ha a végére értél kezded előlről. Amikor trigger van, akkor pedig beírod valami regiszterbe, hogy hol van a trigger. A trigger előtti és az épen írt memóriarekesz közötti rész pedig a trigger előtti adathalmaz. (Ha a memóriát egy körkörös valaminek tekintem)
Hali!Ez egy 1x ű
és kb 200Ksps, és nem kell PIC csak egy párhuzamos AD ami tök olcsó, meg a maxim küld ingyen is. Egyébként a PIC szerintem túl lassú volna egy komolyabb Scope hoz. Mert max 12Mips abból jópár ciklus elmegy a memória irásra a trigger-re az AD beolvasásra, szrerintem jó ha marad 1M, és persze csak párhuzamos AD val különben... . Külün FIFO memot kellene használni ami csak jelez a PIC nek hogy televan .
Igen csak ez lehet a jó megoldás. Megjegyezni a címet triggereléskor. Köszi.
Hát van 71256 osom pár darab. Ezzel fogom megépíteni. Meg vettem 62256 -ost 2db.-t arra az esetre ha mégse lenne jó 71256-os. A 486-os alaplapot úgy kaptam így nemtudok semmit a múltjáról.
Ha már scope legyen 4 bemenetü:
[link=http://members.shaw.ca/roma2/circuit33.pdf]http://members.shaw.ca/roma2/circuit33.pdf[/link] Bement váltó 1 bementüre.
Ez a TLC5510-es hogyan működik? Meg menyi kiegészítő cucc kell köré? Mert az adatlapja elég ratyi. Ott ilyen ferrit magok is voltak, aztán kinek van kedve vasmagokkal szarakodni.
A másik belinkelt cucc az az ADC8020 viszont egész jó meg egyszerű, csak egy órajel kell neki hogy mikor adja az adatot és kész. Viszont 10 ezer Ft darabja a RET-nél, és kb 700Ksps a sebessége. Azért rendeltem belőle mintát, nekem elég lenne ez a párszáz KHz otthonra, mert én mindenképp real-time szkópban is gondolkodom és tetszik az egyszerűsége.
45000-forinter megeri 1mhz szkop?
usb. 2 csatorna. frekimeres.(opcio) matematikai muveletek.(opcio) MINTAVETEL 50mhz.
Még sehogy nem működik. kb. még 2 hónap mire kitalálom megalkotom a hardvert meg még müködni is fog. A TLC5510 jel/zaj aránya elég rossz 44dB. De ettől függetlenül 1800Ft/db. nagyon megéri kísérletezni. Ha tuti jól működik akkor veszek majd valami drágábbat.
LF357-es műverősítővel lesz illesztve az AD-hoz. Egyenszint korrekció TL071-el. Finom osztó multiplexerrel. Utánna TLC5510. Órajel 20Mhz,10Mhz,5Mhz,... 2Khz (74HC390-el 2db.) Egy PIC ami a 71256 (6-8db.) írásengedélyezést pörgeti körbe és ez kezeli a triggert is. Egy másik Pic ami megcímzi a memóriát , kiolvassa a tartalmát és átküldi sorosporton a PC-re. Röviden ennyi. Nincs semmi tapasztalatom, ezért választottam a már bevált memóriás módszert. Jelenleg részenként szimulátoron vizsgálom.
Ahogy néztem a neten, ezt a TLC5510-et DSP-vel szokták használni. Mghozzá úgy hogy a DSP memóriájába írják a dolgokat. Bár azzal ugye egyszerre lehet memóriából elővenni és utasítást végezni.
A te megoldásod elég bonyolultnak meg költségesnek néz ki így elsőre. Gondolom te videójelet akarsz vizsgálni és azért kell ennyi MHz. Ha lesz időm mostanában akkor kipróbálom az eddig felhalmozott soros A/D-ket itthon. Van egy 1MSPS sebességű, 10 bites SPI buszos konverterem is. Csak az lényegesen macerásabb mint egy párhuzamos. Ha megjön az ADC8020 valaha is arról is beszámolok. Egy 300KHz-ig működö real time usb szkóp szerintem egész jól hangzik 5000 Ft-ból.
a memoria beszerzese problemas
Ja én is ezt a kapcsolást tanulmányozgatom két-három hete. Az analóg rész most már tuti hogy leginkább ezéhez fog hasonlítani. Kicsit megtuningolom a RT2000 ÉK -ben lévő bemeneti résszel. Tegnap teljesen leszimuláltam az mk3 analog bemeneti részt. Nagy probléma hogy LF357-tel megépítve 2Mhz-nél már -15dB a jelszint esés. Na ezt kell még valahogy kikorrigálni. A MiniDSO kapcsolásnak viszont a memória lapozási része tetszik. Hát ha már a memóriáknál tartunk. Egyenlőre azért választottam SRAM-t mert gyors és könnyű használni. 32Kbyte is már bőven sok átlagos felhasználásra. Viszont az mk3 1Kbytos FIFO tárhasználata kevés. A szerző azért használta ezt a tárfajtát mert nem akart kínlódni az előtriggernél fellépő memóriacím követés problémájával. Azhiszem engem is eléggé meg fog izzasztani. Meg a 6-8db. 32Kbytos memóriába az adatok folyamatos (veszteség nélküli) beírása. Na igen jelfolyamokhoz már nagy tár kell. A teljes videojelsor 25db. 32Kbytos SRAM-ba fér el például. 20Msps mellett.
Ha olcsón sikerül hozzájutnom a TTL ic-khez nem lesz drága az én kapcsolásom sem. Viszont a nyákja az durva lesz. Fogalmam sincs hogy fogom egyrétegesre megcsinálni.
Hi!
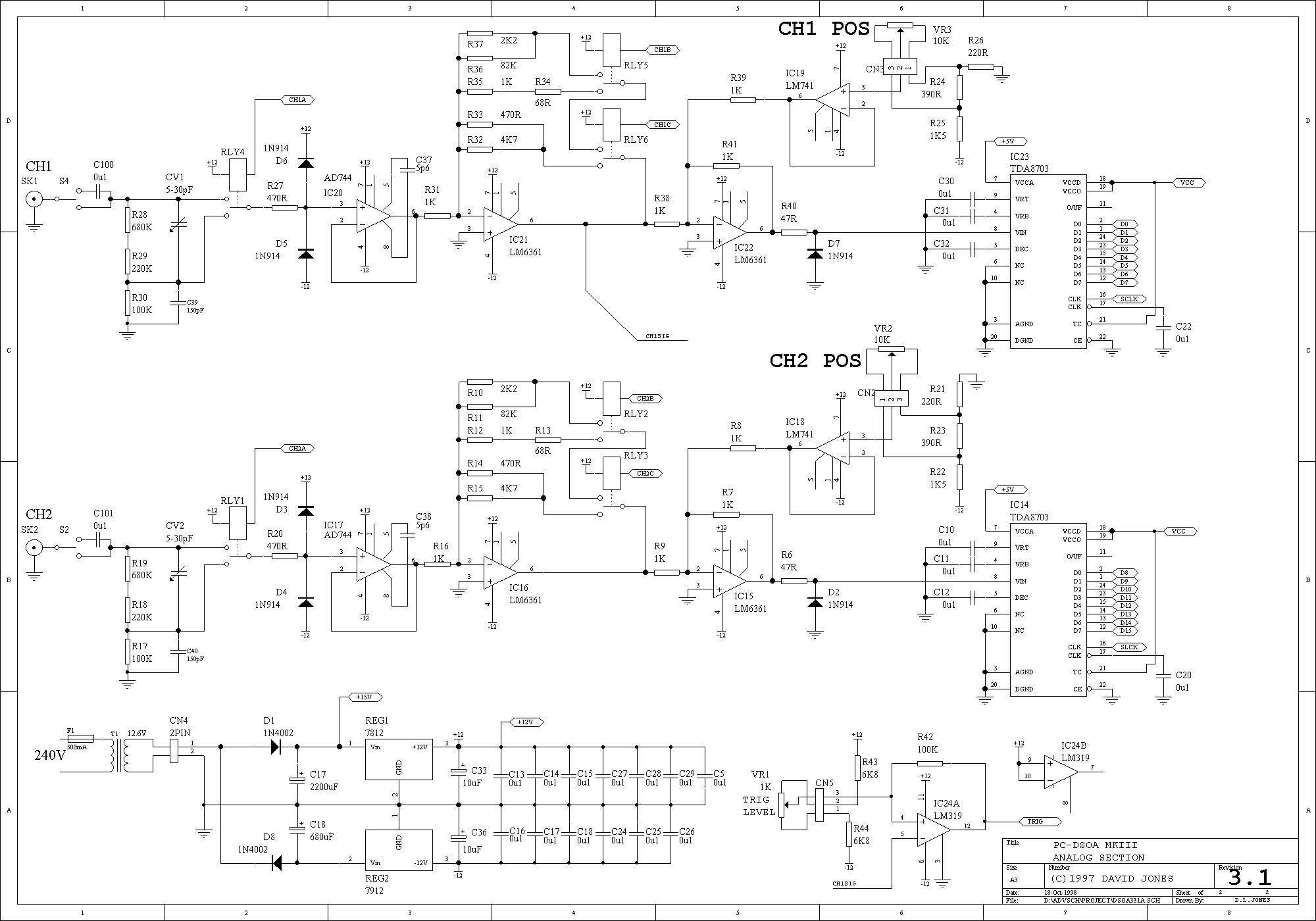
Ehhez az mk3-hoz nincs valami leírás? Például az A/D konverter adatlapjába belenéztem és valami olyat láttam hogy csak 1,55 és 3,6 volt közti értékeket konvertál, a többire underflow és overflow jelzést dob. Meg nem látom az adatlapból azt sem teljesen, hogy a CLK-nak milyen időzítés kell. Amúgy hqvideo-ban van ilyen A/D kb 1500 Ft. A harmadik dolog amiről valaki felvilágosíthatna hogy mi az a temérdek műveleti erősítő a bemeneten, a relékkel. Gondolom egy átlapolásgátlő szűrő meg jelszint illesztő, de hogy melyik mi azt nem látom át, és hogy feltétlen ilyen bonyolultra kell-e azt.
Az AD átalakítók általában 1-2V cs-cs jelszintet tudnak lekezelni. És mivel nem szimetrikus tápfeszről mennek ezért egyenszint eltolást kell használni. A TLC5510-nél ez 1,5V. Tehát 0,6-2,6V-ig konvertál egyenszint eltolva.
Pontosan ezért nagyon le kell osztani a jelet. Ráadásul 1M 25pf-os illesztést kell megvalósítani a bemeneti erősítőnél. Tehát először leossza a jelet 1/10-re. Utána nagy bemeneti impedanciájú erősítő fokozat. Utánna 1,2,5-ös további leosztása a jelnek. Majd az utolsó fokozat az egyenszint eltolása 741-el kombinálva. Az utolsó műverősítő előtt kicsatolja a triggert.
Itt az mk3 verzió leírása.
Nem enged filet csatolni.
Megtaláltam a neten a leírást. Át is rágtam magam rajta tegnap. Tetszik ez a TDA8703 IC. 1500 Ft a nettó ára.
Sikerült nagyjából fel is fognom hogy működik a dolog. Annyi zavar benne hogy sok a relé, amiket vezérel. Egy digitális potméterrel ki lehetne váltani talán csatornánként a két erősítést állító relét, és elég lenne egy jel vezérelni az erősítést. Sőt lehet hogy szoftverből még egyszerűbb lenne megoldani nem? Csak a kirajzolásnál kéne a jelet felszorozni az erősítéssel és kész. Bár az lehet hogy kevésbé lenne pontos. A digitális áramkör nagyrészét is egy mikrokontrollerrel kiváltanám. Átlapolódás gátló szűrőt nem látok az analóg részben, azt bele lehetne még szőni. A legnagyobb bajom hogy szimetrikus táp kell az áramkörnek méghozzá 12 volt. Ha én USB-ről akarnám táplálni a műveleti erősítőket másfajtára kéne cserélnem, és ennek megfelelően átméretezni mindent. Annyi lenne még a kérdésem, hogy az egyenszint eltolást azt te hogy oldod meg? Így mint az MK3-ban van?
Rendeltem 3db TDA8703 IC-t a HQ videotól. A brutto ára 1800Ft felett lesz kicsivel. Nem volt nekik raktáron, ezért kb. 2 hét mire ők is hozzájutnak. Átnéztem az adatlapját és jobb a TLC5510-nél.
A relé az engem is zavar, ezért MC14051-es multiplexereket fogok használni. Hiába rendeltem meg az LF357 IC-ket csak a bemeneti első fokozatra lehet rakni, mert a 20Mhz-es sávszélessége túl kicsi. Lehet ugyan kapni EL2020 szupergyors műveleti erősítőket (Conrad), de 1500 Ft/db -ért nekem sok az ára, ezért hagyományos tranzisztoros (BC548, BC558) párosítású diferenciál erősítővel próbálkozom a Multisimulatorban. Egyenlőre nem túl sok eredménnyel. A Rádiótechnika2000 ÉVk-ben leközölt megoldás nagyon tetszik, de szimulátoron elég gyatra átvitelt produkált. Szerintem elszúrták. Ha neked nincs meg akkor szívesen megosztom veled a kapcsolást. A szoftveres erősítés korrekció már nekem is megfordult a fejemben. De ez nem túl igényes megoldás. +-5 -os szimetrikus tápellátásban gondolkodok egyenlőre. Jelenleg azzal próbálkozok hogy megoldjam a differenciál erősítőnél hogy független legyen az erősítés állítása az egyenszint eltolástól. Rengeteg könyvet végigolvastam már, de egyenlőre még nem tudtam rájönni a helyes megoldásra. Bizakodok a problémák ellenére, mert most már értem hogy hogyan kéne müködnie. Az MK3 verziónál a harmadik LF357 fokozat után 1Mhz-nél már vagy -15dB a jelszint esés. Próbáltam sáverősítővel kiemelni a sáv felső felét, de az alsó freki tartomány linearitását jól el cseszte. Szép hobbi ez az elektronika. Szóval most hagyományos olcsó tranzisztorból próbálok szélessávú műverősítőt összerakni.
A HQvideo honlapján pedig azt láttam hogy van nekik és azonnal viheted. De akkor ezek szerint nincs. A szoftveres erősítés ha belegondolsz nem olyan rossz megoldás. Nem kell az erősítésfüggetlen DC offszettel foglalkoznod, hiszen szoftverben a rendes eltolás nélküli értékkel dolgozhatsz.
Ráadásul ha műveleti erősítővel meg ellenálásokkal csinálod, nem tudsz olyan pontos értékkel erősíteni ahogy akarsz, valószinűleg rosszabb értékeket kapsz mintha szoftverből szoroznál. Kevesebb IC, kevesebb ellenálás, nem kell az a két relé és a vezérlésük és még lehet hogy pontosabb is. Meggondolandó. Én még mindig az USB-s résszel szarakodom. Nem tudom szóra bírni a PIC-et sehogy. Valószinüleg előlről fogok kezdeni mindent. Nézelődj a maxim oldalán műveleti erősítők után. Hátha tudsz valami jót rendelni mintának. Vagy pedig elégedj meg "szaros" 20 Mhz-el
Olyan szempontból van jelentősége a jelszintnek hogy az AD-re beérkező jel minél jobban kitölti az AD által még kezelhető minimális és maximális feszültség által meghatározott tartományt annál jobb lesz a felbontás. Tehát a minimál szinthez tartozó számérték 0 a maximálishoz tartozó pedig 255. Ha kisebb a beérkező jel Vcs-cs -ig értéke mint amit még az AD kezelni tud akkor nem 8bites lesz a felbontás hanem kisebb. Legalább is nekem ez derült ki a TDA8703 adatlapjából.
Úgytűnik 4 tranzisztorból álló emiterkövetővel megoldottam a műverősítő problémát. Ha elkészül az analóg rész felteszem ide vagy elküldöm majd emailbe. Egyenlőre Pic16f877-ben gondolkodom. Tehát ez fog a PC-vel sorosporton kommunikálni, de meghagyom az USB kommunikáció lehetőségét is. Majd megpróbálok úgy gazdálkodni a portokkal hogy egy lábkompatibilis 18fxxx beültetve a tokba lehetőség legyen USB kommunikációra is. Egyenlőre teljesen tudatlan vagyok USB téren. Elküldjem a RTÉK 2000-ben lévő szkóp rajzát? Azért kérdem mert 4 x 2MB. Egyébként a Baji elektronika bt. nekem alkatrész vásárlás szempontjából nagyon bejött. Szinte minden TTL IC-t megvettem. Sőt rendeltem még 2db. 62256 ramot is. Sosem lehet elég belőlük. Gondoltam a szokásos 70ns-os változat lesz, a legjobb esetben is 55ns-os. Aztán jött a kellemes meglepetés 20ns-os helyettesítőket küldtek. Csak 600Ft/db az ára. Persze azért érdemes leegyeztetni velük a dolgot.
Hi!
Aha küldd el légyszi azt a szkóp rajzot. A kapcsolások közt lévő frekimérő bemenet illesztését nézted már? Az 50Mhz-eshez is jó, lehet hogy tudsz vele valamit kezdeni. Igazad van a szoftveres erősítésnél valahogy összekeveredtem. Az MK3-ban az erősítés úgy állítódik, hogy mondjuk 100mV/div-re rakod a felbontást, azaz ilyenkor azt feltételezed, hogy 800mV a jel peak2peak vagyis -400mV - 400mV. Ezért 2.14-es erősítés kell. Az egyenszint eltolás pedig csak ezután jön a legvégső 741-es IC-nél. Akkor végülis független az erősítés meg a DC eltolás nem? Vagy nem erre gondoltál? Csak még ugyanitt az MK3-ban van a 741-esnél olyan lehetőség hogy kitolod a jelet az A/D tartományából valamerre, azaz a képernyőn feljebb vagy lejjebb. Na ezt viszont tényleg szoftverből oldanám meg, és akkor csak a konstans 2,4 Volttal kell eltolni. Az USB dologról még annyi, hogy azt is meg lehet csinálni hogy ha te sorosportra fejlesztessz egy programot a PC-n, akkor az USB-vel is megy, ha a PIC-be olyan programot írsz ami virtuális sorosportként jelentkezik be a windówsba. Van ere gyári firmaware. Csa a sebességet állíthatod akkor nagyobbra is. Azt hiszem 80KByte/s
Elküldtem emailbe az ígért szkóp kapcsolást. Legközelebb csütörtökön leszek internet közelbe. Remélem megkapod.
Az erősítést illetően jól látod a dolgokat. A beérkező jelnek a maximálisnak kell lennie, amit még az AD átalakító fogadni tud. A MK3 -ban tulajdonképpen a 741-es az egyenszint eltolással csak az AD átalakító munka tartományába tolja el a jelet. Persze még ezután is szükség lesz némi egyenszint korrekcióra ami már szoftveresen megoldható. A RTEvk-ben jó leírást találsz.
Hello
Megkaptam a mailt. Köszi, sikerült is összeraknom a darabokat. USB ügyben már haladtam. Sikerült kommunikálnom is a PC-vel. Sorosport emulációval próbálkozok még. Sikerült 921600 baudrate-et elérni. Az 112,5KByte/sec elvileg. Jövő héten majd megpróbálom még gyorsabb sebességgel. A PIC18F4550-nek 100KSPS sebességű A/D konvertere van, szóval egyetlen IC-vel real time 100KHz-es mintavételezés elviekben menne, és lehetne egyből usb-n küldeni. Video jelhez nyilván elég sovány, de azért valamire még jó lehet ez is ![]() Periódusonként mondjuk 6-8 mintát véve 15KHz-es jeleket lehet vele vizsgálni.
Szerintem SRAM-nak használhatnánk 61c256-ot, ez minden 386,486-os alaplapban megtalálható, 32768kB-os, 8bites,15ns-os, 66MHz-es!
(is61c256ah-15ns) (Most regisztráltam, én is oscilloszkóp építésén gondolkozom.igaz PIC helyett AVR-rel. Mondjuk régen PIC-eltem...) Én elgondolásom szerint: Lenne egy órajelgenerátor (LTC6903, 1kHz-68MHz) ennek a frekvenciáját állítanánk be SPI buszon AVR-rel (vagy PIC-cel), ez hajtaná meg az AD konvertert és egy számlálót (cd4060, 74hc4060), Ez a számláló léptetné az SRAM címeket. és egy másik számláló pedig az írást engedélyezné. Mikor lejazlott x darab mérés, az AVR kiolvasná sorban a mért értékeket a RAMból és elküldené valamilyen grafikus kijelzőre, vagy FT232-n keresztül USB-n a PC-re....
Én is gőzerővel dolgozom. Protelben rakom össze az elképzelésem szerinti kapcsolást. LF357-esekkel lesz végülis megépítve az analóg rész. Szimuláció szerint csak 2Hz-1Mhz-ig viszi át az analóg jelet, de később majd szerzek bele valami gyorsabb műveleti erősítőt. Egy kicsit kételkedek a szimuláció eredményében. Szerencsére van egy szkópom így kitudom majd mérni a valós sávszélességet.
Azthiszem megpróbálkozok a 30Mhz-es órajelel, bár a TTL IC-k csak 25Mhz-et bírnak el. Legalábbis az LS jelzésüek amik nekem vannak. Látom már fog születni jónéhány szkóp verzió. Aztán majd cikket írunk róla. Légy óvatos azokkal a kapcsolásokkal amiket tőlem kaptál, még a Rádiótechnikás változat is sántít egy kicsit. (legalábbis az analóg rész) pl.10mV-os érzékenységet írnak aztán a maximális erősítése az áramkörnek A=10. Ebből sehogy sem lesz 1V a végén. Talán az MK3 a legkorrektebb. Holnap felteszem az analog részt ide.
Én is hasonlót építek csak Pic-kel. A RAM 71256-os illetve lábkompatibilis lesz. Az órajel 20-30Mhz. A számláló 74LS161 mert 74HC590-et nem kaptam.
Az a bajom a PIC-kel hogy túl lassú. Arra gondolok hogy valószínűleg 6-8 RAM-ot fogok használni és a váltást közöttük illetve a trigger kezelést egy PIC fogja végezni. Fogalmam sincs el tudja-e majd végezni a feladatát. A 74HC4060 is csak 25Mhz-ig müködik. Nem?
Az AVR-rel is mondjuk 16MIPS sebességet tudsz kihozni, szóval a 20Mhz-hez az is kevés. PIC-el meg mondjuk 12MIPS egy gyorsabb 18-as szériával. Szóval ha nem akarsz FPGA-t használni bele akkor ebből kell gazdálkodni. PIC-hez meg gondolom jobban értessz mint AVR-hez. Én most csinálok egy ICE-t AVR-hez is, szóval a fejlesztés avval is mehetne akár.
|
Bejelentkezés
Hirdetés |




. 

Szóval most hagyományos olcsó tranzisztorból próbálok szélessávú műverősítőt összerakni.



