Fórum témák
» Több friss téma |
Ez a kapcsolás valóban mintha egy "picit" eltérne az általam korábban közreadott kapcsolástól.
Az enyém így működik: ajtó nyit, a tranzisztor vezet, közben a kondi az ajtónyitással feltöltött állapotba kerül. Ajtó becsuk, és a kondi szabályozott kisüléséig az áteresztő tranzisztor szépen lassan szabályozza lefelé a kimenő feszültséget. Egy bizonyos szintet (beállított érték) elérve teljesen lekapcsolja a kimenetet. 2 db tranzisztor. Majd visszakeresem, ha lesz időm. Több tucat lett beépítve a baráti körben, és azok baráti körében. Mindenhol azóta is tökéletes.
Szia!
Gondolom a középső lámpához tetted be. Nem kellett + vezetéket behúzni az elektronikának? Nekem is ilyen autóm van, és gondolkodom egy ilyen beépítésén, de nem szeretnék a + vezeték(ek) miatt tetőkárpitot bontani. Üdv Laslie
Szia!
A meglévő áramkör paramétereinek (ellenállások értékének) változtatása nem oldja meg a problémát, legfeljebb az izzó halványabban fog világítani, esetleg már nem is látszik, de áram fog folyni, azaz az akkukulátort állandóan terhelni fogja. Ki kellene egészíteni egy billenő áramkörrel, ami biztosan lezárja a BC212 -t, ha a C kondenzátoron nagyobb a feszültség, mint az akkumulátor feszültségének 80% -a. Ekkor megszűnik a 2N3055 bázis és kollektor árama. Ugyan az izzó biztosan kikapcsol, de a billenő áramkör táplálása okozna állandó fogyasztást. Még egy észrevétel: Ha a kocsiban van riasztó, ablakemelő stb, ami az ajtónyitást érzékelő (erről a) kapcsolóról veszi a jelet, annak működését megzavarhatja a lassú feszültség változás. A hozzászólás módosítva: Jan 15, 2013
Hello!
Pontosan így van, láthatóan a BD244 kollektora a GND-n (kasznin) van. Ha trimmerpotit használsz (bár szerintem felesleges) akkor tegyél vele sorba ellenállást, mert ha nullára tekered, esetleg a 100µF töltő-kisütő árama tönkreteheti a trimmert. A 4,7kohm nem ott van, mint jelenleg az 1kohm. (Ez segít lezárni a végtranyót, hogy kikapcsolt állapotban ne legyen áramfolyás, mint Zsola89 esetében.) üdv! proli007 A hozzászólás módosítva: Jan 15, 2013
Szia,
Igen, oda tettem be, de nem húztam be plusz vezetéket, igaz, így nem használom ki az elektronika teljes tudását... a lámpatestet egy-az-egyben ki lehet szerelni és bevinni a szobába, ahol kényelmesen végrehajtható a beépítés. Valahol talán megvan még a vázlatom, hogyan kell bekötni a lámpába, ha meglesz, elküldöm. De nem túl bonyolult, kis gondolkodással kitalálható. ![]() Potyo-féle kapcsolás "Motor jár" bemenetére én a gyújtáskapcsolót kötném még be, de ehhez kellene plusz vezetéket behúzni. Így is többet tud, mint a régi halványító, mert ha nyitva felejtem az ajtót, akkor is lekapcsolja a villanyt 15 perc múlva.
Köszönöm.
A bekötéssel nincs bajom, mert azt meg tudom oldani. Csak a + vezeték behúzást érzem problémásnak, ezért is kérdeztem, hogy te hogy oldottad meg. A "Motor jár" funkciót egyébként meg lehetne oldani + vezeték nélkül is, ha a PIC-el mérnénk a + feszt is. Amikor a motor jár, akkor jó generátor esetén a töltés miatt ez megemelkedik 14V fölötti értékre. Amikor nem jár, akkor ez alatt van. Így el lehetne dönteni, hogy jár-e a motor. Ennek a megvalósításához az én tudásom nagyon kevés, így nem is vállalkozom rá.
Hali!
Nekem pont ennek az ellenkezőjére lenne szükségem, tehát kapcsolom a kapcsolót és fokozatosan kapcsol be a világítás ("beúszik"). Lehet, hogy nagyon egyszerű a kapcsolás és meglesz a facepalm élmény,de akkor is tanulok belőle ![]() Köszönöm a segítségeteket!
Sziasztok!
Kezdő vagyok, engem is érdekel a elhalványuló világítás. Én egy ilyenre gondoltam vélemény?
Ez annyira egyszerű kapcsolás (3 alkatrész + egy égő), hogy semeddig sem tart összedrótozni és kipróbálni.
sziasztok
Egy internetes oldalról leszedett kapcsolási rajz alapján csináltam elhalványodó belsőtér világítást.Én még egy kicsit megkombináltam egy relével,hogy gyújtáskor rögtön kialudjon (elveszi a testet),ezzel csak az a gondom ,hogy ha jár az autó akkor nem reagál ajtónyitásra mivel a gyújtás és a relé segítségével elvettem a testet.Ezt mivel tudnám helyettesíteni,hogy gyújtásra kialudjon,de járó motornál reagáljon ajtó nyitásra. Előre is köszönöm
Hello!
Első kapcsolásnál pld. megoldható, ha gyújtás ráadásakor egy tranyóval kisütöd a kondit, aminek bázisát, egy másik kondival egy pillanatra "bekapcsolod. Ekkor a bázisáram megszűnése után már hatástalan a kisütő. üdv! A hozzászólás módosítva: Feb 21, 2013
Hali!
Suzuki ignis belső világítás átalakítása SMD ledesre, ha valakit érdekel. Egy szofita izzó két végét a nyákra forrasztva megvan a csatlakozás. A hozzászólás módosítva: Feb 23, 2013
Sziasztok! A segítségeteket kérem ebben a témában. Én is megépítettem az egyik panelt, de sajnos semennyire sem értek az elektronikához. Kis segítséggel sikerült, viszont csak annyira működik, hogy amikor rákötöm az izzót (10watt) világít, amikor megszakítom a kapcsolatot, azonnal elalszik. Mintha nem is lenne semmilyen áramkör. Teljesen új alkatrészeket használtam, és tegnap csináltam. Egy dologban nem voltam csak biztos: van egy 820-as kondi, de mivel nem tudtam a mértékegységét, hogy ohm, vagy kilo ohm, ezért mindkettőből vettem, de egyikkel sem változik a szituáció. Valami ötlet? Előre is köszönöm!
Szia!
A trimmerpotmétert miért spóroltad ki?
Az a 820-as az nem kondi, hanem ellenállás, 820 ohm.
Az alkatrész beültetési fényképet nézve mintha a kondenzátor nem polaritás helyesen lenne beültetve.
Köszönöm a segítséget! Akkor ezek szerint két hibát vétettem: a kondit fordítva raktam be, és egy 22K-s ellenállást raktam be a 22K-s trimmerpotméter helyett. Ezeket cserélem. A többi jól van bekötve? és ugye a panelt nem a pozitív feszültségre kell kötni?
Ezek még a kisebb problémák, mert a fényképek alapján a BD249 és a BC212 tranzisztor páros nemigazán fog ebben a helyzetben működni. A rajz alapján pirossal a jelenlegi beforrasztott állapot.
A hozzászólás módosítva: Dec 20, 2013
Hmm. Értem én, hogy valami nem stimmel (és főleg tapasztalom), csak azt nem tudom, hogyan forrasszam be, hogy jó legyen. Amit pirossal rajzoltál, abból nekem az jön le, hogy a BD-t teljesen fordítva raktam be. Az imént megcseréltem a kondit, nem történt változás. A célom az, hogy a táp megszűnése után kb 5-10 másodperccel később aludjon el az izzó. Megfordítsam a BD-t?
A többit én jónak értékelem!
Fordítsd meg! Ugye te is a száddal eszel.
Akkor haladjunk sorjában. A vezeték színei szerint a piros az izzóhoz csatlakozik ami a tápforrás pozitív pólusára. A kék legyen test negatív. A BD245 tranzisztort a megfordított állapotában a D1 R1 a középső collector lábba a BC212 bal oldali emitter lába az izzóhoz kötendő piros színű vezetékkel legyen forrasztási kapcsolatban, mert most jelenleg D1 R1 a BD245 emitter lábbal és a kék negatív vezetékkel van forrasztva. A BC212 tranzisztor jobb szélső collector lába és a már megfordított BD245 bal szélső bázis lábával összeforrasztani. A tápforrást nem megszüntetni kell, hanem csak az ajtó kapcsolóval vesszük el a testet az izzótól, és ekkor lép működésbe az elektronikus kikapcsolás.
A kondenzátor pedig maradjon megfordítva, hogy a negatív fele az R2, pozitív pedig a piros vezeték fele néz.
Kipróbáltam... Még mindíg nem jó. Visszafekszem aludni.
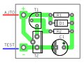
Hello! Valahogy így próbáld összehozni.. (Felülnézeti a kép.) üdv!
A kondenzátoron a negatív (-) jelölésnél a kivezetése egyértelmű testre a kék vezetékhez. T1 T2 az ábra szerint.
Itt csak az a baj proli007, hogy az autóknál az ajtó kapcsolója a negatív testet szakítja meg.
|
Bejelentkezés
Hirdetés |





















