Fórum témák
» Több friss téma |
Fórum » Időzítő
Témaindító: Mekkmester, idő: Dec 25, 2005
Témakörök:
Meg még van itthon Real Time Clock DS1307 es is itthon pár darab.
A TAVIRos Robi oldalán lehet, hogy futok majd egy kört még. De addig is köszönöm Neked. Amit küldtél megrajzolom Sprintben. Kipróbálom, jó lesz az még másra is.
Higgadj már le egy picit! Mit akarsz kezdeni az RTC-vel egy nokedli időzítő esetén? Jövőhét kedden szeretnéd bekapcsolni a levilágítót 6:00..6:20-ig? Miközben egy relé, meg egy IC nyákra tervezése gondot jelent?
Semmi gond ezzel, de készíts nyákot, tanulj meg programozni, és egy feladathoz a célszerű eszközt kiválasztani. Mikrógépet akkor célszerű használni, ha valami értelem is kell a kapcsolásba, vagy komplikált logikai összefüggések vannak, vagy flexibilis logikára van szükség. De ettől még tőlem azzal készíted amivel szeretnéd, vagy amid van, félre ne érts..
Igen, köszönöm evvel megvolnék
Összeraktam próbapanelon , de tovább szeretnem fejleszteni ,(mar többen megcsináltak egyszerű formában ) , éspedig ; gondoltam , hogy 1,2,3 lábat használnám 3 fényfüzérnek de valahogy úgy hogy csak akkor működjön a fényfüzér ha jelt kap az 5-os lábról is . gondoltam használnék valamilyen kaput ( IC-t) "igen" , "vagy" kapukat . DE itt segítségedet kérném , 12V rol működtetnem , a lábak és a kapu jelbemenete közé kell-e tegyek ellenlábast , mekorat ? diódat? Milyen IC-t javasolsz ? 10 lednek mekkora tranyot tegyek? Amúgy elkészültem az egér riasztóval, amivel annyit fárasztottalak , bontott alkatrészekből. Egy energia takarékos égő házában találta meg a helyet , 3db 3V elemről működik , csak meg az elemeknek kell keresek megoldást , mert így össze celluxozva nem az igazi .
Üdv a segítségeteket szeretném kérni én nem értek az ilyesmihez egy 220 v-os villanymotort kellene vezérelni úgy hogy például minden 10 percben bekapcsoljon 3 másodpercre de ez csak példa az idő állítható kell hogy legyen .
Előre is köszönöm a segítséget .
- Ha azt szeretnéd, hogy csak akkor égjen a Led, mikor pld. az 1-es és az 5-ös lábon is magas szint van, akkor egy ÉS kaput kell használni. Ennek ebben az esetben magas szintű kimeneti jele lesz. Tehát annak kimenetére már lehet NPN tranyót tenni, egy 2,2..10kohm-os ellenállással. (IGEN kapu nincs, csak VAGY ÉS KIZÁRÓVAGY (AND-OR-XOR).
- De lehet akár NAND kaput is használni, ekkor pld. egy PNP ztanyós meghajtót kell alkalmazni, és az eredmény ugyan az lesz. - Logikai ki és bementek közé, nem kell semmi, azok közvetlen összeköthetők egymással. Egy kimenetre több bement kapcsolható, de kimenetek nem kapcsolhatók össze. üdv!
A legkézenfekvőbb 2 db állítható időrelé.
Hello! Tetem már fel számtalan ciklikusan késleltető rajzot. pld. ezt is. üdv!
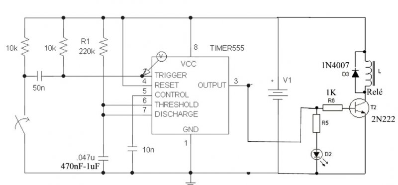
Sziasztok Fórumtársak! Valaki nézze át az időzítőmet, hogy jól csináltam e meg! Köszi.
A hozzászólás módosítva: Dec 26, 2013
Hello rajz az jó de mint írtam nem értek hozzá csak segítséget kértem
üdv tippet tudnál hogy milyen relét ami nem túl drága de használható
Szia! Merre található a kapcsolási rajz mellyel egyeztetni kéne?
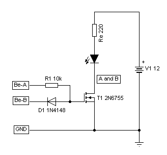
http://www.hobbielektronika.hu/forum/getfile.php?id=109286
Szia! Erre mondta KöbZoli, hogy ez jó lesz.
Nézd csak meg mekkora kondi kell bele! Bővebben: Link
A 10µF helyén biztosan nem fog elférni. Szóval 3300µF lesz az a tíz perces időzítőhöz. A hozzászólás módosítva: Dec 27, 2013
Amit én látok és olvasok az 470nF vagy 1 µF és lehetőleg Tantál kondit javasolnak.
Az ellenállás értékét változtatva nem lehet, hogy kissebb kondi is jó? A hozzászólás módosítva: Dec 27, 2013
Zoli annyit mondott, hogy stabil táp mellett Ő már 30 percet is időzített az NE555 el aránylag pontosan. Ezért rajzoltam ezt meg. Még megpróbálom berajzolni a szimulátorba.
Na jó, akkor kukába dobom a .lay-t. A hozzászólás módosítva: Dec 27, 2013
A nagyobb kondit csak bele tudod igazítani valahogy.
Pisti nem találom az időmérő órát a Tinába. A poti értéke 100K ra van állítva és több mint egy percig ketyeg. A kondi 1µF os. A Tinában a kapcsolót kicseréltem gombra. Stoppert sajnos nem találom.
A hozzászólás módosítva: Dec 27, 2013
Mint írtam is, itt a megoldás.
Pisti, csak nem értettem miért szerettél volna 3300µF kondit betenni amikor a poti 220K -s. Jó de már értem. Köszönöm.
Mekkora feszültség jön ki az IC ből a 3 as lábon amikor magas szintre emelkedik a kimenet? Illetve lenne még egy kérdésem, hogy az 50nF kondi 10nF vagy 100nF cserélhető e? Ezekből van itthon. Köszi.
A hozzászólás módosítva: Dec 27, 2013
A kimenet magas szintje tápfeszültségfüggő, adatlapban bizonyára megtalálod.
A 10 és a 100nF egyaránt megfelelő.
Hello! Én nem tudhatom, hogy "milyen szinten nem értesz hozzá".. De ha egy áramkört nem tudsz elkészíteni, akkor nincs más, mint tényleg az időrelét választod. üdv!
Hello! Ez inkább egy elméleti áramkör, mint a valóság. Egy Fet-nek van GS nyitófeszültsége, és ha forráskövető módban használod, akkor ez a feszültség hiányozni fog a kimeneti feszültségből. Továbbá, ha valamit kapcsolni kell, akkor szükségtelen két teljesítmény elem. De ha már Fet és CMOS, akkor a következő módon is lehet ÉS kapcsolatot teremteni.. üdv!
Szia Gábor! Segítenél ha megkérlek. Reloop Pistinek igaza volt tegnap is. 3.3µF kondi és 100K poti koppig feltekerve. 1mp időzítés lett belőle. Szimulátorban lehet, hogy más módszerrel kellett volna bevinnem az értékeket. Nm tudom. Valóban ilyen hatalmas kondi kell 5 perchez? 100K nál nagyobb potim most nincs.
A hozzászólás módosítva: Dec 27, 2013
Hello! Egy RC tag időzítési ideje Tau=R*C -vel számolható. Ez ugyan a jel nulláról 63%-ra történő növekedési ideje, de jó közelítéssel Megegyezik az 555 komparálási szintjével, ami a tápfesz kétharmada.
Már számtalanszor leírtam, hogy én nem szeretem az 555 hosszú idejű időzítőnek használni, mert a kondi kapacitásának növelésével annak szivárgási áramának is nőni kell. Az ellenállás értékének növelésével csökken a töltőáram, mely előbb utóbb egybevethető a szivárgási árammal. A 3,3uF*100kohm=0,33sec értéket ad.. Ezért találom célszerűbbnek a számlálók használatát az ütemadóhoz. Az meg vagy az IC-ben van (4060 4541) de külső 555 is használható. Amúgy tettem már fel "áthidaló megoldást is NRT-LONG néven. Az ugyan két 555-öt használ. üdv!
Köszönöm, tegnap éreztem, hogy ez a kis panel kuka lesz.
|
Bejelentkezés
Hirdetés |




Köszönöm szépen a kapcsolást. 






