Fórum témák
» Több friss téma |
Fórum » Kapcsolási rajzot keresek
Témaindító: Kallai Csaba, idő: Márc 11, 2006
Témakörök:
Sziasztok.
Kaptam egy elektroncsöves erősítőt amit rendbe szeretnék hozni, " PE HSV 20 " a típusa. Csak a Radiomuseum-on van kapcsolási rajz hozzá amit találtam. Valaki feltudná tölteni ide mert nem tudok letölteni az oldalról. Előre is köszönöm ![]() HSV 20
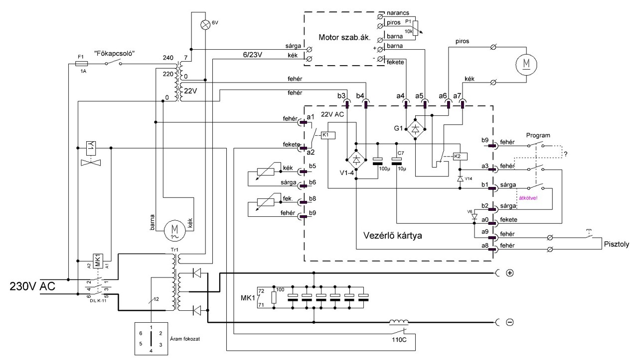
Keresek 1991 benn gyártott VISZÉK -150 es CO gép Kapcsolási rajzot.Ha lenne valakinek nagyon Köszönném.
Kedves kollegák egy kis segitségre szorulnék , van egy lépcsőházat kapcsoló időzithető kütyüm , , egy özönvíz elötti szerkentyü, nem találtam sehól róla rajzot vagy egyebet . Ha tudna valaki kapcsolási rajzot tenni fel róla , nagyon hálássan megköszönném.
Békés Karácsonyt mindenkinek Feri
Van egy saját készítésű rajzom egy valamilyen magyar CO heggesztőről. Jó lehet ez neked?
elektronnak. Nagyon szépen köszönöm.
Kedves elektron. Érdeklődnék nincs e véletlenül valami beültetési vagy alkatrész rajzod ehhez a kapcsoláshoz.Bocsi,és köszi.
Sziasztok . Azt szeretném kérdezni , hogy valaki meg tudja mondani milyen típusú tirisztoros akkutöltő panelja látható a képeken ? Persze a kapcsolási rajz lenne a legjobb ! Előre is köszönöm - Lala .
A hozzászólás módosítva: Dec 22, 2013
Helló!
Egy olyan "fagyis autó" szirénájának kapcsolási rajzát keresem. Nincs a dobozán semmi, marka jel vagy típus. 2 darab HA17555 Ic köze be van iktatva ( volt egy) HA17741 IC ( kicseréltem uA741 mert hibás volt) . A hangszórót egy TIP31C hajtsa meg amit egy tranyo vezérel K920 C945 (meg nem tudom a pontos adatait) . 4 darab 3 állású kapcsoló , egy poti (hangerő szabajozo ) és egy nyomógomb (indításához ) van . Meg építeném én is ha tudnátok segíteni a kapcsival .
Sziasztok!
Egy Sencor SPV-2704-es hordozható DVD lejátszóhoz keresek kapcsolási rajzot. Tud valaki segíteni?
Ha a kezedben van egy kész áramkör, nem tudod lemásolni?
Kokuti László!
Mint írtam korábban is, csak saját készítésű rajzaim vannak a CO heggesztöről. További kettővel tudok még szolgálni, egyik csak vázlat szerű. A másik meg a drót toló motor szabályozó áramköre.
Sajnos nem , feszt mertem , jelt mertem , a 2db 555-nel volt jelt , a hangszóró folyamatosan sípolt , egyértelmű volt a 741-es rossz. Működő áramkörből vetem ki egyet , mivel a tulajdonosa reggel 6-kor mar pénzt keres vele, ez az autó friss meleg "pityókás" kenyeret,kiflit árul világvégi falvakban, nem fagyit.
Így is tákolnom kellet , mivel a donor lábai nem értek át a nyakon , át kellet hajlítanom a lábakat az írásos felére és a nyakra alulról cineznem.
Ha már egyszer járt nálad, beszáld meg vele, hogy valamikor elkérnéd egy napra. Csak nem minden nap dolgozik?
Például itt a karácsony. Csak nem megy mindennap.
Kedves elektron. Még egyszer nagyon szépen Kőszönöm.
UM3561 az A verzó 4 hangot tud. .
Sziasztok, keresnék egy olyan kapcsolást, ami 80-120Mhz ig lehet vele frekit előálítani, és 0,1Mhz es lépésközökkel lehet álítani a frekit. A legjobb az lenne, ha a jelre rátudnék modulálni audió sávot is, bár ez nem fontos.
KöszönöM!
Egy kis FM modulátor IC? Végülis abban minden megvan: PLL, modulátor, stereo kóder. Kérdés, hogy a vezérlése engedi-e felmenni 120MHz-ig.
Igen, sajnos ez a problémám, az IC-keret 2000Huf, remélem abból tudok találni eggyet, csak nemtudom milyen van. Errefele még nem kutakodtam, ezért keresek kész kapcsolást.
Én ilyet tudok Neked adni, egy kis PIC-el lehetne macerálni. Nézd át a doksit, szerintem felmegy az 120 megáig. Ha mégsem - mert ez derül ki az utasítások alapján - akkor is biztosan át lehet verni, ha nagyobb frekis kvarcot kap - mondjuk 8 megást...
Adatlap szerínt 70-120Mhz ig működik. Úgyhogy köszönöm, ez lesz használva, még a frekiálítást kitalálom hogy lesz megoldva, meg hogy az IC-t hol szerzem be, de ez eddig jónak néz ki!!
ÜdV!
Mondom, hogy adok, van belőle, mert egy projekthez rendeltem.
Helló. Egy olyan kapcsolást keresek ami FM rádiót vagy AM-et képes venni és 1,5V -al is műkdik. Régen láttam valahol ezt a kapcsolást,de sajnos nem találtam most meg,így a segítségeteket kérném. Remélem valakinek még megvan ez a kapcsolás. A válaszokat köszönöm előre.
Köszönöm,máris nekilátok.
Sziasztok! Égetően nagy szükségem lenne a Wangine WGA-220 -as típusú erősítő rajzára! Kihalt benne egy 10A-es biztosíték a secunder körben és mégis mindene megy, fogalmam nincs mi a funkciója. Köszönettel: Frici
|
Bejelentkezés
Hirdetés |





















