| Fórum témák 
 
 » Több friss téma | Fórum » Csöves erősítő készítése Ne feledd betartani a fórum viselkedési szabályait, és a topik megmaradásának feltételeit. [link] A téma átmenetileg fagyasztva lett, hozzászólni nem tudsz! 
				Na megkerestem az erősítőd képeit, hát nagyon jó lett, tényleg nagyonszépen dolgozol. Külön szerelőműhely nélkül meg nagyon nagy kihívás lehetett.						 
				Szia hapro! Szerintem nyugodtam ess neki a csöves kapcsolásnak. A rajzon szereplő 6sz33sz egy brutális, katonai célokra gyártott trióda (akkora mint egy dobozos kóla!) http://www.mclink.it/com/audiomatica/tubes/6c33c.htm A triódát igazán OTL kapcsolásokban lehet használni, nem véletlenül vették elő ezt a technikát. Saját véleményem, hogy egy csöves erősítő gyártásánál nagyon fontos (talán minden másnál fontosabb) a mechanikai kivitel, a robosztus, masszív felépítés, és az igényes kidolgozás. Egészen más dimenziókban mozog a súlya mint a félvezetősnek, és ez sok követelményt támaszt. A 6sz33sz kapható itthon is, több helyen, 6-8.000 körül darabja. Én már rúl vagyok egy GU50-el épített kimenőtarfós végfokon, a következő nekem is ez a kapcsolás lesz. Sokan leírták már, ez valami más mint a félvezető (habár tervezem a JHL-t is, állítólag nagyon "csöves" hangja van), de sokan ellenzik is az OTL kapcsolást.Én szeretném saját magam hallani a különbséget. Csatoltam egy képet, egy kicsit "izmosabb" kivitelről, ezen a linken több fotó, leírás : http://www.jogis-roehrenbude.de/Leserbriefe/Klaus-Doppelamp/Doppelamp.htm Megépíteni valószínűleg egyszerűbb egy OTL-t mint bámelyik másikat, főként a trafó hiánya miatt. Csak nagyon jó minőségű alkatrésszekkel érdemes nekifutni, sok bosszúságtól kíméled meg magad. 
				Hinnye ez még nekem is tetszik...Báááár az a 4 digites 7 szegmenses kijelzőcsoport nem tudom mit keres benne...						 
				Tudom ajánlani, hogy keress vissza itt a topicban a műveimre: az egy kis gyorstalpalóra, és az eco pityu csöves multja 1-2-re. Ott elég sok dolgot leírok a kezdetek kezdetéhez.						 
				Sziasztok! köszi a válaszokat, EcoPitsu csöves dógait már olvastam... És asszem ez a kis bátorítás kellett ahhoz, hogy belefogjak ebbe a végfokba. ha kérdésem merülne fel (ami valóószínű, akkor megkereslek benneteket. Elektom! ha esteleg szeretnél összehasonlítani egy JLH-t valami végfokoddal, akkor azt megtehetjük, mert nekem van egy úgy gondolom elég jól megépített darabja. Szóval felajánlom az összehasonlítgatásra. Keress meg privátban és megbeszélhetjük, ha szeretnéd. üdv.: Zoli 
 
				Üdv! Látom páran trafót és kapcsolást kerestek. Nekem van Williamson 6l6GC pp kapcsoláshoz 2 kimenő + táptrafó+fojtók, és gu50 pse-hez 2 kimenő + táptrafó + fojtók. Én most 300B-vel és GM70-el építek erősítőt, ezért válnék meg ezektől a trafóktól. A Williamson most össze is van rakva, sőt még doboza is van, ez szól most nálam. De a GU50-es is már működött, csak szétszedtem, mert nem volt doboz hozzá. Kezdő projectnek szerintem jó mindkettő. Akit érdekel írjon. Ja a trafókat Siba Ferenc tekerte, hátha ez mond valamit 
				Kész lett az El84 SE gitárerősítőm ! Nagyon jól szól, bár nem elég tiszta  De ezen változtatunk  Gondoltam megosztom az örömöm  D 
				Együtt örülünk veled!   Csak így tovább! üdv. 
 
				sziasztok kedves hapro. Kezdetben ajánlom, hogy 6c33c csöves cuccot készíts, mindezt azért, mert az 200 V anódfeszről megy nagyságrendileg, és én személy szerint biztosabb kézzel nyúlkálok oda, ahol nem 500 vagy 1000 voltos feszültségek bújkálnak. OTL szerintem mellékvágány, ma már jó kimenőket lehet kapni készen, vagy KIT-eket is. Nézz be ide: www.elektroncso.hu üdv: m 
 
				Szerintem a 200 V, és az 1000V is nagyobb a biztonságos 50/120 V-os érintési feszültségnél, szerencsés esetben egyik sem halálos, szerencsétlen esetben, ha az áramút úgy jön alakul ki  a testen, akkro mindkettő az !!!! Mindkettőhöz, odafigyeléssel biztos kézzel kell nyúlni, miközben gumitalpú cipőben állunk, és  a bal kezünk a zsebben van !!!!!!!						 
				Udv sracok! Hat eleg ritkan jarok erre mostanaban, sok a lecke meg melo... Szoval, abba a problemaba utkoztem, hogy nem tudom hol lehet trafosapkakat szerezni. A kepen lathato egy ilyennel szerelt trafo. Gondoltam ra, hogy lehetne hazilag is kalapalni, de sok a macera. Ti hogyan oldjatok meg ezt? Tudom, el lehet rejteni a trafokat, de en szeretnem, ha hasonloan neznenek ki. 
				Ja! Ez engem is érdekelne! A másik: mennyire lehet "kompakt" csöves erősítőt építeni? Azaz, mennyire lehet közel "engedni" egymáshoz a trafókat (hálózatit, kimenőket) és a csöveket? A brumm nem a kedvenc hangom... Tudom, ki kell próbálni! De ha valakinek ilyen jellegű tapasztalata van, kérem , ossza meg velem, velünk! 
				Valahol a net-en láttam egy jó módszert, én is alkalmaztam, bár full kocka dobozra... Lényeg: a sapi alakját elkészíted egyoldalas nyáklapból, szépen kockára vágdosva. Összeforrasztgatod belülről, hogy felvegye az alakját. aztán az illesztéseket kikened epo-rapiddal, két nap alatt fullra megkeményedik, és faragható lesz. ezután sniccer, reszelő, smirgli- és kész! teljesen gömbölyded formák, semmi éles törés nincs hegyes sarok. Utána pedig jön az átverés.: matt fekete festék, vagy kályhaezüst, és olyan mint a gyári. Bár nem sokat árnyékol, mivel ez lenne a valós feladata/a szórt mágneses tér csökkentése/ , de legalább szépen néz ki. 
				Ha elég kompaktnak hangzik, akkor kint a műhelyemben rám vár a többi hülyeséggel együtt egy k.b. PC-s CD meghajtó méretű sztereó Párhuzamos PCL 86-os csöves SE végfok/2x5w/ és minden vackot a csövekkel együtt, és a három trafóval egyrakásra fogok rakni. Egy nagy közös dobozba, közéjük azért érdemes egy horganyzottlemezt rakni    
				Udv! Jo otletnek tunik, de lathatnank par kepet is az elkeszult csodarol? Valahogy ugy erzem, hogy osszerakasnal elpattanhatnak a forrasztasok. Mert ugye a csavarokat a negy sarkon meg kell tepni rendesen, kulonben "levegos" a trafo.						 
				Lehet, hogy a 4 sarkon nagyobb a furat, mint a trafólemezeket összeszorító csavar feje ill. anyája, így a kupaknak nem kell feszülnie, mert nem is a csavarok tartják. Csak kell valami ragasztó... Ha már egyszer csalunk...     
 
				Üdv Mindenkinek! Engem érdekelne a GU50-es kollekció. 
				A sajátomat ha kész, és lezajlotta az év végi mizéria, lefényképezem, és felteszem. A sapikészítés meg valahol megvan a másik gépemen, majd előkaparom, bár ott a faszikám simán bakelitdarabokból csinálta, a nyáklap, és az összeforrasztás már sajátabb ötlet.						 
				Udv! Az nagyon jo lenne, nem lehet hamarabb   ? Kozben kutakodtam egy kicsit baratoknal es kiderult, hogy Budapesten gyartanak ilyen sapkakat lemezbol hidraulikus pressel. Ha pontos informaciokat is megtudok, akkor mindenkeppen kozlom a forumban. 
				Itt a sapi házilag bakelitből!						 
				Udv! Hat nagyon koszonom a doksit, igy mar teljesen vilagos  a folyamat. Egyszeru de trukkos! Mindenkeppen kiprobalom!						 
				Sziasztok! Olvasgattam ezt a topicot, és valahol jóval visszább írta valaki, hogy Müszi összehozott 1000Ft-ból egy csöves erősítőt. Arról nem szólt a történet, hogy ezt publikálta-e is itt, vagy sem, de ha igen akkor kérlek benneteket linkeljétek be ide a hozzászólását vagy a leírást, kapcsolási rajzot, mert én nem találtam meg (annyira nagyon nem is kerestem). Érdekelne, mert valami olcsó csöves cuccot keresek. köszi. üdv.: Zoli 
				Egy-két szó még a megépített PCL86-os csövesemről: Az ott leközölt kimenőtrafó adatokkal nagyon jól szól, de a mostani sztereóban egy tesla cigánymagnónak a hálótrafója van bent, és azzal mégjobb lett. Érdemes kisérletezni hálótrafókkal is, mielőtt tekertek egyet. Ha nem sikerül értékre pontos alkatrészeket szerezni, akkor működik úgyis ha nem olyan pontos. Pl. nekem a 22pF-es kondi helyett 33pF van. Ha valamiben elakadtál akkor csak szólj. Müszi   
				Muszi! Azert 1-2 fogalmat jo lenne tisztazni: a kapcsolasi leirasod 5. oldalan ezt irod a Tapasztalatoknal: Idézet: „Anódfeszültsége 250V egyenáram” Ejnye .... 250V egyenaram  ... talan egyenfeszultseg, nem? De a szovegkornyezetbe nem is kellett volna bele ez sem. Mondjuk ez csak apro hiba, amolyan szorszalhasogatas, a komolyabb problema elorebb van amikor azt irod, hogy a kimeno trafonal megy vegbe az erositoes. Hogy is van ez? Akkor miert vannak ott a csovek? Szoval maradjunk sztem annyiban, hogy a csovek vegzik az erositest a kimenotrafo pedig illesztesi feladatokat lat el  De ne gondold azt, hogy en csak a hibakat keresem es latom meg. Nagyra ertekelem azokat az embereket akik maguk keszitik a trafoikat, legyen az halozati v. egyeb mas celu (pl. kimeno) trafo, es belevagnak meg egy ilyen egyszerunek tuno kapcsolasba is. Nem beszelve arrol ha sikeresen meg is csinaljak! Szoval csak hajra  Kellemes Karacsonyt mindenkinek! Idézet: „jnye .... 250V egyenaram ... talan egyenfeszultseg, nem?” Bocsánat, máris kijavítom 
				Minden potatlanság kijavítva    Köszönöm hogy szóltál   
				Sziasztok! köszi a válaszokat! Kellemes és füstmentes ünnepeket kívánok! üdv.: Zoli 
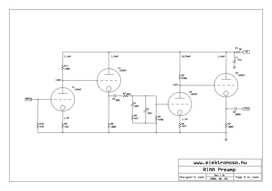
				Szervusztok! Mint már beszámoltam róla, a lent mellékelt csövest építgetem lassacskán EF86 és EL84-es csövekkel. Viszont párhuzamosan csinálnom kellene egy előerősítőt is az MM szedős lemezjátszómhoz, amit az erősítő elé biggyesztenék. Az egyik preamp csatornánként két ECC83-as csővel dolgozik, a másiknak elég csatornánként egy db ECC88-as. A kevesebb alkatrész miatt az utóbbira voksolnék, de mindenképpen kikérném a véleményeteket, bizonyára jobban ismeritek a kétfajta csövet hangtechnikai szempontból... Szóval kéretik szavazni! | Bejelentkezés Hirdetés | 








