Fórum témák
» Több friss téma |
Ott valami hiba van, egy képet tudnál feltenni?
A hozzászólás módosítva: Feb 20, 2014
A stab.ic-k előtt teljesen jó minden, kiszereltem őket, mindkét oldalon 28,3V mérhető.
https://www.dropbox.com/s/p2b34mu27qsi42x/2014-02-20%2021.00.07.jpg https://www.dropbox.com/s/7t32usxyxw8js1e/2014-02-20%2021.01.01.jpg 12V 5W-os izzóval próbáltam terhelni. Nem tudom mit lehet ezen elrontani, mindenesetre nekem sikerül.
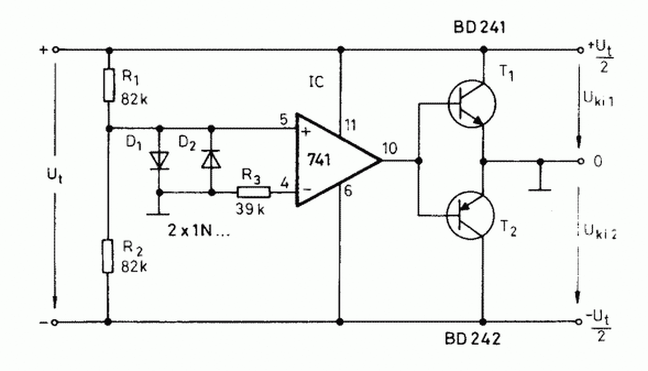
Nagyon nehéz kivenni a fekete háttéren levő fekete egyenirányító bekötését. Kérdeztem, hogy mikor terheled a -12V-ot, és leesik a feszültség, akkor a stabilizátor bemenetén mekkora a feszültség?
A hidat jól kötöttem be. Az IC bemenetén ugyan úgy 28V. Kicseréltem az összes stab.ic-t, most működik, ahogy kell. Ha jól emlékszem, 34V a max bemeneti feszültség, így a 28-at bírnia kell. Létezik, hogy alapból hibás volt amit a boltban kaptam?
Mindenesetre most rendben van, be is építem. Érdemes bent hagyni a terhelő ellenállást, vagy ha úgyis terhelve van, akkor felesleges?
Akkor sikerült
(Túl hideg a pákád így kínlódás a forrasztás). Mint fentebb kiderült az izzó nem jó terhelésnek 1K kell ha üresen próbálod, ha aztán le van terhelve már nem kell bele. De ha tényleg 800mA-ral terheled, nagy hűtőfelület kell neki 100cm2
Szintetizátorhoz készült, a tervek szerint a pozitív oldal 6-800, a negatív pedig 4-500mA-rel lesz terhelve. Érdemes ezekszerint valami komolyabb hűtőbordát szereznem?
https://www.dropbox.com/s/oxem1xa3m6e7fgh/2014-02-20%2021.43.15.jpg Ilyenek vannak kéznél, 317-337 páron voltak egy TDA erősítőn, azt gondoltam elég lesz rá
Ezek jók. Úgyis figyeled majd, hogy melegszik. Ha nem bírja kiegészíted egy áteresztő tranyóval.
Oks, köszi a segítséget, meg mindenki másnak is!
Sziasztok! A képen látható trafóval megoldható, hogy 2 szimmetrikus tápegységet hajtson? Minden feszültség duplán van, de csak 1 nulla.
Köszönöm!
Egyszerre lehet 36,5v , 24v és 20 voltos szimmetrikusnak használni a jelzett kivehető áram mértékéig. Mindnek a "közepe" a 0.
e*zt értem, de nekem a 24volt kellene 2x plusz minuszban.
A hozzászólás módosítva: Ápr 8, 2014
Olyat nem tud sajnos. A címke ellenére a két szekunder amúgy teljesen független. Itt van egy előttem, bármire tudok válaszolni.
Üdv! Építettem egy +-10V-s tápegységes LM317 és LM337 ICkkel, viszont a 337(-) esről 9,5V jön le üresjáratban a 317(+) ről pedig 10,3. Ez mennyiben befolyásolja a tápellátást? Egy CA3140 ből szeretnék aluláteresztő szűrőt (sub hangváltót) készíteni. Logikám szerint igy a tápom nem éppen szimetrikus. Ez gond lehet? Illetve mindkét ágról ugyanannyi ampert vesznek fel az ilyen jellegű tápot igénylő eszközök?
A hozzászólás módosítva: Ápr 16, 2014
Tegyél a 337 -es GND lábára sorba egy nyitó irányú diódát. Egyébként ez a tápfeszültség asszimetria nem nagyon okoz gondot, max a teljes kivezérelhetőség csökken egy picit.
A hozzászólás módosítva: Ápr 16, 2014
Sziasztok!
Hogyan lehet előállítani egy sima trafóból szimmetrikus tápfeszültséget? Hangszínszabályzóhoz kellene. Elég, ha a trafó szekunder tekercsére párhuzamosan kötök két soros pufferkondenzátort? Vagy egy műveleti erősítővel létrehozott virtuális föld lenne jobb? (kapcsolási rajz mellékelve) Idézet: „Elég, ha a trafó szekunder tekercsére párhuzamosan kötök két soros pufferkondenzátort?” Az biztos nem. Az áramkör amit csatoltál az biztos jó, de ha nem akarsz vele bíbelődni, akkor megteheted azt is, hogy a trafó tekercsét egyutasan egyenirányítod, egyszer a + -t, másik irányban a - -t. Erre már kötheted a két soros puffer kondit. Aműgy sincs ennek az áramkörnek túl nagy fogyasztása. Viszont felmerül a kérdés, mi van az erősítő többi fokozatának a tápjával, vagy önálló egység lesz?
Értem, köszönöm.
Közben kipróbáltam a kapcsolást, működik. A hangszínszabályzó után lesz egy 2x50 wattos végfok, de az készen van, önálló egységként.
Sziasztok!
Van egy trafóm ami a képen látható! Ha jól vettem ki két tekercs van rajta szekundernek. Egyébként a hekit050-hez ajánlották. Melyik két kivezetésből lesz a föld? Előre is köszi!
Mérni kellene vagy ellenállást vagy feszt. Így saccra egy zöldet és egy feketét kell összefogni...
Én is erre gondoltam hogy zöldet feketével de melyiket melyikkel?
Kettőn van az alján szürke jelölés a másik kettőn nincs nézd meg légyszi megint!
Szia! Csatlakozom, szerintem is először mérni kell. A kép szerint az egyik zöld és fekete kábel is jelölve van egy-egy csövecskével. A jelölt vezeték vagy a tekercselés kezdete vagy a vége. ( buta ember jelölné csak össze vissza ). Például a zöld sima és a fekete jelölt véget összekötöd és az lesz a test pontod a másik vezetékek pedig mehetnek a diódahídra.
Üdv: Zsolt
Na sikerült 'megmérni'.
A két nemjelöltet ha összekötöm, akkor a két jelöltre ha ráteszem a 'multimétert' akkor sípol. Ha nincs összekötve illetve fordított felállásnál nem. Ezek szerint a két nemjelölt lesz a föld ugye? Köszönöm mindkettőtöknek! A hozzászólás módosítva: Ápr 30, 2014
Várjál, sípolni fordított felállásnál is kellene (jelöltek összekötve). 230V kell adni a primerre és feszt mérni...
Oké akkor holnap megpróbálom megnézni a feszültségeket.
Köszi szépen!
Szia! Nem figyeltél.
A tekercseléseknek van ügynevezett elejük és végük. Úgy kell bekötni a két telercset ebben az esetben hogy a P1 tekercs végét a P2 teketcs elejével kötöd össze. a P1 tekercs eleje és a P2 tekercs vége pedig megy a diódahíd egyik-egyik váltóáramú kapcsaira ~,~ a +,- lesz a pozití illetve negatív ágad és a (P1v, P2e) adja a test pontot (földet).
Igen ez így van de még azt nem tudom hogy mely kivezetések mely tekercsek eleje és vége melyik zöld a p1eleje és melyik fekete a p2eleje?
Primer 230v-ra. Először ne köss össze semmit, ellenőrizd hogy mely két-két szekunder vezeték közt van fesz. (valószínűleg két fekete közt és a két zöld közt.)Utána tetszőlegesen összekötsz két különböző szekundernek két vezetékét és mérsz, ha megvan a megfelelő fesz a közös pont és a szélek közt akkor bingó, ha nincs akkor csak az egyik szekunder terkercs vezetékeit felcseréled és úgy lesz bingó.
Szia! Késő van biztosan azért nem figyelsz
A jelölés az vagy az eleje vagy a vége a tekercseknek. Mindegy a teketcseket következetesen szokás jelölni. Vagy az elejét jelölik, de akkor a jelölés mindíg az elejét jelöli, vagy a végét. Lényeg hogy konzekvensen. Mondjuk a fekete jelöltje lesz a P1e a jelöletlen a P1v. Ekkor értelemszerűen a zöld jelöltje lesz a P2e a jelöletlen a P2v. Most már érted?
Heló!
Ezt értem, csak reménykedtem, hogy a jelölés a a két tekercs "közepét" jelöli, tehát mondjuk p1 vége és p2 eleje, hogy hol kellene összekötni de értem mit mondasz, úgy látszik, úgy túl könnyű lenne a dolgom ![]() Egyébként, ha ez segít valamit, akkor ez egy TST-200/014 nevű trafó. |
Bejelentkezés
Hirdetés |




(Túl hideg a pákád így kínlódás a forrasztás). Mint fentebb kiderült az izzó nem jó terhelésnek 1K kell ha üresen próbálod, ha aztán le van terhelve már nem kell bele. De ha tényleg 800mA-ral terheled, nagy hűtőfelület kell neki 100cm2










