Fórum témák
» Több friss téma |
És mekkora végfokok? Mert a 24 V-os ágak terhelhetősége 1,4 A mindössze. Ez végfokonként kb. 30 W lehetőség, ami a végfokok hatásfokával együtt kb. 20 W-os végfok kiszolgálására alkalmas.
Teljesítményre elég a 30 watt, a lényeg, hogy külön tápról menjenek.
24 V-os DC táphoz elegendő a 20 V AC, ami 2,5 A-rel terhelhető. Teljesen független tápot szeretnél, vagy szimmetrikusat? A szimmetrikus táp az +-24V, azaz egyenirányítás után van nullától mérve -24 és +24 V-od.
Egyébként nem szokás különválasztani, hiszen az erősítők testpontja úgyis mindig közös. Ha csatolásmentesíteni akarod, arra léteznek vezetékezési és szűrési módszerek.
Nem sajátom a cucc, a tulaj szeretné így üzemeltetni, a 20V is elég, ott több az Amper, szimmetrikusban szeretném, de kettő független tápegység a kérdés. Az egy tápegység szimmetrikusan egyértelmű, erre jó ez a trafó.
Kettő független tápegység azt jelenti, hogy két független tekercsről működik és sehol nincs összekötve. A test sem. !!! Erre ez a trafó nem képes.
Két db független szimmetrikusat a nulla szétbontásával kétszer egyutas (feszültségkétszerező) kapcsolással tudnál megoldani, ami nem erősítőkhöz illő módszer. Bármit is kér a tulaj, szerintem értelmetlen. Amit korábban írtál, hogy egyenirányítás után szétválasztani (ilyent javasoltam én is) megoldható. Az első puffer után egy-egy fojtó és utána még egy kondi.
Gyanítom, hogy az áramértékek nem a feszültségek alá lettek nyomatva... Mert, ha van két tekercs, azokat a leágazásokig készítik egy átmérővel, folytatják egy kisebbel, aztán még kisebbel - így nem valószínű, hogy a 24V lenne a legkisebb áramú... (az lehetne, hogy a 36V ugyanakkora, mint a 24, de kisebb semmiképp)
A legtöbb ami a "szétválasztás" érdekében tehetsz, hogy két graetz egyenirányítót használva külön-külön pufferkondikra dolgoztatod oldalanként. Így mindkét végfok a csúcsáramoknál a saját pufferét rángatja. A hozzászólás módosítva: Ápr 8, 2014
köszönöm! közben kiderült, hogy 0-ból is kettő van.
A hozzászólás módosítva: Ápr 8, 2014
Az viszont baj lehet... Mert ha azonos menetiránnyal vannak tekerve, akkor nem a nullát a nullával kell közösíteni, hanem az egyik nulláját a másik 24V-jával.
Szia! Van ilyen trafóm, két független szekunderes, szimmetrikusak a megcsapolások. Bővebben: Link
A hozzászólás módosítva: Ápr 8, 2014
Sziasztok!
Szeretnék egy egyszerű kis tápegységet készíteni a következőhöz: Lenne 3 db 1,2W-os 12V-os Led izzó. Szeretném egyenáramról járatni őket. Van egy 12V-os szekunderű egyenirányítatlan trafóm, amit ha egyenirányítok akkor ugye kb 15-16V lesz a feszültség. Ezt kellene visszaalakítani stabil 12V DC-re. Később lehet nagyobb teljesítményűekre lennének cserélve, így kb. 3A-es terhelésre szeretném méretezni a tápot. Nos ehhez kérnék egy kis segítséget kapcsolási rajz ügyileg. Gondoltam egy 7812-es megoldásra, de az csak 1A-t tud, és az LM317 is csak 1,5A ahogy nézem. Meg fontos lenne a kis méret (vagyis kevés alkatrész), mert ahova be lennének építve nem sok hely van. Köszi szépen!
Hogy számoltad ki az áramigényt? 300mA-t tud bármelyik. 1.5W-ot simán elfűtenek (legfeljebb teszel alá egy darab alulemezt). A stabkockák adatlapján szerepel a nagyobb terhelésre tranzisztoros kiegészítés.
A hozzászólás módosítva: Ápr 11, 2014
Azt tudom, hogy 300mA az áramfelvétel ezekkel az izzókkal, és azt alapból is elbírják, de később nem kizárt, hogy kapnak nagyobb égőket. Pl. 9W izzókkal már 2,25A lenne az áramfelvétel és ezért kicsit túlméretezve mondtam a 3A-t.
Köszönöm a tippet, megkeresem az adatlapjukat és megnézem!
Hello! Megfontolandó az is, ha három izzó van, és majdan 3A kell, három külön stabi alkalmazása. Akkor a hőt is könnyebben osztod el, és a szabályozatlan feszültséget viszed a lámpához. A feszültség is pontosabb lesz, ha a helyszínen stabilizálsz, sőt gubacsolni sem kell a kiegészítéssel.. üdv!
Hali!
Na ebben lehet valami, és egy sima 7812-hez nem is kell sokminden más a két kondin kívül, meg esetleg egy elko a stabilizált oldalra is. Tényleg lehet így lesz a legjobb! Köszönöm a tippet!
Sziasztok!
Lenne még egy kérdésem. Ha van egy trafóm, aminek két egyforma szekunder tekercse van, akkor összeköthetem a két-két azonos kivezetésüket (végül is párhuzamosan kötve őket), hogy a feszültségük ne változzon, de jobban terhelhető legyen? Köszi szépen!
Hello! Összekötheted, de előtte egy próba nem árt. Két vezetéket összekötöd, és a másik kettő között feszültséget mérsz. Ha az nulla, és nem a kétszeres feszültség, akkor azokat is összekötheted. Mert a két tekercs fázisa (tekercselési iránya) nem mellékes. Ha kétszeres feszültség van, akkor egyik tekercs lábát megcseréled és újra próbálod. üdv!
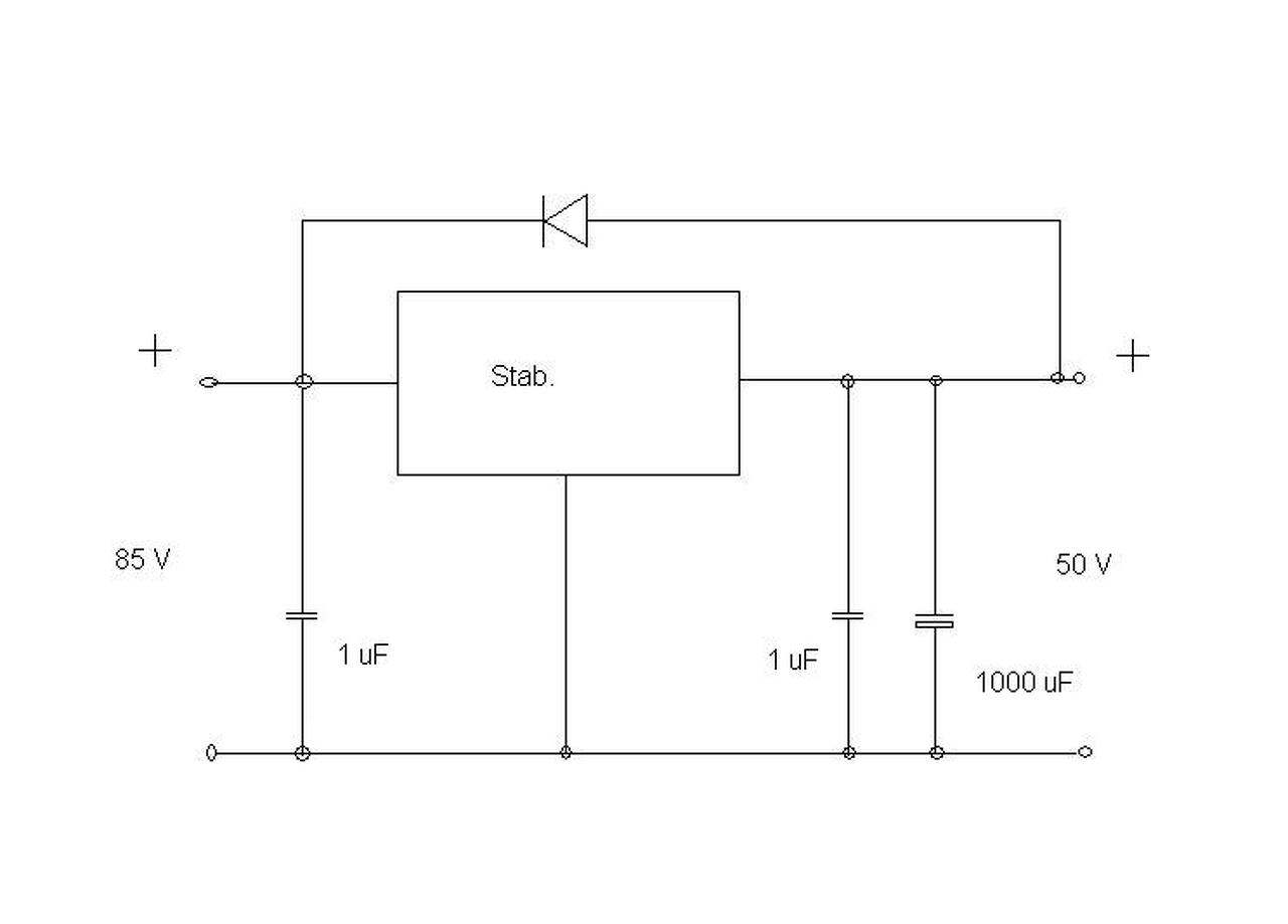
Sziasztok! Egy fémmegmunkáló gépnek elszállt a tápegysége, és megkértek, hogy csináljak bele egyet. A gyárit nem tudom megjavítani, mert nincs meg, most vette az egyik ismerős a gépet jóval áron alul, pont a tápegység hiánya miatt. Rendelkezésre áll 68-70V egyenáram, ebből kell 50V stabilizált feszültséget csinálnom, 9-10 amperes terhelhetőséggel. Az 50V-ról egy különös felépítésű 50V 480W teljesítményű párhuzamos gerjesztésű motor megy csak a szintén különlegesen kialakított szabályzással. Labortápról végeztünk kísérleteket, 50V mellett maximális terhelésnél 7-8A körül mozgott az áramfelvétel, a szabályzásnak köszönhetően induláskor sincsen áramtüske, sőt amíg el nem éri a beállított fordulatot, addig 4A körül mintha valami áramkorlát megfogná az áramot. Ilyen nagy feszültségre még nem építettem tápot, első elgondolás a hagyományos opa-áteresztőtranyó páros volt, de nem találtam olyan opa-t, ami a 70V-os tápfeszt elviselné. Mit javasolnátok, ami egyszerű, és nem túl drága, mert az ismerős max 5-6000Ft-ot szánna a tápra...
Miről kapod a 68-70V-ot? Ha trafó+híd+puffer, akkor talán le is esik ennyire a terhelésre. Akassz rá egy rezsót, a mért esésből már következtetni lehet arra, mennyi marad belőle. Mielőtt még kiszenvednél egy kapcsolóüzemű Step-down tápot.
Igen, egy trafóról kapom a tápot, az egyenirányítás és a gyári pufferelés megvan, üresjáratban 85V körül van, a 68-70V-ot műterheléssel mértem, de csak 7-8 másodpercig tudtam mérni, mert a műterhelésemet így is duplán túlterheltem, a 2V körüli ingadozást betudom annak, hogy közben a csarnokban több nagyteljesítményű gép is üzemelt, és valószínűleg már a hálózati feszben volt ingadozás.
Ezért jó az 500 W-os rezsó. Azt fűtheted nyugodtan.
![]() ~100 Ohm, 0,7 A. Igaz, csupán 50 W, de azzal akár órákig is méregethetsz. Ilyen áramoknál nem célszerű a sima áteresztő stabilizátor. Fűt majd, mint a pokolban. Nem tudsz megcsapolásról külön ennek a motornak levenni? Egyáltalán mit hajt? Mennyire kell stabilnak lenni a fordulatszámnak? Mekkora a feszültségtűrése a motornak? Egy képet az adattábláról feltehetnél.
Képet sajnos nem tudok feltenni, mert tőlem kb. 200km-re van a gép, a trafón csak 2 szekunder tekercs van, egy 24V-os a lámpának, ami megvilágítja a munkadarabot, és ez az 55V-os, amiről megy a motor. Az adattábláján egyébként csak annyi van, amit leírtam már, 50V 480W meg a fordulatszáma, ami ha jól emlékszem 3500. A motor fordulatszáma mechanikusan van szabályozva, van 4 db centrifugálkapcsoló, és ahogy nő a fordulatszám, úgy kapcsolja át a gerjesztőtekercseit a motornak. Akitől vette az ismerős a gépet totál szét akarta bontani, a tápegység részét már szét is bontotta, és azért nincs meg. Az eredeti táp azért halt meg, mert a motor kommutátorja szétrepült és zárlatot okozott. A motort megjavíttatta az előző tulaj, de a táphoz nem tudott alkatrészt beszerezni. Egyébként egy régi orosz lemezformázó gépről van szó, annyit tudtunk kideríteni, hogy a gyári tápja totál tranzisztoros és áteresztőtranyós megoldású volt, a hűtőborda még bent van a gépben 5db TO-3-as tranyónak van rajta hely. Ha fűt, nem számít, csak használható legyen a gép, mert nagy szüksége lenne rá az ismerősnek, hiszen eleve azért vette.
Összeállítasz egy sima áteresztő stab-ot, 2 db 24 V-os Zenert sorbakötve. 3 db nagyobb BD-t vagy TIP-et párhuzamosan kötsz és meghajtod egy jó darlingtonnal. Bár a nagyobb BD, TIP a 25 A-ével majdnem egy is elég lenne. Megméred a kimenőt és ha kell, sorbakötsz a Zenerekkel megfelelő értékűt vagy 1-2 diódát. Egy motornál néhány volt eltérés-ingadozás nem számít.
2N3055 lessz belőle, vagy valami TO-3 tokos tranyó, mert ahhoz adott a borda, párhuzamba kötök 4 2N3055-öt, akkor az árammal nem lessz gond, van itthon csavaro tokozású 24-es zenerem az is ok, darlingtonom viszont nincs itthon, de majd max összerakok egyet valami BC-ből, és egy közepes BD-ből. Én a fordulatszám-szabályzó kapcsolgatásakor fellépő fesztüskéktől tartok, nehogy hazavágja a tranyákat.
A kimenetről visszavezetett dióda a bemeneti pufferbe vezeti le a csúcsokat. Az elég nagy lehet, hogy elnyelje. A kimenetre nem szabad túl nagyot tenni, az 1000-es biztos elég lesz. Fojtót is lehetne bekötni, de az ellenőrizetlen lengéseket okozhat, akár több bajt is, mint hasznot.
A motoron is szokott lenni zavarszűrő, különösen ekkora méretnél. A hozzászólás módosítva: Ápr 24, 2014
A 2N3055-öt nyugodtan felejtsd el, az abszolút maximumja 60V, ezt megközelíteni sem illik, ha holnap is akarod használni!!
Ha 85 V a bemenőd, akkor legalább 100V-os tranyókat használj!!
Gernerakos: Ha rosszul kötöd be a potit, akkor persze, hogy füstölni fog!
A labortápegység készítése topicból jöttünk át. A hozzászólás módosítva: Ápr 25, 2014
2N3772 (MOT) NPN-POWER 100V 20A 150W 0.2MHz TO-3
2N6287 (STM) PNP-DARL-POWER 100V 20A TO-3
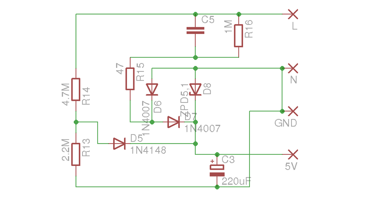
Sziasztok!
Egy mikrokontrollernek szeretnék előállítani 3,3V egyenáramot a hálózati 230V-ból, a lehető legkisebb méretű elektronikával. Találtam ezt a cikket, és a kapcsolási rajzból (vevő oldal) tulajdonképpen 1:1-ben kimásoltam a tápegység részt (nem tudom ez annak számít-e egyáltalán...), ezt a rajzot csatolom. A probléma az, hogy 5V helyett csak 3,8V-ot ad, ami pár mA terhelésnél leesik 1-2V-ra. Mit kellene csinálnom, hogy rendesen működjön? Előre is köszönöm a segítséget! |
Bejelentkezés
Hirdetés |














