Fórum témák

» Több friss téma
Fórum » Fúrógép fordulatszám szabályozó
Lapozás: OK   5 / 8
(#) Massawa válasza hobbydcc hozzászólására (») Máj 12, 2014 /
 
Nem tudom mi alapján rajzoltad ezt a rajzot ( és ne a NYÁK-kal legyél egyenlöre elfoglalva, hanem a müködési elvekkel), de ez aligha fog müködni. Ebben a kapcsolásban a D3 dioda majdnem nullára huzza le az R1,D2 közös pontját, azaz ott csak negativ feszültség lehet.
A D2 másik vége meg a poti kapcsolata igényel némi "reviziot", stb.
Mielött kinyirnál még egy marék alkatrészt vagy magadban tennél kárt a kisérletezések közben, nézz körül a piacon - vannak, kész, nyomogombba, poti köré épitett szabályzok.
(#) Massawa válasza Massawa hozzászólására (») Máj 12, 2014 /
 
Itt van néhány bevált ( kitben árult) a kapcsolás.

Triac meg Itt meg itt.

Ezek vannak a gyári fúrok jelentős részében és működnek. Majdnem mindegyik a BTA06 köré épül.
A hozzászólás módosítva: Máj 12, 2014
(#) hobbydcc válasza Massawa hozzászólására (») Máj 12, 2014 /
 
Szia Massawa.

A legutóbbi hívatkozásod szerinti "AC Motor Speed Controller Circuit" lenne a legjobb.

Kérlek homályosíts fel:
1. mi az a DIAC, illetve használhatom-e az áramkörben a csatolt PDF szerinti BR100/03 típust?
2. jó lesz ide a BT136 TRIAC?
3. jól gondolom, hogy L1 tekercs árama is 10A körüli legyen?

hdcc

br100-03.pdf
    
(#) kadarist válasza hobbydcc hozzászólására (») Máj 12, 2014 /
 
Az a rajz, amit legelőször kaptál éppen olyan jó lett volna, mint a többi, csak te rosszul rajzoltad át. A diak egy olyan háromrétegű félvezető, amely a vezetési feszültségén hirtelen elkezd vezetni. A gyors átmenet miatt ideális triak vagy tirisztor gyújtására használni. A triakot és a zavarszűrő tekercset érdemes az üzemi áram fölöttire tervezni.
Na meg lassan nagyon off lesz itt a téma.
A hozzászólás módosítva: Máj 12, 2014
(#) hobbydcc válasza kadarist hozzászólására (») Máj 12, 2014 /
 
O.K. köszi, kezdem érteni. Kérlek nézd meg a csatolt áramkört, ráírtam hogy milyen alaktrészt tennék hová. Jó lesz így?
(#) kadarist válasza hobbydcc hozzászólására (») Máj 12, 2014 /
 
Jobb lenne egy 10 vagy 16A-es triakot választani, mert jobban bírják az indítási áramlökést és nem kerülnek sokkal többe.
(#) hobbydcc válasza kadarist hozzászólására (») Máj 12, 2014 /
 
Ez jó lenne? BT138-600 TRIAC 600V 12A/95ap Igt/Ih<70/30mA
(#) hobbydcc válasza (Felhasználó 13571) hozzászólására (») Máj 12, 2014 /
 
Bocsi, PWM-mel kezdődött a dolog, de kiderült, hogy ez nem PWM kérdés.
Hogy mit szeretnék?
A fúró fordulatszabályozó kapcsolásit (amit a legutóbb beillesztettem, típusokkal) szeretném jóváhagyatni egy Hozzáértővel.
(#) hobbydcc hozzászólása Máj 12, 2014 /
 
Köszi Mindannyiótoknak a segítséget !
(#) kadarist válasza hobbydcc hozzászólására (») Máj 12, 2014 /
 
Jóvá van hagyva és a 12A-es triak is jó. Csak ez a téma megint nem az.
A hozzászólás módosítva: Máj 12, 2014
(#) hobbydcc hozzászólása Máj 13, 2014 /
 
(#) Szpisti hozzászólása Máj 13, 2014 /
 
Vettem a zsibin egy külsőre tip-topp Bosch CSB 620 2E fúrógépet.
Ott helyben ki tudtam próbálni, 5e-ért még tekert is rendesen, annyi volt a nyűgöm hogy az indító kapcsoló csak a végállásban kapcsolt be, semmit sem szabályzott.
Gondoltam majd otthon szétkapom és kitakarítom, volt már hasonló esetem hogy a potmétere volt tiszta dzsuva.
Na szétkaptam, tényleg vastagon zsíros, poros a szénpálya meg a leszedő.
Gyönyörűen kitakarítottam, érintkezőket stabilra jusztíroztam, összeraktam, .... és UGYANAZ!
Akkor nézem a neten a robbantott rajzát, és megáll az eszem! Ebbe nem került elektronika, csak a kapcsolóban levő végállású érintkzőt használják kapcsolóként (ON-OFF Switch)!
Volt-e már valakinek hasonló "szerencséje"?
Most azon agyalok, ha mégegyszer szétkapom, berakok egy triacos szabályzót a bent lévő beépített szénpályás potijára.
Vagy tudtok valami forrást, ahonnan elfogadható áron kapok egy rendesen megszerelt hasonló szabályzós kapcsolót?
(#) Szpisti válasza (Felhasználó 13571) hozzászólására (») Máj 13, 2014 /
 
Épp ilyesmit vadászok.
De nagyon rafkósak ezek a "speed controlok" , mert szerintem ezek is csak kapcsolnak.
Most akkor sebességszabályzó vagy trigger kapcsoló?
(#) Szpisti válasza (Felhasználó 13571) hozzászólására (») Máj 13, 2014 /
 
Megrendelem, de ha nincs benn, megy a Te fúródba!
Miből gondolod? Az enyémen is rajta a vezérelt tirisztor jele, mégsem az
(#) Massawa válasza Szpisti hozzászólására (») Máj 14, 2014 /
 
Sajnos ennek a tipusnak az a baja, hogy egy pillanat alatt kapcsolová alakul
Sajnos egy elb...tt konstrukcio, igen nehéz vele valamit kezdeni a mechanikus felépités miatt. Egyszerüen ocska a triac benne és hiányoznak vagy rosszak az induktiv védöelemek. Igy a motor az elsö inditás pillanatában is kinyirhatja.
Ha visszanézed a korábban berakott kapcsolásokat, mindegyikben ott az az ivcsökkentö induktivitás - ebbe meg valami SMD felismerhetetlen valami van valoszinü ugyanilyen okbol, csak éppenséggel az elsö szikra megöli.
A hozzászólás módosítva: Máj 14, 2014
(#) Massawa válasza (Felhasználó 13571) hozzászólására (») Máj 14, 2014 /
 
Ebben valoban nincs, én a korábbi az e-bay linken bemutatott kapcsolorol beszéltem (piros gombbal). Abban van triac, de sajnos sokban csak addig, mig ki nem probálja valaki, utánna meg simán átszublimál kapcsolová.....
(#) Szpisti hozzászólása Máj 14, 2014 /
 
Elgondolkodtam a dolgon és ma megint szétkaptam ezt a szabályzós kapcsolót.
Mert mégiscsak annak kell lennie, ha egyszer azt a potis csúszkát beletették.
Massava ahogy említette, ebben is lehetett valamikor egy vezérelt triac, csak meghalt, minden jel arra mutat.
Arra gondoltam, hogy esetleg a felgőzölt beépített potmétert felhasználva kanyarítok hozzá egy szabályzó áramkört. De olyan a kialakítása, hogy ez reménytelen feladat lenne.
Úgyhogy morogva nekiálltam ismét összerakni.
Azért az nem egy egyszerű feladat, kíváncsi lennék a gépsoron milyen célszerszámmal rakják össze a 3 rugó által szanaszét feszített belsőt a házába.
Esetleg aki hasonlóval kínlódik, és csak a poti részt kellett kitakarítani mert a többi még működik, adok egy tippet kínlódásaim nyomán.
A legnagyobbik visszatérítő rugó olyan erővel nyomja szét összerakáskor az alkatrészeket, hogy szinte képtelenség normálisan visszatuszkolni.
Ezért a műanyag házba fúrtam egy akkora lukat, hogy a rugó beférjen.
Így már össze lehet kényelmesen illeszteni, majd mikor a burkolatba megy vissza, akkor kell bedugni a rugót - így csak fele úton kell küzdeni vele A ház burkolat ugyanúgy megfogja és ellentart mint a belső kifúrt műanyag.
Aztán elgondolkodtam, hogy megoldom én ezt az egészet egy kis 3x4 cm-es panellal, ami elfér a nyélben kényelmesen. A potit meg kivezetem és lesz egy külső szabályzó gomb.
Ha belegondolok, a jó öreg bolgár fúróm is ilyen volt, és jó 25 éve szolgált becsülettel.
(#) Szpisti válasza (Felhasználó 15355) hozzászólására (») Máj 14, 2014 /
 
Köszi már készül a kiváltás, de elteszem a linket mert még jól jöhet!
(#) Szpisti válasza (Felhasználó 13571) hozzászólására (») Máj 14, 2014 /
 
Bocsi de kicsit félhomály volt fotózáshoz épp
Sikerült megoldani egy egyszerű triacos kapcsolással pár hsz-el feljebb látható és most ismét szabályoz. Igaz nem nyomatéktartó, de majd ennyit elnézek neki.
Van egy másik AEG, amiben U211B van, most várom hozzá a német ebayről az IC-t, mert a kínai úgy tűnik nem bírta (írtam is a hamis félvezetős topicba, de senki sem reagált rá )
Na az utánszabályoz rendesen.

triacos.jpg
    
(#) Szpisti válasza (Felhasználó 13571) hozzászólására (») Máj 14, 2014 /
 
Affenébe, csak most szólsz? - már összeraktam )
Elfér az ott, lesz még több is benn.
(#) Massawa válasza Szpisti hozzászólására (») Máj 14, 2014 /
 
Idézet:
„Igaz nem nyomatéktartó, de majd ennyit elnézek neki.”


Nem kell ilyen nagyvonalunak lenni, mert ha valoban azt a kapcsolást épitetted meg, annak elvben bizony nyomatéktartonak kellene lennie, mert a motor EMF-je csökkenti a C3 kondin a feszültséget és igy a triac korábban kapcsol, amitöl több áram jut a motorba - azaz felszabályoz = nyomatéktartás.
(#) Szpisti válasza Massawa hozzászólására (») Máj 14, 2014 /
 
Igen azt én is olvastam, de akkor sem hittem el mikor olvastam, meg akkor sem vártam el tőle mikor megépítettem .
Ahhoz egy kicsit komolyabb elektronika kell sajnos.
(#) Massawa válasza Szpisti hozzászólására (») Máj 15, 2014 /
 
Nem biztos. Az U211-s precizios vezérlö, ami nagyon felesleges egy furogepbe stb.
A te áramköröd teljes mértékben képes a nyomaték kompenzaciora, ha sikerül összehangolni az elektronikát a motorral. Ez gyakorlatban azt jelenti, hogy el kell egy kicsit szorakozni azzal a 2-3 alkatrésszel ami ebben részt vesz. Ennek az egyszerü áramkörnek az az egyetlen hátránya, hogy a motorok nem egyformán viselkednek az EMF szempontjábol, igy minden motorhoz egyedien kell hozzáigazitani ( nekem 3 esetben sikerült - egy esetben nem , de szerintem ott a motor volt ocska).
Ezt küszöböli ki meglehetösen bonyolultan az U211 meg a marék alkatrész és a tacho, ehhez hasonlo hajtásom az esztergapadon van. Ott aránylag fontos a pontos fordulatszám, ami nem változik nagyon a terhelésre.
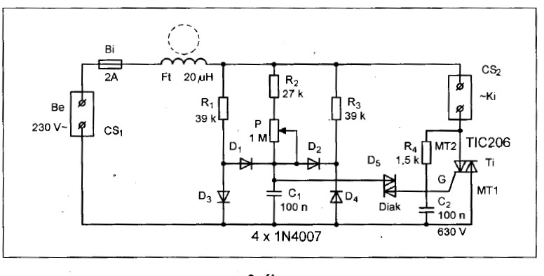
(#) hobbydcc hozzászólása Máj 19, 2014 /
 
Sziasztok!

Megépítettem a május 12-én kitárgyalt fúró-fordulatszabályozót. Egyelőre egy 230V-os izzóval próbáltam ki... Nem értem mi a baj. A poti végállásaiban semmi sem történik, középállásában elkezd villogni az izzó olyan 4-6 Hz frekivel.

Úgy tűnik, valamiért nem akar nyitni a triak... Mi lehet a gond? Van 5letetek?

hobbydcc
(#) hobbydcc hozzászólása Máj 19, 2014 /
 
kapcsolási rajz

kapcsi.jpg
    
(#) Massawa válasza hobbydcc hozzászólására (») Máj 19, 2014 /
 
A rajz olvashatatlan.
(#) Szpisti válasza Massawa hozzászólására (») Máj 19, 2014 /
 
Az eredetije meg elég értelmezhetetlen.
Május 12-én később került fel egy másik rajz, én azt építettem meg.
A fúrógéppel működik hibátlanul, izzóval nálam is felvillant a szabályzási tartomány elején, de a fúróval megy szépen.
Esetleg a poti értékével, meg a határoló ellenállással lehet játszani hogy ne legyen holtjátéka a potinak.
(#) hobbydcc hozzászólása Máj 19, 2014 /
 
Köszi a hozzászólásokat, Massawa & Szpisti!

Melyik a határoló ellenállás? Mekkora potit rakhatok ebbe az áramkörbe?
(#) kadarist válasza hobbydcc hozzászólására (») Máj 19, 2014 /
 
A határoló az R2. Csináld meg az eredeti értékű alkatrészekkel: Bővebben: Link.
(#) hobbydcc válasza kadarist hozzászólására (») Máj 19, 2014 /
 
Köszönöm szépen, hétvégén megpróbálom ! hdcc
Következő: »»   5 / 8
Bejelentkezés

Belépés

Hirdetés
XDT.hu
Az oldalon sütiket használunk a helyes működéshez. Bővebb információt az adatvédelmi szabályzatban olvashatsz. Megértettem