Fórum témák
» Több friss téma |
Szia!
Én az AC125 tranyó helyett 10komos NTC-t alkalmaztam. A feszültségosztó felső két tagjánál, az R1 220kohm helyett nálam 5k6-ra módosult. A P1 56kohm helyett pedig 1 kohmos potit használok. Így nagyjából 35,5 és 39 C között tudom állítani a hőfokot. Az alkatrészek szórása miatt lehet némi eltérés, de az R1 értelemszerű módosításával kikompenzálhatod az esetleges eltérést. A kimenetre is tehetsz nullátmenetes optót, ezzel is egyszerűsödik a kapcsolás. A fűtést sem cifrázom, soros-párhuzamos kapcsolásban 2x8 db. 100Ohm 10W ellenállásokkal fűtök 150-160 literes teret. A gyakori kapcsolás miatt a klasszikus relé felejtős!
Köszönöm! Ezt a nullátmenetes optotriakos egyszerűsítést nem tudom, hogy kell, pedig gondolom, a másik vezérlést is azzal célszerűbb. Mivel, ha közvetlenül az infrafilmen lenne az érzékelő, sosem melegedhetne túl, így kevesebbet befolyásolna, hogy ablak komparátoros, vagy P-típusú. Egyébként tud valaki információt arról, hogy hány lm kell egy barna tojás átvilágításához?
Vagyis az optocsatoló 1-2-es lábától a kimenetig elég berakni egy ilyet Figure 8.-ban? Vagy közvetlenül is mehet a kimenetre?
A hozzászólás módosítva: Máj 13, 2014
A kimenetet én a melléklet szerint alakítottam át. Bocsi a móricka rajzért!
Ne variáld túl a melegítés dolgot. A kotlós is, mivel nincs toll a hasán, (kotló folt) közvetlenül melegíti a tojásokat. De nem ez a fontos. A lényeg: akár levegő, akár más veszi körbe a tojásokat, az a közeg legyen kellően stabil és megfelelő hőmérsékletű. Akkor a tojások hőmérséklete sem fog ingadozni.
Köszönöm! Nincs a rajzzal semmi baj, de miért jobb így, mint az adatlapján? Ez akkor lehet simán relé helyén is ezen a rajzon ugye? Dehogynem fontos, pont ezért fontos.
Ha az infrafilm(tyúk) hőmérséklete nem, vagy kicsit ingadozik, és ez közvetlen termikus kapcsolatba van némelyik tojással, akkor a levegő hőmérséklete ingadozhat, de a tojásoké kevésbé, mert ha azok hűlnek, hűtik az infrafóliát, bár ez nem biztos, hogy olyan gyors, és egyenletes, mint a felmelegedés, de mivel a hőeloszlás melegítésnél egyenletes, ezért elég, ha az érzékelőnél lévő tojás hűl le annyira, hogy bekapcsolja, mert valószínűleg a többi se sokkal másabb hőmérsékletű, és ugye ha középen melegebbek is lennének, túlmelegedni akkor se tud. Ha a levegőt próbáljuk stabil hőmérsékleten tartani, és egyenletesen, az sokkal nehezebb, ha lehet egyáltalán. Ha pl. azt vesszük, hogy én vagyok a tojás, a radiátor az infrafólia, ami akár 80°C-al is fűthet, és a termosztát 0,2°C pontosságú, a levegő hűlése még nem feltétlenül kezdődik meg a fűtés kezdetével, és a felmelegedés sem fejeződik be a lekapcsolással. Igaz, az infrafólia fél perc alatt lehűl, ezért túlfűteni nem tud, de bármiből van a fal, a külső hőmérséklet erősen befolyásolhat, aztán, ha elkezd hűlni a víz, és a tojás, akkor, ha felmelegítem a levegőt, még a tojás, és víz hőmérséklete nem emelkedett vissza. Plusz sokat számít a térfogat, és felület is. Ha a levegőt fűtjük magasabb hőmérséklettel tesszük, amit messzebb kell tenni a tojásoktól, ami által nagyobb a felmelegítendő levegő, és nagyobb a hőleadás felülete, ami által nemcsak jobban ingadozik, de többet is fogyaszt, és ez a többlet csak a keltetőn kívüli levegő melegítésére megy. Szóval, ha ezt is figyelembe vesszük, és az igazi tyúkot is, akkor a tojás közvetlen melegítése tűnik leghatékonyabb, legstabilabb, legegyszerűbb megoldásnak. Viszont ha az érzékelő közvetlenül az infrafólián van, és azonos hőmérsékletre van állítva a 2-féle vezérlő, akkor nem hiszem, hogy nagy különbséget produkálnak működésük alatt a tojások hőmérsékletében. Ami szintén jó, mert bármilyen vezérlő van, csak a vezérlő hiszterézisén múlik a tojás hőmérsékletváltozása, nem a külső hőmérséklet, vagy benti levegő, víz lehűlésétől. Az valószínű, hogy így a 0,2°C hiszterézis a tojások hőmérsékletének változása lenne, nem csak a vezérlő érzékenysége. Az arányos szabályzó leírásában is volt szó arról, hogy az R4-et addig lehet növelni, míg a hiszterézis a megengedetten belül marad, vagyis valamilyen formában annak is van hiszterézise. Ez nem tudom mennyi, miben nyilvánul meg, és hogy egyáltalán működhetne-e rendesen, ha az érzékelő a fűtőtesten van, hisz lassabb hőmérséklet változásokra lett tervezve. Tudom, működik az mindkét vezérlővel, meg petróleum lámpával is, bármelyik eddigi megoldással, de ha lehet hatékonyabban, egyszerűbben, olcsóbban, stabilabban is, akkor nem árt figyelembe venni a lehetőségeket. Lehet nem gondoltam valamire, vagy tévedek, de ha igazam van, akkor így jobb lenne. Persze amennyiben valóban az tesz jót a tojásnak, ha stabil a hőmérséklet. Lehet, hogy edzettebbek a nagyobb hőingásban résztvevők. Serkent a vérkeringésük, meg ilyesmi.
"...miért jobb így, mint az adatlapján?"
Így az optocsatoló és a vele párhuzamosan köthető kontroll LED (nincs a rajzon) nem közvetlenül a kimenetet terheli. A régebbi optók és ledek nagyobb áramot vettek fel. Kapcsolhatná közvetlenül is a kimenet ezeket, de egy tranzisztoron már ne múljon! Az optó-triak kapcsolás egy "lecsupaszított" szilárdtest relének felel meg. Nincs áramgenerátor a bemeneten és nincs rövidzárvédelem. Ennek a figyelembevétele mellett felhasználhatod a klasszikus relé kiváltására is. Nem kell a tojásokat körülölelő levegőt szuper stabilan egy hőmérsékleten tartani. A tojás, a tömege miatt nem melegszik fel, és nem hűl le gyorsan. A levegő hőmérséklet változásait csak nagymértékben csillapítva követi. Ha a levegő hőmérséklete nem ingadozik + - 0,2 - 0,3 C foknál többet, akkor a tojások hőmérséklete biztosan stabil lesz. A levegő 0,5 C fokos ingadozása még jó értéknek mondható. Ezt az értéket pedig az általad is idézett arányos szabályzókapcsolás mellett sok más szabályzó is tudja. Az érzékelőt ne a fűtőtestre helyezd! Mind a hőmérséklet, mind a páratartalom esetén a tojások körüli tér állapota a lényeg. Ahhoz igazodjon a fűtés és a párásítás. A fűtőtest hőmérséklete másodlagos. Ha kis hiszterézisű a szabályzód, a fűtőtest is felvesz egy átlag közeli értéket. A sűrű ki-be kapcsolások miatt nem érkezik túlzottan felmelegedni, vagy lehűlni. Ezáltal a hőlengés is az elfogadható szint alatt marad. A keltető fogyasztásáról: A tojások is és a fűtés is egy zárt térben vannak. Ennek a térnek a külvilág felé történő mindenkori hőveszteségét kell a fűtéssel pótolni. Ez nem függ a fűtés elhelyezésétől, csak a keltetőtér szigetelésétől, illetve a szellőzőnyílásokon és az ajtó nyitogatásakor elszökő hőtől. Nem kell a csibéket "edzeni". "Mindössze" a sikeres keltetéshez szükséges komfortot kell biztosítani a számukra. Az arányos szabályzó nem feltétlenül a lassú változások követésére lett tervezve. A kisebb eltéréseket is viszonylag gyorsan lereagálja. Ezt tapasztalatból mondom.Több gép megépítése után ki merem jelenteni: Jól kivitelezve, beállt hőegyensúlyú gépnél, a levegő hőingadozása kevesebb, mint 0,2 C! Az érzékelőt a tojások közelében elhelyezve, relatíve nagy tömegű porcelán teljesítmény ellenállásokkal fűtve, és ventilátoros légkeverés mellett. Ezt csak általánosságban mondom: Nem kell a kőbaltás világba visszatérni, de nem is kell túlzottan kihegyezni sem a fűtés kérdését. Alapvetően fontos a jó fűtés, de ezen kívül még millió buktatója van a keltetésnek. Azok is legalább ekkora figyelmet érdemelnek! A hozzászólás módosítva: Máj 14, 2014
De ha a fűtőtest a tojáshoz érne, akkor az is a tojást körbevevő környezet, plusz oké, hogy beállna kicsit melegebb hőmérsékletre, de az a kicsi az már talán alapból sok, hisz már 38°C-on is fehérjekicsapódás közeli hőmérsékleten van. Na meg, ha mégse csak fent lenne, hanem két szembefordtott U alakba, akkor az teljes falfűtés, és igy (nem irja be a hosszú i-t, de csak ide...) mégjobban lecsökken a hőingás lehetősége. Azért is tetszett meg a másik rajz, mert lehet rá kijelzőt tenni, és ha jól gondolom, egyből lehet tudni, hogy mennyire álltom be. A hiszterézist a P-szabályzónál még most sem értem. De most ez akkor lenne túlzott odafigyelés, ha nehezebb lenne gy csinálni, de nem nehezebb, nem drágább. A P-tpusú folyamatosabbnak tűnik, de jó lenne, ha arra is lehetne kijelzőt tenni a könnyebb beálltás érdekében.
Akkor ne érjen a fűtőtest a tojáshoz!
Egyébként sem tartom jó ötletnek a tojások direkt fűtését. Magyarul bármi is a fűtőtest, ne a tojásokat fűtse, hanem a levegőt. Célszerűbbnek látom a jól elkevert, egyenletes hőmérsékletű levegővel körülvenni a tojásokat, így biztosítva azok kellő hőfokát. A nagy felületű, kis tömegű fűtőtest valóban ideális megoldás. Többszintes gép esetén a levegő rétegződését viszont ventilátorokkal kell megakadályoznod, még ha a teljes belső felületen is fűtenél. Az arányos szabályzót én is egy LM35 és egy 200mV-os digi alapműszerből készített hőmérővel egészítettem ki. Így sem lett több az anyagköltség, max. pár száz Ft. plusz. Valóban kell egy másik érzékelő, de a 10 kohmos NTC nem egy ökör ára. Így viszont van egy független hőmérőm és egy remek szabályzóm. A P szabályzónál az A1 hibajel erősítő visszacsatolását, ezzel az erősítését, a kapcsolás hiszterézisét tudod az R4 értékével variálni. Célszerű potival, trimmerrel megkeresni a megfelelő értéket, majd azt fix ellenállással kiváltani. Nem akarlak se rábeszélni, se lebeszélni egyik megoldásról sem. Csak a tapasztalatomat szeretném megosztani. Több szabályzót is kipróbáltam egy adott gépben, hogy lehetőleg egyforma legyen a viszonyítási alap. Nálam a P szabályzó alkalmazásakor volt a legkisebb a hőlengés a gépben. Minden más körülmény azonos volt.
Ha esetleg igy mindenestül tudnál felrakni egy rajzot az bizonyára mindenkinek örömére lenne, hisz elvileg az a legjobb nem mikrovezérlős vezérlők közt. Az R4-es dolgot én is rtam, értem, hogy ha nő, akkor a hiszterézis is nő. Azt nem értem, hogy mi a hiszterézis... Ablak-komparátornál értem mi a hiszterézis (bekapcsol-kikapcsol), de ennél nem. Visszatérve, miért ne fűtsük közvetlenül a tojást, mint a tyúk? A tyúk rosszul csinálja? Többszintesnél valósznűleg mindenképp nagyobb hely kell, és abban az esetben valósznűleg olcsóbb a levegőt melegteni, és legyezni, mint mindenhova infrafóliát tenni külön vezérléssel. De nekem nem kell több szint.
Fussuk át nagy vonalakban a szabályzó működését.
Ahogy én értelmezem: Az A1 erősítő invertáló bemenetére referenciaként az R2,R3 osztó révén a féltápfeszültség kerül. A nem invertáló bemeneten az R1, P1, T1 ,( vagy a T1-et Th1 termisztorral helyettesítve) osztó révén előálló feszültség és a féltápfeszültség különbsége képezi a hibajelet. Ez a hibajel jelenik meg felerősítve az A1 kimenetén. Az erősítés mértékét az R4 határozza meg. A túl kicsi és túl nagy erősítés is hátrányos lehet. Erre később visszatérek. Az A2 tulajdonképpen egy komparátorból képzett jelgenerátor. A referencia szint itt is az R6, R7 által leosztott féltápfeszültség. Az R8, R9, C3 hatásaként a C3 kondenzátoron egy fűrészfoghoz hasonlító jelet kapunk. Ezt a fűrészjelet és a felerősített hibajelet vezetjük a komparátorként működő A3 két bemenetére. Itt nincs konkrét, fix referencia feszültség. A kimeneten megjelenő jel, a két bemenőjel egymáshoz képest viszonyított pillanatnyi állapotától függ. Mondhatjuk, a hibajellel "moduláljuk" a fűrészjelet. Jól beállított R4 esetén, a kimenetén előálló jel arányos lesz a hibajellel. Ezzel a jellel vezéreljük a kimeneten lévő "kvázi" szilárdtestrelén át a fűtőteljesítményt. Belátható, ha a hibajelnek a fűrészjelhez képesti viszonya aránytalanul kicsi, a kimenetre gyakorolt hatása is túl kicsi lesz. A túlzottan felerősített hibajel viszont teljesen "lefedi, elnyomja" a fűrészjelet. Ezért fontos az A1 erősítésének a helyes beállítása. Hogy ezt szerencsés dolog-e hiszterézisnek nevezni, az már egy másik vita tárgya lehetne. Megígérem, teszek fel rajzot, de egy kicsit később. A tojások közvetlen fűtését most is ellenzem. Gyakorlatilag minden tojásra méretezni kellene a fűtés nagyságát. (Nem egyformák a tojások. Az egyszintes elhelyezésük dacára a körülményeik sem azonosak. Stb. stb.) Emiatt szinte darabonként kellene detektálni azok tényleges hőmérsékletét. Ez persze csak az én véleményem! Ha úgy látod, meg tudod oldani a felvetett problémákat, akkor jó munkát és sok sikert hozzá!
Próbáltam szerkeszteni a hozzászólásomon, de már nem sikerült.
Kifelejtettem a mondandómból egy lényeges dolgot. A hőmérséklet emelkedésével az A1 bemenetén is, és a kimenetén is arányosan csökken a hibajel feszültségszintje. Az A1 kimenete egyúttal az A3 egyik bemenete. Az A3 a bemenetére jutó csökkenő feszültség hatására egyre nagyobb szeletet metsz ki a másik bemenetére vezetett fűrészjelből. Ennek eredményeként egyre rövidebb ideig lesz bekapcsolva a fűtőtest. Az R4 helyesen beállított értékénél, egy bizonyos időpontban bekövetkezik egy olyan egyensúlyi állapot, amikor a fűtés mértéke csak a rendszer hőveszteségét pótolja. Ez a "kapcsolási trükk" tulajdonképpen a szabályzó működésének az alapja.
Köszönöm! Ha a tojások méretkülönbsége miatti hőkülönbség akkor is fennáll, ha bármi mással fűtjük, pl. levegővel, plusz a ventilláció is páraelvonással hűtheti némelyik tojást így másikat úgy.
Úgy gondoltam, hogy a tyúk se feltétlen ér hozzá minden tojáshoz, és műanyagráccsal kisebb a hőelvonás alulról, hogy jobban hasonlítson a fészekre. De ha nagyon precízek akarunk lenni, nem kell ragaszkodni a gyári készülék felépítéséhez sem, hanem pl. lehetne közvetlenül a tojások alatt az infrafilm egy tálcán, ami körül még van pár centi rés, amin keresztül felmehet az alatta lévő vzből a pára. Így minden tojás közvetlenül hozzáér, a meleg levegő amúgy is felfele száll, de a tojások felett így se lenne sok szabad hely, mert felesleges, plusz így is csökken az amúgy is kis valószínűséggel fennáló hőkülönbség a tojás alja és teteje közt, plusz megmarad a párologtató is. Amúgy a te rajzodon is lehet kapcsolni a kijelzőt, hogy a beállított hőmérsékletet, vagy az aktuálisat mutassa?
A véleményem az, hogy ne "műtyúkot" akarj kreálni! Nem kell egy keltetőgépnek a kotlós "működését" leutánozni .
A sikeres keltetéshez a tojás komfortját kell biztosítani. Megfelelő hőmérséklet, megfelelő páratartalom, forgatás, stb. Az egyenletes hőelosztást szerintem egy közvetítő közeggel, jelen esetben levegő segítségével, és a levegő elkeverésével oldhatjuk meg a legkönnyebben. Nem azt mondom, hogy könnyű feladat, ám mégis így a legkönnyebb! Ha a tojást csak levegő veszi körül, és a levegő hőmérséklete állandó, a tojás is - (mivel egy hőtechnikailag zárt rendszerben van, nem tud mással hőt cserélni) - felveszi annak a hőmérsékletét. A fém, vagy akár műanyag rács is ebben a közegben van. Így az is felvesz egy állandó hőfokot. Tehát itt sincs hőcseréje a tojásnak. A légkeverés nem jelenti azt, hogy vihart kell kavarni a gépben! Elég, ha a levegő rétegződését meggátolja és biztosítja a max. néhány tizedes hőmérséklet különbséget. Állólevegős gépeknél rétegeződhet a levegő, de szintenként egyformának kellene lennie. Ezt, ha lehet, még nehezebb elérni! Nem véletlen az, hogy az egyszintes román csodáknál is áttértek a ventilátoros változatra. Ha nem csinálsz vihart a gépben, a tojások párolgása sem lesz jelentős mértékben nagyobb. Az állólevegős gépekhez képest a páratartalom 1-2 %-os emelése megoldja ezt a problémát is. Nem azt mondom, hogy ne alkalmazd a fűtőfóliát. Csak a direkt fűtés ellen vannak fenntartásaim. Amint írtam már én egy a szabályzótól független hőmérőt készítettem. A szabályzó kapcsolásából következően talán nem is volna egyszerű ezt megvalósítani, mert a beállító poti és a hőérzékelő egy közös feszültségosztót alkotnak. Talán a potit a referencia beállítására használva, és a referencia feszültség kijelzésével megoldható lenne a feladat, de nem cifrázom. Ha eltér a hőfok, tekerek egy picit a potin! A hozzászólás módosítva: Máj 15, 2014
Üdv minden fórumozónak.
A következő problémával fordulok hozzátok.Adott egy két évvel ezelőtt megépített keltető,amiben még sosem kelt érdemben elfogadható mennyiségű kisállat.A férőhelye 240 drb tyúktojás,a forgatása automata,a termosztát az ebay-on kaphato preciz termosztát,fűtést két sorba kötött 800w kerámia fűtőspirál végzi amelyek hűtésését két 140-es Fractal pc venti végzi.A fűtés a keltető aljában helyezkedik el,felette a vizestálca és 3drb tojástatró tálca. Nos az a probléma,hogy állandoan meleg többlet keletkezik a kelteto aljában,mivel a fűtőtestek egy alumínium lemezzel vannak befedve,és tulhevülnek. Nos a bujtató ládában ugy oldottam meg a problémát,hogy kapott egy egyutas egyenirányítót ami leverte a feszültséget kb a felére,és így félig-meddig elfogadhato lett a hőingadozás. Az érdekelne,hogy esetleg nem -e épitett valaki fűtőtesthez impulzus relét? Az lenne az elképzelés,hogy a jelenlegi termosztát amikor kapcsol, (12v-ot vezérel,mivel rá van kötve egy optocsatolóra) beinditaná az imulzusrelét,ami a fűtőtestnek adagolná az áramot. 2s megy 5s nem,de a legjobb lenne ha mindkét intevallum potival állítható lenne,a kisérletezés céljából. Bőven elég lenne ha csak az optocsatoló előtti 12v feszültséget rugdosná,mivel továbbra rá bíznám a terhelés kapcsolgatását. Lehet hogy jol működne egy diak/tiristoros teljesítmény szabályzó is? Jelenleg sajnos napi 5KW -ot zabál a kicsike,de még ezt meg is bocsátanám neki,csak már végre nem 20 kacsa kelne ki benne egy keltetés során. Igen,igen onnét az irónia mivel kicsit el vagyok keseredve. Köszönök minden segítséget...
Szia
"alumínium lemezzel vannak befedve,és tulhevülnek." esetleg a érzékelőt ha a aluminium lemez alá tennéd? "fűtést két sorba kötött 800w kerámia fűtőspirál végzi" Jól értem kb.:400W a fűtésí teljesítményed? Vagy 1600W? Ha 400W akkor max a porcelán gyürük átmelegítése és annak a hőmegtartása a gond. Esetleg egy kezdetleges másik hő kapcsoló, ami kb.:45....50 fokra be van állítva ( ez amit a keltetés kiván illetve a keltető kiván ). Ha a keltető kapcsoló érzi hogy kevés a beállítot hőmérséklet bekapcsolja a betétet ami ha eléri a 45...50fokot lekapcsol majd ha visszahült ujra bekapcsol addig amig a keltető azt nem mondja hogy a hőfok megfelelő. Ha csak a keltető szabályozza akkor egy 80.....100 fokig felmegy majd hűl, igy biztos, tulmelegszik a tojás mert sok hőt tárolsz a porcelánba. Másik hogy ez lehet akár 5fokos be/ki kapcsolással is. Nem kell a 0,2fokot itt tartani, azt a keltető hőmérőnek kell tartani. "fűtőtestnek adagolná az áramot. 2s megy 5s nem,de a legjobb lenne ha mindkét intevallum potival állítható lenne,a kisérletezés céljából." Szabályzó behangolása, nem kis feladat. Az a baj hogy nem állandó a körülmények igy még nehezebb szerintem. ( a tojások keltetésí idővel változik a hőmérséklet ekkor ujra beállítani, egy kicsit nehéz lesz. ) üdv. A hozzászólás módosítva: Máj 27, 2014
Ja.. mondjuk egy bimetálos hőkapcsolót bekötsz a fűtőtestre, vagy ha azon van az aluminium hűtő akkor arra, minél közelebb a porcelánhoz, és én felülre tenném, hisz arra megy a meleg, és arra van az is amit melegit. Mondjuk ez pont nem jó darab, mert 35°C-ig nem mehet le.
A hozzászólás módosítva: Máj 27, 2014
Az előbb módositottam, de elveszett amit irtam, ezért csak nagyjából újrairom. Ha jól értem van egy Alu doboz amiben vannak a fűtőtestek, és a ventik. Ez úgy rossz ahogy van. A levegő itt hiába kering inkább szigetel az Alutól, az Alu pedig nem elég nagy felületű, hogy hatékonyan leadja. Ha ilyen nagy teljesiményű, akkor legyen nyilt, közvetlenül a fűtőtest legyen hőszabályozva, és akkor ezzel teljestményszabályozva is lesz. Mert ha hidegebb van nagyobb teljestmény kell 38°C-hoz, mintha melegebb van. A hőkapcsoló az időtartammal szabályozza a teljesitményt, és ha közvetlenül rajta van, és az egész légtérrel ventilláltatva van, akkor kisebb lesz a túlhevülés. Csak egyszerűség kedvéért mondtam bimetálos hőkapcsolót, de nyilván minél pontosabban tartja, és minél kevésbé melegedhet fel, annál kisebb az ingadozás. Pl. 39°C +-1°C-on tartaná a kerámiát akkor biztos nem hevülne túl a levegő se. A másik megoldás ami mégtöbb fogyasztással járna, hogy teszel bele egy hűtő, szellőztető részt is, és ha túlmelegszik akkor lehűti a kinti levegővel.
Szia István!
Ennek a tranyós kapcsolásnak milyen a hiszterézise? Üdv tgyury
Nem mértem sose, bár van neki annyi, hogy az évek során a higanyos hőmérő kapilláris csöve pár tized fok hosszan megkopott. Szolgáljon mentségére a termosztátnak, hogy az érzékelő elég nagy távolságra van a melegítőtől. A legnagyobb gondom az volt vele, hogy a 24 voltos relé érintkezői rezegtek. Az ellenállást kapcsoló relé olyan hangot adott ki, mint egy varrógép. Készítettem egy kéttranzisztoros időzítőt hozzá, ami 4-10 másodpercig behúzva tartja az ellenállás reléjét. Így egy relé több hónapon át bírja ki-be kapcsolgatni az 1,2 kW-os ellenállást, gond nélkül.
Köszönöm.
Üdv tgyury
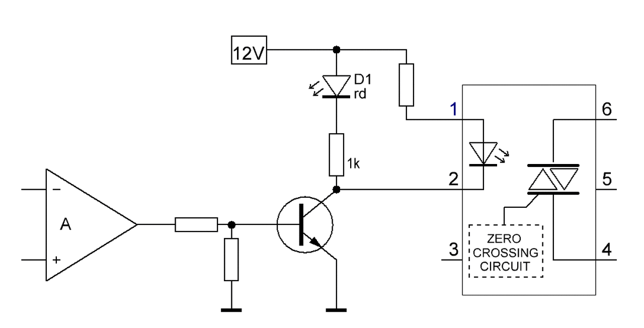
Valaki megtudná nekem nézni a lenti kapcsolást, hogy így működő képes e?
Előre is köszi.
Szia!
Működne de szakszerűbb lenne az optocsatolónak külön előtét ellenállást alkalmazni. Az ellenállás értékét az optocsatoló áramához kell méretezni. Az 1N4148 diódát nyugodtan kihagyhatod. Mivel most nincs tekercs ami "visszarúgna", ide nem kell. Csináltam egy skiccet, hogy is gondolom. Mellékelem.
Kb. Mekkora lehet az ellenállás, 2db 230v/60w sorrba kötött izzót hajtan€k vele. Ha jól számolom elég 510R?
Én a primer oldalon, a LED áramfelvételére gondoltam. Létezik ugyanis 5,-10;-15; és még sokféle áramfelvételű optocsatoló. Ezért kell más más ellenállás érték.
Például a rajzodon szereplő MOC3020 ha jól nézem az adatlapját, 10 mA-t igényel. Ha az optó ledjén 3V feszültség esik, akkor 12 V táp esetén 900 Ω (910Ω) lesz az előtét ellenállás értéke.
Üdv. Én is szeretnék egy keltetőt építeni. Szinte mindenem megvan hozzá. A hőfokszabályzásra egy Nivelco Unicont pmm-314-1 eszköszt szeretnék használni(mivel ilyenem van itthon), egy pt100 hőszondával. Kérdésem azlenne hogy tudja- valaki hogy ez az eszköz milyen jelet adki? Mekkora feszültséget? Egy relét szeretnék vele működtetni.
Hello! Itt van a típusválasztéknál megtalálod a kódszám alapján. De benne van a két váltó érintkező és 4..20mA kimenet. De ha van otthon,miért nem próbálod ki?..
Nálam egy számítógéptáp hajt egy1,2 ohm-os cekászt a 12V-os kimeneten.
érzékelő 4001 dióda műveleti erősítő LM324 kimenet a PC táp PG (zöld vezeték) pontjára. Ha itt 0 volt van a betét kap 12V-ot ha eléri a 2,8V-ot a kimenet 0 V. Köztes állapotban arányos a vezérlőjel nagyságával . A betétet egy számítógép ventilátor fújja.
Szia!
Valami nem kerek! A Power Supply On-t, (PSON-t, főtáp bekapcs.) jelölik tudtommal a szabvány szerint zöld színnel. A Power Good, (PG, tápfeszültségek jók), szürke szokott lenni. A köztes állapotot sem értem. A PC főtápja a zöld vezetékre kapcsolt feszültség bizonyos küszöbértéke, - nálad 2,8 V - felett ki van kapcsolva. Ez alatt be. A 12 voltos kimenetén 0, vagy 12 V van. Nincs köztes állapot. Nem számít a zöld vezetéken a konkrét feszültség érték, csak az, hogy kisebb, vagy nagyobb az értéke a küszöbfeszültségnél. Így az egész rendszer egy komparátorhoz hasonló elven működik.
Szia . Igazad van elírtam nem PG de zöld vezeték 14-es láb Power on . Viszont nem komparátor érzékeli a feszültségszintet inkább L = be H= ki de 1 és 2 volt között változtassa a kitöltést így a feszültséget és a fűtőteljesítményt is.
Más terhelésen nem mértem de az 1,2 Ohm on Power on 1,45V 12V os kimenet 4,2V ha Power on 1,49V 12V kimenet 3,9V. Ezt nem néhány mérés idejéig tudja ,eddig 10 hetet ment és nem volt vele gond. Mivel minden ami elromolhat el is romlik ellenőriztem egy tartalék tápot is ,ez (SKY HAWK MODEL: SH250 A8 )
Hello! A napokban javítottam barátom keltetőit és volt köztük egy vélhetően kínai gyári is. A hőmérsékletet és páratartalmat kis különálló kütyü mérte. A hőfokszabályozás különálló panel volt, mely a méréshez mindössze csak a tápot szolgáltatta.
Kirajzoltam, mert véleményem szerint elég egyszerű, szellemes és arányos szabályozással rendelkezik, "relémentes". Érdekessége, hogy az áramkör tápfeszültségének előállításához "soros ellenállásként" a 23W-os ventilátor motor áramát használja fel. (A panelen ugyan ott voltak a kondi helye de az hiányzott.) |
Bejelentkezés
Hirdetés |














