Fórum témák
» Több friss téma |
- Ez a felület kizárólag, az elektronikában kezdők kérdéseinek van fenntartva és nem elfelejtve, hogy hobbielektronika a fórumunk!
- Ami tehát azt jelenti, hogy a nagymama bevásárlását nem itt beszéljük meg, ill. ez nem üzenőfal! - Kerülendő az olyan kérdés, amit egy másik meglévő (több mint 17000 van), témában kellene kitárgyalni! - És végül büntetés terhe mellett kerülendő az MSN és egyéb szleng, a magyar helyesírás mellőzése, beleértve a mondateleji nagybetűket is!
Szia! R=U2/P. Te is ki tudod számolni. 50W-os páka esetén 24V*24V/50W=11,5 ohm
Nem véletlenül egy hőérzékelőt mérsz? A fűtőszál ellenállása hidegen pár ohm környékén van.
Építenék egy feszültség indikátort/mérőt. Elemről működő eszköz tápfeszültségét szeretném megállapítani hozzávetőlegesen.
Én arra gondoltam, hogy egy LM293-al komparálok, mégpedig úgy, hogy a tápfeszültségből csinálok egy kicsi feszültséget egy zeneres stabilizátorral (faék!). Így kapok egy ismert feszültséget. A komparátor másik bemenetére pedig egy feszültség osztással adnám a táppal arányos jelet. A komparátor kimenetén egy darab led-el lehetne ellenőrizni a feszültséget, úgy, hogy változtatom a feszültségosztást egy potméterrel. A potihoz rajzolok egy skálát, amit pár értéknél lemérek, így hozzávetőlegesen megkaphatnám, hogy mekkora a tápfesz. Nem kell pontosan, csak hozzávetőleges infót szeretnék kapni alkalmanként (nyomógómb nyomva tartása alatt). A rajzon csak a szimuláció miatti mérő eszköz van.
Köszönöm az átszerkesztést. Ha CMOS alkatrésszel építem meg akkor nem kell neki 9 volt? Elég nagy a 9 voltos elem jó lenne kicsibe építeni.
Elméletileg működik vagy ez annyira alap kapcsolás, hogy ennél nem lehet hibázni?
Ez itt mind CMOS. Elég neki kisebb feszültség, de 3V környékén már nem igazán szeretnek működni. Amit átrajzoltam, az nem túl korrekt, de elvileg azért működni fog. Sajnos minden oszcillátort le kell állítani, hogy amikor csönd van, minimális legyen a fogyasztás. Csak azt semmi nem garantálja, hogy a négy bemenet egyszerre billenjen magas szintre. Főleg, hogy a 4011-nek más a bementi szintje. De ha kívánod, megrajzolom úgy is, hogy a TLC555 kapcsolja a tápját a tücsöknek. Az ezt az 1..2mA áramot közvetlen és határozottan is tudja kapcsolni.
Ha ugyan erre vonatkozott az utolsó kérdésed..
Hogy működőképes-e, illetve van-e egyszerűbb megoldás.
Szia nem a hőérzékelőt mértem, a fűtőszálat mértem ahová a 24V vezetve van...
Sziasztok!
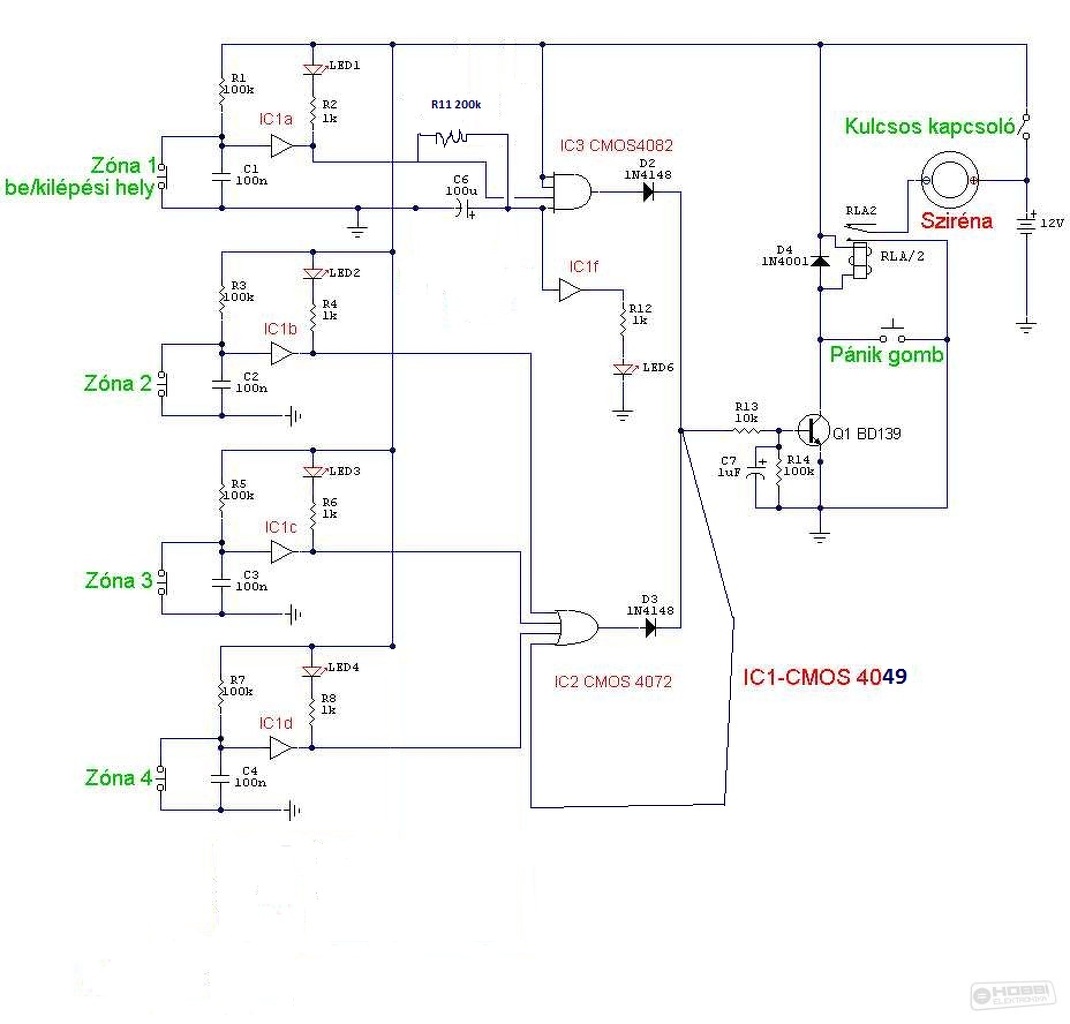
Megépítettem az 5 zónás riasztórendszert, ami itt található az oldalon, kis változtatással! Mivel mozgásérzékelőt szerettem volna, így a buffer helyett inverter IC-t használtam, és egy kis memóriahatást is sikerült elméletben elérnem (elvben)! NYÁK lapon is megcsináltam zeket a változtatásokat, de először azt csinálta, hogy az összes visszajelző led világított, és amikor kikapcsolt a mozgásérzékelő, ami az A vagyis a késleltetőzónara volt kötve, rendesen működött, de a többi folyamatosan világított! Ha a többi zónát összekötöttem, vagyis az érzékelőbemeneteket egy kábellal, akkor elaluddtak, de a B Zóna úgy viselkedett, hogy bekapcsoláskor világított, és csak 1 perc alatt aludt ki. Ez így használhatatlan! Volna valakinek ötlete, mi lehet a probléma? Mellékeltem az általam elkészített rajzot! U.I.: Bocsánat a hosszú szövegért, csak így tudtam elmagyarázni!
Hello! Engem érdekelne. NE555 is jó hozzá? Én nem ragaszkodok a tücsökmuzsikához, gondolom az 555-el is lehetne csipogást generálni.
A választ megadtad az utolsó mondattal. Ha meg tudod rajzolni, hogy a TLC 555 kapcsolja és keveset egyen, akkor feltételezem ez is működik. Ha nem túl nagy feladat neked akkor a kissebb fogyasztású érdekelne, mert akkor ahhoz tervezem meg a panelt is inkább nem ehhez. Köszönet.
Sziasztok, megépítettem EZT a kapcsolást, viszont nem úgy működik, ahogyan szeretném. A LEDeknek villani kéne 2-2-t majd kezdeni elölről. Azonban nekem egyszerre villognak és csak akkor amikor az órajelet adja az 555. Ha lehúzom a resetet a GND ről akkor meg összevissza mind a kettő. Próbapanelen kísérletezem, ha a resetre van dugva egy vezeték (a vezeték másik vége sehova sem) akkor csinálja a villogást, ha kihúzom a resetről a vezetéket akkor pedig csak az egyik LED világít folyamatosan. Mi lehet a probléma? Természetesen benne van, hogy én rontottam el a kapcsolást, viszont már elölről kezdtem többször is és mindig ugyanezt tapasztalom. A kapcsolásról egészen biztosan nem hiányzik semmi? (a rajzról)
Köszi a válaszokat.
Olyan a jelenség, mintha az 555-ös órajele túl gyors lenne. Kapcsolj próbaképpen egy 10µF-os kondit az 1µF-ossal párhuzamosan.
Hello! Bocs, úgy látom kissé összekevertem a válaszokat. Természetesen működhet, de vannak hátulütői is. De ez sem mindegy milyen feszültség tartományban szeretnéd használni. És még is milyen pontossággal.
De megoldás lehet egy TL431 is. Esetleg egy tranyóval kiegészítve. Mert annak referenciája elég jó, az 1V-os zénerhez képest meg sokkal jobb. (Kivét ha az egy GAP dióda.)
Hello! Az NE555 nem túl jó választás, mert annak fogyasztása nagyságrenddel jobb mint a CMOS változaté. Csipogni az eredeti kapcsolással is lehet, ha a C1 kondit 10nF-ra cseréled, a Led-et kiveszed belőle és a piezot a 3-as és 8-as láb közé kötöd.
Csodálkoztam is
![]() Kb 3-15 V tartományban kellene, de inkább egyszer 3-6V és 10-15V. Pontosságról annyit, hogy gondolkoztam ellenállásokból csinálok egy osztót, szóval elég 8-10 pontban meghatározni, legjobb esetben is 1/3V felbontás kellhet, de 0,4-0,5V is beleférhet. Valami kis filléres megoldást szeretnék kihozni. Nem kimondottan mérés, inkább indikátor, vagy ellenőrző eszköz. 4 db ceruzaakksikból álló telepet szeretnék ellenőrizni.
Akkor próbáld így kapcsolni az eredeti tücsök kapcsolását..
Ja igen, azt elfelejtettem mondani, hogy eleve 10µF-os kondenzátorral építettem meg, és a CTR lábra nem kötöttem semmit. Azonban ha közvetlenül egy LEDet kapcsolok az 555 OUT lábára, akkor megfelelő időközönként villog.
Pld. Így meg lehet oldani 3..15V tartományban. (De a 3V már kissé necces, mert a referencia 2,5V és az anód minimális feszültsége 2V. De azért működni fog, csak nem oly precízen, mint 4V-tól.
Elnezest, hogy kozbeszolok, de erdekelne a tucsokhang generator, megepitenem. Konkretan melyik kapcsolas az?
Madarász László: Digitális CMOS kapcsolásgyűjtemény
Műszaki könyvkiadó, Budapest, 1986, ISBN: 963 10 6727 0 Elvben.
Ez lenne az.
Bővebben: Link
Koszonom!
A hozzászólás módosítva: Máj 28, 2014
Üdv Mindenkinek!
Kameramozgatáshoz szeretnék vezélrést készíteni.Egy analog Joistyc al kéne 2 db motort /DC/ vezérelni.Egyik irány egyikmotor oda vissza másik irány másik motor oda vissza.Mi kell hozzá?Valaki tudna segíteni.Előre is köszi:
Megépítettem EZT! a kapcsolást. Ha a 2 LEDet az 555 CLK lábára kötöm, akkor szépen villog, úgy, ahogy szeretném. Azonban a 4017 re kapcsolva egyszerre villog a 2 LED pontosan fordítottan mint az 555-tel. Tehát amikor világít az 555 nél akkor itt elalszik és fordítva. Az eredeti kapcsoláshoz képest annyit változtattam, hogy az 1 µF kondenzátor helyett 10 µF-ost tettem be. Többször is szétszedtem és megépítettem. Ami furcsa, hogy ha a 4017 RESET lábát és a GND-t összekötő vezetéket kihúzom a GND ből akkor össze-vissza villognak a LEDEK, azonban ha a RESET feléből is kihúzom, akkor marad az egyidejű villogás.
(Bocsi a dupláért, az előbb nem kaptam választ) Mit ronthattam el, mi lehet a hiba? Ha kell készítek videót. |
Bejelentkezés
Hirdetés |















