Fórum témák
» Több friss téma |
Fórum » Időzítő
Témaindító: Mekkmester, idő: Dec 25, 2005
Témakörök:
Hello! Remélem így megfelel.
Valóban jobb megoldás, de az én szakmai tudásom a relénél kimerül.
Flip-flopok és optocsatolók lelki világát annyira nem ismerem, persze az elv megvan, meg tanultam is valaha, csak egy ideje erősáramú vonalon vagyok, ott meg ilyenekre nincs szükség. Ha már optocsatoló: van egy autóba építhető GPS nyomkövető is, amit csak a saját távirányítójával lehet aktiválni. (Zárt lakat - nyitott lakat szimbólum) Mivel nekem van a kulcsba épített gyári távirányítóm és nem szeretnék még egyet fityegtetni a kulccsomón, pláne nem mindkettőt nyomkodni: azt is meg lehet oldani optocsatolóval, hogy a gyári központi záram vezérelje a GPS távirányítóját? A kp. zár nyitáskor is és záráskor is pozitív impulzust ad, külön-külön szálra. Így ezekkel az impulzusokkal lehetne aktiválni/deaktiválni? Az elem gondolom pótolható egy 7812-vel, így a táp meg lenne oldva. Köszönöm, ha foglalkozol a hülyeségeimmel.
Üdv!
Nagyon köszönöm a gyors választ és a kapcsolást. Kipróbálom és jelzek. Üdv!
Üdv!
Kipróbáltam az időzítőt, amit küldtél. Az általad megadott értékekkel 38mp-es késleltetéssel kikapcsol az időzítő. Egyetlen gond van vele, még pedig az, hogy alapállapotban kb. 1,7V van folyamatosan a kimeneten, tehát a FET nem zár le teljesen. Lehet ezen segíteni? Egyébként BC327-et, BC337-et és IRF5305-öt használtam, ha esetleg ez számít. Üdv!
Itt az a nagy kérdés, mi volt a terhelés. Mert ha "semmi" akkor nem lehet csodálkozni..
Sziasztok! Egy kávé szállító robotot szeretnék készíteni és kellene hozzá egy egy időzítő, amely 5 percre van beállítva.
Akkor miért nem keresed meg az időzítő témát ? Nem olvastad a szabályzatot ? Először keress egy témát ami megfelel az elképzelésednek csak ha nem találsz ilyet akkor nyiss új témát... nézd csak.....
Hello! Csak ebből nem lehet megtudni mit is szeretnél, az 5 percen kívül..
- Mekkora a tápfesz - Mit kapcsoljon, mekkora terhelést - Mi indítsa az időzítést - Ki vagy Be-kapcsoljon az 5 perc alatt - Milyen pontosan szeretnéd az 5 percet időzíteni - Ciklikus, vagy egyszeri az időzítés.. Amúgy itt a képek között találsz időzítőket...
Először csak egy leddel teszteltem az időzítőt, majd rátettem egy relét a kimenetre, így valóban leesett a feszültség. Igazából engem a több mint 100mA-es nyugalmi áramfelvétel zavar kissé, de az akkunak bírnia kell. Még egyszer köszi a kapcsolást.
100mA
Az miből jön össze? Valamit nagyon lerontottál vagy elmértél. Ennek kikapcsolt állapotban, 120uA a fogyasztása. Időzítés alatt meg akkora, amekkora a terhelés + 5,5mA..
Igazad van, nem 100-110mA, hanem 100-110uA a helyes adat.
A hozzászólás módosítva: Aug 28, 2014
Na, ezért nem szeretem én az automatikus méréspont váltást. Az 1,7V is a Led miatt mérted. Mert a 100k nyitófeszültséget állít be a Led-en. De az semmi, nem "kimeneti feszültség".
Szervusztok szakik!
Egy apró problémában kérném a segítségeteket. Circuit wizard szimulátorban egy visszaszámlálós időzítőt építek ami 1 perces időzítésre alkalmas (amint az a mellékelt ábrán is látszik) 4510-es bcd számlálókkal, 7 szegmenses kijelzőkkel és egyéb finomságokkal. A működése egyszerű, az 555 melletti két állású kapcsolóval lehet indítani, a kapcsoló melletti NOR kapu megakadályozza, hogy 00-ról 59-re váltson, ha az oszcillátor nincs rákötve. A Load bemeneteken bcd kapcsolókkal 59-re van belőve az idő, illetve a három NOR és egy AND kapu segítségével 00-ról 59-re állítja vissza magát egy egy perces ciklus végén. A probléma az egésszel az, hogy a 00-t csupán egy töredék másodpercig mutatja és rögtön 59-re ugrik. Ez két szempontból gázos: 1) pontatlan az időzítő (nem teljes az egy perces időzítés a gyors váltás miatt) 2) ha az AND kapu kimenetét inverteren keresztül rá akarom kötni egy hasonló felépítésű perc számláló EN pinjére (tehát azt akarom, hogy a perc számláló csak a 00-nál váltson az óra jelre), akkor a rövid impulzus miatt az EN pin csak töredék másodpercig marad LOW és mire beérne az órajel, már ismét HIGH így nem reagál az órajelre. Kérdésem: Hogyan tudnám a 00 kijelzést egy másodpercesre nyújtani, majd utána 59-ről indítani a következő perc ciklusát? (Az ábra paintben igény szerint nagyítható ) A hozzászólás módosítva: Szept 3, 2014
Hello! Hogy "látni lehet" az erős túlzás. De miért kell az egész üres lapot képpé alakítani nem tudom. Talán egy programmal ki kellene vágni csak a rajzot, és nem jpg-ben, hanem png-ben menteni.
De a problémát talán úgy lehetne orvosolni, hogy a 0-a állapotot nem közvetlen vissza vezetni, hanem pld. egy D tárolóval átmásolni az órajel felfutó élére. Ekkor nem azonnal jelenne meg a nulla, hanem csak a következő órajel élére. Amúgy más hibákat is látok, lógó bementek, felhúzott bement de le nem húzott stb. (Persze ha látnám.)
Köszi proli007, megpróbálom a D flip-flopot mégegyszer, bár már próbáltam szórakozni vele, nem a tervek szerint sült el. A lógó U/D bemenet elméletileg a földre van kötve, csak nem akartam még több jelet az ábrába nyomorítani (így is zsúfolt), a szimulátor meg a lógó bemeneteket alapban földnek veszi. Egyébként azért ilyen kicsi, mert mire észrevettem, hogy így néz ki, már felülírtam a fájlt és nem tudtam újra feltölteni. Ezért írtam hozzászólás módosításban a paintes szöveget.Egyébként melyik bemenetre gondolsz, hogy "felhúzott, de le nem húzott"?
A hozzászólás módosítva: Szept 3, 2014
A P1..P4 bemeneteknél. Bár látni nem lehet pontosan mi van ott.
A 4510-es Load bemeneteire gondolsz? Ha igen, akkor igazad van, nem gondoltam, arra, ha a kapcsolók (amik itt momentán egy bcd kapcsolót helyettesítenek, mert a progiban nincs olyan) ki kapcsolt állapotban vannak (ami itt a 0 logikai jelnek felel meg), akkor ott valóban lógva vannak a bemenetek. Köszönöm, hogy szóltál!
Sziasztok!
Egy olyan időzítőre lenne szükségem, ami egy gombnyomásra 1-2 mp-re meghúzna egy relét, majd a relé elengedése után letiltana beállítható ideig (max 5 perc), vagyis ha ezen időn belül nyomkodják a gombot, akkor a relé ne húzzon be. Egy GSM hívóhoz kellene, ami gombnyomásra küld egy SMS-t, de van mikor egymás után többször megnyomják, és többet is küld egymás után. A tápfeszültség 12v Dc. Van erre valami megoldás? Előre is köszönöm.
Hello! Valami ilyesmire gondolsz? Relét ugyan nem biggyesztettem a kimenetére, de ha gond odarajzolom. A működésről még annyit, hogy táp bekapcsolásakor is fog egy impulzust adni, valamint ahányszor megnyomod a gombot a holtidőn belül, mindig újra kezdődik a holtidő.
Szia!
Köszönöm,szerintem jó lesz. A 4093-as kimenetére egy olyan relé menne, ami kb 30mA-t fogyaszt, nem tudom hogy ezt az Ic bírja-e, vagy tegyek be elé egy tranzisztort? A másik kérdésem, hogy ezt a mindig újra induló holtidőt a nyomógomb nyomkodásakor ki lehet-e iktatni, mármint hogy ne induljon újra? De végül is nem olyan nagy gond ha nem megoldható.Az utolsó kérdésem hogy a holtidő kiszámolására adott képletbe hogy kell beírni az alkatrészek értékeit? Át kell váltani a Kohm-ot ohm-ba, a nF-ot F-ba, vagy csak simán beírom? Ebbe mindig belezavarodok
Nem nyerő ötlet. Relét meghajtani valamilyen nyitott kollektoros meghajtóval, vagy különálló tranzisztorral lehet. A 4093 .as nem nyitott kollektoros.
Hello! Akkor remélem így már jó lesz.
Azt elfelejtettem írni, hogy természetesen mindent alap mértékegységben számolunk. Így a végeredmény is szekundum lesz.. (A kis x-ek, természetesen szorzást jelentenek, mert a rajzprogramomban nincs szorzásjel.)
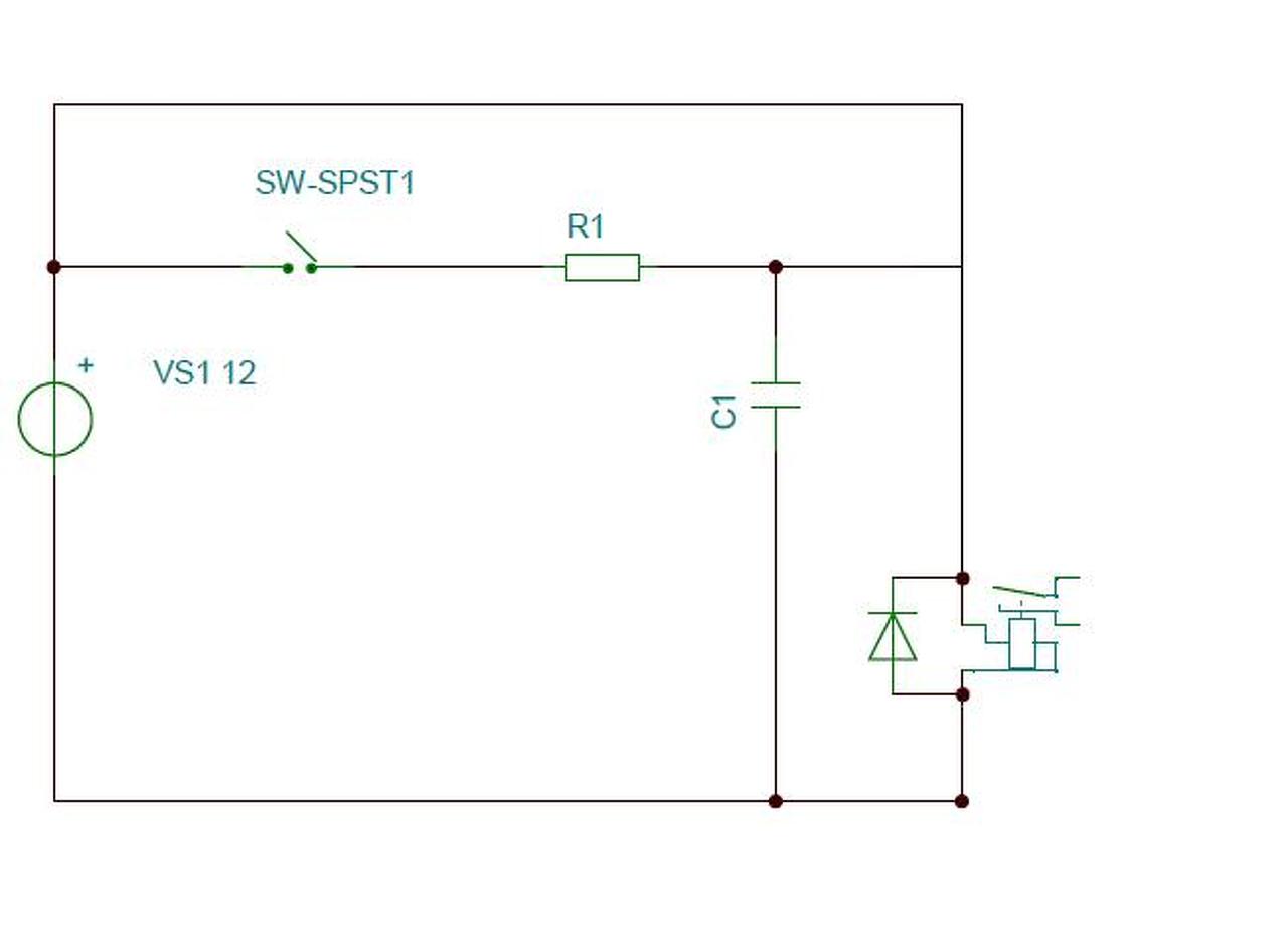
Sziasztok!
A segítségeteket szeretném kérni: találtam egy egyszerű időzítő kapcsolási rajzot, amiben a relé a táp kapcsolása után kb 11s múlva húz meg. A kérdésem a következő: meg lehet oldani úgy ezt az áramkört, hogy csak kondenzátor, ellenállás, dióda és a relé legyen benne? Vagyis tranzisztor nélkül. Előre is köszönöm a segítségeteket.
Szia!
Máskor kép formátumban töltsd fel a képet. Tranzisztor nélkül is lehet, de akkor extrém kapacitású kondenzátor kellene. A hozzászólás módosítva: Szept 14, 2014
Szia!
Bocsánat, máskor kép formátum lesz. Mekkora kondenzátor kellene, illetve hogyan nézne ki az áramkör? Köszi a segítséget!
Az R2 helyén lenne a relé. Az R1 attól függ, hogy mekkora a relé tekercsének az ellenállása, a kondenzátor pedig 1000 µF-os nagyságrendű lesz.
Ennek így nem sok értelme van. A felső rész át van hidalva rövidzárral...
|
Bejelentkezés
Hirdetés |





Az miből jön össze? Valamit nagyon lerontottál vagy elmértél.
) 








